LUMBERJACK 750W Dust Collector UDE75B Instruction
TABLE OF CONTENTS
Welcome to Lumberjack!
Dear Customer, Congratulations on your purchase. Before using the product for the first time please be sure to read these instructions for use.
They provide you with all information necessary for using the product safely and to ensure its long service life.
Closely observe all safety information in these instructions!
GENERAL POWER TOOL SAFETY WARNINGS
WARNING NG Read all safety warnings and all instructions. Failure to follow the warnings and instructions may result in electric shock, fire and/or se rious injury.
Save all w arnings and instructions for future reference. The term “power tool” in the warnings refers to your electric (corded) power to ol or battery-operated (cordless) power tool.
- Work area safety
- Keep the work area clean and well-lit. Cluttered or dark a reas invite accidents.
- Do not operate power tools in explosive atmospheres, such as in the presence of flammable liquids, gases or dust. Power tools create sparks that may ignite the dust or fumes.
- Keep children and bystanders away while operating a power tool. Distractions can cause you to lose control.
- Elect rical safety
- Power tool plugs must match the outlet. Never modify the plug in any way. Do not use any adapter plugs with grounded power tools. Unmodified plugs and matching outlets will reduce ris k of electric shock.
- Avoid d body contact with grounded surfaces, such as pipes, radiators, ranges and refrigerators. There is an increased risk of electric s shock if your body is grounded.
- Do not expose power tools to rain or wet conditions. Water entering a power tool will increase the risk of electric shock.
- Do not abuse the cord. Never use the cord for carrying, pulling or unplugging the power tool. Keep cord away from heat, oil, sharp edges or moving parts. Damaged or entangled cords increase the risk of electric shock.
- When operating a power tool outdoors, use an extension cord suitable for outdoor use. Use of a cord suitable for outdoor use reduces the risk of electric shock.
- If operating a power tool in a damp location is unavoidable, use a residual current device (RCD) protected supply. Use of an RCD reduces the risk of electric shock.
- Personal safety
- Stay alert, watch what you are doing and use common sense when operating a power tool. Do not use a power tool while you are tired or under the influence of drugs, alcohol or medication. A moment of inattention while operating power tools may result in serious personal injury.
- Use personal protective equipment. Always wear eye protection. Protective equipment such as dust mask, non-skid safety shoes, hard hat, or hearing protection used for appropriate conditions will reduce personal injuries.
- Prevent unintentional starting. Ensure the switch is in the off position before connecting to power source and/or battery pack, picking up or carrying the tool. Carrying power tools with your finger on the switch or energising power tools that have the switch on invites accidents.
- Remove any adjusting key or wrench before turning the power tool on. A wrench or a key left attached to a rotating part of the power tool may result in personal injury.
- Do not overreach. Keep proper footing and balance at all times. This enables better control of the po wer tool in unexpected situations.
- Dress properly. Do not wear loose clothing or jewellery . Keep your hair, clothing and gloves away from moving parts. Loose clothes, jewellery or long hair can be caught in moving parts.
- If devi ces are provided for the connection of dust extraction and collection facilities, ensure these are connected and properly used. Use of dust colle ction can reduce dust-related hazards.
- Pow er tool use and care
- Do not force the power tool. Use the correct power to ol for your application. The correct power tool will do the job better and safer at the rate for w hich it was designed.
- Do no t use the power tool if the switch does not turn i t on and off. Any power tool that cannot be controlled with the switch is dangero us and must be repaired.
- Disco nnect the plug from the power source and/or the battery pack from the power tool before making any adjustments, changing accessori es, or storing power tools. Such preventiv e safety measures reduce the risk of starting the power tool accidentally.
- Store idle power tools out of the reach of children and do not allow persons unfamiliar with the power tool or these instructions to operate the power tool. Power tools are dangero us in the hands of untrained users.
- Maintain power tools. Check for misalignment or binding of moving parts, breakage of parts and any other condition that may affect the power tool’s operation. If damaged, have the power tool repaired before use. Many accidents are caused by poorly maintained power tools.
- Keep cutting tools sharp and clean. Properly maintained cutting tools with sharp cutting edges are less likely to bind and are easier to control.
- Use the power tool, accessories and tool bits etc. in accordance with these instructions, taking into account the working conditions and the work to be performed. Use of the power tool for operations different from those intended could result in a hazardous situation.
- Service
- Have your power tool serviced by a qualified repair person using only identical replacement parts. This will ensure that the safety of the power tool is maintained.
- If the replacement of the supply cord is necessary, this has to be done by the manufacturer or its agent in order to avoid a safety hazard.
- dditional Safety and Working Instructions
- Dusts from materials such as lead-containing coatings, some wood types, minerals and metals can be harmful to one’s health and cause allergic reactions, leading to respiratory infections and/or cancer. Materials containing asbestos may only be worked by specialists. Observe the relevant regulations in your country for the materials to be worked.
- Preve nt dust accumulation at the workplace. Dusts can easily ignite.
- Safety Warnings for Dust Extractors
- Do not vacuum materials that are harmful to one’s health, e. g. dust from beech or oak wood, m asonry dust, asbestos. These materials are consi dered carcinogenic.
- Use the dust extractor only when you fully understand and can perform all functions without l imitation, or have received appropri ate instructions. A thorough introduction reduces operating errors and injuries.
- Do not vacuum inflammable or explosive fluids; for example, benzene, oil, alcohol, solvents. Do not vacuum hot or burning dust.
- Do not operate the machine in rooms where the dang er of an explosion exists. The dusts, vapours or fluids can ignite or explode.
- The du st extractor may only be used and stored indoors. The penetration of rain or moisture into the dust extractor lid increases the risk of an electric shock.
- When operating the dust extractor in damp environments, use a residual current device
(RCD). Us ing a residual current device (RCD) reduces the risk of an electric shock. - Conne ct the dust extractor to a properly earthed m ains supply. The socket outlet and the extension cable must have an operative protectiv e conductor.
- Before each use, check the dust extractor, cable and plug. Do not use the dust extractor when defects are detected. Do not open the dust extractor yourself and have it repaired only by qualified personnel using original spare parts. Damaged dust extractor, cables and plugs increase the risk of an electric shock.
- Do not drive over, crush or stretch the cable. Do not pull the cable to unplug the plug from the socket outlet or to move the dust extractor. Damaged cables increase the risk of an electric shock.
- During work breaks, when not in use or when working on the machine (e. g. changing tool inserts, repairs, cleaning, adjustments), pull the mains plug. This safety measure prevents accidental starting of the dust extractor.
- Make sure you have ventilation in the work area.
- Have the dust extractor repaired only through qualified specialists and only using original spare parts. This ensures that the safety of your dust extractor is maintained.
- Before restarting, check the condition of the vacuum hose. When doing this leave the vacuum hose mounted to the dust extractor to avoid dust from coming out. Otherwise, you could possibley inhale dust.
- Do not use the dust extractor as a seat. The dust extractor could become damaged.
- Use t he mains cable and the vacuum hose carefully. Other persons could be harmed.
- Using an Extension Cable.
- If an e xtension cable is required, use an approved triple core extension cable suitable for the p ower input of the tool.
- Groun ded tools always require a three wire extensio n cable.
- As the distance from the supply outlet increases you must use a heavier gauge extension cable. Using extension cables with inadequa tely sized wire causes a serious drop in voltage, r esulting in loss of power and possible tool damage.
- The smaller the gauge number of the wire the grea ter the capacity of the cord.
- When using a cable reel, always unwind the cable co mpletely.
SYMBOLS AND POWER RATING CHART
- Danger! – Read the operating instructions to reduce the risk of injury.
- Caution! Wear ear defenders. The impact of noise can cause damage to hearing.
- Caution! Wear a dust mask.
- Caution! Wear safety goggles.
MACHINE DETAILS AND PRODUCT FEATURES
Mach ine Details
Specifications:
- Mains Voltage – 230V / 50Hz
- Power Consumption – 50W
- Inlet Hose Diameter – 00mm
- Air Flow – 1503m3/h
- Collection Capacity – 5 Litres
- Gross Weight – 0.0kg
- Nett Weight – 8.0kg
Package Contents:
- Motor
- Frame a ssembly
- Side panels
- Centre panel
- Collecti on hose
- Filter bag support
- Collecti on bag
- Filter bag
- Hose clamp
- Upper retaining strap
- Lower retaining strap
- Hose connector
Intended Use
This power tool is intended to remove and collect wood shavings only. Any other use is considered as not intended use and any damages or injuries result from this unintended use is at operators own risk. This item is also not intended to be used for continuous production or production line use.
Product Features
- Collection hose
- On/Off Switch
- Filter bag support
- Filter bag
- Handle
- Collection bag

ASSEMBLY INSTRUCTIONS
Assembly
Avoid un intentional starting of the machine. During as sembly and for all work on the machine, the power plug must not be connecte d to the mains supply.
Carefully remove all parts included in the delivery f rom their packaging.
Remove all packaging material from the machine and the accessories provided.
Before starting the operation of the machine for the first time, check if all parts listed in the box content s ection have been supplied
Note: Ch eck the power tool for possible damage. Before using the machine, check that all protectiv e devices are fully functional. Any lightly da maged parts must be carefully checked to ensure flawless operation of the tool. All parts must be properly mounted and all conditions fulfilled t hat ensure faultless operation.
Damaged protective devices and parts must be immediately replaced by an authorised service centre.
Assemb ling the panel and frame
– Attach both side panels loosely to the frame then, atta ch the centre panel to both side panels by using the M8X20(x8) coach bolts and M8 nuts (X8).
Assembling the filtration housing
– Attach the filtration housing to both side panels by using the M5 X20 coach bolts (X4), M5 Washers (X4) and M5 nuts (X4), make sure that the upper and lower plates are fitted to each side of the filtration housing , proceed to tighten all nuts /bolts etc.
Assembling the filter bag
– Slide the upper retaining strap through the bottom of the filter bag, and secure onto the filtration housing. 
ASSEMBLY INSTRUCTIONS /OPERATION
– Insert th e filter bag support into the bore on top of the filtration housing then, slip the filter bag over the hook on t he filter bag support.
Assemb ling the collection bag
– Fit the c ollection bag to the lower part of the filtration housing and secure in place with the lower ret aining strap. 
Assemb ling the collection hose
– Attach the collection hose to the lower part of the filtration housing and secure in place with the hose clamp.
Assemb ling the collection hose
– Attach the collection hose to the lower part of the filtration housing and secure in place with the hose clamp. 
Operation
Woodworking operations will cause dust to become airborne with the potential to be highly toxic; we always recommend wearing a face mask during these operations, as well as ensuring the area is well ventilated.
Before using your dust collector:
- Learn the function and correct use the on/off switch.
- Read and understand all the safety instructions and operating procedures throughout this manual.
Before each use:
- Inspect your dust collector, if any parts are missing, damaged, bent, or fail in any way, or any electrical components do not work correctly, turn off the dust collector and remove the plug from the mains supply.
- Replace damaged, missing, or failed parts immediately.
- When cleaning the collection bags, always wear a dust mask and eye protection.
- Ensure all clamps, collection hose and bags, are secure.
- Connect the other end of the collection hose to your machine.
- To start the dust collector; press the green (I) button.
- To stop the dust collector; press the red (O) button.
Your dust collector is fitted with a safety NVR
(no volt release) switch. This means that if power is cut to the dust collector (such as in a power failure); the motor will not start to run once the power is returned without the operator following the above instructions to restart the dust collector.
MAINTENANCE AND SERVICE
Maintenance and Service
Maintenance and Cleaning
Before a ny work on the dust collector itself, pull the mains plug.
For safe and proper working, always keep the dust collector and ventilation slots clean.
If the replacement of the supply cord is necessary, this has to be done by an authorised service a gent in order to avoid a safety hazard.
If the dus t collector should fail despite the care taken in manufacturing and testing procedures,
repair should be carried out by an authorised service c entre.
This dust c ollector needs very little maintenance; a common sense approach should give you years of good service.
- Ensure al l nuts/bolts etc. are tight before each use.
- Empty an d clean bags regularly.
- Ensure th at all hoses are clear from debris regularly.
- Always k eep the motor free from contamination.
If your col lection/filter bags become damaged they must be r eplaced.
LUMBERJACK GUARANTEE
- Guar antee
- Lumb erjack guarantees that for a period of 12 months from the date of purchase the compone nts of qualifying products (see clauses 1.2.1 to 1. 2.8) will be free from defects caused by faulty construction or manufacture.
- During this period Lumberjack, will repair or replace f ree of charge any parts which are proved t o be faulty in accordance with paragraph 1.1 providing that:
- You follow the claims procedure set out in clause 2
- Lumberjack and its authorised dealers are given reas onable opportunity after receiving notice of the claim to examine the product
- If as ked to do so by Lumberjack or its Authorised dealer, you return the product at your own cost to Lumberjack’s or supplying Authoris ed Dealer’s premises, for the examination to take place clearly stating the Returns Material Authorisation number given by Lumberj ack or an Authorised Dealer.
- The fault in question is not caused by industrial use, accidental damage, fair wear and tear, wilf ul damage, neglect, incorrect electrical connecti on, misuse, or alteration or repair of the product without approval.
- The product has been used in a domestic environ ment only
- The fault does not relate to consumable items suc h as blades, bearings, drive belts, or other wearing parts which can reasonably be expecte d to wear at different rates depending on usage .
- The product has not been used for hire purposes.
- The product has been purchased by you as the guarantee is not transferable from a private sale.
- Claims Procedure
- In the first instance please contact the Authorised Dealer who supplied the product to you. In our experience many initial problems with machines that are thought to be faulty due to faulty parts are actually solved by correct setting up or adjustment of the machine. A good Authorised Dealer should be able to resolve the majority of these issues much more quickly than processing a claim under the guarantee. If a return is requested by the Authorised Dealer or Lumberjack, you will be provided with a Returns Material Authorisation number which must be clearly stated on the returned package, and any accompanying correspondence. Failure to provide a Returns Material Authorisation number may result in item being refused delivery at Authorised Dealer.
- Any issues with the product resulting in a potential claim under the guarantee must be reported to the Authorised Dealer from which it was purchased within 48 hours of Receipt.
- If the Authorised Dealer who supplied the product to you has been unable to satisfy your query, any claims made under this Guarantee should be made directly to Lumberjack. The Claim itself should be made in a letter setting out the date and place of purchase, giving a brief explanation of the problem which has led to the claim. This letter should be then sent with proof of purcha se to Lumberjack. If you include a contact number with this it will speed your claim up.
- Pleas e note that it is essential that the letter of claim reaches Lumberjack on the last day of this Guarantee at the latest. Late claims will not be consi dered.
- Limit ation of Liability
- We o nly supply products for domestic and private us e. You agree not to use the product for any commercial, business or resale purposes and we have no liability to you for any loss of profit, loss of b usiness, business interruption or loss of business opportunity.
- This Guarantee does not confer any rights other tha n these expressly set out above and does not cover any claims for consequential loss or damage. This Guarantee is offered as an extra benefit a nd does not affect your statutory rights as a cons umer.
- Notice
This Gu arantee applies to all product purchased from an A uthorised Dealer of Lumberjack within the United Kingdom. Terms of Guarantee may vary in ot her countries.
CE DECLARATION OF CONFORMITY
TOOLSA VE
Unit C, Manders Ind. Est.,
Old Heat h Road, Wolverhampton,
WV1 2RP.
Tel: 01 902 450 470
Is in Declarcom es thatpliance twith he DUST the regulationsCOLLECTOR in cluded(UDE in75 tBhe)
Directives:2006/42/EC
EC DECLARATION OF CONFORMITY
Certifica te for EC-type examination delivered by I TÜV SÜD Product GmbH – Zertifizierstelle-Ridlerstraße 65 – 80339 München-Germany (No.:M8A 16 06 44390 01032)
Perso n who declares: Bill Evans
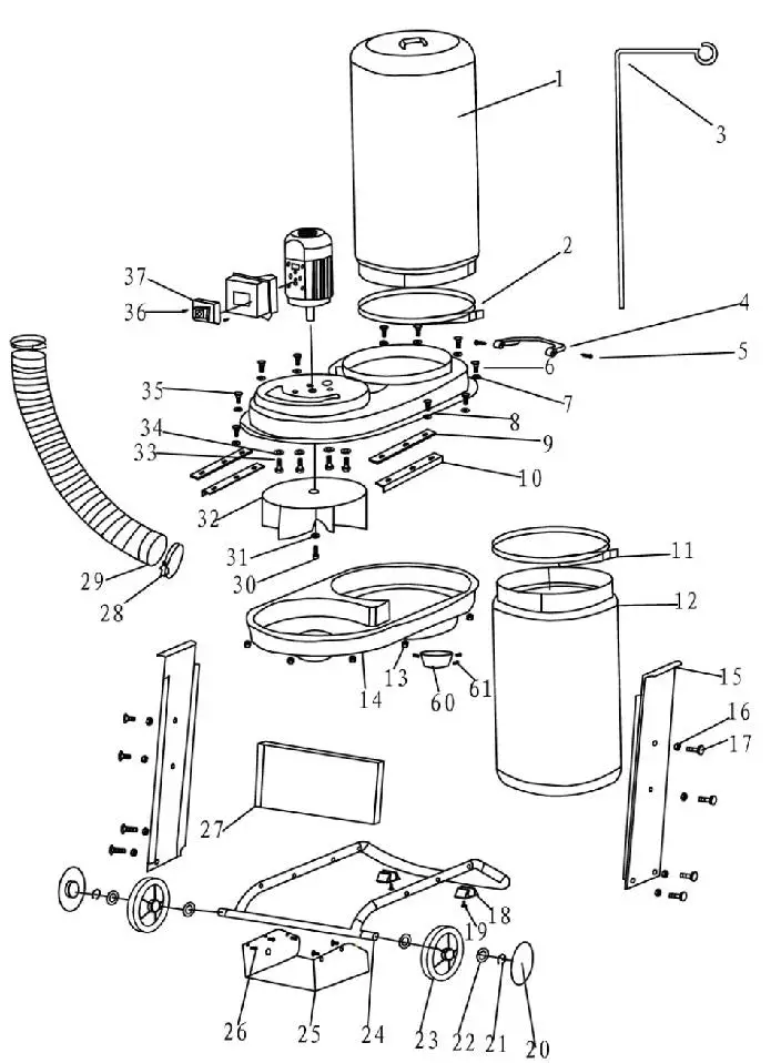
Parts List
| No. | Description | No. | Description |
| 1 | Filter bag(1) | 29 | Dust outlet pipe |
| 2 | Fixed circle of filter bag(1) | 30 | Inner hex screw M6x16 (left turning) |
| 3 | Die pin | 31 | Big flat washer dia6 |
| 4 | Handhold | 32 | Big fan |
| 5 | Crossing head self-tapping screw ST4.8×30 | 33 | Hex bolt M8x12 |
| 6 | Square-neck screw M5x10 | 34 | Teeth shape washer dia8 |
| 7 | Flat washer dia5 | 35 | Square-neck screw M5x20 |
| 8 | Cover of air outlet | 36 | Crossing head self-tapping screw ST4x10 |
| 9 | Fixed block(1) | 37 | Switch |
| 10 | Fixed block(2) | 38 | Crossing head screw M4x8 |
| 11 | Filter bag(2) | 39 | Back-cover of motor |
| 12 | Fixed circle of filter bag(2) | 40 | Fan |
| 13 | Nut M5 | 41 | Inner hex screw M5x20 |
| 14 | Air outlet seat | 42 | Spring washer dia5 |
| 15 | Side board | 43 | Back sleeve of motor |
| 16 | Nut with washer M8 | 44 | 6202bearing |
| 17 | Square-neck screw M8x20 | 45 | Housing of motor |
| 18 | Rubber foot | 46 | Jacket of cable(1) |
| 19 | Crossing head screw M6x15 | 47 | Washer of junction box |
| 20 | Wheel cover | 48 | Non-pull-off |
| 21 | Snap spring for shaft dia18 | 49 | Jacket of cable(2) |
| 22 | Big flat washer dia20 | 50 | Plug of cable |
| 23 | Wheel | 51 | Junction box |
| 24 | Wheel shaft | 52 | Teeth shape washer dia4 |
| 25 | Filter bag support | 53 | Flat washer dia4 |
| 26 | Crossing head screw M5x5 | 54 | Capability(10uf) |
| 27 | Wale piece | 55 | Cover of junction box |
| 28 | Locked ring of dust outlet pipe | 56 | Stator |
| No. | Description | No. | Description |
| 57 | Rotor | 60 | Taper connection sleeve |
| 58 | 6003bearing | 61 | Crossing head self-tapping screw ST4x8 |
| 59 | Head cover of motor | ||
Parts Diagram






















