AMANA AM9C96 Two-Stage Gas Furnace

| Standard Features | Cabinet Features |
| • Energy-efficient multi-speed ECM blower motor • Heavy-duty stainless-steel tubular heat exchanger • Stainless-steel secondary heat exchanger • Two-stage gas valve provides quiet, economical heating • Durable Silicon Nitride igniter • Quiet two-speed induced draft blower • Self-diagnostic control board with constant memory fault code history output to a LED • Color-coded low-voltage terminals with provisions for electronic air cleaner and humidifier • Low continuous fan speed options offer quiet air circulation • All models comply with California 40 ng/J Low NOx emissions standard • Can no longer be installed in California’s South Coast Air Quality Management District (SCAQMD) on or after October 1, 2019. | • Designed for multi-position installation up flow, horizontal left or right • Certified for direct vent (2-pipe) or non-direct vent (1-pipe) • Easy-to-install top venting with optional side venting • Convenient left or right connection for gas and electrical service • Cabinet air leakage (Q Leak) ≤ 2% • Heavy-gauge steel cabinet with durable finish • Fully insulated heat exchanger and blower section • Airtight solid bottom or side return with easy-cut tabs for effortless removal in bottom air-inlet applications |

| AM9C96 0303ANA | AM9C96 0403ANA | AM9C96 0603ANA | AM9C96 0603BNA | AM9C96 0803BNA | AM9C96 0804CNA | AM9C96 1004CNA | AM9C96 1005CNA | AM9C96 1205DNA | |
| Heating Data | |||||||||
| High Fire Input¹ | 30,000 | 40,000 | 60,000 | 60,000 | 80,000 | 80,000 | 100,000 | 100,000 | 120,000 |
| High Fire Output¹ | 28,800 | 38,400 | 57,600 | 57,600 | 76,800 | 76,800 | 96,000 | 96,000 | 115,200 |
| Low-Fire Input¹ | 21,000 | 28,000 | 42,000 | 42,000 | 56,000 | 56,000 | 70,000 | 70,000 | 84,000 |
| Low-Fire Output¹ | 20,160 | 26,880 | 40,320 | 40,320 | 53,760 | 53,760 | 67,200 | 67,200 | 80,640 |
| AFUE² | 96 | 96 | 96 | 96 | 96 | 96 | 96 | 96 | 96 |
| Temp. Rise Range (°F) | 20- 50 | 20- 50 | 30- 60 | 35- 65 | 35- 65 | 25- 55 | 35- 65 | 35- 65 | 35- 65 |
| Vent Diameter³ | 2″- 3″ | 2″- 3″ | 2″- 3″ | 2″- 3″ | 2″- 3″ | 2″- 3″ | 2″- 3″ | 2″- 3″ | 2″- 3″ |
| No. of Burners | 2 | 2 | 3 | 3 | 4 | 4 | 5 | 5 | 6 |
| Circulator Blower | |||||||||
| Available AC @ 0.5″ ESP | 1.5- 2 | 1.5- 3 | 1.5- 3 | 1.5- 3 | 1.5- 3 | 2.5- 4 | 1.5- 4 | 3- 5 | 3- 5 |
| Size (D x W) | 11″ x 6″ | 11” x 6” | 11” x 6” | 11″ x 8″ | 11″ x 8″ | 11″ x 10″ | 11″ x 10″ | 11″ x 10″ | 11″ x 11″ |
| Horsepower @ 1075 RPM | 1/2 | 1/2 | 1/2 | 1/2 | 1/2 | 3/4 | 1 | 1 | 1 |
| Speed | 9 | 9 | 9 | 9 | 9 | 9 | 9 | 9 | 9 |
| Filter Size (in²) (Qty) | (1) 16 x 25 (side) or (1) 14 x 25 (bottom) | (1) 16 x 25 (side) or (1) 14 x 25 (bottom) | (1) 16 x 25 (side) or (1) 14 x 25 (bottom) | (1) 16 x 25 (side or bottom) | (1) 16 x 25 (side or bottom) | (1) 16 x 25 (side or bottom) | (1) 16 x 25 (side or bottom) | (1) 20 x 25 (bottom) or (2) 16 x 25 (side) | (1) 20 x 25 (bottom) or (2) 16 x 25 (side) |
| Electrical Data | |||||||||
| Min. Circuit Ampacity⁴ | 8.6 | 8.6 | 8.6 | 8 | 8 | 11.6 | 13.3 | 13.3 | 13.3 |
| Max. Overcurrent (amps)⁵ | 15 | 15 | 15 | 15 | 15 | 15 | 20 | 20 | 20 |
| Shipping Weight (lbs) | 106 | 106 | 110 | 115 | 118 | 123 | 140 | 140 | 154 |
- Natural Gas BTU/h
- DOE AFUE based upon Isolated Combustion System (ICS)
- Installer must supply one or two PVC pipes: one for combustion air (optional) and one for the flue outlet (required). Vent pipe must be either 2″ or 3″ in diameter, depending upon furnace input, number of elbows, length of run and installation (1 or 2 pipes). The optional Combustion Air Pipe is dependent on installation/ code requirements and must be 2″ or 3″ diameter PVC.
- Minimum Circuit Ampacity = (1.25 x Circulator Blower Amps) + ID Blower amps. Wire size should be determined in accordance with National Electrical Codes. Extensive wire runs will require larger wire sizes.
- Maximum Overcurrent Protection Device refers to maximum recommended fuse or circuit breaker size. May use fuses or HACR-type circuit breakers of the same size as noted.
Notes
- All furnaces are manufactured for use on 115 VAC, 60 Hz, single-phase electrical supply.
- Gas Service Connection ½” FPT
- Important: Size fuses and wires properly and make electrical connections in accordance with the National Electrical Code and/or all existing local codes.
- For bottom return: Failure to unfold flanges may reduce airflow by up to 18%. This could result in performance and noise issues.
- For servicing or cleaning, a 24″ front clearance is required. Unit connections (electrical, flue and drain) may necessitate greater clearances than the minimum clearances listed above. In all cases, accessibility clearance must take precedence over clearances from the enclosure where accessibility clearances are greater.

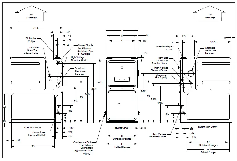
| Air Discharge | Air Return | ||||
| Model | A | B | C | D | E |
| AM9C960303ANA | 14″ | 12½” | 10½” | 8⅝” | 10⅛” |
| AM9C960403ANA | 14” | 12½” | 10½” | 8⅝” | 10⅛” |
| AM9C960603ANA | 14” | 12½” | 10½” | 8⅝” | 10⅛” |
| AM9C960603BNA | 17½” | 16″ | 13⅞” | 12⅛” | 13⅝” |
| AM9C960803BNA | 17½” | 16” | 13⅞” | 12⅛” | 13⅝” |
| AM9C960804CNA | 21″ | 19½” | 17⅜” | 16″ | 17½” |
| AM9C961004CNA | 21″ | 19½” | 17⅜” | 16″ | 17½” |
| AM9C961005CNA | 21″ | 19½” | 17⅜” | 16″ | 17½” |
| AM9C961205DNA | 24½ | 23″ | 20⅞” | 19⅜” | 20⅞” |
Minimum Clearances to Combustible Materials
| Position | Sides | Rear | Front | Bottom | Flue | Top |
| Upflow | 0″ | 0″ | 3″ | C | 0″ | 1″ |
| Horizontal | 6″ | 0″ | 3″ | C | 0″ | 6″ |
| LOW STAGE COOLING AIFLOW | ||||||||||
| MODEL | THER- MOSTAT CALL | TAP # | EXTERNAL STATIC PRESSURE, (INCHES WATER COLUMN) | |||||||
| 0.1 | 0.2 | 0.3 | 0.4 | 0.5 | 0.6 | 0.7 | 0.8 | |||
| CFM | CFM | CFM | CFM | CFM | CFM | CFM | CFM | |||
|
*M9C96 0303AN |
Y/Y1 | F01 | 753 | 708 | 663 | 616 | 568 | 513 | 470 | 423 |
| F02 | 915 | 883 | 845 | 809 | 773 | 730 | 690 | 650 | ||
| F03 | 529 | 518 | 461 | 394 | 343 | 288 | 223 | N/A | ||
| F04^ | 880 | 843 | 807 | 768 | 723 | 683 | 643 | 590 | ||
| F05 | 1055 | 1022 | 990 | 959 | 930 | 891 | 858 | 825 | ||
| F06 | 1101 | 1072 | 1040 | 1010 | 980 | 949 | 918 | 881 | ||
| F07 | 1190 | 1162 | 1134 | 1104 | 1077 | 1042 | 1013 | 982 | ||
| F08 | 1183 | 1157 | 1130 | 1103 | 1077 | 1047 | 1018 | 988 | ||
| F09 | 1229 | 1206 | 1178 | 1153 | 1128 | 1100 | 1070 | 1042 | ||
|
*M9C96 0403AN |
Y/Y1 | F01 | 733 | 691 | 650 | 602 | 553 | 498 | 448 | 402 |
| F02 | 1051 | 1024 | 996 | 966 | 935 | 907 | 868 | 836 | ||
| F03 | 665 | 620 | 570 | 517 | 462 | 407 | 359 | 309 | ||
| F04^ | 915 | 881 | 846 | 814 | 780 | 737 | 695 | 652 | ||
| F05 | 1138 | 1114 | 1092 | 1064 | 1035 | 1006 | 977 | 947 | ||
| F06 | 887 | 855 | 823 | 790 | 751 | 705 | 666 | 608 | ||
| F07 | 1189 | 1163 | 1138 | 1111 | 1085 | 1059 | 1032 | 1001 | ||
| F08 | 1266 | 1243 | 1218 | 1197 | 1172 | 1148 | 1123 | 1099 | ||
| F09 | 1342 | 1324 | 1305 | 1280 | 1263 | 1239 | 1216 | 1193 | ||
|
*M9C96 0603AN |
Y/Y1 | F01 | 900 | 867 | 830 | 798 | 758 | 718 | 682 | 645 |
| F02 | 1292 | 1272 | 1248 | 1227 | 1206 | 1184 | 1162 | 1137 | ||
| F03 | 688 | 649 | 603 | 551 | 499 | 447 | 405 | 359 | ||
| F04^ | 866 | 830 | 797 | 759 | 717 | 675 | 634 | 591 | ||
| F05 | 1223 | 1195 | 1176 | 1149 | 1124 | 1101 | 1074 | 1047 | ||
| F06 | 1037 | 1004 | 975 | 950 | 921 | 886 | 853 | 823 | ||
| F07 | 1079 | 1053 | 1025 | 1000 | 970 | 941 | 911 | 873 | ||
| F08 | 1128 | 1099 | 1075 | 1050 | 1022 | 993 | 965 | 937 | ||
| F09 | 1171 | 1148 | 1124 | 1096 | 1070 | 1045 | 1017 | 988 | ||
|
*M9C96 0603BN |
Y/Y1 | F01 | 914 | 864 | 815 | 762 | 704 | 654 | 604 | 560 |
| F02 | 1121 | 1083 | 1041 | 996 | 953 | 906 | 861 | 818 | ||
| F03 | 758 | 696 | 636 | 572 | 512 | 460 | 412 | N/A | ||
| F04^ | 960 | 917 | 864 | 812 | 764 | 708 | 661 | 614 | ||
| F05 | 1164 | 1123 | 1084 | 1042 | 1003 | 960 | 920 | 871 | ||
| F06 | 1219 | 1180 | 1141 | 1102 | 1062 | 1020 | 978 | 940 | ||
| F07 | 1273 | 1240 | 1207 | 1171 | 1128 | 1089 | 1051 | 1012 | ||
| F08 | 1307 | 1270 | 1235 | 1198 | 1160 | 1122 | 1083 | 1043 | ||
| F09 | 1427 | 1390 | 1362 | 1327 | 1297 | 1260 | 1224 | 1193 | ||
|
*M9C96 0803BN |
Y/Y1 | F01 | 1205 | 1169 | 1131 | 1091 | 1053 | 1014 | 974 | 934 |
| F02 | 1415 | 1385 | 1355 | 1322 | 1291 | 1255 | 1219 | 1186 | ||
| F03 | 696 | 635 | 568 | 500 | 442 | 390 | 336 | 255 | ||
| F04^ | 1152 | 1112 | 1076 | 1035 | 996 | 954 | 916 | 868 | ||
| F05 | 1321 | 1287 | 1251 | 1217 | 1181 | 1146 | 1112 | 1072 | ||
| F06 | 901 | 851 | 801 | 746 | 690 | 638 | 587 | 543 | ||
| F07 | 1112 | 1076 | 1032 | 992 | 949 | 905 | 858 | 819 | ||
| F08 | 1290 | 1252 | 1215 | 1182 | 1143 | 1107 | 1071 | 1032 | ||
| F09 | 1471 | 1440 | 1409 | 1377 | 1347 | 1314 | 1283 | 1247 | ||
| LOW STAGE COOLING AIFLOW | ||||||||||
| MODEL | THER- MOSTAT CALL | TAP # | EXTERNAL STATIC PRESSURE, (INCHES WATER COLUMN) | |||||||
| 0.1 | 0.2 | 0.3 | 0.4 | 0.5 | 0.6 | 0.7 | 0.8 | |||
| CFM | CFM | CFM | CFM | CFM | CFM | CFM | CFM | |||
|
*M9C96 0804CN |
Y/Y1 | F01 | 1289 | 1234 | 1180 | 1122 | 1058 | 991 | 917 | 840 |
| F02 | 1836 | 1784 | 1741 | 1703 | 1664 | 1628 | 1585 | 1537 | ||
| F03 | 1297 | 1246 | 1199 | 1142 | 1083 | 1020 | 949 | 872 | ||
| F04^ | 1194 | 1137 | 1079 | 1014 | 948 | 873 | 792 | 712 | ||
| F05 | 1748 | 1696 | 1650 | 1612 | 1574 | 1526 | 1478 | 1428 | ||
| F06 | 1451 | 1399 | 1354 | 1309 | 1256 | 1200 | 1142 | 1077 | ||
| F07 | 1587 | 1534 | 1489 | 1445 | 1406 | 1354 | 1298 | 1244 | ||
| F08 | 1683 | 1633 | 1589 | 1546 | 1502 | 1460 | 1406 | 1355 | ||
| F09 | 1919 | 1890 | 1846 | 1807 | 1771 | 1735 | 1694 | 1650 | ||
|
*M9C96 1004CN |
Y/Y1 | F01 | 1475 | 1421 | 1369 | 1314 | 1260 | 1207 | 1152 | 1097 |
| F02 | 1791 | 1741 | 1699 | 1652 | 1609 | 1561 | 1513 | 1465 | ||
| F03 | 924 | 846 | 767 | 684 | 606 | 529 | 463 | 398 | ||
| F04^ | 1259 | 1197 | 1138 | 1074 | 1015 | 947 | 885 | 821 | ||
| F05 | 1710 | 1660 | 1613 | 1583 | 1517 | 1470 | 1421 | 1374 | ||
| F06 | 1592 | 1536 | 1486 | 1436 | 1383 | 1331 | 1281 | 1233 | ||
| F07 | 1627 | 1574 | 1524 | 1474 | 1423 | 1370 | 1320 | 1271 | ||
| F08 | 1921 | 1879 | 1840 | 1791 | 1751 | 1705 | 1656 | 1610 | ||
| F09 | 2026 | 1981 | 1929 | 1901 | 1858 | 1819 | 1773 | 1733 | ||
|
*M9C96 1005CN |
Y/Y1 | F01 | 1259 | 1197 | 1138 | 1074 | 1015 | 947 | 885 | 821 |
| F02 | 1791 | 1741 | 1699 | 1652 | 1609 | 1561 | 1513 | 1465 | ||
| F03 | 1176 | 1108 | 1044 | 980 | 913 | 845 | 779 | 718 | ||
| F04^ | 1347 | 1286 | 1231 | 1172 | 1115 | 1055 | 995 | 933 | ||
| F05 | 1921 | 1879 | 1840 | 1791 | 1751 | 1705 | 1656 | 1610 | ||
| F06 | 1446 | 1404 | 1335 | 1280 | 1226 | 1171 | 1117 | 1062 | ||
| F07 | 1618 | 1567 | 1510 | 1460 | 1413 | 1364 | 1312 | 1262 | ||
| F08 | 2009 | 1964 | 1918 | 1886 | 1852 | 1811 | 1759 | 1722 | ||
| F09 | 2161 | 2122 | 2084 | 2048 | 2010 | 1973 | 1940 | 1914 | ||
|
*M9C96 1205DN |
Y/Y1 | F01 | 1766 | 1712 | 1666 | 1612 | 1558 | 1506 | 1450 | 1395 |
| F02 | 2205 | 2157 | 2110 | 2064 | 2021 | 1974 | 1925 | 1879 | ||
| F03 | 1118 | 1035 | 952 | 860 | 750 | 663 | 590 | 519 | ||
| F04^ | 1684 | 1620 | 1561 | 1499 | 1438 | 1378 | 1318 | 1259 | ||
| F05 | 2031 | 1981 | 1933 | 1901 | 1850 | 1799 | 1750 | 1702 | ||
| F06 | 1220 | 1145 | 1070 | 995 | 952 | 907 | 811 | 725 | ||
| F07 | 1357 | 1311 | 1243 | 1175 | 1107 | 1021 | 932 | 861 | ||
| F08 | 1906 | 1877 | 1828 | 1778 | 1726 | 1674 | 1622 | 1568 | ||
| F09 | 2454 | 2396 | 2347 | 2296 | 2250 | 2202 | 2157 | 2113 | ||
Notes
- DEFAULT SPEED
- All furnaces ship as high speed for cooling. Installer must adjust blower speed as needed.
- For most jobs, about 400 CFM per ton when cooling is desirable.
- INSTALLATION IS TO BE ADJUSTED TO OBTAIN TEMPERATURE RISE WITHIN THE RANGE SPECIFIED ON THE RATING PLATE.
| HIGH STAGE COOLING AIFLOW | ||||||||||
| MODEL | THER- MOSTAT CALL | TAP # | EXTERNAL STATIC PRESSURE, (INCHES WATER COLUMN) | |||||||
| 0.1 | 0.2 | 0.3 | 0.4 | 0.5 | 0.6 | 0.7 | 0.8 | |||
| CFM | CFM | CFM | CFM | CFM | CFM | CFM | CFM | |||
|
*M9C96 0303AN |
Y2 | F01 | 753 | 708 | 663 | 616 | 568 | 513 | 470 | 423 |
| F02 | 915 | 883 | 845 | 809 | 773 | 730 | 690 | 650 | ||
| F03 | 529 | 518 | 461 | 394 | 343 | 288 | 223 | N/A | ||
| F04 | 880 | 843 | 807 | 768 | 723 | 683 | 643 | 590 | ||
| F05^ | 1055 | 1022 | 990 | 959 | 930 | 891 | 858 | 825 | ||
| F06 | 1101 | 1072 | 1040 | 1010 | 980 | 949 | 918 | 881 | ||
| F07 | 1190 | 1162 | 1134 | 1104 | 1077 | 1042 | 1013 | 982 | ||
| F08 | 1183 | 1157 | 1130 | 1103 | 1077 | 1047 | 1018 | 988 | ||
| F09 | 1229 | 1206 | 1178 | 1153 | 1128 | 1100 | 1070 | 1042 | ||
|
*M9C96 0403AN |
Y2 | F01 | 733 | 691 | 650 | 602 | 553 | 498 | 448 | 402 |
| F02 | 1051 | 1024 | 996 | 966 | 935 | 907 | 868 | 836 | ||
| F03 | 665 | 620 | 570 | 517 | 462 | 407 | 359 | 309 | ||
| F04 | 915 | 881 | 846 | 814 | 780 | 737 | 695 | 652 | ||
| F05^ | 1138 | 1114 | 1092 | 1064 | 1035 | 1006 | 977 | 947 | ||
| F06 | 887 | 855 | 823 | 790 | 751 | 705 | 666 | 608 | ||
| F07 | 1189 | 1163 | 1138 | 1111 | 1085 | 1059 | 1032 | 1001 | ||
| F08 | 1266 | 1243 | 1218 | 1197 | 1172 | 1148 | 1123 | 1099 | ||
| F09 | 1342 | 1324 | 1305 | 1280 | 1263 | 1239 | 1216 | 1193 | ||
|
*M9C96 0603AN |
Y2 | F01 | 900 | 867 | 830 | 798 | 758 | 718 | 682 | 645 |
| F02 | 1292 | 1272 | 1248 | 1227 | 1206 | 1184 | 1162 | 1137 | ||
| F03 | 688 | 649 | 603 | 551 | 499 | 447 | 405 | 359 | ||
| F04 | 866 | 830 | 797 | 759 | 717 | 675 | 634 | 591 | ||
| F05^ | 1223 | 1195 | 1176 | 1149 | 1124 | 1101 | 1074 | 1047 | ||
| F06 | 1037 | 1004 | 975 | 950 | 921 | 886 | 853 | 823 | ||
| F07 | 1079 | 1053 | 1025 | 1000 | 970 | 941 | 911 | 873 | ||
| F08 | 1128 | 1099 | 1075 | 1050 | 1022 | 993 | 965 | 937 | ||
| F09 | 1171 | 1148 | 1124 | 1096 | 1070 | 1045 | 1017 | 988 | ||
|
*M9C96 0603BN |
Y2 | F01 | 914 | 864 | 815 | 762 | 704 | 654 | 604 | 560 |
| F02 | 1121 | 1083 | 1041 | 996 | 953 | 906 | 861 | 818 | ||
| F03 | 758 | 696 | 636 | 572 | 512 | 460 | 412 | N/A | ||
| F04 | 960 | 917 | 864 | 812 | 764 | 708 | 661 | 614 | ||
| F05^ | 1164 | 1123 | 1084 | 1042 | 1003 | 960 | 920 | 871 | ||
| F06 | 1219 | 1180 | 1141 | 1102 | 1062 | 1020 | 978 | 940 | ||
| F07 | 1273 | 1240 | 1207 | 1171 | 1128 | 1089 | 1051 | 1012 | ||
| F08 | 1307 | 1270 | 1235 | 1198 | 1160 | 1122 | 1083 | 1043 | ||
| F09 | 1427 | 1390 | 1362 | 1327 | 1297 | 1260 | 1224 | 1193 | ||
|
*M9C96 0803BN |
Y2 | F01 | 1205 | 1169 | 1131 | 1091 | 1053 | 1014 | 974 | 934 |
| F02 | 1415 | 1385 | 1355 | 1322 | 1291 | 1255 | 1219 | 1186 | ||
| F03 | 696 | 635 | 568 | 500 | 442 | 390 | 336 | 255 | ||
| F04 | 1152 | 1112 | 1076 | 1035 | 996 | 954 | 916 | 868 | ||
| F05^ | 1321 | 1287 | 1251 | 1217 | 1181 | 1146 | 1112 | 1072 | ||
| F06 | 901 | 851 | 801 | 746 | 690 | 638 | 587 | 543 | ||
| F07 | 1112 | 1076 | 1032 | 992 | 949 | 905 | 858 | 819 | ||
| F08 | 1290 | 1252 | 1215 | 1182 | 1143 | 1107 | 1071 | 1032 | ||
| F09 | 1471 | 1440 | 1409 | 1377 | 1347 | 1314 | 1283 | 1247 | ||
| HIGH STAGE COOLING AIFLOW | ||||||||||
| MODEL | THER- MOSTAT CALL | TAP # | EXTERNAL STATIC PRESSURE, (INCHES WATER COLUMN) | |||||||
| 0.1 | 0.2 | 0.3 | 0.4 | 0.5 | 0.6 | 0.7 | 0.8 | |||
| CFM | CFM | CFM | CFM | CFM | CFM | CFM | CFM | |||
|
*M9C96 0804CN |
Y2 | F01 | 1289 | 1234 | 1180 | 1122 | 1058 | 991 | 917 | 840 |
| F02 | 1836 | 1784 | 1741 | 1703 | 1664 | 1628 | 1585 | 1537 | ||
| F03 | 1297 | 1246 | 1199 | 1142 | 1083 | 1020 | 949 | 872 | ||
| F04 | 1194 | 1137 | 1079 | 1014 | 948 | 873 | 792 | 712 | ||
| F05^ | 1748 | 1696 | 1650 | 1612 | 1574 | 1526 | 1478 | 1428 | ||
| F06 | 1451 | 1399 | 1354 | 1309 | 1256 | 1200 | 1142 | 1077 | ||
| F07 | 1587 | 1534 | 1489 | 1445 | 1406 | 1354 | 1298 | 1244 | ||
| F08 | 1683 | 1633 | 1589 | 1546 | 1502 | 1460 | 1406 | 1355 | ||
| F09 | 1919 | 1890 | 1846 | 1807 | 1771 | 1735 | 1694 | 1650 | ||
|
*M9C96 1004CN |
Y2 | F01 | 1475 | 1421 | 1369 | 1314 | 1260 | 1207 | 1152 | 1097 |
| F02 | 1791 | 1741 | 1699 | 1652 | 1609 | 1561 | 1513 | 1465 | ||
| F03 | 924 | 846 | 767 | 684 | 606 | 529 | 463 | 398 | ||
| F04 | 1259 | 1197 | 1138 | 1074 | 1015 | 947 | 885 | 821 | ||
| F05^ | 1710 | 1660 | 1613 | 1583 | 1517 | 1470 | 1421 | 1374 | ||
| F06 | 1592 | 1536 | 1486 | 1436 | 1383 | 1331 | 1281 | 1233 | ||
| F07 | 1627 | 1574 | 1524 | 1474 | 1423 | 1370 | 1320 | 1271 | ||
| F08 | 1921 | 1879 | 1840 | 1791 | 1751 | 1705 | 1656 | 1610 | ||
| F09 | 2026 | 1981 | 1929 | 1901 | 1858 | 1819 | 1773 | 1733 | ||
|
*M9C96 1005CN |
Y2 | F01 | 1259 | 1197 | 1138 | 1074 | 1015 | 947 | 885 | 821 |
| F02 | 1791 | 1741 | 1699 | 1652 | 1609 | 1561 | 1513 | 1465 | ||
| F03 | 1176 | 1108 | 1044 | 980 | 913 | 845 | 779 | 718 | ||
| F04 | 1347 | 1286 | 1231 | 1172 | 1115 | 1055 | 995 | 933 | ||
| F05^ | 1921 | 1879 | 1840 | 1791 | 1751 | 1705 | 1656 | 1610 | ||
| F06 | 1446 | 1404 | 1335 | 1280 | 1226 | 1171 | 1117 | 1062 | ||
| F07 | 1618 | 1567 | 1510 | 1460 | 1413 | 1364 | 1312 | 1262 | ||
| F08 | 2009 | 1964 | 1918 | 1886 | 1852 | 1811 | 1759 | 1722 | ||
| F09 | 2161 | 2122 | 2084 | 2048 | 2010 | 1973 | 1940 | 1914 | ||
|
*M9C96 1205DN |
Y2 | F01 | 1766 | 1712 | 1666 | 1612 | 1558 | 1506 | 1450 | 1395 |
| F02 | 2205 | 2157 | 2110 | 2064 | 2021 | 1974 | 1925 | 1879 | ||
| F03 | 1118 | 1035 | 952 | 860 | 750 | 663 | 590 | 519 | ||
| F04 | 1684 | 1620 | 1561 | 1499 | 1438 | 1378 | 1318 | 1259 | ||
| F05^ | 2031 | 1981 | 1933 | 1901 | 1850 | 1799 | 1750 | 1702 | ||
| F06 | 1220 | 1145 | 1070 | 995 | 952 | 907 | 811 | 725 | ||
| F07 | 1357 | 1311 | 1243 | 1175 | 1107 | 1021 | 932 | 861 | ||
| F08 | 1906 | 1877 | 1828 | 1778 | 1726 | 1674 | 1622 | 1568 | ||
| F09 | 2454 | 2396 | 2347 | 2296 | 2250 | 2202 | 2157 | 2113 | ||
Notes
- DEFAULT SPEED
- All furnaces ship as high speed for cooling. Installer must adjust blower speed as needed.
- For most jobs, about 400 CFM per ton when cooling is desirable.
- INSTALLATION IS TO BE ADJUSTED TO OBTAIN TEMPERATURE RISE WITHIN THE RANGE SPECIFIED ON THE RATING PLATE.
| CIRCULATION AIFLOW | ||||||||||
| MODEL | THER- MOSTAT CALL | TAP # | EXTERNAL STATIC PRESSURE, (INCHES WATER COLUMN) | |||||||
| 0.1 | 0.2 | 0.3 | 0.4 | 0.5 | 0.6 | 0.7 | 0.8 | |||
| CFM | CFM | CFM | CFM | CFM | CFM | CFM | CFM | |||
|
*M9C96 0303AN |
G | F01 | 753 | 708 | 663 | 616 | 568 | 513 | 470 | 423 |
| F02 | 915 | 883 | 845 | 809 | 773 | 730 | 690 | 650 | ||
| F03 | 529 | 518 | 461 | 394 | 343 | 288 | 223 | N/A | ||
| F04 | 880 | 843 | 807 | 768 | 723 | 683 | 643 | 590 | ||
| F05 | 1055 | 1022 | 990 | 959 | 930 | 891 | 858 | 825 | ||
| F06 | 1101 | 1072 | 1040 | 1010 | 980 | 949 | 918 | 881 | ||
| F07 | 1190 | 1162 | 1134 | 1104 | 1077 | 1042 | 1013 | 982 | ||
| F08 | 1183 | 1157 | 1130 | 1103 | 1077 | 1047 | 1018 | 988 | ||
| F09 | 1229 | 1206 | 1178 | 1153 | 1128 | 1100 | 1070 | 1042 | ||
|
*M9C96 0403AN |
G | F01 | 733 | 691 | 650 | 602 | 553 | 498 | 448 | 402 |
| F02 | 1051 | 1024 | 996 | 966 | 935 | 907 | 868 | 836 | ||
| F03 | 665 | 620 | 570 | 517 | 462 | 407 | 359 | 309 | ||
| F04 | 915 | 881 | 846 | 814 | 780 | 737 | 695 | 652 | ||
| F05 | 1138 | 1114 | 1092 | 1064 | 1035 | 1006 | 977 | 947 | ||
| F06 | 887 | 855 | 823 | 790 | 751 | 705 | 666 | 608 | ||
| F07 | 1189 | 1163 | 1138 | 1111 | 1085 | 1059 | 1032 | 1001 | ||
| F08 | 1266 | 1243 | 1218 | 1197 | 1172 | 1148 | 1123 | 1099 | ||
| F09 | 1342 | 1324 | 1305 | 1280 | 1263 | 1239 | 1216 | 1193 | ||
|
*M9C96 0603AN |
G | F01 | 900 | 867 | 830 | 798 | 758 | 718 | 682 | 645 |
| F02 | 1292 | 1272 | 1248 | 1227 | 1206 | 1184 | 1162 | 1137 | ||
| F03 | 688 | 649 | 603 | 551 | 499 | 447 | 405 | 359 | ||
| F04 | 866 | 830 | 797 | 759 | 717 | 675 | 634 | 591 | ||
| F05 | 1223 | 1195 | 1176 | 1149 | 1124 | 1101 | 1074 | 1047 | ||
| F06 | 1037 | 1004 | 975 | 950 | 921 | 886 | 853 | 823 | ||
| F07 | 1079 | 1053 | 1025 | 1000 | 970 | 941 | 911 | 873 | ||
| F08 | 1128 | 1099 | 1075 | 1050 | 1022 | 993 | 965 | 937 | ||
| F09 | 1171 | 1148 | 1124 | 1096 | 1070 | 1045 | 1017 | 988 | ||
|
*M9C96 0603BN |
G | F01 | 914 | 864 | 815 | 762 | 704 | 654 | 604 | 560 |
| F02 | 1121 | 1083 | 1041 | 996 | 953 | 906 | 861 | 818 | ||
| F03 | 758 | 696 | 636 | 572 | 512 | 460 | 412 | N/A | ||
| F04 | 960 | 917 | 864 | 812 | 764 | 708 | 661 | 614 | ||
| F05 | 1164 | 1123 | 1084 | 1042 | 1003 | 960 | 920 | 871 | ||
| F06 | 1219 | 1180 | 1141 | 1102 | 1062 | 1020 | 978 | 940 | ||
| F07 | 1273 | 1240 | 1207 | 1171 | 1128 | 1089 | 1051 | 1012 | ||
| F08 | 1307 | 1270 | 1235 | 1198 | 1160 | 1122 | 1083 | 1043 | ||
| F09 | 1427 | 1390 | 1362 | 1327 | 1297 | 1260 | 1224 | 1193 | ||
|
*M9C96 0803BN |
G | F01 | 1205 | 1169 | 1131 | 1091 | 1053 | 1014 | 974 | 934 |
| F02 | 1415 | 1385 | 1355 | 1322 | 1291 | 1255 | 1219 | 1186 | ||
| F03 | 696 | 635 | 568 | 500 | 442 | 390 | 336 | 255 | ||
| F04 | 1152 | 1112 | 1076 | 1035 | 996 | 954 | 916 | 868 | ||
| F05 | 1321 | 1287 | 1251 | 1217 | 1181 | 1146 | 1112 | 1072 | ||
| F06 | 901 | 851 | 801 | 746 | 690 | 638 | 587 | 543 | ||
| F07 | 1112 | 1076 | 1032 | 992 | 949 | 905 | 858 | 819 | ||
| F08 | 1290 | 1252 | 1215 | 1182 | 1143 | 1107 | 1071 | 1032 | ||
| F09 | 1471 | 1440 | 1409 | 1377 | 1347 | 1314 | 1283 | 1247 | ||
| CIRCULATION AIFLOW | ||||||||||
| MODEL | THER- MOSTAT CALL | TAP # | EXTERNAL STATIC PRESSURE, (INCHES WATER COLUMN) | |||||||
| 0.1 | 0.2 | 0.3 | 0.4 | 0.5 | 0.6 | 0.7 | 0.8 | |||
| CFM | CFM | CFM | CFM | CFM | CFM | CFM | CFM | |||
|
*M9C96 0804CN |
G | F01 | 1289 | 1234 | 1180 | 1122 | 1058 | 991 | 917 | 840 |
| F02 | 1836 | 1784 | 1741 | 1703 | 1664 | 1628 | 1585 | 1537 | ||
| F03 | 1297 | 1246 | 1199 | 1142 | 1083 | 1020 | 949 | 872 | ||
| F04 | 1194 | 1137 | 1079 | 1014 | 948 | 873 | 792 | 712 | ||
| F05 | 1748 | 1696 | 1650 | 1612 | 1574 | 1526 | 1478 | 1428 | ||
| F06 | 1451 | 1399 | 1354 | 1309 | 1256 | 1200 | 1142 | 1077 | ||
| F07 | 1587 | 1534 | 1489 | 1445 | 1406 | 1354 | 1298 | 1244 | ||
| F08 | 1683 | 1633 | 1589 | 1546 | 1502 | 1460 | 1406 | 1355 | ||
| F09 | 1919 | 1890 | 1846 | 1807 | 1771 | 1735 | 1694 | 1650 | ||
|
*M9C96 1004CN |
G | F01 | 1475 | 1421 | 1369 | 1314 | 1260 | 1207 | 1152 | 1097 |
| F02 | 1791 | 1741 | 1699 | 1652 | 1609 | 1561 | 1513 | 1465 | ||
| F03 | 924 | 846 | 767 | 684 | 606 | 529 | 463 | 398 | ||
| F04 | 1259 | 1197 | 1138 | 1074 | 1015 | 947 | 885 | 821 | ||
| F05 | 1710 | 1660 | 1613 | 1583 | 1517 | 1470 | 1421 | 1374 | ||
| F06 | 1592 | 1536 | 1486 | 1436 | 1383 | 1331 | 1281 | 1233 | ||
| F07 | 1627 | 1574 | 1524 | 1474 | 1423 | 1370 | 1320 | 1271 | ||
| F08 | 1921 | 1879 | 1840 | 1791 | 1751 | 1705 | 1656 | 1610 | ||
| F09 | 2026 | 1981 | 1929 | 1901 | 1858 | 1819 | 1773 | 1733 | ||
|
*M9C96 1005CN |
G | F01 | 1259 | 1197 | 1138 | 1074 | 1015 | 947 | 885 | 821 |
| F02 | 1791 | 1741 | 1699 | 1652 | 1609 | 1561 | 1513 | 1465 | ||
| F03 | 1176 | 1108 | 1044 | 980 | 913 | 845 | 779 | 718 | ||
| F04 | 1347 | 1286 | 1231 | 1172 | 1115 | 1055 | 995 | 933 | ||
| F05 | 1921 | 1879 | 1840 | 1791 | 1751 | 1705 | 1656 | 1610 | ||
| F06 | 1446 | 1404 | 1335 | 1280 | 1226 | 1171 | 1117 | 1062 | ||
| F07 | 1618 | 1567 | 1510 | 1460 | 1413 | 1364 | 1312 | 1262 | ||
| F08 | 2009 | 1964 | 1918 | 1886 | 1852 | 1811 | 1759 | 1722 | ||
| F09 | 2161 | 2122 | 2084 | 2048 | 2010 | 1973 | 1940 | 1914 | ||
|
*M9C96 1205DN |
G | F01 | 1766 | 1712 | 1666 | 1612 | 1558 | 1506 | 1450 | 1395 |
| F02 | 2205 | 2157 | 2110 | 2064 | 2021 | 1974 | 1925 | 1879 | ||
| F03 | 1118 | 1035 | 952 | 860 | 750 | 663 | 590 | 519 | ||
| F04 | 1684 | 1620 | 1561 | 1499 | 1438 | 1378 | 1318 | 1259 | ||
| F05 | 2031 | 1981 | 1933 | 1901 | 1850 | 1799 | 1750 | 1702 | ||
| F06 | 1220 | 1145 | 1070 | 995 | 952 | 907 | 811 | 725 | ||
| F07 | 1357 | 1311 | 1243 | 1175 | 1107 | 1021 | 932 | 861 | ||
| F08 | 1906 | 1877 | 1828 | 1778 | 1726 | 1674 | 1622 | 1568 | ||
| F09 | 2454 | 2396 | 2347 | 2296 | 2250 | 2202 | 2157 | 2113 | ||
Notes
- DEFAULT SPEED
- All furnaces ship as high speed for cooling. Installer must adjust blower speed as needed.
- For most jobs, about 400 CFM per ton when cooling is desirable.
- INSTALLATION IS TO BE ADJUSTED TO OBTAIN TEMPERATURE RISE WITHIN THE RANGE SPECIFIED ON THE RATING PLATE.
| HEATING AIFLOW | |||||||||||||||
| MODEL | THER- MOSTAT CALL | TAP # | EXTERNAL STATIC PRESSURE, (INCHES WATER COLUMN) | ||||||||||||
| 0.1 | 0.2 | 0.3 | 0.4 | 0.5 | 0.6 | 0.7 | 0.8 | ||||||||
| CFM | RISE | CFM | RISE | CFM | RISE | CFM | RISE | CFM | RISE | CFM | CFM | CFM | |||
|
*M9C96 0303AN | W/W1 | F01^ | 753 | 25 | 708 | 26 | 663 | 28 | 616 | 30 | 568 | 33 | 513 | 470 | 423 |
| F03^^ | 529 | N/A | 518 | N/A | 461 | N/A | 394 | N/A | 343 | N/A | 288 | 223 | N/A | ||
| F04 | 880 | 21 | 843 | 22 | 807 | 23 | 768 | 24 | 723 | 26 | 683 | 643 | 590 | ||
| W2 | F02^ | 915 | 29 | 883 | 30 | 845 | 32 | 809 | 33 | 773 | 34 | 730 | 690 | 650 | |
| F04 | 880 | 30 | 843 | 32 | 807 | 33 | 768 | 35 | 723 | 37 | 683 | 643 | 590 | ||
| F05 | 1055 | 25 | 1022 | 26 | 990 | 27 | 959 | 28 | 930 | 29 | 891 | 858 | 825 | ||
|
*M9C96 0403AN | W/W1 | F01^ | 733 | 34 | 691 | 36 | 650 | 38 | 602 | 41 | 553 | 45 | 498 | 448 | 402 |
| F03^^ | 665 | N/A | 620 | N/A | 570 | N/A | 517 | N/A | 462 | N/A | 407 | 359 | 309 | ||
| F04 | 915 | 27 | 881 | 28 | 846 | 29 | 814 | 31 | 780 | 32 | 737 | 695 | 652 | ||
| W2 | F02^ | 1051 | 34 | 1024 | 35 | 996 | 36 | 966 | 37 | 935 | 38 | 907 | 868 | 836 | |
| F04 | 915 | 39 | 881 | 40 | 846 | 42 | 814 | 44 | 780 | 46 | 737 | 695 | 652 | ||
| F05 | 1138 | 31 | 1114 | 32 | 1092 | 33 | 1064 | 33 | 1035 | 34 | 1006 | 977 | 947 | ||
|
*M9C96 0603AN | W/W1 | F01^ | 900 | 40 | 867 | 42 | 830 | 44 | 798 | 46 | 758 | 48 | 718 | 682 | 645 |
| F03^^ | 688 | N/A | 649 | N/A | 603 | N/A | 551 | N/A | 499 | N/A | 447 | 405 | 359 | ||
| F04 | 866 | 42 | 830 | 44 | 797 | 46 | 759 | 48 | 717 | 50 | 675 | 634 | 591 | ||
| W2 | F02^ | 1292 | 41 | 1272 | 42 | 1248 | 43 | 1227 | 43 | 1206 | 44 | 1184 | 1162 | 1137 | |
| F04^^ | 866 | N/A | 830 | N/A | 797 | N/A | 759 | N/A | 717 | N/A | 675 | 634 | 591 | ||
| F05 | 1223 | 44 | 1195 | 45 | 1176 | 45 | 1149 | 46 | 1124 | 47 | 1101 | 1074 | 1047 | ||
|
*M9C96 0603BN | W/W1 | F01^ | 914 | 41 | 864 | 43 | 815 | 46 | 762 | 49 | 704 | 53 | 654 | 604 | 560 |
| F03^^ | 758 | N/A | 696 | N/A | 636 | N/A | 572 | N/A | 512 | N/A | 460 | 412 | N/A | ||
| F04 | 960 | 39 | 917 | 41 | 864 | 43 | 812 | 46 | 764 | 49 | 708 | 661 | 614 | ||
| W2 | F02^ | 1121 | 48 | 1083 | 49 | 1041 | 51 | 996 | 54 | 953 | 56 | 906 | 861 | 818 | |
| F04^^ | 960 | N/A | 917 | N/A | 864 | N/A | 812 | N/A | 764 | N/A | 708 | 661 | 614 | ||
| F05 | 1164 | 46 | 1123 | 47 | 1084 | 49 | 1042 | 51 | 1003 | 53 | 960 | 920 | 871 | ||
|
*M9C96 0803BN | W/W1 | F01^ | 1205 | 41 | 1169 | 43 | 1131 | 44 | 1091 | 46 | 1053 | 47 | 1014 | 974 | 934 |
| F03^^ | 696 | N/A | 635 | N/A | 568 | N/A | 500 | N/A | 442 | N/A | 390 | 336 | 255 | ||
| F04 | 1152 | 43 | 1112 | 45 | 1076 | 46 | 1035 | 48 | 996 | 50 | 954 | 916 | 868 | ||
| W2 | F02^ | 1415 | 50 | 1385 | 51 | 1355 | 52 | 1322 | 54 | 1291 | 55 | 1255 | 1219 | 1186 | |
| F04^^ | 1152 | N/A | 1112 | N/A | 1076 | N/A | 1035 | N/A | 996 | N/A | 954 | 916 | 868 | ||
| F05 | 1321 | 54 | 1287 | 55 | 1251 | 57 | 1217 | 58 | 1181 | 60 | 1146 | 1112 | 1072 | ||
|
*M9C96 0804CN | W/W1 | F01^ | 1289 | 39 | 1234 | 40 | 1180 | 42 | 1122 | 44 | 1058 | 47 | 991 | 917 | 840 |
| F03 | 1297 | 38 | 1246 | 40 | 1199 | 42 | 1142 | 44 | 1083 | 46 | 1020 | 949 | 872 | ||
| F04 | 1194 | 42 | 1137 | 44 | 1079 | 46 | 1014 | 49 | 948 | 52 | 873 | 792 | 712 | ||
| W2 | F02^ | 1836 | 39 | 1784 | 40 | 1741 | 41 | 1703 | 42 | 1664 | 43 | 1628 | 1585 | 1537 | |
| F04^^ | 1194 | N/A | 1137 | N/A | 1079 | N/A | 1014 | N/A | 948 | N/A | 873 | 792 | 712 | ||
| F05 | 1748 | 41 | 1696 | 42 | 1650 | 43 | 1612 | 44 | 1574 | 45 | 1526 | 1478 | 1428 | ||
| TEMP RANGE LOW |
| 20-50 |
| 20- 50 |
| 20- 50 |
| 25-55 |
| 35-65 |
| 25- 55 |
| TEMP RANGE HIGH |
| 20-50 |
| 20- 50 |
| 30-60 |
| 35-65 |
| 35-65 |
| 25- 55 |
| HEATING AIFLOW | |||||||||||||||
| MODEL | THER- MOSTAT CALL | TAP # | EXTERNAL STATIC PRESSURE, (INCHES WATER COLUMN) | ||||||||||||
| 0.1 | 0.2 | 0.3 | 0.4 | 0.5 | 0.6 | 0.7 | 0.8 | ||||||||
| CFM | RISE | CFM | RISE | CFM | RISE | CFM | RISE | CFM | RISE | CFM | CFM | CFM | |||
|
*M9C96 1004CN | W/W1 | F01^ | 1475 | 42 | 1421 | 44 | 1369 | 45 | 1314 | 47 | 1260 | 49 | 1207 | 1152 | 1097 |
| F03^^ | 924 | N/A | 846 | N/A | 767 | N/A | 684 | N/A | 606 | N/A | 529 | 463 | 398 | ||
| F04 | 1259 | 49 | 1197 | 52 | 1138 | 55 | 1074 | 58 | 1015 | 61 | 947 | 885 | 821 | ||
| W2 | F02^ | 1791 | 50 | 1741 | 51 | 1699 | 52 | 1652 | 54 | 1609 | 55 | 1561 | 1513 | 1465 | |
| F04^^ | 1259 | N/A | 1197 | N/A | 1138 | N/A | 1074 | N/A | 1015 | N/A | 947 | 885 | 821 | ||
| F05 | 1710 | 52 | 1660 | 54 | 1613 | 55 | 1583 | 56 | 1517 | 59 | 1470 | 1421 | 1374 | ||
|
*M9C96 1005CN | W/W1 | F01^ | 1259 | 49 | 1197 | 52 | 1138 | 55 | 1074 | 58 | 1015 | 61 | 947 | 885 | 821 |
| F03^^ | 1176 | N/A | 1108 | N/A | 1044 | N/A | 980 | N/A | 913 | N/A | 845 | 779 | 718 | ||
| F04 | 1347 | 46 | 1286 | 48 | 1231 | 51 | 1172 | 53 | 1115 | 56 | 1055 | 995 | 933 | ||
| W2 | F02^ | 1791 | 50 | 1741 | 51 | 1699 | 52 | 1652 | 54 | 1609 | 55 | 1561 | 1513 | 1465 | |
| F04^^ | 1347 | N/A | 1286 | N/A | 1231 | N/A | 1172 | N/A | 1115 | N/A | 1055 | 995 | 933 | ||
| F05 | 1921 | 46 | 1879 | 47 | 1840 | 48 | 1791 | 50 | 1751 | 51 | 1705 | 1656 | 1610 | ||
|
*M9C96 1205DN | W/W1 | F01^ | 1766 | 42 | 1712 | 44 | 1666 | 45 | 1612 | 46 | 1558 | 48 | 1506 | 1450 | 1395 |
| F03^^ | 1118 | N/A | 1035 | N/A | 952 | N/A | 860 | N/A | 750 | N/A | 663 | 590 | 519 | ||
| F04 | 1684 | 44 | 1620 | 46 | 1561 | 48 | 1499 | 50 | 1438 | 52 | 1378 | 1318 | 1259 | ||
| W2 | F02^ | 2205 | 48 | 2157 | 49 | 2110 | 51 | 2064 | 52 | 2021 | 53 | 1974 | 1925 | 1879 | |
| F04^^ | 1684 | N/A | 1620 | N/A | 1561 | N/A | 1499 | N/A | 1438 | N/A | 1378 | 1318 | 1259 | ||
| F05 | 2031 | 53 | 1981 | 54 | 1933 | 55 | 1901 | 56 | 1850 | 58 | 1799 | 1750 | 1702 | ||
| TEMP RANGE LOW |
| 35-65 |
| 35-65 |
| 35-65 |
| TEMP RANGE HIGH |
| 35-65 |
| 35-65 |
| 35-65 |
Notes
- DEFAULT SPEED
- All furnaces ship as high speed for cooling. Installer must adjust blower speed as needed.
- For most jobs, about 400 CFM per ton when cooling is desirable.
- INSTALLATION IS TO BE ADJUSTED TO OBTAIN TEMPERATURE RISE WITHIN THE RANGE SPECIFIED ON THE RATING PLATE.



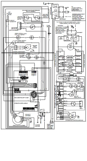
NOTES:
- SET HEAT ANTICIPATOR ON ROOM THERMOSTAT AT 0.7 AMPS.
- MANUFACTURER’S SPECIFIED REPLACEMENT PARTS MUST BE USED WHEN SERVICING.
- IF ANY OF THE ORIGINAL WIRE AS SUPPLIED WITH THE FURNACE MUST BE REPLACED IT MUST BE REPLACED WITH WIRING MATERIAL HAVING A TEMPERATURE RATING OF AT LEAST 105v C. USE COPPER CONDUCTORS ONLY.
- UNIT MUST BE PERMANENTLY GROUNDED AND CONFORM TO N.E.C. AND LOCAL CODES.
- TO RECALL THE LAST 6 FAULTS, MOST RECENT TO LEAST RECENT, DEPRESS SWITCH FOR MORE THAN 2 SECONDS WHILE IN STANDBY NO THERMOSTAT INPUTS)
COLOR CODES: PK PINK BR BROWN WH WHITE BL BLUE GY GRAY RD RED YL YELLOW OR ORANGE PU PURPLE GN GREEN BK BLACK
- EQUIPMENT GND
- FIELD GND
- FIELD SPLICE
- SWITCH (TEMP.)
- IGNITER
- SWITCH (PRESS.)
- OVERCURRENT
- PROT. DEVICE
- JUNCTION
- TERMINAL
- INTERNAL TO
- INTEGRATED CONTROL
- PLUG CONNECTION
- LOW VOLTAGE (24V)
- LOW VOLTAGE FIELD
- HI VOLTAGE (115V)
- HI VOLTAGE FIELD
| Model | Description | AM9C96 0303ANA | AM9C96 0403ANA | AM9C96 0603ANA | AM9C96 0603BNA | AM9C96 0803BNA |
| 72950 | Concentric Vent Kit (2″) | √ | √ | √ | √ | √ |
| 72951 | Concentric Vent Kit (3″) | √ | √ | √ | √ | √ |
| RF000142 | Drain Kit-Horizontal Left Vertical Flue | √ | √ | √ | √ | √ |
| EFR02 | External Filter Rack with 16″x25″ Permanent Filter | √ | √ | √ | √ | √ |
| 0170K00000S | Flush Mount Vent Kit- 3″ or 2″ | √ | √ | √ | √ | √ |
| 0170K00001S | Flush Mount Vent Kit- 2″ | √ | √ | √ | √ | √ |
| AFE18-60A | Fossil Fuel (Dual Fuel) Kit | √ | √ | √ | √ | √ |
| HASFK | High-Altitude Natural Gas Kit | N/A | TBD | TBD | HASFK-1 | HASFK-2 |
| HASFK | High-Altitude LP Gas Kit | N/A | TBD | TBD | HASFK-1 | HASFK-2 |
| 0270F05404 | Horizontal Drain Tubing Kit | √ | √ | √ | √ | √ |
| LPLP03 | Low LP Gas Pressure Switch | √ | √ | √ | √ | √ |
| LPM-08 | LP Conversion Kits | — | √ | √ | √ | √ |
| LPM-30 | LP Conversion Kit | √ | — | — | — | — |
| Model | Description | AM9C96 0804CNA | AM9C96 1004CNA | AM9C96 1005CNA | AM9C96 1205DNA |
| 72950 | Concentric Vent Kit (2″) | √ | √ | √ | — |
| 72951 | Concentric Vent Kit (3″) | √ | √ | √ | √ |
| RF000142 | Drain Kit-Horizontal Left Vertical Flue | √ | √ | √ | √ |
| EFR02 | External Filter Rack with 16″x25″ Permanent Filter | √ | √ | √ | — |
| 0170K00000S | Flush Mount Vent Kit- 3″ or 2″ | √ | √ | √ | √ |
| 0170K00001S | Flush Mount Vent Kit- 2″ | √ | √ | √ | — |
| AFE18-60A | Fossil Fuel (Dual Fuel) Kit | √ | √ | √ | √ |
| HASFK | High-Altitude Natural Gas Kit | HASFK-2 | HASFK-2 | HASFK-3 | HASFK-3 |
| HASFK | High-Altitude LP Gas Kit | HASFK-2 | HASFK-2 | HASFK-2 | HASFK-2 |
| 0270F05404 | Horizontal Drain Tubing Kit | √ | √ | √ | √ |
| LPLP03 | Low LP Gas Pressure Switch | √ | √ | √ | √ |
| LPM-08 | LP Conversion Kits | √ | √ | √ | √ |
| LPM-30 | LP Conversion Kit | — | — | — | — |

















