sygonix 2522212 Installable Thermostat

Intended Use
The thermostat is intended for controlling the temperature (e.g. in connection with radiators) within a temperature range of 0 ºC to +120 ºC. It is intended for indoor use only. Do not use it outdoors. Contact with moisture, e.g. in bathrooms, must be avoided under all circumstances.
For safety and approval purposes, you must not rebuild and/or modify this product. If you use the product for purposes other than those described above, the product may be damaged. In addition, improper use can result in short circuits, fires, electric shocks or other hazards. Read the instructions carefully and store them in a safe place. Make this product available to third parties only together with its operating instructions.
This product complies with the statutory national and European requirements. All company names and product names are trademarks of their respective owners. All rights reserved.
Delivery Content
- Thermostat with capillary sensor
- Operating instructions
Up-to-date Operating Instructions
Download the latest operating instructions at www.conrad.com/downloads or scan the QR code shown. Follow the instructions on the website.
Explanation of Symbols
- The symbol with the lightning in the triangle is used if there is a risk to your health, e.g. due to an electric shock.
- The symbol with the exclamation mark in the triangle is used to indicate important information in these operating instructions. Always read this information carefully.
- The arrow symbol indicates special information and advice on operation.
Safety Instructions
Read the operating instructions carefully and especially observe the safety information. If you do not follow the safety instructions and information on proper handling in this manual, we assume no liability for any resulting personal injury or damage to property. Such cases will invalidate the warranty/guarantee.
General Information
- The device is not a toy. Keep it out of the reach of children and pets.
- Do not leave packaging material lying around carelessly. This may become dangerous playing material for children.
- Protect the appliance from extreme temperatures, direct sunlight, strong jolts, high humidity, moisture, flammable gases, steam and solvents.
- Do not place the product under any mechanical stress.
- If it is no longer possible to operate the product safely, take it out of operation and protect it from any accidental use. Safe operation can no longer be guaranteed if the product:
- is visibly damaged,
- is no longer working properly,
- has been stored for extended periods in poor ambient conditions or
- has been subjected to any serious transport-related stresses.
- Please handle the product carefully. Jolts, impacts or a fall even from a low height can damage the product.
- In commercial institutions, the accident prevention regulations of the employer’s liability insurance association for electrical systems and operating facilities are to be observed!
- Consult an expert when in doubt about the operation, safety or connection of the appliance.
- Maintenance, modifications, and repairs must only be completed by a technician or an authorised repair center.
- If you have questions that remain unanswered by these operating instructions, contact our technical support service or other technical personnel.
Installation
- The product may only be installed by a qualified technician (e.g. electrician) who is familiar with the relevant regulations (e.g. VDE, German electrical wiring regulations)!
Improper work, carried out on the mains voltage, endangers not only your own life but also the life of others!
If you do not have the expertise required for the installation, do not install it yourself but ask a qualified technician. - The thermostat may be mounted and operated only in enclosed housings. Only the shaft for the dial may lead outside. The provided dial (or another suitable dial) must be mounted on the shaft.
- The specified safety distance between live components carrying mains voltage (contacts or connections on the thermostat, etc.) and exposed parts of the enclosure (the device in which the thermostat is installed) must be maintained at all times.
- The device in which the thermostat is to be installed must be separated from the mains voltage and all other cables/leads. Disconnect the mains plug from the mains socket.
If the device does not have a mains plug but is permanently connected to the mains voltage, switch off the corresponding circuit breakers and also the appliance leakage circuit interrupter so that the mains supply line is disconnected at all poles from the mains voltage. Secure it against unauthorised reconnection, e.g., with a danger sign. Check there is no voltage with a suitable measuring instrument (e.g. a digital multimeter). - Capacitors in the device in which the thermostat is to be installed can remain charged for a long time even after the device is switched off and disconnected from the mains voltage.
There is a risk of a life-threatening electric shock! - Do not use the thermostat in rooms or under adverse ambient conditions where combustible gases, vapours or dust are or may be present! There is a risk of explosion!
- The input power of the thermostat (see “Technical Data”) must not be exceeded.
- When shifting the capillary tube and also when attaching the sensor, make sure that neither the capillary tube nor the sensor is kinked, pinched or otherwise damaged.
The capillary tube and also the sensor cannot and may not be shortened or cut off. Do not turn any screws or anything similar through the sensor tip.
Doing so renders the thermostat unusable!
Operation
Installation and Connection
- Observe the safety instructions!
The thermostat is equipped with three connections for cable lugs; for this, also observe the overprint on the underside of the thermostat.
If in doubt, leave the installation and connection to a specialist.
Operating Principle
In the long capillary tube (and the sensor tip), which is permanently connected to the thermostat, there is a liquid that expands upon warming. At the end of the capillary tube in the thermostat, there is a pressure sensor, which is mechanically preloaded by the adjustment spindle. A heating device, which is activated via the switch contact, increases the temperature; the liquid in the installed sensor warms up and expands. The control element on the pressure sensor breaks the circuit when it reaches a given temperature.
The temperature falls again and the liquid in the capillary tube contracts. At a given temperature, the circuit closes again and the process is repeated. The temperature at which the thermostat breaks the circuit can be adjusted using the adjustment spindle. Since this is not an electronic control, it is not possible to set the thermostat exactly to a specific temperature.
- The switch contact allows control of both cooling and heating, depending on which thermostat contacts are used to make the connection (C + 2 or C + 1).
Care and Cleaning
- Disconnect the product from the mains before each cleaning.
- Do not use any aggressive cleaning agents, rubbing alcohol or other chemical solutions as they can cause damage to the housing and malfunctioning.
- Clean the product with a dry, fiber-free cloth.
Disposal
This symbol must appear on any electrical and electronic equipment placed on the EU market. This symbol indicates that this device should not be disposed of as unsorted municipal waste at the end of its service life.
Owners of WEEE (Waste from Electrical and Electronic Equipment) shall dispose of it separately from unsorted municipal waste. Spent batteries and accumulators, which are not enclosed by the WEEE, as well as lamps that can be removed from the WEEE in a non-destructive manner, must be removed by end users from the WEEE in a non-destructive manner before it is handed over to a collection point.
Distributors of electrical and electronic equipment are legally obliged to provide free take-back of waste. Conrad provides the following return options free of charge (more details on our website):
- in our Conrad offices
- at the Conrad collection points
- at the collection points of public waste management authorities or the collection points set up by manufacturers or distributors within the meaning of the ElektroG
End users are responsible for deleting personal data from the WEEE to be disposed of. It should be noted that different obligations about the return or recycling of WEEE may apply in countries outside of Germany.
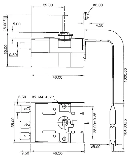
Technical Data
- Contact load ………………………………………. 250 V/AC, 50/60 Hz, 20 A
- Control range ……………………………………… 0 to +120 °C
- Temperature for sensor ……………………….. max. +140 °C
- Temperature for thermostat casing ………… max. +120 °C
- Accuracy……………………………………………..±3 °C
- Switching hysteresis ……………………………. 3 ±1.5 °C
- Length of capillary tube ……………………….. approx. 1 m
- Bending radius for capillary tube …………… min. 5 mm

This is a publication by Conrad Electronic SE, Klaus-Conrad-Str. 1, D-92240 Hirschau (www.conrad.com). All rights including translation reserved. Reproduction by any method, e.g. photocopy, microfilming, or the capture in electronic data processing systems requires prior written approval by the editor. Reprinting, also in part, is prohibited. This publication represents the technical status at the time of printing.
Copyright 2022 by Conrad Electronic SE.




















