![]()
A5W00076603A

RDG260KN
User manual, documentation and parameters
www.downloads.siemens.com/download-center
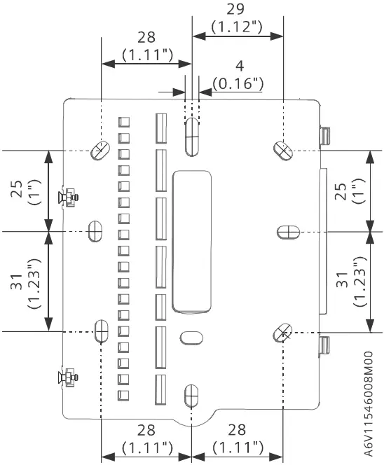
Mounting instructions





mm (inch)

A Max. 2 x 1.5 mm² (2 x 16 AWG)
B Max. 1 x 2.5 mm² (1 x 14 AWG)
Max. 2 x 1.5 mm² (2 x 16 AWG)
C Max. 80 m (262 feet)











https://new.siemens.com/global/en/products/buildings/support/hit-portal.html
- Documents
- Parameters P001…Pn
- Humidity (r.h.)
- KNX S-mode
- …


KNX programming mode


![]() |
ON = |
![]() | ![]() | ![]() |
![]() | P350 = 0 (Disabled) | P350 = 0 (Disabled) |
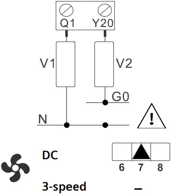
Application | Outputs | ||
V1 | DC | On/Off | |
| ① 2-pipe
| ![]() | ![]() | ![]() |
| Application | ||
V1 | V2 | |
| ② 2-pipe with electric heater
| ![]() | ![]() |
| ③ 2-pipe with radiator
| ![]() |
|
| ④ 4-pipe
| ![]() | ![]() |
| ⑤ 2-pipe/2-stage
|
|
|
Outputs | |||
| DC DC | On/Off On/Off | DC On/Off | On/Off DC |
![]() | ![]() | ![]() | ![]() |
| Application | ||||
V1 | V2 | V3 | V4 | |
| ⑥ 4-pipe with electric heater
| ![]() | ![]() | ![]() | – |
| ⑦ 4-pipe/2-stage
|
|
|
|
|
Outputs | |||
| DC DC DC DC | DC DC On/Off | ||
⑥
| ![]() | ⑥
|
|
⑦
| ![]() | ⑦
| ![]() |
| Application | ||
V1 | V2 | |
| ⑧ 4-pipe with 6-port ball valve
| ![]() | – |
| ⑨ 4-pipe with 6-port ball valve as changeover and PICV
| ![]() | ![]() |
Outputs | |||
DC ( | DC (PICV)On/Off | ||
⑧
| | ⑧
| ![]() |
⑨
| V1
| ⑨
| ![]() |
① 2-pipe fan coil
② 2-pipe with electric heater
③ 2-pipe with radiator
④ 4-pipe fan coil
⑤ 2-pipe/2-stage
⑥ 4-pipe with electric heater
⑦ 4-pipe/2-stage
⑧ 4-pipe with 6-port ball valve
⑨ 4-pipe with 6-port ball valve as changeover and PICV
© Siemens Switzerland Ltd, 2020
Technical specifications and availability subject to change without notice.
Issued by
Siemens Switzerland Ltd
Smart Infrastructure
Global Headquarters
Theilerstrasse 1a
CH-6300 Zug
Tel. +41 58 724 2424
www.siemens.com/buildingtechnologies
A6V11844861_—-_c A5W00076603A_AC 2021-06-30
Siemens Smart Infrastructure



DIP’s:
OFF = 






















P204=3





























