WILTEC 92672 Lifan Petrol Engines
Please read and follow the operating instructions and safety information prior to the initial operation.
Technical changes reserved
Illustrations, functional steps, and technical data may deviate insignificantly due to continuous further developments.
The information contained in this document may alter at any time without prior notice. No part of this document may be copied or otherwise duplicated without prior written consent. All rights reserved. WilTec Wildanger Technik GmbH cannot be held liable for any possible mistakes in this operating manual, nor in the diagrams and illustrations shown. Although WilTec Wildanger Technik GmbH has made every possible effort to ensure that this operating manual is complete, accurate, and up-to-date, errors cannot be ruled out entirely. If you have found an error or wish to suggest an improvement, we look forward to hearing from you. Send us an e-mail to: [email protected] or use our contact form: https://www.wiltec.de/contacts/ The most recent version of this manual in several languages can be found in our online shop: https://www.wiltec.de/docsearch
Our postal address is:
WilTec Wildanger Technik GmbH
Königsbenden 12 52249 Eschweiler Germany
Do you wish to collect your goods? Our address for collection is:
- WilTec Wildanger Technik GmbH
Königsbenden 28 52249 Eschweiler Germany
In order to shorten the waiting time and to allow for easy on-site processing, we kindly ask you to contact us briefly beforehand or to place your order via the webshop.
- E-mail: [email protected]
- Tel: +49 2403 55592–0
- Fax: +49 2403 55592–15
To return your goods for an exchange, repair, or other purposes, please use the following address. Attention! To allow for a trouble-free complaint or return, it is important to contact our customer service team before returning your goods.
Retourenabteilung
- WilTec Wildanger Technik GmbH
- Königsbenden 28 52249 Eschweiler Germany
- E-mail: [email protected]
- Tel: +49 2403 55592–0
- Fax: +49 2403 55592–15
Introduction
Thank you for choosing to purchase this quality product. To minimize the risk of injury, we ask you to always take some basic safety precautions when using this product. Please read this operating manual carefully and make sure that you understand it. Keep these operating instructions in a safe place.
Safety instructions
For your own safety, obey the following instructions, for otherwise material damage and/or personal injuries might result.
- Make sure that the engine is only operated in well-aired conditions; otherwise, the exhaust gases might be harmful to your health.
- Near other persons, only operate the engine with greatest care. Make sure that the exhaust pipe is free; it must not be covered, obstructed, or blocked.
- Before filling fuel into the tank, make sure to cut the engine off.
- The tank must not be filled to overflowing.
- In case fuel is spilled onto the casing of the device during filling fuel in, absolutely remove it before starting the engine.
- When exchanging the oil, make sure that the tank cover is closed lest oil get into the tank.
- Do not operate the device near open flames, flammable or explosive materials or gases, and flying sparks.
- There should be a minimum distance of 1 m between the engine and the wall of a house or another permanent installation.
- Make sure that all moving and rotating parts are safely covered.
- During operation, certain components of the device (e.g., exhaust pipe) will heat up. Do not touch them; you might burn yourself.
- Only operate the device in safe conditions and keep children away during operation.
- Only operate the engine on a level, solid surface. In case the device is placed on an oblique surface, petrol might leak.
- A major inclination (the device standing aslope) might impair the lubrication of the gearing mechanism even with a full oil level.
- When transporting the engine, make sure that no fuel can escape. It is advisable to empty the tank and close the fuel supply cock.
Attention
Pay attention to the following before operating the device:
- Make sure that all fuel lines are properly connected and safely fixed lest there be a fuel leak.
- Make sure that all fixing screws and nuts are well tightened.
- Check the fuel and oil levels and top up oil or fuel if necessary.
Main parts

Connecting a battery (optional) 
| № | Name |
| 1 | Starting relay |
| 2 | Positive line (+) |
| 3 | Negative line (–) |
The battery that you use should at least have 12 V and 18 A. Connect the positive battery terminal to the electromagnetic coil with a suitable cable, while the negative terminal is con-nected to the motor mount, ground screw, or any other place that can be grounded to the motor mount. Make sure that the battery cables are securely connected and that there is no corrosion. If present, remove. Be careful not to connect the battery cables in reverse order.
Commissioning
The engine is delivered without fuel. The fuel must be filled in before commissioning. Operating the motor without oil might damage it. Never operate the motor without fuel.
Checking the oil level 
Use the same for the coupling as you do for the engine. The coupling has a capacity of 1.1 ℓ. 
Air filter
The air filter should be cleaned regularly. Should cleaning not be enough to solve the problem, the filter element must be replaced.
Attention
Never let the motor run without an air filter. A damaged or very dirty air filter can provoke damage to the motor.

Fuel and tank
- Only use unleaded petrol with an octane rating of 86 or higher. Using unleaded petrol will reduce the accumulations inside the motor and extend the service life of the motor. Never use polluted petrol or petrol contaminated with motor oil. Make sure that the petrol is free from dirt and water.
- The fuel tank has a capacity of approx. 6.5 ℓ.
Starting the motor
Attention
You should put on protective equipment before starting the motor (hearing protection, gloves).
- Put the fuel valve (1) to the “ON” position.
- Push the choke lever (2) to the “CLOSE” position. When performing a warm start, closing the throttle is not necessary.
- Slide the throttle lever a bit to the left side.

| № | Name | № | Name |
| 1 | Engine switch | 3 | Starter rope handle |
| 2 | Electric start type |
Start the motor as follows:
Hand starter:
Put the engine switch to the “ON” position. Slightly pull the starter rope handle upwards until you feel that it resists, then pull rapidly.
Attention
Should you let go the handle suddenly, it might hit the motor. Instead, allow the starter rope to slide back slowly.
Electric starter:
Push the engine switch to the “START” position and keep it pushed for 5 s until the motor starts.
Caution
Do not push the engine switch more than 5 s per start to avoid damage to the motor. Wait for 10 s before re-trying to start the motor, should the start be unsuccessful. As soon as the motor starts, put the engine switch in the “ON” position.
Oil deficiency switch/alarm
The oil deficiency switch reacts to an insufficient quantity of motor oil in the crankcase. Lacking motor oil may damage the motor. As soon as the oil level in the crankcase is too low, the motor oil alarm stops the engine automatically to protect it from damage during operation.
Attention
Should you not be able to restart the motor, first check the oil level before checking any other possible cause of the defect.
Motor protection switch
The protection switch that protects the charging circuit of the battery switches off automatically if there is a short circuit or if the battery poles are connected improperly. The green indicator, jumping out, interrupts the circuit. Re-set the indicator to its initial position after you have resolved the error that has triggered the indicator.
Stopping the motor
If there is an emergency, stop the motor by putting the engine switch to the “OFF” position. To stop the engine in normal operation, proceed as follows:
- Push the throttle lever to the right and downwards.
- Put the engine switch to the “OFF” position.
- Put the fuel valve to the “OFF” position.


| № | Name | № | Name |
| 1 | Throttle lever | 3 | Engine switch |
| 2 | Petrol cock | 4 | Electric starting type |
Attention
Never stop the motor suddenly when it operated with the throttle fully opened. Motor damages might result.
Exhaust regulation system
To keep the exhaust as low as possible, follow the steps mentioned below.
Maintenance
Maintain the motor regularly and according to the maintenance schedule of this manual. The maintenance schedule has been established on the basis of a normal operation and normal conditions. If using the motor under heavy conditions, with a lot of dust generated, with ongoing humidity, or with high temperatures, you should maintain the motor more frequently.
Exchanging components
It is advisable to use spare parts produced by our establishment or with identical quality. Poor-quality parts might provoke an increase in the exhaust.
Modifications
Modifying the exhaust regulating system might lead to the actual exhaust emissions exceeding the legal values. The following are examples of inadmissible modifications:
- removing or modifying parts of the air intake or outlet system
- changing the speed – changing the connection device or speed settings so that the motor exceeds the set parameters
Maintenance schedule
| Frequency
Object of maintenance |
Every time | During the 1st month or after 20 hours | Every time or after 50 hours | After 6 months of 100 hours | Every year or after 300 hours | |
| Motor oil | Check oil level. | X | ||||
| Replace. | X | X | ||||
| Air filter | Check. | X | ||||
| Clean. | x | |||||
| Replace. | X | |||||
| Spark plug | Clean, adjust. | x | ||||
| Replace. | x | |||||
| Ignition sensor | Clean. | X | ||||
| Idling | Check, adjust. | X | ||||
| Play of valves | Check, adjust. | X | ||||
| Oil filter | Replace. | X | ||||
| Petrol filter | Clean. | X | ||||
| Fuel supply line | Check. | After 2 years (replace if necessary) | ||||
Assembly requirements KP460/2 V78F-2
- Cylinder head cover bolt (M6×28), torque control 9–12 Nm.
- Screws for connecting rods (M8×38) (connecting rod blades must not be installed upside down). After inserting the screws (M8×38), tighten them with a torque wrench. After tightening, turn the crankshaft by hand to check that it moves. The control torque is 17–19 Nm, and the crankshaft can be rotated flexibly after tightening.
- Lubricate the crankshaft with oil, close the crankcase cover, and tighten the case screws (M8×40). The tightening torque of the housing screws is 28–30 Nm.
- The M10×80 cylinder head screws are tightened twice crosswise. The tightening torque is 33–35 Nm.
- The valve rocker arm mounting screw (M6×30) is tightened with a torque of 9–12 Nm.
- Inlet valve clearance: 0.10–0.15 mm, outlet valve clearance: 0.15–0.18 mm.
- Flywheel nut tightening torque: M16×1.5 (M20×1.5): 120 Nm.
- M6×28 ignition coil screw, torque control 9–12 Nm.
- M12×1.5 ignition coil screw, torque control 9–34 Nm.
- M6×12 or M6×14 screws are used for the oil pressure sensor, manual starter, air duct cover, air duct plate, cover plate, and bracket for the governor. These should be tightened with a torque of 9–12 Nm.
- M8 exhaust nut self-locking, torque control 21–25 Nm.
- M8×25 fuel tank bolts, torque control 21–25 Nm.
- M8 fuel tank mounting nut, torque control 21–25 Nm.
- Integrated alternator (power/current) 80 A/12 V (at least 3 s)
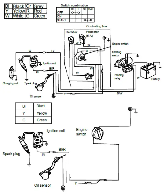
The circuit diagram (optional electric start)
There may be deviations depending on the engine type.
Important notice:
The reprint or reproduction, even of excerpts, and any commercial use, even in part, of this instruction manual, require the written permission of WilTec Wildanger Technik GmbH.


























