Operation Manual
Petrol Engine
99200–99202, 99204–99207, 99209, 99210
99200 Petrol Engine
Illustration similar, may vary depending on model
Read and follow the operating instructions and safety information before using for the first time.
Technical changes reserved!
Due to further developments, illustrations, functioning steps, and technical data can differ insignificantly.
Updating the documentation
If you have suggestions for improvement or have found any irregularities, please contact us.![]()
The information contained in this document may alter at any time without previous notice. It is prohibited to copy or spread any parts of this document in any way without prior written allowance. All rights reserved.
The WilTec Wildanger Technik GmbH cannot be held accountable for any possible mistakes in this operating manual, nor in the diagrams and figures shown.
Even though, the WilTec Wildanger Technik GmbH has undergone biggest possible efforts to ensure that the operating manual is complete, faultless, and up to date, mistakes cannot be entirely avoided.
If you should find a mistake or wish to make a suggestion for improvement, we look forward to hearing from you.
Send an e-mail to: [email protected] or use our contact form: https://www.wiltec.de/contacts/
The most recent version of this manual in various languages can be found in our online shop via: https://www.wiltec.de/docsearch
Our postal address is:
WilTec Wildanger Technik GmbH
Königsbenden 12
52249 Eschweiler
Germany
To return orders for exchange, repair, or other purposes, please use the following address.
Attention!
To allow for a smooth execution of your complaint or return, it is important to contact our customer service team before returning the goods.
Returns Department
WilTec Wildanger Technik GmbH
Königsbenden 28
52249 Eschweiler
E-mail: [email protected]
Tel: +49 2403 55592–0
Fax: +49 2403 55592–15
Introduction
Thank you for purchasing this quality product. To minimise the risk of injury we urge that our clients take some basic safety precautions when using this device. Please read the operation instructions carefully and make sure you have understood its content. Keep these operation instructions safe.
Product features
- One-cylinder, 4-stroke engine
- Hand or electric starter
- Powerful air-cooling system
- Overhead valve (OHV)
- TCI Ignition Module
- Fan hood made of particularly silent steel plate
Our series of air-cooled four-stroke gasoline engines has been developed in terms of material and energy saving. Due to their compact design, the devices are easy to carry to every location and convenient to handle. They offer a wide range of applications in the fields of craft, industry, horticulture and agriculture, or household. This manual will help you use your engine optimally. Please read it carefully before using the device. By doing so, the life of the device will be significantly increased. Please contact us if you have any questions or comments about these instructions. In some cases, the device equipment may vary from the kind described in this guide.
Safety precautions
Please follow the following tips and ideas for your own safety, otherwise damage to the equipment or operator’s injury may occur.
- Make sure that the engine is only operated in well-ventilated environments, otherwise a health risk may occur because of the fumes.
- In other persons’ vicinity, the engine must work with due diligence. Make sure that the exhaust pipe is free and accessible; it must not be covered or blocked.
- Before filling the tank with fuel, the engine must always be switched off.
- The tank must not be overfilled.
- If the fuel is spilled on the device when filling, it must be removed before starting the engine.
- Before changing the oil make sure that the cap of the tank is closed, so no oil can go into the petrol tank.
- Do not use the unit near open flames, flammable or explosive substances or gases, and flying sparks.
- The engine should be at least one 1 m away from house walls or other fixed facilities.
- Make sure that all moving and rotating parts are covered.
- While the device works, the individual components (e.g., the exhaust) become hot. Be careful when touching, because otherwise it may cause burns.
- Operate in a safe environment and keep children away from it while operating.
- Operate on a straight and solid surface. On slopes the device may leak fuel.
- A larger inclination can have, even with full oil level, negative influence on the gear.
- Take care when transporting the device; make sure there are no fuel leaks. We recommend that the tank is emptied and the fuel inlet valve closed.
Before commissioning the device keep the following advice in mind:
- Make sure that all fuel lines are connected and firmly attached, so that no leakage may occur.
- Make sure that all screws and nuts are firmly tightened.
- Check the fuel and oil level and if necessary, re-fill fuel or oil.

| № | Name |
| 1 | Oil level gauge |
| 2 | Max. oil level |
| 3 | Min. oil level |

| № | Name |
| 1 | Fuel tank |
| 2 | Fuel cap |
| 3 | Red mark for max. fuel level |

| № | Name |
| 1 | Wing nut |
| 2 | Air filter housing |
| 3 | Wing nut |
| 4 | Air filter |
| 5 | Foam filter |
| 6 | Seal |
| 7 | Air filter holder |
The air filter should be regularly checked and, if necessary, cleaned or replaced.
| Crankshaft inclination | ||
| Tolerable inclination | ≤20º | |
| Engine inclination | ||
| Tolerable inclination | ≤20º | |
Starting and stopping the engine
Open the throttle (1) and the drain screw (3) of the carburettor. Once the fuel runs out, the drain screw (3) may be refastened. Then you can start the engine as usual.
| № | Name |
| 1 | Throttle lever |
| 2 | Throttle valve opened |
| 3 | Drain screw |
The engine may be run only within the rated power and rated speed. If you detect abnormal episodes, please stop the engine immediately and initiate corrective measures. The engine should not be charged during the first 1–3 min after the start.
| № | Name |
| 1 | Choke |
| 2 | Choke not activated |
| 3 | Carburettor drain screw |

| № | Name |
| 1 | Ignition off |
| 2 | Ignition switch |
If you want to stop the engine, reduce the speed to a minimum, set the choke to Off and turn the on/off switch to off. The engine should be shut immediately. The switch is located right on the crankshaft housing.
Regular maintenance
- Regularly clean the air filter; replace it in case it cannot be cleaned any more. It should be cleaned after approximately 25 hours of working.
- Check all fittings for tightness and re-tighten them if necessary.
- Regularly check the engine oil level.

| № | Name |
| 1 | Oil level gauge |
| 2 | Max. oil level |
| 3 | Min. oil level |
Every 50 hours of operation, the spark plug should be cleaned, tested, or replaced if necessary. If the earth electrode is burnt too much or the spark plug worn, it should be exchanged against a new spark plug of the same type. Only mount or dismount spark plugs in a cold engine. ONLY use ORIGINAL spark plugs! 
| № | Instruction/name |
| 1 | Dismount spark plug. |
| 2 | Adjust electrode. |
| 1 | Oil drain screw |
| 2 | Oil filler |
| 3 | Max. oil level |
Clean the fuel tank every 100 hours of operation. For this, the tank should be taken from the holder and rinsed. The fuel filter should periodically be cleaned.
If the engine shall be stored for long periods of time, the fuel tank shall be completely emptied and the carburettor emptied on his discharge screw. The engine oil should be discharged when the engine is hot, but switched off. Then re-fill new oil. The engine should be completely cleaned of dirt from the outside. The air filter and spark plug should be checked again and replaced or cleaned if necessary. The combustion chamber should be filled with some motor oil when the spark plug is unscrewed so that the combustion chamber is not oxidised. After that, the engine may be stored in a dry storage place.
Torques
| Part | Nm (value) | |
| 200 | 270–420 | |
| Cylinder head screw | 29±3 | 48±3 |
| Crankshaft case screws | 25±3 | 25±3 |
| Connecting rod bolt | 14±1 | 16±1 |
| Fly wheel screws | 80–90 | 120–140 |
| Spark plug | 20 | |
| Spark plug gap (㎜) | 0,7–0,8 (0,028–0,031 in) | |
| Valve clearance (cold) (㎜) | I : 0,10 ± 0,15 EX: 0,15 ± 0,20 | |
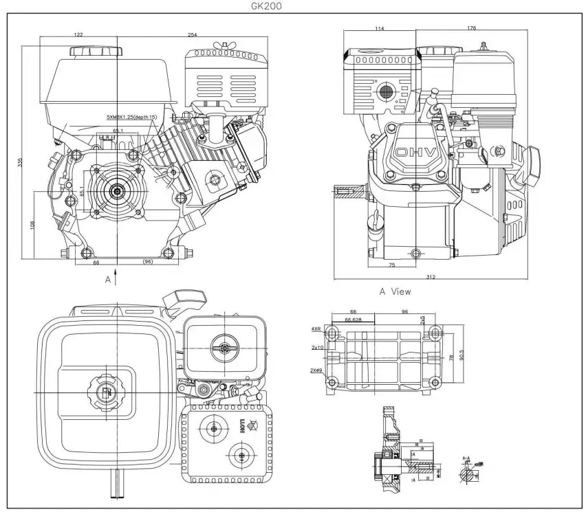
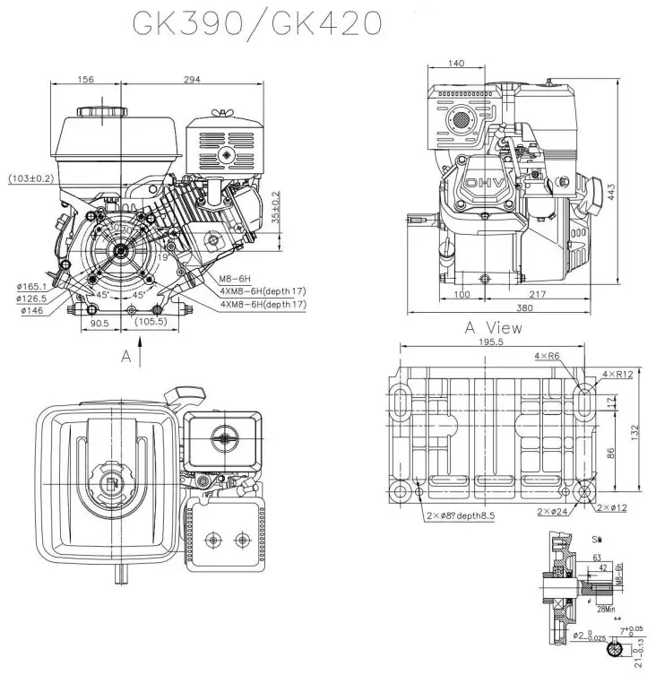
Technical specifications
| Item no. | 99202 | 99204 | 99207/99210 | 9920o/99205/99209 | ||
| Engine designation | 2000 (E) | 270 (E) | 390 (E) | 420 (E) | ||
| Engine capacity (cm) | 196 | 270 | 389 | 420 | ||
| Spark plug type | F7TC | |||||
| Max. Power | 4.1 kW with 360o rpm | 5.8 kW with 360o rpm | 7.8 kW with 360o rpm | 8.8 kW with 3600 rpm | ||
| Starting device | Recoil/Electric Start | |||||
| Engine oil type | SAE 10 W-3o mineral for winter/summer | |||||
| Fuel consumption (g/hp/h) Fuel type | <380 | <374 Premium unleaded | ||||
| Tank capacity (premium unleaded) (t) | 4. | 6.0 | 7. | |||
| Engine oil capacity (t) | 0.55 | 0.95 | 11. | |||
| Cooling | Air cooled engine | |||||
| Weight (kg) | 17/19 | 28/31 | 32-5/35-5 | I 33/36 | ||
| Dimensions (mm) | 39x32x34.5 | 42×39-5×43 | 46.5×41-5×44 | |||
| Engine bore (mm) | 68×54 | 77×58 | 88×64 | 90×66 | ||
| Ignition | Transistor/magneto | |||||
| Engine stop system | Circuit to ground | |||||
| Item no. | / | 99201 | / | / |
| Engine designation | 2000 (E)112 | 270(E)1/2 | 39o(E)1/2 | 420(E)1/2 |
| Engine capacity (aii) | 196 | 270 | 389 | 420 |
| Spark plug type | F7TC | |||
| Max. Power | 4.1 kW with 360o rpm | 5.8 kW with 3600 rpm | 7.8 kW with 3600 rpm | 8.8 kW with 360o rpm |
| Starting device | Recoil/Electric Start | |||
| Engine oil type | SAE 10 W-3o mineral for winter/summer | |||
| Fuel consumption (g/hp/h) | <380 | <374 | ||
| Fuel type | Premium unleaded | |||
| Tank capacity (pre-mium unleaded) (t) | 4. | 6.o | 7. | |
| Engine oil capacity (t) | 0.55 | 0.95 | 1. | |
| Cooling | Air cooled engine | |||
| Weight (kg) | 18.5/20.5 | 29/32 | 33.5/36.5 | |
| Dimensions (cm) | 39x36x34.5 | 42×45.5×43 | 46.5×45.5×44 | |
| Item no. | / | 99201 | / | / | |
| Engine designation | 2000 (E)112 | 270(E)1/2 | 39o(E)1/2 | 420(E)1/2 | |
| Engine capacity (aii) | 196 | 270 | 389 | 420 | |
| Spark plug type | F7TC | ||||
| Max. Power | 4.1 kW with 360o rpm | 5.8 kW with 3600 rpm | 7.8 kW with 3600 rpm | 8.8 kW with 360o rpm | |
| Starting device | Recoil/Electric Start | ||||
| Engine oil type | SAE 10 W-3o mineral for winter/summer | ||||
| Fuel consumption (g/hp/h) | <380 | <374 | |||
| Fuel type | Premium unleaded | ||||
| Tank capacity (pre-mium unleaded) (t) | 4. | 6.o | 7. | ||
| Engine oil capacity (t) | 0.55 | 0.95 | 1. | ||
| Cooling | Air cooled engine | ||||
| Weight (kg) | 18.5/20.5 | 29/32 | 33.5/36.5 | ||
| Dimensions (cm) | 39x36x34.5 | 42×45.5×43 | 46.5×45.5×44 | ||
| Engine bore (㎜) | 68×54 | 77×58 | 88×64 | 90×66 | |
| Ignition | Transistor/magneto | ||||
| Engine stop system | Circuit to ground | ||||
Wiring diagrams
Wire colours and codes
| BL | Black | Br | Brown |
| Y | Yellow | R | Red |
| W | White | G | Green |
Combination switch
With oil alert and without electric starter
With oil alert and electric starter
Measures
![]() | ![]() |
![]() | ![]() |
![]() | ![]() |
Important Note:
The reprint or reproduction, even of excerpts, and any commercial use, even in part, of this instruction manual require the written permission of WilTec Wildanger Technik GmbH.
https://www.XPOtool.com
The Tool Experts
Item 99200–99202, 99204–99207, 99209, 99210
09 2022-1

























