seitron DR R02M Thermostat Wireless Kit

D R R02M
2 RADIO CHANNELS RECEIVER FOR HEATING/COOLING SYSTEM

OVERVIEW
This device is a two channels receiver designed to switch on loads (more precisely, electro-thermal valves or circulators) via radio in home or office heating/cooling systems.
It has two channels that have to be associated to relevant transmitters, wireless thermostat or programmable thermostat. This system is an optimal solution for buildings in which wires cannot be laid between thermostats and the environment to be controlled. Operating on a frequency of 868.150 MHz (LPD) provides the user with all the advantages of this band, such as the greatest freedom from interference and greater efficiency in the transmission of the signal.
OPERATION
Each thermostat or programmable thermostat transmitter sends radio commands to the receiving unit based on the heating and cooling requirements of the room where it is located. These radio commands are then received and decoded by the receiving unit, which is usually installed in the same room as the boiler or air conditioning equipment. The relay outputs are turned on or off in the receiving unit depending on the requirements. These output s can be connected to valves that control the flow of hot/cold water in the heating/cooling unit located in the room. While it is operating, the receiver continuously monitors the status of each channel in order to detect any transmitter malfunctions.
MECHANICAL DESCRIPTION
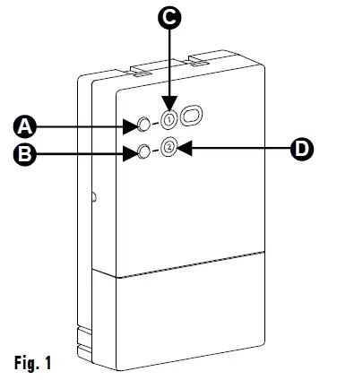
LEDs (c and d Fig. 1)
On the front panel of the device there are two multicolor LED which gives information regarding the correct power supply, the output relays status and the signal strength:
Power supply
When the receiving unit is powered, the LEDs light up and perform a blinking sequence “green-red-green-red” to indicate the correct operation of the device. Then the LEDs becomes active depending on their normal operation and the receiver starts to perform its normal activity, decoding the signals sent by the transmitters.
Actuator outputs status
During normal operation, each of the LEDs may light up green, yellow or red.
The LED provides several information about the output and the wireless thermostat controlling it.
In general, the following rule should be borne in mind:
- When the LED is lit, regardless of its color, it means that the corresponding actuator output is ON.
- When the LED is either off or only faintly lit, it means that the corresponding actuator output is OFF.
- The color of the LED provides information about the quality of radio communication. See paragraph on “Checking the signal strength”.
- When the LED is continuously blinking it indicates a fault in the system which requires the user‘s intervention. In this case the colour of the LED has the following meaning:
- Green: Error in the temperature probe of the wireless thermostat.
- Yellow: Wireless thermostat battery low
- Red: Absence of radio communication.
When the channel is in a fault status and the LED is blinking, it may blink in two different ways depending on the output relay status.
If the output is inactive the LED will normally remain off but then emit a short flash, whereas if the output is active, the LED will normally remain lit and then go off briefly.
SELF-LEARNING BUTTONS ( a and b Fig. 1)
The device is equipped with two self-learning buttons for setting up the wireless link between the thermostat (or programmable thermostat) and the receiver, one button for channel 1 A Fig. 1 and one button for channel 2 B Fig. 1.
ELECTRICAL CONNECTIONS
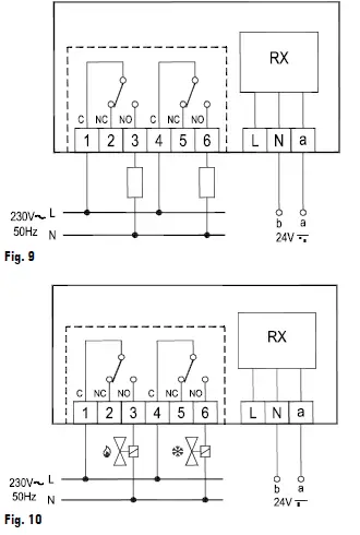
The device can be powered at 230V or 24V . Terminals L and N supply the receiver at 230V and must be connected to mains with neutral to terminal N. Alternatively connect the power supply to terminals a and N to power the device at 24V . Terminals 1, 2 and 3 are the voltage free SPDT relay contacts of the channel 1 output. Terminals 4, 5 and 6 are the voltage free SPDT relay contacts of the channel 2 output. Figure 7 and 9 shows how to connect a valve that will be powered when the output is set and that is when the thermostat calls for heat (heating) using the NO contact of the relay. Figure 8 and 10 shows how to connect to the receiver a heat valve and a cold valve when the receiver is set for regulation with dead band. The outputs, terminals 1 to 6, are voltage free and insulated with reinforced insulation towards the other circuits of the receiver. Therefore, the receiver can be supplied with SELV low voltage (24V ), while controlling a high voltage load (230V ), as shown in Fig. 9 or 10. In this case 24V SELV and 230V cables must be separated complying with current standards. In particular, it is necessary to secure the two groups of cables with cable ties separating the SELV wires from the others. This is required to avoid that the insulation to SELV is reduced in the event of a wire accidentally disconnects.
CONFIGURING THE SYSTEM
To be able to install several thermostats in the same area and to be able to use the multichannel systems, every thermostat is equipped with its own address code. Thermostats with different addresses can work at the same time without interfering each other and therefore controlling different areas. To memorize the address of the thermostat from which we want to receive the signals in the receiver, it is necessary to perform the self-learning procedure described below. It is possible to repeat several times the self-learning procedure, the new address will overwrite the old one stored.
Self-learning procedure
- Switch on the receiver: the LEDs blink for a few seconds during the initialization phase.
- Turn on the thermostat or programmable thermostat in “test” mode, then the transmitter will continuously send an ON command followed by an OFF command after two seconds. Turn on only one thermostat in the “test” mode at a time. It is advisable to keep the transmitter in the same room of the receiver, apart at least one meter each other.
- Press the self-learning button of the desired channel for a second A Fig.1 for channel 1 and B Fig.1 for channel 2. The self -learning procedure starts: the relevant channel’s LED will blink quickly yellow.
- As soon as a test command is received, the LED will remain steadily lit yellow for 7 seconds. During this time the receiver will continue to receive test commands and memorize only the signal received with the highest strength. This means that it will memorize the signal coming from the nearest transmitter and will thus avoid learning addresses from any transmitters in test mode which are not meant to be associated to the system.
- After 7 seconds the procedure ends and the LED flashes red-green-red-green in sequence to indicate that the transmitter address has been saved.
- The receiver will resume normal operation and the channel output relay will immediately start to switch ON and OFF every two seconds following the commands emitted by the transmitter in “test” mode.
- When using the “test” function it is advisable to check the strength of the signal received placing the transmitter in the desired position. To avoid wrong indications due to overlapping signals, do not test more than one transmitter at a time.
- After verifying that the signal strength is satisfactory, you may proceed with the final mechanical and electrical installation.
Checking the signal strength
The device constantly indicates the strength of the radio signal received for each of the two channels.
This makes the whole system simpler to install and regulate; moreover it allows the user to carry out an instant check on the quality of the radio communications of each channel.
The signal strength is indicated by each of the two LEDs.
They may light up green, yellow or red according to the quality of the radio signal received.
- Green: The signal received is good or excellent, radio communication is reliable.
- Yellow: The signal received is sufficient.
- Red: The signal received is weak, communication is not reliable.
The status of the output of the actuator that is currently switched off is signaled with the corresponding LED faintly lit rather than off, so that the quality of the radio signal can always be seen.
The receiver indicates two types of signal quality on the LED:
- An immediate analysis of the last command received;
- A long-term analysis of the commands received.
The LED will normally indicate the “long-term” signal quality, based on the quantity of correct commands received over the previous 90 minutes of operation. In case no command has been received from the transmitter in the last 90 minutes, the LED will stop showing the “long-term” analysis and will blink red to show the “absence of radio communication” fault condition. The signal quality analysis is non-volatile memorized, so it is possible to evaluate the channel communication status also after a power cycle. In the moment a radio command is received, the output LED goes off for a brief instant and then immediately back on again. For a brief instant the LED will provide an immediate indication of the last command received, proportional to the strength of the radio signal received. If a transmitter is in the “test” mode, the LED on the receiver will always provide only an “immediate” indication so that you can instantly assess whether to go ahead with mechanical installation. If the signal strength is not acceptable try to change the position of the receiver or transmitter or evaluate the possibility to install a repeater device (DAPF84) which doubles the range of the radio commands. Remember that both the transmitter and receiver must be installed away from metal objects or metal-reinforced walls that could weaken the radio signals.
NOTE: The LED may blink to signal a system fault. In this case the color of the LED has a different meaning, see the paragraph on “Actuator outputs status”.
DELETION OF A LEARNED ADDRESS
In case you want to delete the address learned on one of the two channels:
- Press and hold the button of the desired channel ( A or B Figure 1).
- The relevant LED flashes quickly in yellow and after a few seconds will flash in a sequence red-green-red-green.
- Release the button, the channel is now inactive. When a channel is ‘inactive’ on its LED and relay output will remain permanently off.
ASSOCIATION WITH A PROGRAMMABLE THERMOSTAT
The association of a channel driven by a thermostat to a channel driven by a programmable thermostat is not possible in this product. If one of the channels is controlled by a programmable thermostat, the heating/cooling setting of the programmable thermostat will be extended to the other channel if it is controlled by thermostat.
OUTPUT REGULATION TYPE
The receiver is factory configured to perform an ON/OFF type regulation on the output relays with predefined hysteresis. It is possible to modify the type of regulation choosing a PWM (pulse width modulation) proportional regulation.
In general you can configure the type of regulation and the parameters associated with the type of regulation chosen, e.g. you can change the hysteresis of the ON/OFF regulation or you can change the proportional band of the PWM regulation.
To configure the type of regulation you need to use a display thermostat transmitter (i.e. TRD01B, TRD02B, DCW01B) which features a configuration menu where you can customize the regulation parameters that will be transmitted to the receiver and stored during the “test” mode procedure.
It is possible to configure the type of regulation even when using a non configurable thermostat (i.e. DTPF85BC) in this case you have to temporarily learn the address and configure the output with a display thermostat, then you learn the address of the final non configurable thermostat.
The receiver maintains the output configuration of the display thermostat even when a new non configurable thermostat is learned. In case you have customized the output and you want to return to the factory default ON/OFF configuration it is necessary to do a factory default reset.
FACTORY DEFAULT RESET
A factory default reset clears the non-volatile memory of the device deleting any address learned with the self-learning procedure and restoring the default ON/OFF output configuration with predefined hysteresis.
T o factory reset:
- Power down
- Press and hold both buttons A and B Fig.1
- Power on
- Wait until the LEDs blink
- Release the buttons
REGULATION WITH DEAD BAND
The receiver can be set on jumper JP1 to regulate with dead band (see step 7 under “Installation”).
When regulating with dead band, the receiver drives the “heat” valve with the relay of channel 1 and the “cool” valve with the relay of channel 2.
When regulating with dead band, the receiver can learn only one thermostat on channel 1 and the thermostat will drive both relays of channel 1 and channel 2. If the setpoint temperature is greater than the room temperature there is a “heating” request and the “heat” valve on relay 1 will be turned on, conversely, if the setpoint temperature is lower than the room temperature there is a “cooling” request and the “cool” valve on relay 2 will be turned on. If the room temperature matches the setpoint temperature both outputs remain off. More in detail the width of the dead band determines the temperature range in which the outputs remain off. The dead band‘s width can be set on the trimmer with a small screwdriver in the range 1 to 11 °C (see step 8 in “Installation”). The heating output will be activated when the room temperature is below the setpoint temperature of half the dead band, while the cool output will be activated when the room temperature will be higher than the temperature setpoint of half the dead band. When in dead band regulation it is assumed that the heating and cooling systems are always available and the heating/cooling status of the transmitter will be ignored, as it is the room temperature that will determine whether to heat or to cool. When in dead band regulation, the “test” mode of the thermostat will toggle every 2 seconds only output 1 (heating).
When the receiver is set for dead band regulation, it can not perform the lower and upper floor temperature limitation that can be set on TRD01B and DCW01B thermostats.
TROUBLESHOOTING
- SYMPTOM: The receiver appears completely “dead”.
- PROBABLE CAUSE: There’s no mains power.
- REMEDY: Check the mains power connection. Usually LEDs may remain off, but they perform a blinking sequence “green-red-green-red” when the receiver is switched on to indicate correct operation.
- SYMPTOM: One of receiver’s LED continuously blinks green.
- PROBABLE CAUSE: The device is signaling a fault because it has detected an error in the temperature probe of the wireless thermostat or programmable thermostat.
- REMEDY: Check the temperature probe of the transmitter and, if present, the jumper for selecting between the internal and external probe. Carefully read the instructions of the transmitters for further information.
- SYMPTOM: One of receiver’s LED continuously blinks yellow.
- PROBABLE CAUSE: The device is signaling a fault because it has detected the wireless thermostat or programmable thermostat batteries to be running low.
- REMEDY: Replace the batteries of the transmitters concerned. Carefully read the instructions of the transmitters for further information.
- SYMPTOM: One of receiver’s LED continuously blinks red.
- PROBABLE CAUSE: The channels in question are in an “alarm status” due to the absence of radio communication.
- REMEDY: Check the radio communication again using the “test” function on the transmitter. Assess whether the devices need to be moved away from metal shields or a “repeater” needs to be installed.
- SYMPTOM: When starting the self-learning procedure, the receiver does not blinks the LED yellow.
- PROBABLE CAUSE: The self-learning button has been pressed too quickly.
- REMEDY: Start the self-learning procedure keeping pressed the self-learning button for one second.
- SYMPTOM: The transmitter is in the “test” mode but the receiver fails to switch on any relay. The LED does not indicate any reception of commands via radio.
- PROBABLE CAUSE: The signals received are too weak to enable correct decoding of the commands .
- REMEDY: Assess whether the devices need to be moved away from metal shields or a “repeater” needs to be installed.
- SYMPTOM: The receiver’s LED remain red despite the communication with the transmitter had been restored.
- PROBABLE CAUSE: The long-term analysis of the signal quality reports the history of the last 90 minutes of the channel activity.
- REMEDY: Verify with the “test” mode that the “immediate” indication on the LED indicates a sufficient signal quality and allow up to 90 minutes for the long-term analysis to turn green.
TECHNICAL FEATURES
- Power supply: 230V 50Hz / 24V
- Absorption: 11VA
- Relay contacts ratings: 2 x 6(4)A 250V (voltage free)
- Regulation hysteresis : 0,3°C
- Frequency: 868,150 MHz
- Sensitivity: -105 dBm
- Modulation: GFSK
- Bandwidth (-3 dB): 100 KHz
- Type of antenna: internal stylus
- Max. distance from transmitter: >300m in free field >50 m in buildings (depending on the building and environment)
- Protection rating: IP 3X
- Type of action: 1
- Overvoltage category: II
- Pollution degree: 2
- Tracking index (PTI): 175
- Class of protection
- against electric shock: II
- Rated impulse voltage: 2500V
- Number of automatic cycles: 100000 (diagrams on Fig. 7, 8, 9, 10)
- Software class: A
- EMC test voltage: 230V 50Hz
- EMC test current: 45 mA
- Distances tolerances fault
- mode ‘short’ exclusion: ±0,15 mm
- Ball pressure test temperature: 75 °C
- Operating temperature: 0°C .. 40 °C
- Storage temperature: -10°C .. +50 °C
- Humidity limits: 20% .. 80 % RH non-condensing
- Enclosure: Material: ABS V0 self-extinguishing
- Color: Signal White (RAL 9003) (RAL 9003)
- Installation: Wall mounted
DIMENSIONS

WARRANTY
In the view of a constant development of their products, the manufacturer reserves the right for changing technical data and features without prior notice.
The consumer is guaranteed against any lack of conformity according to the European Directive 1999/44/EC as well as to the manufacturer’s document about the warranty policy. The full text of warranty is available on request from the seller.
INSTALLATION
WARNING!
- When deciding on a correct position, make sure that the radio signals transmitted are received correctly by the receiving unit.
- The appliance must be wired to the electric mains through a switch capable of disconnecting all poles in compliance with the current safety standards and with a contact separation of at least 3 mm in all poles.
- The 24V power unit must be featured with an overload protection.
- Device installation and electrical connections must be carried out by qualified personnel and must comply with the laws in force.
- Before making any connections, make sure the mains power is disconnected.
To install the device it is necessary to access the internal parts.
- Make sure that the device is not powered (no mains power supply applied).
- Using a screwdriver, push the plastic flap of the bottom slot and slightly lift the cable lid up (Fig. 2).

- Rotate the cable lid and remove it completely (Fig. 3).

- There are three options for the cable entry:
Back cable entry: Open the hole E Fig. 5, with a screwdriver.
Side cable entry: With suitable pliers, remove the plastic teeth, as indicated by arrows in D Fig. 4.
Bottom cable entry: Open one or both holes F Fig. 5, with a screwdriver.
WARNING- When working with tools in the vicinity of the screw holes, be careful not to damage the internal electronic circuits.
- The chosen cable entry and the removal of plastic teeth may modify the IP grade of the product.

- Fix the plate onto the wall using the two screws housings with a 60 mm center-to-center distance (use the screws and/or dowels supplied) – Fig. 6.
WARNING- The receiver must be installed on a wall or on a surface in order to make the back of the product inaccessible.

- The receiver must be installed on a wall or on a surface in order to make the back of the product inaccessible.
- Make the electrical connections following the appropriate diagram and paragraph ” Electrical connections “.
Reinforced insulation

- Set JP1 jumper if the “dead band” regulation is desired.

- Set the dead band width trimmer if dead band regulation has been chosen.

- Place the cable lid on the base and rotate it towards the base; push the cable lid until the locking plastic flap springs into the hole on the lower side of the cable lid (Fig. 3).
- Configure the device as described in the paragraph “Configuring the system”.


























