TECH CONTROLLERS EU-R-12b Wireless Room Thermostat

Product Information
The EU-R-12b room regulator is a device designed to cooperate with controllers EU-L-12, EU-ML-12, and EU-L-X WiFi. It is intended to be installed in a heating zone and sends current room temperature and humidity readings to the external controller. The controller uses this data to control thermostatic valves by opening them when the temperature is too low and closing them when the room temperature has been reached. The regulator has a built-in temperature sensor, air humidity sensor, and an optional floor sensor. It comes in a wall-mountable casing and requires a 5V DC power supply with a maximum power consumption of 0.1W.
Product Usage Instructions
Safety
- The regulator is not intended to be used by children.
- Any use other than specified by the manufacturer is forbidden.
- The device should be installed by a qualified person.
- Avoid performing any activities involving the power supply (plugging cables, installing the device, etc.).
Installation
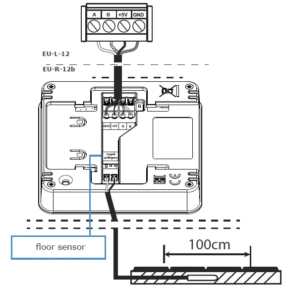
- To connect the floor sensor or wires, remove the rear cover of the regulator.
- Connect the NTC sensor to the regulator to use it as a floor sensor.
Using the Regulator
- The current temperature is displayed on the screen.
- Press the Menu button to change the displayed parameter from current temperature to current humidity or floor temperature.
- Hold the Menu button to enter the menu and confirm settings.
- The icon appears when the pre-set temperature has not been reached, and the given zone needs heating.
- The regulator enables the user to change the pre-set zone temperature permanently or for a period of time.
Regulator Registration
- Only one room regulator may be assigned to each zone.
- Activate the floor sensor by double-clicking the registration button.
- After successful activation, the Scs message will appear on the controller display.
- If the Err message is displayed on the screen of the room regulator, there is an error in the activation process.
- The activated sensor must be registered in the L-12, ML-12, or L-X WiFi external controller.
- Hold the registration button to display the current software version.
Additional Notes
- A registered regulator can be deleted or disabled using the external controller.
- If the user attempts to assign a regulator to a zone to which another regulator has already been assigned, the first regulator becomes unregistered, and it is replaced by the other one.
SAFETY
Before using the device for the first time the user should read the following regulations carefully. Not obeying the rules included in this manual may lead to personal injuries or controller damage. The user’s manual should be stored in a safe place for further reference. In order to avoid accidents and errors it should be ensured that every person using the device has familiarized themselves with the principle of operation as well as security functions of the controller. If the device is to be sold or put in a different place, make sure that the user’s manual is there with the device so that any potential user has access to essential information about the device. The manufacturer does not accept responsibility for any injuries or damage resulting from negligence; therefore, users are obliged to take the necessary safety measures listed in this manual to protect their lives and property.
WARNING
- The regulator is not intended to be used by children.
- Any use other than specified by the manufacturer is forbidden.
- The device should be installed by a qualified person.
- Make sure the device is disconnected from the mains before performing any activities involving the power supply (plugging cables, installing the device etc.).
HOW TO USE THE REGULATOR

| Display | Menu button ● |
| current temperature, humidity, floor temperature | – press – change the view from room temperature to humidity level/ confirmation of settings – hold – enter the menu |
| The icon appears when the pre-set temperature has not been reached and the given zone needs heating. | |
INSTALLATION
In order to connect the floor sensor or wires, remove the rear cover of the regulator.


The system uses a terminating connection. Depending on the order in which the regulators are connected to the external controller (as the first one or the one in the middle of the regulator’s transmission line with the external controller), set the terminating resistor in the regulator in the appropriate position. ON turns the resistor on, and 1 is the neutral position. Detailed information on the terminating connection of the external controller with the regulators is described in the EU-L-12, EU-ML-12 and EU-L-X WiFi manuals.

REGULATOR REGISTRATION
Each room regulator should be registered in a zone. In order to register, go to the external controller menu and select: (Menu > Fitter’s menu > Main module/Additional modules > Zones > Zone… > Room sensor > Sensor selection > Wired RS) and press the registration button on the regulator.
If the registration process has been completed successfully, the external controller screen will display a message to confirm whereas the room sensor screen will display Scs. If the room sensor displays Err, an error has occurred during the registration process.

NOTE
- Only one room regulator may be assigned to each zone.
- The regulator can serve as a floor sensor. In order to do this, connect the NTC sensor to the regulator and activate it by double-clicking the registration button. After successful activation, the Scs message will appear on the controller display. The Err message displayed on the screen of the room regulator indicates an error in the activation process. The activated sensor must be registered in the L-12, ML-12 or L-X WiFi external controller.(Menu > Fitter’s menu > Main module/Additional modules > Zones > Zone… > Floor heating > Floor sensor > Sensor selection > Additional sensor > ON).
- Hold the registration button to display the current software version.
Remember the following rules:
- A registered regulator can be deleted (Menu > Fitter’s menu > Main module / additional module > Zones > Zone … > Room sensor > Sensor selection > Wired RS) or disabled using the external controller (by deselecting ON in the sub-menu of a given zone).
- If the user attempts to assign a regulator to the zone to which other regulator has already been assigned, the first regulator becomes unregistered and it is replaced by the other one.
- If the user attempts to assign a sensor which has already been assigned to a different zone, the sensor is unregistered from the first zone and registered in the new one.
It is possible to set individual pre-set temperature value and weekly schedule for each room regulator assigned to a given zone. The settings may be configured both in the external controller menu and via www.emodul.eu (use the module). The pre-set temperature may also be adjusted directly from the room sensor using the buttons < >.
PRE-SET TEMPERATURE
The pre-set zone temperature may be adjusted directly from the EU-R-12b room regulator using the buttons < >.
During inactivity, the current zone temperature is displayed on the controller screen. Use the buttons < > to change the set value. When the pre-set temperature has been defined, the setting screen will appear.
Time settings can be changed using the buttons < >:
- for a specific number of hours – click the button < > until the desired number of hours is displayed, e.g. 1h (the pre-set temperature will apply for 1 hour, and then the previous setting will apply: schedule or constant temperature Con). In order to confirm, press the Menu button ●.
- permanently – press the button > until Con is displayed (the pre-set temperature will be valid for an indefinite period of time, regardless of the schedule settings). In order to confirm, press the middle button ●.
- if you want the pre-set temperature resulting from the weekly schedule settings to apply, press the button < until OFF appears on the screen. In order to confirm, press the middle button●.
- return to the previous setting (schedule or constant temperature Con) press the button < until 0 is displayed. Confirm by pressing the Menu button ●.
In order to enter the menu, hold the Menu button ●. Use the buttons < > to switch between menu options. Confirm by pressing the Menu button ●.
- FLO – if you press the Menu button ●, the floor temperature will be displayed (option available after activating the floor sensor by pressing the registration button twice).
- CAL – this function enables the user to set the calibration value for the room sensor and then the floor sensor Flo (if activated). After entering the Cal function, press the Menu button ●. Use the buttons < > to set the calibration value .
- LOC – the function enables the automatic button lock. After selecting the Loc function, press the Menu button ●. Then a question is displayed whether to enable the lock (yes/no). Select by pressing one of the buttons < >. Confirm by pressing the Menu button ●.To unlock the button, hold the buttons < >simultaneously. When Loc is displayed, the buttons are unlocked.
To disable the lock, enter the Loc function again and select the no option. Confirm by pressing the Menu button ●. - DEF – this function allows the user to restore factory settings. After selecting the Def function, press the Menu button ●. Then a question is displayed whether to restore the factory settings (yes/no). Select by pressing one of the buttons < >. Confirm by pressing the Menu button ●.After restoring factory settings, it will be necessary to re-register the regulator in the external controller.
- RET – exit the menu. Once in the Ret function, press the middle button ● to exit the menu.
The EU-R-12b room regulator is designed to cooperate with controllers EU-L-12, EU-ML-12 and EU-L-X WiFi.
It should be installed in heating zone. The regulator sends current room temperature and humidity readings to the external controller, which uses the data to control thermostatic valves (opening them when the temperature is too low and closing them when the room temperature has been reached).
Current temperature is displayed on the screen. The Menu button ● enables the user to change the displayed parameter from current temperature to current humidity or floor temperature.
The regulator enables the user to change the pre-set zone temperature permanently or for a period of time.
Controller equipment:
- built-in temperature sensor
- air humidity sensor
- floor sensor (optional)
- wall-mountable casing
TECHNICAL DATA
| Power supply | 5V DC |
| Max. power consumption | 0,1W |
We are committed to protecting the environment. Manufacturing electronic devices imposes an obligation of providing for environmentally safe disposal of used electronic components and devices. Hence, we have been entered into a register kept by the Inspection For Environmental Protection. The crossed-out bin symbol on a product means that the product may not be disposed of to household waste containers. Recycling of wastes helps to protect the environment. The user is obliged to transfer their used equipment to a collection point where all electric and electronic components.
WARRANTY CARD
TECH company ensures to the Buyer proper operation of the device for the period of 24 months from the date of sale. The Guarantor
undertakes to repair the device free of charge if the defects occurred through the manufacturer’s fault. The device should be delivered to its manufacturer.
Principles of conduct in the case of a complaint are determined by the Act on specific terms and conditions of consumer sale and amendments of the Civil Code (Journal of Laws of 5 September 2002).
CAUTION! THE TEMPERATURE SENSOR CANNOT BE IMMERSED IN ANY LIQUID (OIL ETC). THIS MAY RESULT IN DAMAGING THE CONTROLLER AND LOSS OF WARRANTY! THE ACCEPTABLE RELATIVE HUMIDITY OF THE CONTROLLER’S ENVIRONMENT IS 5÷85% REL.H. WITHOUT THE STEAM CONDENSATION EFFECT.
THE DEVICE IS NOT INTENDED TO BE OPERATED BY CHILDREN.
Activities related to setting and regulation of the controller parameters described in the Instruction Manual and parts wearing out during normal operation, such as fuses, are not covered by warranty repairs. The warranty does not cover damages arising as a result of improper operation or through the user’s fault, mechanical damage or damage created as a result of fi re, flood, atmospheric discharges, overvoltage or short-circuit. The interference of an unauthorized service, wilful repairs, modifi cations and construction changes cause the loss of Warranty. TECH controllers have protective seals. Removing a seal results in the loss of Warranty.
The costs of unjustifiable service call to a defect will be borne exclusively by the buyer. The unjustifiable service call is defined as a call to remove
damages not resulting from the Guarantor’s fault as well as a call considered unjustifiable by the service after diagnosing the device (e.g. damage of the equipment through the fault of the client or not subject to Warranty), or if the device defect occurred for reasons lying beyond the device.
In order to execute the rights arising from this Warranty, the user is obliged, at his own cost and risk, deliver the device to the Guarantor along with a correctly filled-in warranty card (containing in particular the sale date, the seller’s signature and a description of the defect) and sales proof (receipt, VAT invoice, etc.). The Warranty Card is the only basis for repair free of charge. The complaint repair time is 14 days. When the Warranty Card is lost or damaged, the manufacturer does not issue a duplicate.
UE DECLARATION OF CONFORMITY
Hereby, we declare under our sole responsibility that EU-R-12b manufactured by TECH STEROWNIKI, head-quartered in Wieprz Biała Droga 31, 34-122 Wieprz, is compliant with Directive 2014/35/EU of the European Parliament and of the Council of 26 February 2014 on the harmonisation of the laws of Member States relating to the making available on the market of electrical equipment designed for use within certain voltage limits (EU OJ L 96, of 29.03.2014, p. 357), Directive 2014/30/EU of the European Parliament and of the Council of 26 February 2014 on the harmonisation of the laws of Member States relating to electromagnetic compatibility (EU OJ L 96 of 29.03.2014, p.79), Directive 2009/125/EC establishing a framework for the setting of ecodesign requirements for energy-related products as well as the regulation by the MINISTRY OF ENTREPRENEURSHIP AND TECHNOLOGY of 24 June 2019 amending the regulation concerning the essential requirements as regards the restriction of the use of certain hazardous substances in electrical and electronic equipment, implementing provisions of Directive (EU) 2017/2102 of the European Parliament and of the Council of 15 November 2017 amending Directive 2011/65/EU on the restriction of the use of certain hazardous substances in electrical and electronic equipment (OJ L 305, 21.11.2017, p. 8).
For compliance assessment, harmonized standards were used: PN-EN IEC 60730-2-9:2019-06, PN-EN 60730-1:2016-10.
Central headquarters:
ul. Biata Droga 31, 34-122 Wieprz
Service:
ul. Skotnica 120, 32-652 Bulowice
phone: +48 33 875 93 80
e-mail: [email protected]


















