AC1 ARC 13.56 MHz Upgradable Readers
Instruction Manual
Product references
ARC-X
A: Standard
B: Keypad
C: Touch Screen
D: Standard + Biometrics
E: Keypad + Biometrics
X: F: Touch Screen + Biometrics
I/IM: Standard + 125 kHz module
J/JM: Keypad + 125 kHz module
K/KM: Touch Screen + 125 kHz module
AQ: Standard + QR Code module
BQ: Keypad + QR Code module
CQ: Touch Screen + QR Code module
Download the complete installation instructions
https://stid-security.com/images/private-pdf/NI1097C.pdf
Connection
J6: Antenna connector
J7: Keypad connector
J9: Biometric connector
J14: Display connector
J2: O/C contact 
| J4 | Type | |||
| Wiegand | Clock & Data | RS232 | R5485 | |
| 1 | 0 Vdc | |||
| 2 | +Vcc (-F7 Vdc / +28 Vdc) | |||
| 3 | DO | Code | NC | NC |
| 4 | D1 | Data | NC | NC |
| 5 | Clock | Clock | NC | NC |
| 6 | NC | NC | Tx | L+ |
| 7 | NC | NC | Rx | L- |
| 8 | Led 1 | |||
| 9 | Led 2 | |||
| 10 | Buzzer / Timbre | |||
Smart mounting plate dimensions
Version1
![]() | ![]() |
General tolerance following ISO NFT 58-000 standard
Mounting

- Pass the cables through the hole in the base.
- Screw the base in its final location.
- Connect the reader.
- Test the readings and communication.
- Place the reader on the base (clip the top part and then pivot it down).
- Lock the reader with the two screws provided using the specific tool.
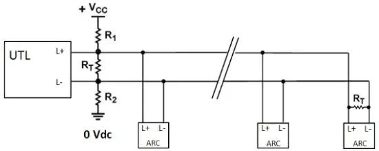
Bus architecture (RS485)
Wiring resistors R1 and R2 use the extended features of theRS485 Bus: FAIL-SAFE (see RS485-AN-960).
R1 & R2: 1.5 kΩ resistor supplied.
RT: 120 Ω end-of-line resistor supplied.

Power supply characteristics
Use an AC/DC power supply type LPS, Limited Power Source (as per IEC/UL/EN 60950-1 Ed2) or type ES1, PS1 (according to IEC/UL/EN 62368-1) for the main supply.
Main power supply:
Max. consumption at 12 Vdc:
ARC-A/PH5: 130 mA
ARC-F/PH5: 350 mA
ARC-K/BF5: 230 mA
Recommended cables
RS485: Use a multi-conductor shielded twisted pair cable. Max. length: 3281 ft at 9600 baud
RS232: Max. length 49.2 ft
Wiegand / Clock & Data: Use an untwisted shielded multi-conductor. For data: 2 wires AWG24 – 98 ft max / 4 wires AWG24 – 197 ft max / 6 wires AWG24 – 328 ft max 2 wires AWG20 – 164 ft max / 4 wires AWG20 – 328 ft max
Anti-tearing
Tearing is detected by an accelerometer.
Caution: switch on the reader when it is in its final position to initialize the accelerometer in the correct position.
Bell
Touch screen read-only readers: if the bell is activated, contact J2 is used to connect the external ring (max. 200 mA at 28 Vdc).
Read-only reader configuration
R and S readers are configurable with the SCB RFID configuration card.
OSDP™ readers are configurable with the OCB RFID configuration card or with the FileTransfer command.
- If the SCB/OCB is compatible with the reader’s firmware, the LED lights green, and the buzzer beeps five times.
- If the SCB/OCB is not compatible with the reader’s firmware, the LED lights red, and the buzzer is activated for 1 s.
- If the SCB/OCB key is different from the reader’s key: no reaction.
Caution: set your reader with your own company key.
Powering-up the readers
On power-up, the reader enters an initialization phase:
- Activation of the white LED and buzzer for 100 ms.
For read-only & OSDP™ readers: - Activation of the LED, according to the color code: Red = +10, Orange = +5, Green = +1, indicating the firmware version.
- For serial R/S reader only: the orange LED flashes 20 times: waiting for an update.
- Activation of the default LED (read-only: flashes blue, OSDP™: off; if no customer-specific configuration).
- For the ARC screen with an activated keypad, the default mode is: to display the picture on standby and activate the keyboard by pressing the screen.
Precautions for the biometric sensor and the keypad
- For optimal operation, the biometric sensor must be free of all traces of water. Outdoors it is recommended to install the reader undercover.
- The keypad is sensitive. Take off your gloves to enter your code.
Precautions for installation
- The supply voltage at the reader’s connector should be between +7 Vdc and +28 Vdc.
- As far as possible, keep the reader away from computer or power source cables. They can generate electrical interference depending on their radiation level and the proximity of the reader.
- Recommended distance between two readers: parallel plane: 11.81 in – same plane: 15.75 in – perpendicular plane: 9.8 in.
- Place the reader at a height of fewer than 2 meters / 78.74 inches (standard UL/IEC 62368).
- If the reader is fixed on a metal surface, it is possible to have a reduction in the reading distance.
- Use a ferrite (two-way) for the cable (power supply and data). Example: reference 74271222 WURTH ELEKTRONIK.
- By design, the reader can be installed indoors and outdoors.
- BEFORE powering on, connect the wires or the connector of the reader. Before disconnecting the wires or the connector of the reader, power off.
- Operating temperature:
| Temperature | -22 °F to 158 °F -30°C to +70°C | -22 °F to 140 °F -30°C to +60°C | -4 °F to 158 °F -20°C to +70°C | -4 °F to 140 °F -20°C to +60°C | 14 °F to 122 °F -10°C to +50°C |
| Readers | A, B, IM, JM | AO, BQ | C, I, J, K, KM | CQ | D, E, F |
Declaration of compliance
STid declares that the ARC-X reader is compliant to the essential requirements of the Directives RED 2014/53/EU, RoHS 2011/65/EU and Delegated directive. A copy of our declaration is available on request from [email protected].
![]()
This device complies with part 15 of the FCC Rules and with Industry Canada licence-exempt RSS standard(s). Operation is subject to the following two conditions:
- This device may not cause harmful interference, and
- This device must accept any interference received, including interference that may cause undesired operation
NOTE: The grantee is not responsible for any changes or modifications not expressly approved by the party responsible for compliance. Such modifications could void the user’s authority to operate the equipment.
This device complies with the safety requirements for RF exposure in accordance with RSS-102 issue 5 for conditions of use and with §1.1307(b), 2.1091, and 2.1093 of the FCC rule Title 47 CFR Ch. I.
The maximum magnetic field level of the device is:
- 12 dBµA/m (at 10 meters) for 13.56 MHz frequency.
- 25 dBµA/m (at 3 meters) for 125 kHz frequency (ARC-I, ARC-J, and ARC-K).
- -9 dBµA/m (at 10 meters) for 125 kHz frequency (ARC-IM, ARC-JM, and ARC-KM).
© STid – 20 PA des Pradeaux FR13850 Gréasque – NI1097A17 – Page 1 sur 4 – Ed. 31/08/2021
STid reserves the right to make changes without notice, for the purpose of product improvement.





















