life.augmented
UM3007
User manual
Getting started with the NFC card reader expansion board based on ST25R3916B for STM32 and STM8 Nucleos
Introduction
The X-NUCLEO-NFC08A1 NFC card reader expansion board is based on the ST25R3916B device. The expansion board is configured to support ISO14443A/B, ISO15693, FeliCaTM, and AP2P communication. The ST25R3916B manages frame coding and decoding in reader mode for standard applications, such as NFC, proximity, and vicinity HF RFID standards. It supports ISO/IEC 14443 type A and B, ISO/IEC 15693 (single subcarrier only) and ISO/IEC 18092 communication protocols as well as the detection, reading and writing of NFC forum type 1, 2, 3, 4, and 5 tags. The on-board low-power capacitive sensor performs ultra-low power wake-up without switching the reader field on and traditional inductive wake-up to select amplitude or phase measurement. The automatic antenna tuning (AAT) technology enables operation close to metallic parts and/or in changing environments.
Figure 1. X-NUCLEO-NFC08A1 expansion board

Getting started
Overview
The X-NUCLEO-NFC08A1 expansion board features:
- On-board NFC card reader IC: ST25R3916B
- 47 mm x 34 mm, four turns, 13.56 MHz inductive antenna etched on PCB and associated tuning circuit
- Six general-purpose LEDs
- ISO 18092 passive and active initiator, ISO 18092 passive, and active target
- NFC-A and NFC-F card emulation
- ISO 14443A and ISO14443B
- ISO 15693
- FeliCaTM
- Up to 1.7 W output power with differential antenna
- Possibility of driving two antennas in single-ended configuration
- Inductive wake-up
- Automatic antenna-tuning system
- Transparent and stream modes to implement MIFARETM classic compliant or other custom protocols
- Equipped with Arduino UNO R3 connector
- Free comprehensive development firmware library compatible with STM32Cube and samples for ST25R3916B
- Scalable solution for multiple board cascade
- FCC certified
- RoHS and WEEE compliant
Board connection
Connect the X-NUCLEO-NFC08A1 to an STM32 Nucleo-64 development board via Arduino UNO R3 connectors. The PC USB port has to be capable of delivering at least 300 mA at 5 V supply.
A green LED indicates whether the 5 V supply is present, while the six status LEDs are controlled via MCU. Provision for unpopulated jumpers enable alternative connections of all lines (except the SPI) to the STM32 MCU. To demonstrate the wake-up feature, two capacitive electrodes are placed on the PCB and the automatic antenna tuning variable capacitors are also implemented.
The board is connected to a power supply. It should be used on a clean and non-flammable surface.
Hardware requirements
The X-NUCLEO-NFC08A1 expansion board is designed to be used with any STM32 Nucleo board, although complete testing has been performed using the NUCLEO-L476RG hosting the STM32L476RG microcontroller.
The STM32 Nucleo firmware and the related documentation are available at http://www.st.com/stm32nucleo.
System requirements
To use STM32 Nucleo boards with the X-NUCLEO-NFC08A1 expansion board the following software and hardware are required:
- an STM32 Nucleo-64 development board
- a Windows® PC to install the firmware package
- a USB type A to Mini-B USB cable to connect the STM32 Nucleo board to the PC
- the unit must be supplied by a safety extra low voltage with falling characteristics (<5 V, <15 W), according to EN60950-1. This power supply has to be classified as ES1 (Electrical Source1), PS1 according to EN62368-1
To install the board firmware package (order code: X-CUBE-NFC6) the PC must have:
- 128 MB of RAM
- 40 MB of free hard disk space
The X-CUBE-NFC6 firmware and the related documentation are available at www.st.com.
Board setup
To set up the board:
Step 1. Connect the X-NUCLEO-NFC08A1 expansion board to the STM32 Nucleo board from the top through the Arduino UNO R3 connectors
Step 2. Power the STM32 Nucleo board using a Mini-B USB cable
Step 3. Program the firmware on the STM32 Nucleo board using the provided example
Step 4. Reset the MCU using the reset button available on the STM32 Nucleo board. The evaluation kit is ready to be used.
Hardware
The X-NUCLEO-NFC08A1 expansion board allows the user to test the functionality of the ST25R3916B, which supports the reader/writer and the card emulation modes.
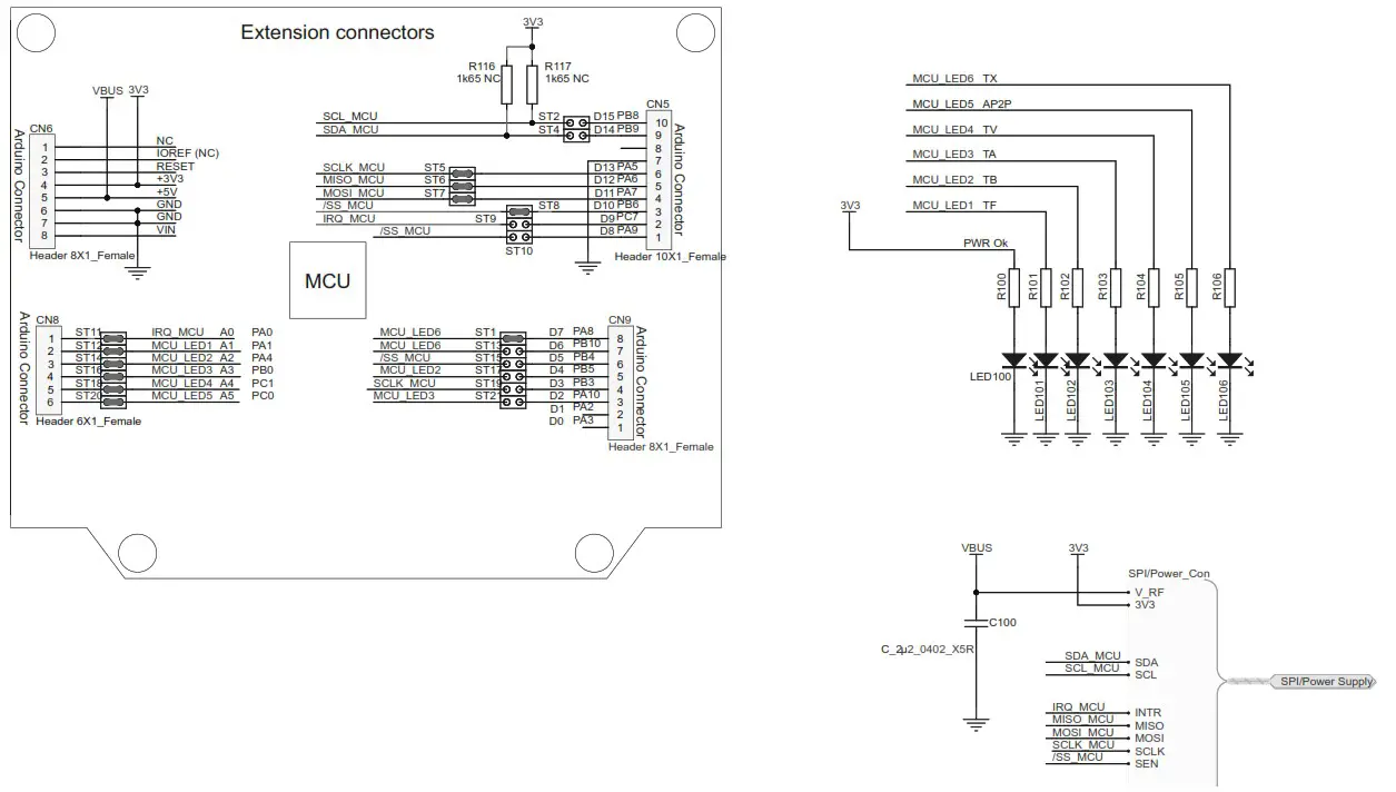
The ST25R3916B IC module and the STM32 Nucleo board are connected through CN5, CN6, CN8 and CN9 connectors (see the tables below).
Table 1. Interconnections between the X-NUCLEO-NFC08A1 expansion board and the NUCLEO-L476RG board (left side)
| Signal | Connector | Pin number | NUCLEO-L476RG | X-NUCLEO-NFC08A1 |
| NC | CN6 Power | 1 | – | – |
| IOREF | 2 | – | (NC) | |
| RESET | 3 | – | – | |
| 3V3 | 4 | – | 3V3 (VDD_IO) | |
| 5V | 5 | – | 5V (VDD) | |
| GND | 6 | – | GND | |
| GND | 7 | – | GND | |
| VIN | 8 | – | – | |
| AO | CN8 Power | 1 | PAO | IRQ_MCU |
| Al | 2 | PA1 | MCU_LED1 | |
| A2 | 3 | PM | MCU_LED2 | |
| A3 | 4 | PBO | MCU_LED3 | |
| A4 | 5 | PC1 | MCU_LED4 | |
| A5 | 6 | PCO | MCU_LED5 |
Table 2. Interconnections between the X-NUCLEO-NFC08A1 expansion board and the NUCLEO-L476RG board (right side)
| Signal | Connector | Pin number | NUCLEO-L476RG | X-NUCLEO-NFC08A1 |
| D15 | CN5 Digital | 10 | PB8 | SCL MCU |
| D14 | 9 | PB9 | SDA MCU | |
| AVDD | 8 | AVDD | NC | |
| GND | 7 | GND | GND | |
| D13 | 6 | PM | SCLK_MCU | |
| D12 | 5 | PA6 | MISO_MCU | |
| D11 | 4 | PA7 | MOSI_MCU | |
| D10 | 3 | PB6 | /SS_MCU | |
| D9 | 2 | PC7 | IRQ_MCU (aR.) | |
| D8 | 1 | PM | /SS_MCU (aft.) | |
| D7 | CN9 Digital | 8 | PM | MCU_LED6 |
| D6 | 7 | PB10 | MCU_LED6 (aft.) | |
| D5 | 6 | PB4 | /SS_MCU (att.) | |
| D4 | 5 | PB5 | MCU_LED2 (aft.) | |
| D3 | 4 | PB3 | SCLK_MCU (alt.) | |
| D2 | 3 | PA10 | MCU_LED3 (aft.) |
| Signal | Connector | Pin number | NUCLEO-L476RG | X-NUCLEO-NFC08A1 |
| D1 | CN9 Digital | 2 | PA2 | NC |
| D0 | 1 | PA3 | NC |
Host interface and GPIO connection
The X-NUCLEO-NFC08A1 expansion board contains the ST25R3916-AQFT chip and is powered by the STM32 Nucleo board.
The ST25R3916B is driven by the microcontroller via SPI interface.
The six LEDs indicate the detected RFID technology (for example, ISO14443 Type A for LED4).
X-NUCLEO-NFC08A1 expansion board component placement
Figure 2. X-NUCLEO-NFC08A1 component placement

- General-purpose LEDs
- ST25R3916B
- Matching circuit
- 47×34 mm four-turn antenna
ST25R3916B device
The ST25R3916B is a high-performance NFC universal device supporting NFC initiator, NFC target, NFC reader, and NFC card emulation modes.
The ST25R3916B includes an advanced analog front end (AFE) and a highly integrated data framing system for:
- ISO 18092 passive and active initiator, ISO18092 passive and active target
- NFC-A/B (ISO 14443A/B) reader including higher bit rates
- NFC-F (FelicaTM) reader · NFC-V (ISO 15693) reader up to 53 kbps
- NFC-A and NFC-F card emulation Special stream and transparent modes of the AFE and framing system can be used to implement other custom protocols such as MIFARE® classic in reader or card emulation mode.
Schematic diagrams
Figure 3. X-NUCLEO-NFC08A1 circuit schematic (1 of 3)

Figure 4. X-NUCLEO-NFC08A1 circuit schematic (2 of 3)

Figure 5. X-NUCLEO-NFC08A1 circuit schematic (3 of 3)

Bill of materials
Table 3. X-NUCLEO-NFC08A1 bill of materials
| Item | Q.ty | Ref. | Part/Value | Description | Manufacturer | Order code |
| 1 | 9 | AAT A, AAT_B, CSI, TP200, TP201, TP202, TP203, TP204 | Test points | Any | Any | |
| 2 | 6 | C100, C203, C207, C210, C212, C216 | 2p2 X5R 0402 6.3 V ±20% | Capacitors | MURATA | GRM155R60J225ME15D |
| 3 | 1 | C200 | 1 p X5R 0402 25 V ±10% | Capacitors | MURATA | GRM155R61C105KAl2D |
| 4 | 8 | C201, C202, C204, C206, C208, C209, C211, C215 | 10 n x7R 0402 25 V ±10% | Capacitors | AVX | 04023C103KAT2A |
| 5 | 1 | C205 | 4p7 X5R 0402 6.3 V ±10% | Capacitors | TDK | C1005X5R0J475K050BC |
| 6 | 4 | C213, C214, C301, C312 | 10 p COG 0603 50 V ±1% | Capacitors | MULTICOMP | MC0603N100F500CT |
| 7 | 1 | C217 | 10 n X7R NC 0402 25 V ±10% | Ca pacitors | AVX | 04023C103KAT2A NOT FITTED |
| 8 | 1 | C218 | 2 p2 X5R NC 0402 6.3 V ±20% | Capacitors | MURATA | GRM155R60J225ME15D NOT FITTED |
| 9 | 2 | C300, C313 | 180 p COG 0603 50 V±1% | Capacitors | MURATA | GRM1885C1H181GAO1D |
| 10 | 3 | C302, C311, C314 | CSP_06_06 | Capacitors | muRata | LXRWOYV600-054 |
| 11 | 2 | C304, C307 | CSP 06 07 | muRata | LXRWOYV600-054 | |
| 12 | 2 | C303, C310 | 100 p COG 0603 50 V t1% | Capacitors | MURATA | GRM1885C1H101FAO1D |
| 13 | 2 | C303, C310 | 680 p COG 0603 ±2% | Capacitors | MURATA | GRM1885C1H681GAO1D |
| 14 | 2 | C306, C309 | 56 p COG 0603 | Capacitors | MURATA | GRM1885C1H560 FAO1D |
| 15 | 2 | C315, C316 | 82 p COG 0603 | Capacitors | MURATA | GRM1885C1H820 FAO1D |
| 16 | 1 | C317 | 47 p COG NC 0603 | Capacitors | MURATA | GRM1885C1H470FAO1D |
| 17 | 1 | CN5 | Single row, female | 10-pin header | Samtec | SSQ-110-03-L-S |
| 18 | 2 | CN6, CN9 | Single row, female | 8-pin header | Samtec | SSQ-108-03-L-S |
| 19 | 1 | CN8 | Single row, female | 6-pin header | Samtec | SSQ-106-03-L-S |
| 20 | 1 | 300 | SOT323 | Dual surface mount switching diode | . Diodes Inc | BAV70W-7-F |
| 21 | 1 | J300 | Male single row horizontal 2 pin_NC | Jumper | Any | Any |
| 22 | 2 | L300, L301 | D 0603 5LQW18CNR27J00 550 mA | Multi-layer ferrite | TDK | MLJ1608WR27JT000 |
| 23 | 1 | LED100 | 603 | Green LED | Lite-On | LTST-C190KGKT |
| 24 | 6 | LED101, LED102, LED103, LED104, LED105, LED106 | 603 | Blue LED | Lite-On | LTST-C190TBKT |
| 25 | 4 | P200, P201, P202, P203 | U.FL-R-SMT-1 (not fitted) | Co-axial connectors | HIROSE(HRS) | U.FL-R-SMT-1(10) |
| 26 | 1 | Q300 | NX3008NBK SOT23 | NCh MOSFET | NEXPERIA | NX3008NBK |
| 27 | 1 | R100 | 680 R, 0402 100 V 1/16 A ±5% | Resistors | Yageo | RC0402JR-07680RL |
| 28 | 6 | R101, R102, R103, R104, R105, R106 | 1k, 0402 | Resistors | Panasonic | ERJ2GEJ102X |
| 29 | 2 | R116, R117 | 1 k65, 0402 (not fitted) | Resistors | MULTICOMP | MC00625W040211K65 |
| 30 | 2 | R200, R202 | 50 R, 0402 50 V | Resistors | MULTICOMP | MCMR04X49R9FTL |
| 31 | 1 | R204 | 0 R, 0402 (not fitted) | Resistors | MULTICOMP | MC00625W040210R |
| 32 | 1 | R205 | 0 R, 0402 | Resistors | MULTICOMP | MC00625W040210R |
| 33 | 2 | R300, R302 | 2 R4, 0603 | Resistors | Any | Any |
| 34 | 1 | R301 | 100 R 0402 | Resistors | ANY | Any |
| 35 | 1 | R303 | 47 K 0402 | Resistors | ANY | Any |
| 36 | 1 | R304 | 0 R, 0603 | Resistors | Any | Any |
| 37 | 11 | ST1, ST5, ST6, ST7, ST8, ST11, ST12, ST14, ST16, ST18, ST20 | CONN HE14 2PTS male vertical (not fitted) | Connectors | Any | Any |
| 38 | 9 | ST2, ST4, ST9, ST10, ST13, ST15, ST17, ST19, ST21 | CONN HE14 2PTS male vertical (not fitted) | Connectors | Any | Any |
| 39 | 1 | U200 | ST25R3916B AQWTRTUB | High performance NFC universal device and EMVCo reader | ST | ST25R3916B |
| 40 | 1 | Y200 | NDK NX2016SA 27.12 MHz | Crystal | MURATA | NX2016SA STD-CZS-5 |
Federal Communications Commission (FCC) and Innovation, Science and Economic Development Canada (IC) compliance
FCC Compliance Statement
Part 15.19
This device complies with Part 15 of the FCC Rules. Operation is subject to the following two conditions: (1) this device may not cause harmful interference, and (2) this device must accept any interference received, including interference that may cause undesired operation.
Part 15.21
Any changes or modifications to this equipment not expressly approved by STMicroelectronics may cause harmful interference and void the user’s authority to operate this equipment.
Part 15.105
This equipment has been tested and found to comply with the limits for a Class B digital device, pursuant to part 15 of the FCC Rules. These limits are designed to provide reasonable protection against harmful interference in a residential installation. This equipment generates, uses and can radiate radio frequency energy and, if not installed and used in accordance with the instructions, may cause harmful interference to radio communications. However, there is no guarantee that interference will not occur in a particular installation. If this equipment does cause harmful interference to radio or television reception, which can be determined by turning the equipment off and on, the user is encouraged to try to correct the interference by one or more of the following measures:
- Reorient or relocate the receiving antenna.
- Increase the separation between the equipment and receiver.
- Connect the equipment into an outlet on a circuit different from that to which the receiver is connected.
- Consult the dealer or an experienced radio/TV technician for help.
FCC ID
FCC ID: YCPNFC08A1
Formal notices required by Innovation, Science and Economic Development Canada (“IC”)
Compliance Statement
This device complies with Innovation, Science and Economic Development Canada’s license-exempt RSS standard(s). Operation is subject to the following two conditions: (1) this device may not cause interference, and (2) this device must accept any interference, including interference that may cause undesired operation.
Compliance declaration
This device contains license-exempt transmitter(s)/receiver(s) that comply with Innovation, Science and Economic Development Canada’s license-exempt RSS(s). Operation is subject to the following two conditions: (1) This device may not cause interference. (2) This device must accept any interference, including interference that may cause undesired operation of the device.
IC ID
IC ID: 8967A-NFC08A1
Note: The grantee is not responsible for any changes or modifications not expressly approved by the party responsible for compliance. Such modifications could void the user’s authority to operate the equipment.
Revision history
Table 4. Document revision history
| Date | Revision | Changes |
| 21-Apr-22 | 1 | Initial release. |
IMPORTANT NOTICE – READ CAREFULLY
STMicroelectronics NV and its subsidiaries (“ST”) reserve the right to make changes, corrections, enhancements, modifications, and improvements to ST products and/or to this document at any time without notice. Purchasers should obtain the latest relevant information on ST products before placing orders. ST products are sold pursuant to ST’s terms and conditions of sale in place at the time of order acknowledgment.
Purchasers are solely responsible for the choice, selection, and use of ST products and ST assumes no liability for application assistance or the design of purchasers’ products.
No license, express or implied, to any intellectual property right is granted by ST herein.
Resale of ST products with provisions different from the information set forth herein shall void any warranty granted by ST for such product.
ST and the ST logo are trademarks of ST. For additional information about ST trademarks, refer to www.st.com/trademarks. All other product or service names are the property of their respective owners.
Information in this document supersedes and replaces information previously supplied in any prior versions of this document.
© 2022 STMicroelectronics – All rights reserved
References
STMicroelectronics: Our technology starts with you
STM32 Nucleo Boards - STMicroelectronics
STMicroelectronics Trademark List - STMicroelectronics
NUCLEO-L476RG - STM32 Nucleo-64 development board with STM32L476RG MCU, supports Arduino and ST morpho connectivity - STMicroelectronics
STM32L476RG - Ultra-low-power with FPU Arm Cortex-M4 MCU 80 MHz with 1 Mbyte of Flash memory, LCD, USB OTG, DFSDM - STMicroelectronics
STM32Cube - Discover the STM32Cube Ecosystem - STMicroelectronics
STM32 Nucleo Boards - STMicroelectronics

















