STid SE8M 125 KHz Tag Reader Instruction Manual
Connection
- J6: Antenna connector
- J7: Keypad connector
- J9: Biometric connector
- J14: Display connector
- J2: O/C contact
- J4: Output Connector / J15: Output cable

| J4 | Type | ||
| Wiegand | Clock & Data | RS485 | |
| 1 | 0 Vdc | ||
| 2 | +Vcc (+7 Vdc to +28 Vdc) | ||
| 3 | D0 | Code | NC NC |
| 4 | D1 | Data | NC NC |
| 5 | Clock | Clock | NC NC |
| 6 | NC | NC | L+L+ |
| 7 | NC | NC | L-L |
| 8 | Led 1 | ||
| 9 | Led 2 | ||
| 10 | Buzzer / Timbre | ||

| J15 | Type | |||||
| Wiegand | Clock & Data | RS485 | ||||
| 1 | Dark blue | SW2 | ||||
| 2 | Pink | SW1 | ||||
| 3 | Orange | Led 2 | ||||
| 4 | White | Buzzer | ||||
| 5 | Yellow | Clock | Clock | NC | ||
| 6 | Red | +Vcc (+7 Vdc to +28 Vdc) | ||||
| 7 | Blue | D1 | Data | NC | ||
| 8 | Grey | D0 | Code | NC | ||
| 9 | Green | Led 1 | ||||
| 10 | White Brown | NC | NC | L+ | ||
| 11 | White purple | NC | NC | L | ||
| 12 | Brown | 0 Vdc | ||||
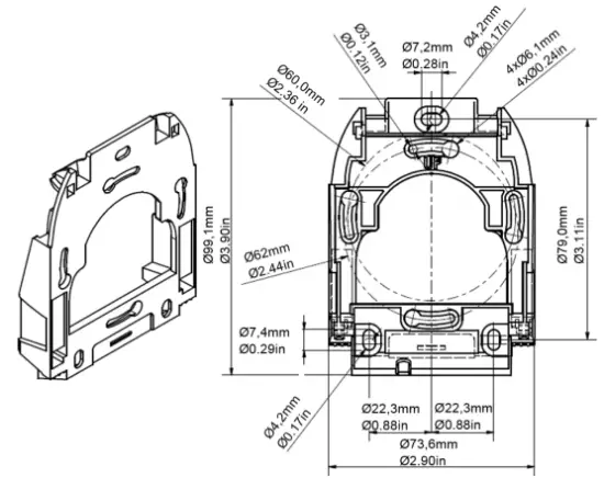
Smart mounting plate dimensions

General tolerance following ISO NFT 58-000 standard
Mounting

- Pass the cables through the hole in the base.
- Screw the base in its final location.
- Connect the reader.
- Test the readings and communication.
- Place the reader on the base (clip the top part and then pivot it down).
- Lock the reader with the two screws provided using the specific tool
Bus architecture (RS485)
RT: 120 Ω end-of-line resistor supplied.

Power supply characteristics
Use an AC/DC power supply type LPS, Limited Power Source (as per IEC/UL/EN 60950-1 Ed2) or type ES1, PS1 (according to IEC/UL/EN 62368-1) for the main supply.
Main power supply:
Range: +7 Vdc to +28 Vdc
Typical: 12 Vdc
Max. consumption at 12 Vdc:
| ARCS-A/BT1: | 150 mA |
| ARCS-F/BT1 | 370 mA |
| ARCS-K/BT2: | 250 mA |
| ARCS-B/BT1 | 180 mA |
| ARCS-I/BT2 | 180 mA |
| ARCS-KM/BT2: | 260 mA |
| ARCS-C/BT1 | 220 mA |
| ARCS-IM/BT2 | 190 mA |
| ARCS-AQ/BT | 260 mA |
| ARCS-D/BT1 | 300 mA |
| ARCS-J/BT2: | 210 mA |
| ARCS-BQ/BT1 | 300 mA |
| ARCS-E/BT1 | 330 mA |
| ARCS-JM/BT2 | 220 mA |
| ARCS-CQ/BT1: | 340 mA |
Recommended cables
- Screw terminal output: RS485: Wiegand / Clock & Data
- Cable output (cable supplied): TRANXALARM – 14×0.22mm2
Use a multi-conductor shielded twisted pair cable. Max. length: 3281 ft at 9600 baud
Use an untwisted shielded multi-conductor. For data:
2 wires AWG24 – 98 ft max / 4 wires AWG24 – 197 ft max / 6 wires AWG24 – 328 ft max
2 wires AWG20 – 164 ft max / 4 wires AWG20 – 328 ft max
lg 3.05m
Anti-tearing
Tearing is detected by an accelerometer.
Caution: switch on the reader when it is in its final position to initialize the accelerometer in the correct position.
Bell
Touch screen read-only reader: if the bell is activated, contact J2 is used to connect the external ring (max. 200 mA at 28 Vdc).
UHF default configuration settings
Reader powered off. The default reader settings can be stored in internal memory accessible by UHF RFID technology. They will be taken into account when the reader is powered on.
Read-only reader configuration
R and S readers are configurable with SCB RFID / virtual configuration card
OSDPTM readers are configurable with OCB RFID / virtual configuration card or with FileTransfer command
- If the SCB/OCB is compatible with the reader’s firmware, the LED lights green and the buzzer beeps five times.
- If the SCB/OCB is not compatible with the reader’s firmware, the LED lights red and the buzzer is activated for 1 s.
- If the SCB/OCB key is different from the reader’s key: no reaction.
Caution: set your reader with your own company key.
Powering-up the readers
On power-up, the reader enters an initialization phase:
- Activation of the white LED and buzzer for 100 ms.
For read-only & OSDPTM readers: - Activation of the LED, according to the color code: Red = +10, Orange = +5, Green = +1, indicating the firmware version.
- For serial R/S reader only: the orange LED flashes 20 times: waiting for an update.
- For Bluetooth® reader only: Activation of white fixed LED during Bluetooth® initialization.
- Activation of the default LED (read-only: flashes blue, OSDPTM: off; if no customer specific configuration).
- For the ARC screen with an activated keypad, the default mode is: display the picture on standby and activate the keyboard by pressing the screen.
Precautions for the biometric sensor and keypad
- For optimal operation, the biometric sensor must be free of all traces of water. Outdoors it is recommended to install the reader under cover.
- The keypad is sensitive. Take off your gloves to enter your code.
Caution for Bluetooth® reader
Caution: at the reader Bluetooth® (BT1/BT2) powering, make sure that nothing is in an area of at least 10 cm / 3.94 in. around the reader (ex. No hand in front of the reader…).
Precautions for installation
- The supply voltage at the reader’s connector should be between +7 Vdc and +28 Vdc.
- As far as possible, keep the reader away from computer or power source cables. They can generate electrical interference, depending on their radiation level and the proximity of the reader.
- Recommended distance between two readers: parallel plane: 15.8 in – same plane: 15.8 in – perpendicular plane: 11.8 in.
- Recommended distance between two Bluetooth® readers: 2 meters / 78.74 inch either plan.
- Place the reader at a height of less than 2 meters / 78.74 inch (standard UL/IEC 62368).
- If the reader is fixed on a metal surface, it is possible to have a reduction in the reading distance.
- Use a ferrite (two-way) for the cable (power supply and data). Example: reference 74271222 WURTH ELEKTRONIK.
- For ARCS screw terminal output reader, connect the 2.2 µF capa (provided) between +12V and GND directly to the output of the connector (no polarization).
- By design, the reader can be installed indoors and outdoors.
- BEFORE powering on, connect the wires or the connector of the reader. Before disconnecting the wires or the connector of the reader, power off.
- Operating temperature:
Temperature -22 °F to 158 °F -30°C to +70°C 22 °F to 140 °F -30°C to +60°C -4 °F to 158 °F -20°C to +70°C 4 °F to 140 °F -20°C to +60°C 14 °F to 122 °F -10°C to +50°C Readers A, B, IM, JM AQ, BQ C, I, J, K, KM CQ D, E, F
Declaration of compliance
STid declares that the ARCS-X reader is compliant to the essential requirements of the Directives RED 2014/53/EU, RoHS 2011/65/EU and Delegated directive. A copy of our declaration is available on request from [email protected].

This device complies with part 15 of the FCC Rules and with Industry Canada licence-exempt RSS standard(s). Operation is subject to the following two conditions:
- This device may not cause harmful interference, and
- This device must accept any interference received, including interference that may cause undesired operation
NOTE: The grantee is not responsible for any changes or modifications not expressly approved by the party responsible for compliance. Such modifications could void the user’s authority to operate the equipment.
This device complies with the safety requirements for RF exposure in accordance with RSS-102 issue 5 for conditions of use and with §1.1307(b), 2.1091 and 2.1093 of the FCC rules Title 47 CFR Ch. I.
The maximum magnetic field level of the device is:
- 13 dBµA/m (at 10 meters) for 13.56 MHz frequency.
- 25 dBµA/m (at 3 meters) for 125 kHz frequency for ARCS-I/ J/ K/BT2 readers (SE8 module).
- 9 dBµA/m (at 10 meters) for 125 kHz frequency for ARC-IM/ JM/ KM/ BT2 readers (SE8M module)
- 4 dBm for 2.4 GHz frequency
Download the complete installation instructions


















