STid ARCS-A 13.56 MHz DESFire EV2 and EV3 Standard Reader

References
ARCSX/BT1 X:
A: Standard
B: Keypad
C: Touch screen
D: Standard + Biometrics
E: Keypad + Biometrics
F: Touch screen + Biometrics
AQ: Standard + QR Code
BQ: Keypad + QR Code
CQ: Touch Screen + QR Code
ARCS- X: X/BT2
I: Standard + 125 kHz module
J: Keypad + 125 kHz module
K: Touch screen + 125 kHz module

Power supply characteristics
Use an AC/DC power supply type LPS, Limited Power Source (as per IEC/UL/EN 60950-1 Ed2) or type ES1, PS1 (according to IEC/UL/EN 62368-1) for the main supply.
Main power supply: Range: +7 Vdc to +28 Vdc Typical: 12 Vdc
Max. consumption at 12 Vdc:
ARCS-A/BT1: 150 mA ARCS-B/BT1: 180 mA ARCS-C/BT1: 220 mA ARCS-D/BT1: 300 mA ARCS-E/BT1: 330 mA
ARCS-F/BT1: 370 mA ARCS-I/BT2: 180 mA ARCS-J/BT2: 210 mA ARCS-K/BT2: 250 mA ARCS-AQ/BT1: 260 mA
ARCS-BQ/BT1: 300 mA ARCS-CQ/BT1: 340 mA
Characteristics
Communication: RS485 (L+ & L-) / TTL (Wiegand / Clock and Data)
Connection: Removable connectors 1×10 pins and 1×2 pins, thread 0.19685 inch OR cable.
Protection: IP65, excluding connectors
Static relay: ASSR-1218-003E: 60 V output withstand voltage / 0.2A current rating / low on-resistance 1 Ω typical for AC/DC
Recommended cables
Screw terminal output: RS485: Use a multi-conductor shielded twisted pair cable. Max. length: 3281 ft at 9600 baud
Wiegand / Clock & Data: Use an untwisted shielded multi-conductor. For data:
2 wires AWG24 – 98 ft max / 4 wires AWG24 – 197 ft max / 6 wires AWG24 – 328 ft max
2 wires AWG20 – 164 ft max / 4 wires AWG20 – 328 ft max
Cable output (cable supplied): TRANXALARM – 14×0.22mm2 – lg 3,05m.
Buzzer / LED
The operating mode for the Buzzer and LED 1 and 2 can be programmed by a configuration card (R3x & S3x) or controlled by the remote system with a 0 Vdc respectively on the “Led 1”, “Led 2” and “Buzzer” inputs of the reader’s connector or controlled by the communication protocol of the reader (W3x).
Anti-tearing
Tearing is detected by an accelerometer. When the reader is wrenched, the switch output (connector J2) provides an O/C contact to indicate the tearing of reader.
- for R/S 31/x1: the wrenching signal will be emitted on the “Data/Data1” line. This function is configurable via a configuration card.
- for R/S 33/x3 and OSDP TM: the reader will perform the operations configured with the configuration card.
- for W33/x3: the reader will perform the operations configured with the SSCP protocol.
Caution: switch on the reader when it is in its final position to initialize the accelerometer in the correct position.
Relay
Read-only reader: automatic tamper management (except touch screen) or activated on the reading of a valid identifier Touch screen read-only reader: if the bell is activated, contact J2 is used to connect the external ring (max. 200 mA at 28 Vdc).
Read/Write & OSDP™ readers: the relay is controlled by the SSCP/OSDPTM protocol commands.
UHF default configuration settings
Reader powered off. The defaults reader settings can be stored in internal memory accessible by UHF RFID technology. They will be taken into account when the reader is powered on.
Read-only reader configuration
R and S readers are configurable with the SCB configuration card and OSDPTM readers are configurable with OCB configuration card created with SECard:
- If the SCB/OCB is compatible with the reader’s firmware, the LED lights green and the buzzer beeps five times.
- If the SCB/OCB is not compatible with the reader’s firmware, the LED lights red and the buzzer is activated for 1s.
- If the SCB/OCB key is different from the reader’s key: no reaction.
Caution: set your reader with your own company key.
Powering-up the readers
On power-up, the reader enters an initialization phase:
- Activation of the white LED and buzzer for 100 ms.
For read-only & OSDPTM readers: - Activation of the LED, according to the color code: Red = +10, Orange = +5, Green = +1, indicating the firmware version.
- For serial R/S ARC only: the orange LED flashes 20 times: waiting for an update.
- Activation of white fixed LED during Bluetooth® initialization.
- Activation of the default LED (read-only: flashes blue, OSDPTM: off; if no customer specific configuration).
- ARC Screen: display of the default image and keypad activation by touching the screen.
For the ARC screen with an activated keypad, the default mode is: display the picture on standby and activate the keyboard by pressing the screen.
Precautions for the biometric sensor and keypad
For optimal operation, the biometric sensor must be free of all traces of water. Outdoors it is recommended to install the reader under cover. The keypad is sensitive. Take off your gloves to enter your code.
Caution for Bluetooth® reader
Caution: at the reader Bluetooth® (BT1/BT2) powering, make sure that nothing is in an area of at least 10 cm / 3.94 in. around the reader (ex. No hand in front of the reader…).
Precautions for installation
- The supply voltage at the reader’s connector should be between +7 Vdc and +28 Vdc.
- As far as possible, keep the reader away from computer or power source cables. They can generate electrical interference, depending on their radiation level and the proximity of the reader.
- Recommended distance between two readers: parallel plane: 15.8 in – same plane: 15.8 in – perpendicular plane: 11.8 in.
- Recommended distance between two readers with Blue activated: 2 meters either plan.
- Readers installed on a metal surface may have reduced performances.
- Use a ferrite (two-way) for the cable (power supply and data). Example: reference 74271222 WURTH ELEKTRONIK.
- For ARCS screw terminal output reader, connect the 2.2 µF capa (provided) between +12V and GND directly to the output of the connector (no polarization).
- By design, the reader can be installed indoors and outdoors.
- Disconnect/connect the wires or the connector of the reader before powering on.
- Operating temperature:
Temperature
-22 °F to 158 °F
-30°C to +70°C-22 °F to 140 °F
-30°C to +60°C-4 °F to 158 °F
-20°C to +70°C-4 °F to 140 °F
-20°C to +60°C14 °F to 122 °F
-10°C to +50°CReaders A, B AQ, BQ C, I, J, K CQ D, E, F
TTL pull-ups
For data signals, 10kΩ pull-up resistors are connected internally to Vin (power supply voltage) for optimal wiring distances.
RS232 / RS485 communication
| Available Baud rate | 9600, 19200, 38400, 57600, 115200 bauds |
| Factory Baud rate | ARC R & S: 9600; ARC W: 38400 (SSCP), 9600 (OSDPTM) |
| Mode | Asynchronous |
| Number of bits | 8 |
| Transfer mode | LSB first |
| Stop bit | 1 |
| RS485 | Default broadcast address 00h |
| More details about reader communication are available in the protocol specification |
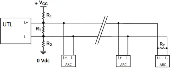
Bus architecture (RS485)
Wiring resistors R1 and R2 use extended features of the RS485 bus: FAILSAFE (see RS485-AN-960).
R1 & R2: 1.5 kΩ resistor supplied.
RT: 120 Ω end-of-line resistor supplied

Smart mounting plate dimensions

General tolerance following ISO NFT 58-000 standard.
Scalability

Scalability is a specific feature of the Architect® Blue series. Each reader is composed of three parts: one switchable cover, one RFID core and one smart mounting plate. You can upgrade functionalities and security levels by switching the cover and/or adding a biometric module.
Dimensions

Steps to remove the core from the front cover

Procedure to install the core into the front part

Procedure to change the front part

Mounting
![]() |
|
Procedure to add the biometric (SE6) or 125 kHz module (SE8 ) or QR Code module (SE9)
| STid guarantees the good working order, compliance, technical support and after-sales service of the readers and modules (SE6, SE8 and SE9) that are installed as explained below, without any internal or external modifications. |
|
(2) To pass the module cable into the support, cut out the preformed part of the support. |

Option: Reinforcement plate to rigidify the assembly:Standard/keyboard reader + module SE6v2: Réf. SE7-ARC-DE-02. Touch screen reader + module SE6v2: Réf. SE7-ARC-F-02. Standard/keyboard reader + module SE9: Ref. TOLE-ARC-AQ-BQ-01. Touch screen reader + module SE9: Ref. TOLE-ARC-CQ-01. |
SE8
SE8 compatible with: HID Prox / EM4x02 / EM4x50 / Nedap.
SE9
Minimum reading distance depending on the size of the QR Code
| ||||||||||||||||||||||||||||
| Code format read: – QR Code – Aztec – Data Matrix – Code 128 |
STid declares that the ARCS-X reader is compliant with the essential requirements of the Directives RED 2014/53/EU and RoHs 2011/65/EU. A copy of our declaration is available on request from [email protected].

This device complies with Part 15 of the FCC rules and with ISED’s license–exempt RSSs. Operation is subject to the following two conditions:
- This device may not cause harmful interference, and
- This device must accept any interference received, including interference that may cause undesired operation.
Note: the manufacturer is not responsible for any radio or TV interference caused by unauthorized modifications to this equipment. Such modifications could void the user’s authority to operate the equipment.
This device complies with the safety requirements for RF exposure in accordance with RSS-102 issue 5 for conditions of use and with §1.1307(b),
2.1091 and 2.1093 of the FCC rules Title 47 CFR Ch. I.
This device contains licence-exempt transmitter(s)/receiver(s) that comply with Innovation, Science and Economic Development Canada’s licenceexempt RSS(s). Operation is subject to the following two conditions:
- This device may not cause interference.
- This device must accept any interference, including interference that may cause undesired operation of the device.
This device complies with the safety requirements for RF exposure in accordance with RSS-102 issue 5 for potable use conditions. “DEEE Pro” Member
![]() | In response to the regulation, STid finances the Récylum recycling program dedicated to DEEE Pro. Electrical lighting equipment, control and monitoring devices, and used medical devices are recycled free of charge. More information at www.recylum.com. |
Product references

ARCS-G/BT1
Characteristics
Communication: USB
Cable output: USB 2.0 cable – Length 1.50m – Connector type A – chip FTDI
Driver installation
If the reader is shipped outside of the STid Software Kit:
– Please, click on this url: http://www.ftdichip.com/FTDrivers.htm
– Download the VCP driver according your operating system.
– Connect the reader to the computer with the USB wire furnished.
– Waiting few seconds that the PC recognizes the USB port.
– Launch the installation.
Buzzer / LED
The operating mode for the Buzzer and LED 1 and 2 can be programmed by a configuration card (R3x & S3x) or controlled by the communication protocol of the reader (W3x)
Read-only reader configuration
R and S readers are configurable with the SCB configuration card or virtual configuration card created with SECard.
- If the SCB is compatible with the reader’s firmware, the LED lights green and the buzzer beeps five times.
- If the SCB is not compatible with the reader’s firmware, the LED lights red and the buzzer is activated for 1s.
Caution: set your reader with your own company key.
Powering-up the readers
On power-up, the reader enters an initialization phase:
7. Activation of the white LED and buzzer for 100 ms.
For read-only readers:
8. Activation of the LED, according to the color code: Red = +10, Orange = +5, Green = +1, indicating the firmware version.
9. For serial R/S reader only: the orange LED flashes 20 times: waiting for an update.
10. For ARCS Blue only: Activating white fixed LED during Bluetooth initialization.
11. Activation of the default LED (flashes blue if no customer specific configuration).
Default parameters configuration
Reader power off, the default reader settings can be stored in internal memory accessible by UHF RFID technology. They will be taken into account when reader is power on.
Caution for Bluetooth reader
Caution: at the reader Bluetooth (BT1) powering, make sure that nothing is in an area of at least 10 cm / 3.94 in around the reader (ex. No hand in front of the reader…).
Communication
More details about reader communication are available in SECard User Manual for read only readers or in the protocol specification SSCP for read/write readers.
Precautions for installation
- As far as possible, keep the reader away from computer or power source cables. They can generate electrical interference, depending on their radiation level and the proximity of the reader.
- Recommended distance between two readers: parallel plane: 15.8 in; same plane: 15.8 in; perpendicular plane: 11.8 in// two Blue readers: 6.56 ft either plan.
- Readers installed on a metal surface may have reduced performances.
- Operating temperature: -4 °F to 158 °F / -20°C to +70°C.
Dimensions

General tolerance following ISO NFT 58-000 standard.
Declaration of compliance
STid declares that the ARC-X reader is compliant to the essential requirements of the Directives RED 2014/53/EU and Rohs 2011/65/EU. A copy of our declaration is available on request from [email protected].

This device complies with Part 15 of the FCC rules and with ISED’s license exempt RSSs. Operation is subject to the following two conditions:
1) This device may not cause harmful interference, and
2) This device must accept any interference received, including interference that may cause undesired operation.
Note: the manufacturer is not responsible for any radio or TV interference caused by unauthorized modifications to this equipment. Such modifications could void the user’s authority to operate the equipment.
This device complies with the safety requirements for RF exposure in accordance with RSS-102 issue 5 for conditions of use and with §1.1307(b),
2.1091 and 2.1093 of the FCC rules Title 47 CFR Ch. I.

STid reserves the right to make change without notice, for the purpose of product improvement.

(2) To pass the module cable into the support, cut out the preformed part of the support.
Option:


















