CORSTON Two-Way Dimmer Module

Isolate the power supply at the consumer unit circuit breaker. Verify that the power is off. These products must be installed in accordance with the latest building regulations. If in any doubt, please contact a qualified electrician.
Installation
The dimmer has trailing edge and leading edge modes which treat the bulbs in the best way to ensure long life. It auto-senses which mode is best, but also can be easily programmed. After installation, the minimum brightness of the lights should be programmed to avoid any LED flickering.
Features
- Suitable for One-Way or Two-Way dimming and switching with Two-Way or intermediate switches
- Minimum load down to 5W of capacitive or resistive load, incl. dimmable LED and incandescent lighting
- 10-400W incandescent lighting, 5-150W LED lighting
- The minimum brightness level can be programmed
- Built-in thermal cut-off and short circuit protection
- Trailing and leading-edge operation
- The soft-start operation to extend bulb life
- Complies with IEC EN60669
Warning & Installation information
Electric shock hazard. Hazardous voltage is may be present at the output of the dimmer despite setting the dimmer to zero brightness level. Look out and tag the input circuit before accessing the wiring connections. Failure to follow this warning can result in death or serious injury.
- The dimmer should be protected by a 6A or up to 16A maximum circuit breaker.
- The dimmer must always be connected to the live side of the load.
- Two or more dimmers must not be connected in parallel or series to control the same load from two different locations.
- When connected with steel-core transformers, only Leading Edge mode (LE) should be used. TE mode cannot be used in this case
- Multiple compatible loads can be used as long as the total lamp wattage does not exceed the maximum load rating of the dimmer.
Some lamps may exhibit unexpected performance characteristics when cold. Dimming performance should improve after the lamp warms up. Or in case of lamp appears unstable status, it could be changed between TE and LE.
Setting the Minimum Brightness
This is important to prevent LED bulbs from flickering at very low levels. Perform each step precisely, within 15 seconds of the previous step:
- Lamp in the OFF state. Turn to maximum on position and turn ON
- While ON, turn to minimum position and turn OFF
- Turn ON at minimum position
- Whilst ON, turn to the maximum position and push OFF then ON
- The light will flash one time to signify programming mode
- Set the lights to the lowest level just above the point where they flicker
- Push OFF then ON. The setting is saved
Isolate the power supply at the consumer unit circuit breaker. Verify that the power is off. These products must be installed in accordance with the latest building regulations. If in any doubt, please contact a qualified electrician.
Mode Setting
The dimmer can operate in Trailing Edge (TE) and Leading edge (LE) modes. Most bulbs are best driven by TE mode, but some Halogen bulbs with iron transformers prefer LE mode. The dimmer default mode is TE auto mode where is detects the best method and changes automatically. The modes can be set manually.
- The lamp is OFF and in a minimum position. Wait 5 seconds turn ON
- Whilst ON, turn to the maximum position and push OFF then ON
- Whilst ON, turn to minimum position, Push OFF then ON again
- The lamp will flash 4 times to show the setting mode
- To set TE auto mode. Turn to minimum position and push OFF then ON. Flash one-time confirms To set TE mode. Turn to the mid position and push OFF then ON.
- Flash two times confirms
- To set LE mode. Turn to Maximum position and push OFF then ON. Flash three times confirms
Isolate the power supply at the consumer unit circuit breaker. Verify that the power is off. These products must be installed in accordance with the latest building regulations. If in any doubt, please contact a qualified electrician.
Multi-Gang Derating
For applications where dimmers are multi-ganged, derate the maximum load rating of the unit according to the derating tables below:
| Dimmers | Max Load per Dimmer |
| x1 | 400W |
| x2 | 330W |
| x3 | 250W |

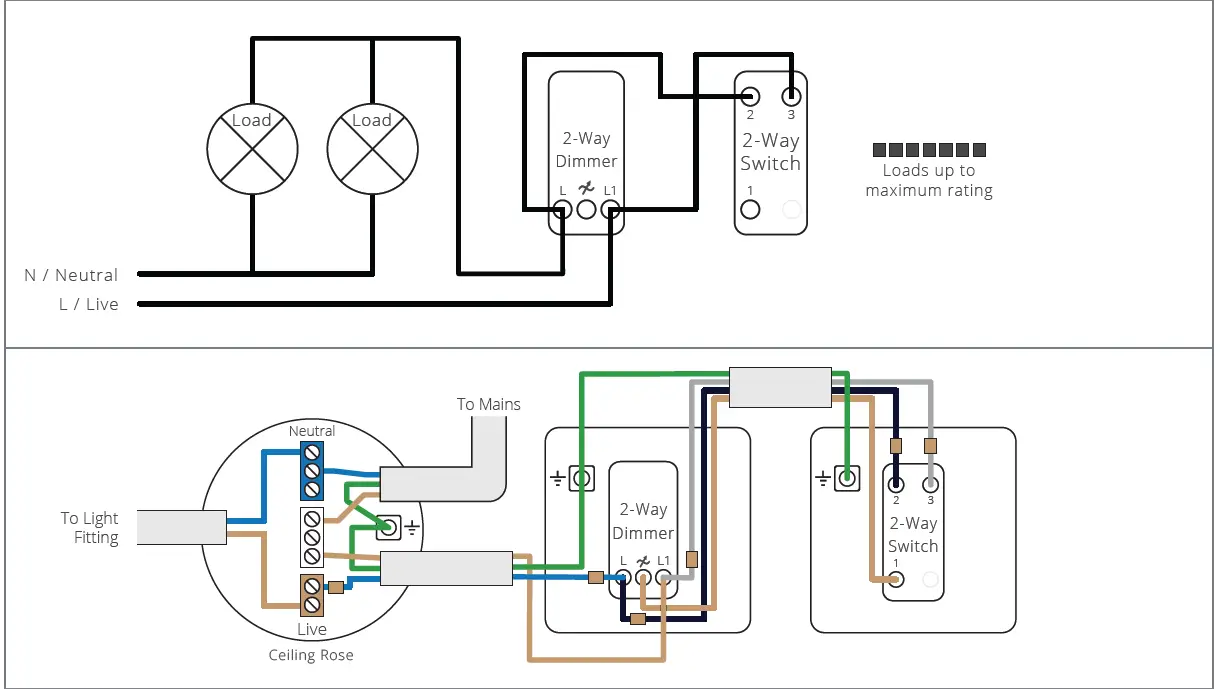
Example Wiring for Two-Way Dimmer Switches
Isolate the power supply at the consumer unit circuit breaker. Verify that the power is off. These products must be installed in accordance with the latest building regulations. If in any doubt, please contact a qualified electrician.
Two-Way and Intermediate switches can be used with a Corston two-way dimmer on the same circuit.
Connect the wiring as shown in the diagrams below, for each type of installation. When finished, there should be no exposed wire. The connections should be secure and tight. Earth sheathing should be used on any exposed earth wire. The switch assembly should push back into the mounting box without forcing or trapping any wires.
One-Way Dimmer Switch Wiring Diagram & Example 
Two-Way Dimmer Switch Wiring Diagram & Example 1 
Two dimmers cannot control the same light.
Isolate the power supply at the consumer unit circuit breaker. Verify that the power is off. These products must be installed in accordance with the latest building regulations. If in any doubt, please contact a qualified electrician.
Two-Way Dimmer Switch Wiring Diagram & Example 2
Two dimmers cannot control the same light.
corston.com/support
[email protected]
01249 549332




















