T874A,D Zone Thermostats/Q674B,D,E Subbases
Installation Instructions for the Trained Service Technician.
Application
These T874A,D Zone Thermostats and Q674B,D,E Subbases provide 24 to 30 Vac temperature control in Honeywell Trol-A-Temp heating/cooling zone systems.
See Table 1 for thermostat/subbase and system compatibility; see Table 2 for thermostat specifications. For complete Honeywell Trol-A-Temp System specification and application information, refer to the system specification included with the control panel.
TABLE 1—THERMOSTAT/SUBBASE AND SYSTEM COMPATIBILITY.
| Thermostat/ Subbase Model Numbera | Application | Stages | ||
| Mini-Zone | Mabs II, Mabs II-L | Mabs XX | ||
| T874A/Q674B | Zone 1; conventional heat-cool. | Zone 1; conventional heat-cool. | Any zone; conventional heat-cool. | Single-stage |
| T874A/Q674D | Zones other than zone 1; conventional heat-cool. | Zones other than zone 1; conventional heat-cool. | Not applicable | Single-stage |
| T874A/Q674E | Not applicable | Not applicable | Any zone; conventional heat-cool. | Single-stage |
| T874D/Q674B | Not applicable | Zone 1; conventional heat-cool. | Any zone; conventional heat-cool. | Multistage |
| T874D/Q674D | Not applicable | Zones other than zone 1; conventional heat-cool and heat pump. | Not applicable | Multistage |
| T874D/Q674E | Not applicable | Not applicable | Any zone; conventional heat-cool. | Multistage |
a Subbase not included with thermostat; order separately.
TABLE 2—THERMOSTAT/SUBBASE SPECIFICATIONS.
| Thermostat/Subbase Order Number’ | Switching | Thermostat/ Subbase Color | Anticipator Range (A) | ||
| Heating (Adj.) | Cooling (Fixed) | ||||
| System | Fan | ||||
| T874A1465/Q674B1471 | HEAT-OFF-COOL | ON-AUTO | White/Gray | Stg. 1— 0.1 to 1.2 | Stg. 1— 0 to 1.5 |
| T874A1465/Q674D1123 | None | None | White/Gray | ||
| T874A1465/Q674E1379 T874D1801/Q674B1463 T874D1827/Q674B1471 | HEAT-OFF-COOL-AUTO | ON-AUTO | White/Gray | ||
| HEAT-OFF-COOL | ON-AUTO | Beige/Brown | Stg. 1— 0.1 to 1.2; Stg. 2— 0.1 to 1.0. | Stg. 1— 0 to 1.2; Stg. 2— 0 to 1.0. | |
| HEAT-OFF-COOL | ON-AUTO | White/Gray | |||
| T874D1801/Q674D1115 | None | None | Beige/Brown | ||
| T874D1827/Q674D1123 | None | None | White/Gray | ||
| T874D1827/Q674E1379 | HEAT-OFF-COOL-AUTO | ON-AUTO | White/Gray | ||
a Subbase not included with thermostat; order separately.
Operation
On a 2-heat thermostat, the two stages of heat make sequentially as the temperature drops. Make refers to the mercury switch initiating a call for heat or cool. There are about 2° F [1° C] between stages so that the second stage makes only when the first stage cannot handle the load. This is the interstage differential.
Recycling Notice
This control contains mercury in a sealed tube. Do not place control in the trash at the end of its useful life. If this control is replacing a control that contains mercury in a sealed tube, do not place your old control in the trash. Contact your local waste management authority for instructions regarding recycling and the proper disposal of this control, or of an old control containing mercury in a sealed tube. If you have questions, call Honeywell at 1-800-468-1502.
Installation
WHEN INSTALLING THIS PRODUCT…
- Read these instructions carefully. Failure to fol- low them could damage the product or cause a hazardous condition.
- Check the ratings given in the instructions and on the product to make sure the product is suitable for your application.
- Installer must be a trained, experienced service technician.
- After installation is complete, check out product operation as provided in these instructions.
CAUTION
- Disconnect power supply to prevent electrical shock or equipment damage.
- To prevent interference with the thermostat linkage, keep wire length to a minimum and run wires as close as possible to the subbase.
- Do not overtighten thermostat captive mounting screws, because damage to subbase threads can result.
- Do not short across terminals of systems controls. This can burn out the thermostat heat anticipator.
IMPORTANT: Thermostats are calibrated at the factory by using subbases mounted at true level. Inaccurate subbase leveling will cause thermostat control deviation.
LOCATION
Locate the subbase about 5 ft [1.5 m] above the floor in an area with good air circulation at average temperature. Do not mount the subbase where the thermostat may be
affected by:
— drafts or dead spots behind doors and in corners.
— hot or cold air from ducts.
— radiant heat from sun, appliances or fireplace.
— concealed pipes and chimneys.
— unheated (uncooled) areas such as an outside wall behind the thermostat.
MOUNTING THE SUBBASE
The thermostat subbase can be mounted on a horizontal outlet box or directly on the wall.
- To mount on a horizontal outlet box, install the sub- base on the outlet box as shown in Fig. 1. For a wall installation, hold the subbase in position and mark holes for the anchors (Fig. 2). Obtain wall anchors locally. Take care that the wires do not fall back into the wall opening. Set aside subbase. Drill two 3/16 in. [4.8 mm] holes and gently tap anchors into the holes until flush with the wall.
- Pull electrical wires through the cover plate (if used) and subbase cable opening (Fig. 3). See Wiring the Subbase section before pulling any wires.
IMPORTANT: Use 18 gauge, color-coded thermostat cable for proper wiring. - Secure the subbase with the screws provided. Do not fully tighten the subbase screws.



- Level the subbase using a spirit level, as shown in Fig. 3, and firmly tighten the subbase mounting screws. The subbase mounting holes allow minor out-of-level adjustments.
- IMPORTANT: An incorrectly leveled subbase will cause the temperature control to deviate from set point.
WIRING THE SUBBASE
All wiring must comply with local electrical codes and ordinances. Follow equipment manufacturer wiring instructions when available. To wire subbase:
- Connect wires to the subbase terminals. Refer to Figs. 6-10 for wiring diagrams of typical zone systems. A letter code is located near each subbase terminal for identification. The terminal barrier permits straight or conventional wraparound wiring connection (Fig. 4).
- Some Q674 Subbases have RC and RH terminals for isolated heating and cooling transformers. For zoning systems, jumper RC and RH terminals as shown in Fig. 5 and wire as single R terminal.
- Firmly tighten each terminal screw.
- Fit wires as close as possible to the subbase. Push excess wire back into hole.
- Plug the hole with nonflammable insulation to prevent drafts from affecting the thermostat.


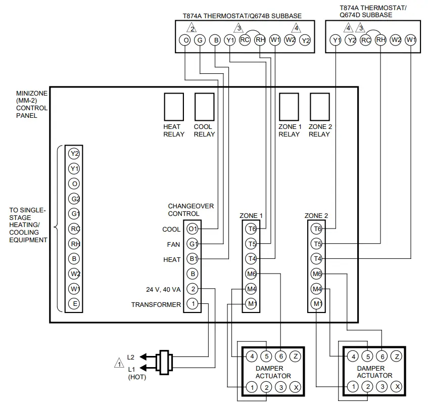
Fig. 6—Typical hookup for MM-2 Mini-zone Control Panel with T874A Thermostat/Q674B,D Subbase in single-stage heating-cooling two-zone system.
POWER SUPPLY. PROVIDE DISCONNECT MEANS AND OVERLOAD PROTECTION AS REQUIRED.
ZONE 1 O AND B TERMINALS MUST BE CONNECTED FOR PROPER SYSTEM OPERATION.
JUMPER RC AND RH TERMINALS TOGETHER AND WIRE AS SINGLE R TERMINAL.
DO NOT CONNECT W2 AND Y2 TERMINALS TO CONTROL PANEL.
MOUNTING THE THERMOSTAT
- Remove the thermostat cover by pulling the bottom edge of the cover outward away from the base until it snaps free from the cover clip.
NOTE: The cover is hinged at the top and is removed by pulling out at the bottom. - Carefully remove and discard the polystyrene packing insert that protects the mercury switches during shipment.
- Turn over the thermostat base and note the spring fingers that engage the subbase contacts. Make sure the spring fingers are not bent flat, preventing proper electrical contact with the subbase.
- Set the heat anticipator indicator(s) to 0.1A for proper system operation (Fig. 11).
- Note the two tabs on the top inside edge of the thermostat base. The tabs fit into the corresponding slots on the top of the subbase. Mount the thermostat on the subbase. See Fig. 12.
- Align the two captive mounting screws in the thermostat base with the posts on the subbase (Fig. 12). Tighten both screws. Do not overtighten the screws or damage to the subbase posts can result.
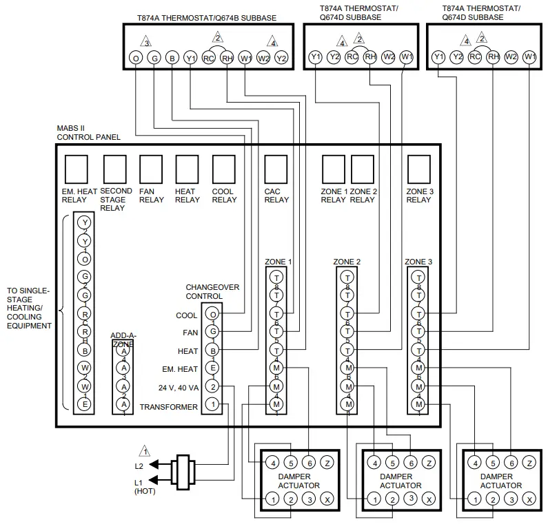
Fig. 7—Typical hookup for MABS II and MABS II-L Control Panels with T874A Thermostat/Q674B,D Subbases in single-stage heating-cooling zone system. MABS II Control Panel shown; MABS II-L Control Panel hookup is the same.

POWER SUPPLY. PROVIDE DISCONNECT MEANS AND OVERLOAD PROTECTION AS REQUIRED.
JUMPER RC, RH TOGETHER AND WIRE AS SINGLE R TERMINAL.
ZONE 1 O AND B TERMINALS MUST BE CONNECTED FOR PROPER SYSTEM OPERATION.
DO NOT CONNECT W2 AND Y2 TERMINALS TO CONTROL PANEL.
Fig. 8—Typical hookup for MABS II and MABS II-L Control Panels with T874D Thermostat/Q674B,D Subbases in multistage heating-cooling zone system. MABS II Control Panel shown; MABS II-L Control Panel hookup is the same.

POWER SUPPLY. PROVIDE DISCONNECT MEANS AND OVERLOAD PROTECTION AS REQUIRED.
JUMPER RC, RH TOGETHER AND WIRE AS SINGLE R TERMINAL.
ZONE 1 O AND B TERMINALS MUST BE CONNECTED FOR PROPER SYSTEM OPERATION.
IF SINGLE-STAGE COOLING, DO NOT CONNECT Y2; IF SINGLE-STAGE HEATING, DO NOT CONNECT W2.
Fig. 9—Typical hookup for MABS XX Control Panel with T874A Thermostat/Q674B,E Subbases in singlestage heating-cooling zone system.

POWER SUPPLY. PROVIDE DISCONNECT MEANS AND OVERLOAD PROTECTION AS REQUIRED.
WIRE ONLY THE TERMINAL CONNECTIONS SHOWN. SOME TERMINALS NOT AVAILABLE ON ALL THERMOSTATS. IF THERMOSTAT HAS R/RC/RH TERMINALS, JUMPER TOGETHER AND WIRE AS SINGLE R TERMINAL. DO NOT CONNECT THERMOSTAT O AND B TERMINALS TO CONTROL PANEL.
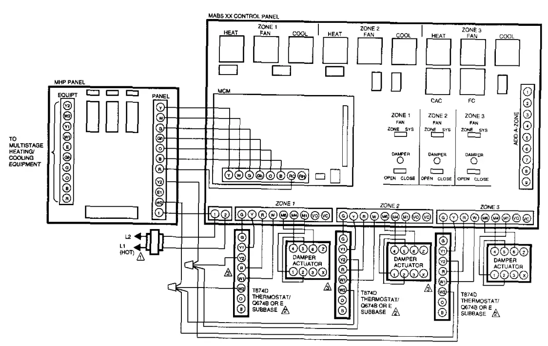
Fig. 10—Typical hookup for MABS XX Control Panel with T8740 Thermostat/G674B,E Subbases in multistage heating-cooling zone system.

POWER SUPPLY. PROVIDE DISCONNECT MEANS AND OVERLOAD PROTECTION AS REQUIRED.
WIRE ONLY WE TERMINAL CONNECTIONS SHOWN. SOME TERMINALS NOT AVAILABLE ON AU. THERMOSTATS. IF THERMOSTAT HAS RC AND RH TERMINALS, JUMPER TOGETHER AND WIRE AS SINGLE R TERMINAL. DO NOT CONNECT THERMOSTAT 0 AND B TERMINALS TO CONTROL PANEL.
IF SINGLE-STAGE COOLING, DO NOT CONNECT Y2: IF SINGLE-STAGE HEATING, DO NOT CONNECT W2.

Fig. 12—Mounting thermostat on subbase (T874D shown).

TABLE 3-SUBBASE SYSTEM SWITCHING POSITIONS.
| Switching Position | Mini-Zone, Mabs II, Mabs 11-1 System | Mabs XX System |
| OFF | Both heating and cooling systems are off. If the fan is at AUTO position, the cooling fan is also off. | Zone thermostat will not call for heating or cooling. |
| HEAT | System operates in heating mode. Cooling is off. | Zone thermostat calls for heating only. |
| C001., | System operates in cooling mode. Heating is off. Not applicable. | Zone thermostat calls for cooling only. Zone thermostat calls for heating or cooling depending upon indoor temperature. |
| AUTO |

TABLE 4-SUBBASE FAN SWITCHING POSITIONS.
| Switching Position | Mini-Zone, Mabs H, Mabs 1.1-L System | Mabs XX System |
| ON | Fan operates continuously. | With any zone set to ON, fan will operate continuously. |
| AUTO | In cooling, fan operates with cooling equipment; in heating. fan operates as controlled by the plenum fan control. | If all zones are set to AUTO, the fan operates as controlled by the plenum fan control in heating and with cooling equipment in cooling. If any zone is set to ON, the fan will operate continuously. |
To move the subbase switches to the desired control positions, use thumb and index finger to slide the lever. Stop the lever over the desired function indicator position for proper circuit operation.
Before beginning checkout of thermostat operation, set switches on the control panel for the desired system operation. See instructions provided with the control panel.
To set up the system for thermostat checkout, adjust each thermostat settings as shown in Table 5.
TABLE 5—SYSTEM SET-UP FOR THERMOSTAT CHECKOUT.
| Control Panel | Heating | Cooling | ||
| Zone 1 | Zones Other Than Zone 1 | Zone 1 | Zones Other Than Zone 1 | |
| Mini-zone MABS II MABS II-L | Set thermostat system switch to HEAT; set fan switch to AUTO. Move the heating set point lever 10° F [6° C] below room temperature. | Move the heating set point lever 10° F [6° C] below room temperature. | Set thermostat system switch to COOL; set fan switch to AUTO. Move the cooling set point lever 10° F [6° C] above room temperature. | Move the cooling set point lever 10° F [6° C] above room temperature. |
| MABS XX | On all zone thermostats, set the system switch to HEAT; set the fan switch to AUTO. Move the heating set point lever 10° F [6° C] below room temperature. NOTE: The control panel provides a three- minute time delay when 24V is applied to the control panel and at the end of each equipment cycle. The high-speed fan runs during this time delay. | On all zone thermostats, set the system switch to COOL; set the fan switch to AUTO. Move the cooling set point lever 10° F [6° C] above room temperature. NOTE: The control panel provides a three- minute time delay when 24V is applied to the control panel and at the end of each equipment cycle. The high-speed fan runs during this time delay. | ||
HEATING
NOTE: If a plenum fan control is used in the heating system, there will be a short delay on a call for heat to allow the furnace to heat the plenum. The fan starts immediately in electric heat systems. Allow 30 seconds for the damper to open or close completely.
Make sure all zone thermostats are set as instructed in the Heating column in Table 5. Check each zone thermostat as follows:
- If thermostat has a fan switch, set it to ON. See Fig. 13. After 30 seconds, place your hand in front of an air register in that zone to check for air flow at the register.
- Reset fan switch, if provided, to AUTO. After 30 seconds, make sure air flow at register has stopped.
- Move heating set point lever on zone thermostat 10° F [6° C] above room temperature to call for heat.
- After 30 seconds (longer, if necessary, for time delay on plenum fan control), check for warm air at the register. 5. Move heating set point lever on the zone thermostat
10° F [6° C] below room temperature to end a call for heat. After 30 seconds (longer, if necessary, for time delay on plenum fan control or control panel), check that air flow at the register has stopped. - Repeat steps 1-5 for each zone thermostat.
COOLING
CAUTION
Do not operate cooling equipment if outdoor temperature is below 50° F [10° C]. Refer to manufacturer recommendations.
Make sure all zone thermostats are set as instructed in the Cooling column in Table 5. Check each zone thermostat as follows:
- Move cooling set point lever on the zone thermostat 10° F [6° C] below room temperature to call for cooling.
- After 30 seconds, place your hand in front of an air register in that zone to check for cool air at the register.
- Move the cooling set point lever on the zone thermostat 10° F [6° C] above room temperature to end the call for cooling. After 30 seconds (longer, if necessary, for time
delay on control panel), check that air flow at the register has stopped. - Repeat steps 1-3 for each zone thermostat.
When system checkout is complete, return all thermo- stats to the desired settings for normal system operation.
Calibration
THERMOSTAT
T874 thermostats are accurately calibrated at the factory. They do not have provision for field calibration.
THERMOMETER
The thermometer in your thermostat has been accurately calibrated at the factory. The thermometer should only need adjustment if it has been dropped or shifted due
to mishandling. If the set point lever and the thermometer reading do not agree:
- Remove the thermostat cover by pulling up from the bottom of cover until it clears the mounting slots.
- Set the thermostat cover on a table near an accurate thermometer.
- Allow ten minutes for the cover thermometer to sense the area temperature; compare the readings. Be careful not to touch the thermometer or breathe on it.
- If the readings are the same, replace the cover and put the system into operation.
- If the readings are different, insert a small screwdriver in the thermometer slot (Fig. 14) and turn it until the thermometers have the same reading.
- Replace the thermostat cover and put the system into operation.
NOTE: Hand heat will offset the thermometer reading. After making each adjustment, wait ten minutes for the thermometer to stabilize before comparing.

Home and Building Control
Honeywell Inc.
1985 Douglas Drive North
Golden Valley, Minnesota 55422
Home and Building Control
Honeywell Limited—Honeywell Limitée
740 Ellesmere Road
Scarborough, Ontario
M1P 2V9
Printed in U.S.A.
Helping You Control Your World
firealarmresources.com

















