Y594 (Multistage Thermostat Subbase)
Package
TRADELINE®
Installation Guide
APPLICATION
These Y594G and Y594J combination packs are designed to meet the specific requirements of Carrier heat pump equipment. The Y594 packs are designed for 2 stage heat and 1 stage cool applications. The system switch is SUPL HT-HEAT-OFF-COOL or SUPL HT-ON-OFF. The fan switch is AUTO-ON. See Table 1 for model information and cross reference from Carrier part numbers.?
Subbase Ratings
SWITCH RATING: 7.5A inrush, 2.5A running at 30 Vac.
MOUNTING: Designed for mounting on wall or horizontal outlet box.
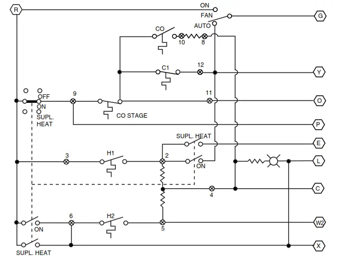
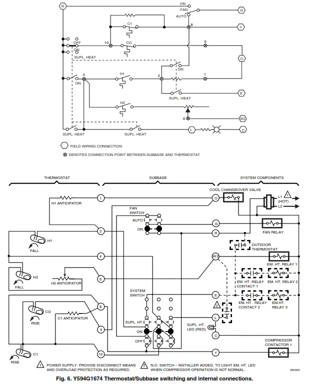
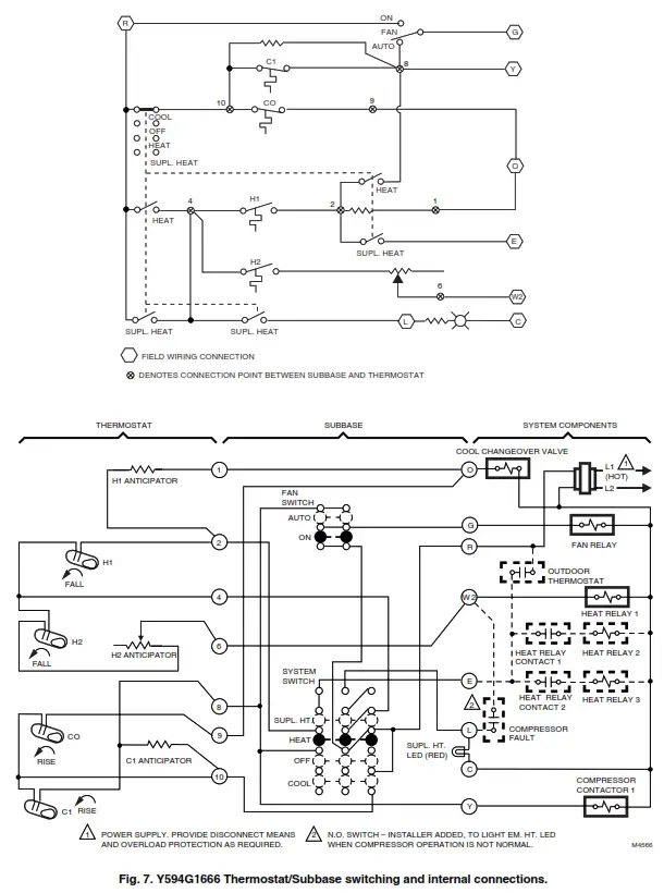
Table 1. Heat Pump Thermostat/Subbase Combinations.
| OS No. | Fig. No. | Contains | Replaces Honeywell | Replaces Carrier | Changeover Mode | ||
| Y594G1666 | 7 | T874G2004 Q674L1892 | Y507J1011 | T874G1055 Q674L1041 | 99TZ90041106 | HH07AT171 HH93AZ175 | Manual changeover in cooling |
| Y594G1674 | 6 | T874G2004 Q674J1274 | Y507J1003 | T874G1055 Q674J1035 | 99TZ90040106 | HH07AT171 HH93AZ173 | Auto changeover in cooling |
| Y594J1001 | 5 | T874J1069 Q674L1900 | — | T874J1002 Q674L1074 or Q674L1637 | — | HH07AT175 HH93AZ186 or HH93AZ195 | Manual changeover in cooling |
| Y594J1019 | 4 | T874J1069 Q674J1282 | — | T874J1002 Q674J1068 or Q674J1159 | — | HH07AT175 HH93AZ183 or HH93AZ196 | Auto changeover in heating |
Thermostat Ratings
SWITCHING: sealed mercury switch.
SWITCH RATINGS:
First Stage Heating and Cooling: 6.5A inrush, 1.5A maximum running at 25 Vac.
Second Stage Heating and Cooling: 1.5A maximum running at 30 Vac.
Changeover Switch: 6.5A inrush, 1.5A running at 25 Vac.
HEAT ANTICIPATOR:
First Stage Heating and Cooling: fixed voltage type, 1.0A.
Second Stage Heating: adjustable, 0.10 to 1.2A; other models, fixed voltage type, 1.0A.
TEMPERATURE SETTING RANGE: 42°F to 88°F (6°C to 31°C).
OPERATION
The two stages of heat are energized sequentially with changes in temperature. Stage one comes on first; then if the temperature at the thermostat continues to move away from the setpoint, the second stage comes on. The thermostat is set with about 2°F (1°C) between stages. As the heating equipment runs and the temperature begins to move back toward the set point, stage 2 goes off first, then stage one.
Subbases include an LED (light emitting diode) indicator.
This indicator lights to show that the heat pump cannot operate and the supplemental heat stage is providing all heating. This condition can occur in two instances; when the subbase system switch is set at SUPL. HT. and when the heat pump compressor has malfunctioned.
The LEDs are not field replaceable.
RECYCLING NOTICE
This control contains mercury in a sealed tube.
Do not place control in the trash at the end of its useful life.
If this control is replacing a control that contains mercury in a sealed tube, do not place your old control in the trash.
Contact your local waste management authority for instructions regarding recycling and the proper disposal of this control, or of an old control containing mercury in a sealed tube.
INSTALLATION
When Installing this Product…
- Read these instructions carefully. Failure to follow them could damage the product or cause a hazardous condition.
- Check the ratings given in the instructions and on the product to make sure the product is suitable for your application.
- Installer must be a trained, experienced service technician.
- After installation is complete, check out product operation as provided in these instructions.
CAUTION
- Disconnect power supply to prevent electrical shock or equipment damage.
- Run wires as close as possible to the subbase. To prevent interference with the thermostat linkage, keep wire length to a minimum. Push excess wire back into the hole, and plug hole to prevent drafts from affecting thermostat operation.
- Do not overtighten thermostat captive mounting screws because damage to subbase threads can result.
- Do not short across coil terminals on relay. This may burn out the heat anticipator.
- Never install more than one wire per terminal unless factory-supplied jumper with spade terminal is used.
IMPORTANT
Thermostats are calibrated at the factory by using subbases mounted at true level. Inaccurate subbase leveling will cause thermostat control deviation.
Location
Install the thermostat about 5 ft (1.5m) above the floor in an area with good air circulation at average room temperatures.
Do not mount the thermostat where it may be affected by:
- drafts, or dead spots (no air movement) behind doors, in corners, and above or below shelves.
- hot or cold air from ducts.
- radiant heat from the sun, lights, or appliances.
- concealed pipes and chimneys.
- unheated or uncooled areas such as an outside wall behind the thermostat.
Mounting and Wiring the Subbase
Disconnect power supply to prevent electrical shock or equipment damage. All wiring must comply with local electrical codes and ordinances. Follow equipment manufacturer wiring instructions when available.
Mount the subbase on a wall or horizontal outlet box. To mount it on a vertical outlet box, order Honeywell part no. 196393A Cover Plate Assembly, which includes an adapter ring with two screws for vertical outlet box mounting and a cover plate to cover marks on the wall.
To install subbase, proceed as follows:
- Prepare a hole for the thermostat wires at the chosen location. Run wires to location.
- Pull about 6 in. (152 mm) of wire through the hole.
IMPORTANT
Use 18 gauge, color-coded thermostat cable for proper wiring.
- If mounting the subbase on a vertical outlet box, install adapter ring with the two screws provided in the assembly. See Fig. 1.
- Pull wire through cover plate, if used, and subbase wire opening. Secure the cover plate and subbase with the two screws provided, but do not tighten down.
- Level the subbase using a spirit level. See Fig. 2. Tighten subbase mounting screws. The subbase mounting slots provide for minor out-of-level adjustments.
- IMPORTANT
An incorrectly leveled subbase will cause the temperature control to deviate from setpoint - Connect the system wires to the subbase. See Fig. 4-7. A letter is stamped near each terminal for identification. The terminal barrier permits straight or conventional wraparound wiring connections. See Fig. 3. Either method is acceptable. Run wires as close as possible to the subbase, keeping wire length to a minimum. Push excess wire back into hole. Plug hole to prevent drafts.
Mounting the Thermostat
- Remove the thermostat cover by pulling the bottom edge of the cover away from the base until it snaps free of the retaining posts.
NOTE: The cover is hinged at the top and must be removed by pulling out at the bottom. - Carefully remove and discard the polystyrene packing insert that protects the mercury switches during shipment.
- Turn the thermostat over and locate the spring fingers that engage the subbase contacts. Make sure the spring fingers are NOT bent flat, preventing proper electrical contact with the subbase.
- Set adjustable heat anticipator indicators, if provided, as described in Setting the Heat Anticipator(s) section.



Y594 (MULTISTAGE THERMOSTAT SUBBASE) PACKAGE

FIELD WIRING CONNECTION
DENOTES CONNECTION POINT BETWEEN SUBBASE AND THERMOSTAT




To switch positions, use thumb and index finger to slide lever to desired position. Switch lever must stop in detent directly over the desired function indicator mark for proper
system operation.
CHECKOUT
Heating
Set the system switch on the subbase at HEAT or ON and the fan switch at AUTO. Move the heating lever on the thermostat about 10°F (6°C) above room temperature.
Heating (both stages if two-stage thermostat) should start if there is no time delay or outdoor temperature limiting system, and the fan should come on. Move the heating lever about 10°F (6°C) below room temperature. Heating and fan should shut off.
Cooling
CAUTION
Do not operate cooling if outdoor temperature is below 50°F (10°C). Refer to manufacturer recommendations. Set the system switch on the subbase to COOL or ON and the fan switch to AUTO. Move the cooling lever on the thermostat about 10°F (6°C) below room temperature. Cooling and fan should start. Move the cooling lever about 10°F (6°C) above room temperature. Cooling and fan should stop.
Fan
Set the fan switch to ON. Move the system switch to different positions; the fan should run continuously. Move the fan switch to AUTO. Move the system switch to different positions. Fan operation is controlled with the heating or cooling system.
LED Indication
Set system switch on subbase at SUPL. HT. The SUPL.
HT. LED should light. Simulate compressor failure and energize the system. The FAULT LED should light.
CALIBRATION
Thermostat
These thermostats are accurately calibrated at the factory.
They do not have provision for field calibration.
Thermometer
The thermometer in your thermostat has been accurately calibrated at the factory. The thermometer should only adjustment if it has been dropped or shifted due to mishandling.
If the setpoint lever and the thermometer reading do not agree, use the following procedure:
- Remove the thermostat cover by pulling up from the bottom edge of the cover away from the base until it snaps free of the cover clip.
- Set the thermostat cover on a table near an accurate thermometer.
- Allow ten minutes for cover thermometer to sense area temperature; compare the readings. Be careful not the touch the thermometer or breathe on it.
- If the readings are the same, replace cover and put the system into operation.
- If the readings are different, insert a small screwdriver in the thermometer slot and turn it until the thermometers have the same reading. See Fig. 9.
- Replace thermostat cover and put the system into operation.

| Home and Building Control Honeywell International, Inc. 1985 Douglas Drive North Golden Valley, MN 55422 | Home and Building Control Honeywell Limited-Honeywell Limitée 35 Dynamic Drive Scarborough, Ontario M1V 4Z9 |
Printed in U.S.A. on recycled paper containing at least 10% post-consumer paper fibers.
69-0920
J.H. 5-95
www.honeywell.com/yourhome
firealarmresources.com

















