
T6R SMART THERMOSTAT
Installation Guide

Hereby, Pittway Sarl declares that the radio equipment type
T6H700RW is in compliance with
Directive 2014/53/EU. The full text of the EU declaration of conformity is available at the following internet address:
https://hwllhome.co/DoC
RF (868MHz)
Receiver Category 2
Max RF Power: 25mW
868–868.6MHz (868.3MHz)
Wi-Fi (2.4GHz)
Max Power: 100mW
2.4–2.458GHz
WEEE Directive 2012/19/EU At the end of the product life dispose of the packaging and product in a corresponding recycling center.
Do not dispose of the unit with the usual domestic refuse. Do not burn the product.
For support:
Resideo 200 Berkshire Place
Winnersh Triangle, Berkshire
RG41 5R
Phone: 0300 130 1299
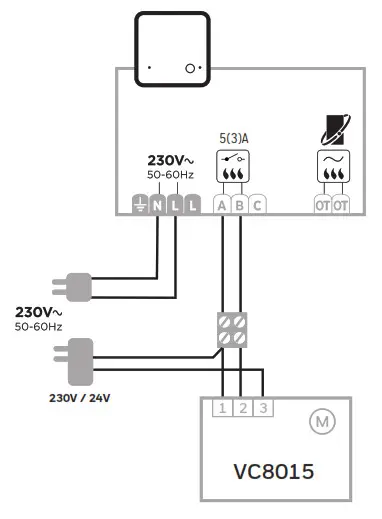
A. On/off the boiler

B. Combi boiler

C. OpenTherm boiler
* For security reasons: route this wiring through conduit or in the wall so it is not accessible.
D. 24V Stadsverwarming- of zoneregelset aansluiting

E. 230V 2 or 3-port zone valve

Other UK wiring diagrams:


© 2020 Resideo Technologies, Inc. All rights reserved.
The Honeywell Home trademark is used under license from Honeywell
International Inc.
This product is manufactured by Resideo and its affiliates.
Pittway Sarl Z.A. La Pièce 4,
1180 Rolle, Switzerland
Country of origin: UK



















