
LOUROE ELECTRONICS MS-1-ML Mic Level Audio Mute Switch Instruction Manual

MODEL MS-1-ML
DESCRIPTION
The MS-1-ML is a in-line Mic Level Audio Mute Switch that is used for 3rd party Audio Surveillance and monitoring systems, when microphone audio muting is required. The MS-1-ML contains a built-in rocker switch mounted to a single gang stainless steel face plate. This is to mute/disable the audio feed to 3rd party recording devices such as CCTV camera’s that accept external microphone audio. It prevents the operator from listening in to the microphone when it is not required. The MS-1-ML fits into a single in-wall gang back box (not included) or surface mount gang box for mounting to a wall or any flat surface.
OPERATION
To indicate when the connected microphone audio is On/Live, the top part of the rocker switch is marked “MICROPHONE ON WHEN ILLUMINATED” and the Red L.E.D. indicator is illuminated on the switch indicating audio is active and will pick up sounds within it’s range. The lower part of the rocker switch is marked “MICROPHONE OFF” and the connected microphone audio is now off and the Red L.E.D. indicator is not illuminated on the switch.
APPLICATION EXAMPLE

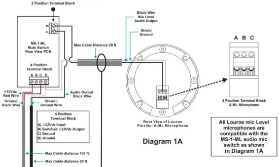
INSTALLATION AND OPERATING INSTRUCTIONS
Interconnection diagram 1A for MS-1-ML audio mute switch for Louroe Mic level
microphones to interface with camera’s that have a mic level audio input connection.


MOUNTING THE MS-1-ML
A single gang plastic (J Box) is recommended for in wall installation of the MS-1-ML mute switch. Please Note: If using a metal (J Box) is required and used with EMT that connects from one (J Box) to another, this is acceptable for point to point wire termination, but if the box and EMT conduit is referenced or connected to an Electrical panel ground, this is not recommended as electrical ac noise may be introduced and may cause (Audible) electrical interference. Please note: (J Boxes not included)
CONNECT THE MS-1-ML AS FOLLOWS: See Diagram 1A on page 2. Do not connect the 12Vdc power supply until you have verified all your wiring and everything is connected properly.
WIRING CONNECTION FROM LOUROE MODEL MS-1-ML TO A MIC A LEVEL MICROPHONE Using (West Penn 452, Belden 8451 or equivalent wire) connect all cabling as shown 1A on page 2.
APPLYING POWER TO THE SYSTEM
After all wiring between a Mic level microphone and the MS-1-ML Mute Switch is complete, apply 12Vdc power with the power supply, (included). When servicing the MS-1-ML always remove power.
TESTING AND OPERATION OF SYSTEM
The MS-1-ML switch must be in the (ON) position and the Rocker Switch (Red L.E.D. illuminated).
- Create some sound (radio, someone speaking, etc) near the microphone. The sounds will
transmit audio to your NVR or VMS system. - To mute the Mic’s audio, press rocker switch to (OFF). The RED L.E.D. on the switch will go off, indicating power if OFF and the microphone is DISABLED, no audio.
TROUBLESHOOTING
Check the Following:
1. Verify all your wiring from each device/connection point. 2.) Verify the device/camera is
working properly and that the audio input jack\connector is able to detect audio. 3.) Verify
that the 12Vdc power supply is providing 12Vdc to the MS-1-ML audio mute switch and the
power connection polarity is correct (+12Vdc) wire to (+12Vdc) terminal connection,
(+12Vdc) wire to (+12Vdc) terminal connection . If your problem persists, contact Louroe
Electronics for further assistance.
WHAT’S IN THE BOX
1 X MS-1-ML, mic level audio mute switch
1 X 12Vdc, 1.5A power supply with 10 ft. cord
2 x “AUDIO MONITORING ON THE PREMISES” stickers
1 X Instruction manual
SPECIFICATIONS OF MS-1 MUTE SWITCH


IMPORTANT NOTICE
When this equipment is used as part of an audio monitoring system, the law requires that the public be given notice of AUDIO MONITORING ON THE PREMISES. A decal notice is included with each microphone shipped.
AUDIO MONITORING

Federal Law References:
Federal Regulations, US Code, Title 18. Crime and Criminal Procedure, Sec 2510.
WARRANTY
LOUROE ELECTRONICS warrants that at the time of shipment products manufactured by LOUROE ELECTRONICS to be free of defects in material and workmanship. Should a defect appear within two year (24 months) from date of shipment, LOUROE ELECTRONICS will, at its sole discretion, repair or replace the defective equipment. This equipment shall not be accepted for repair or return without prior notification by LOUROE ELECTRONICS .
This warranty does not extend to any Louroe product that has been subjected to improper or incorrect installation, misuse, accident, or in violation of installation instructions provided by LOUROE ELECTRONICS.
Returned shipments to LOUROE ELECTRONICS shall be at customer’s expense. LOUROE ELECTRONICS will return the equipment prepaid via best way.
LOUROE ELECTRONICS 6 9 5 5 VAL J EAN AVENUE, VAN NUYS, CA 91406 TEL (818) 994-6498
FAX (818) 994-6458
website: www.louroe.com
E-mail: [email protected]
Read More About This Manual & Download PDF:

















