GYS NEOCOOL Arc Welding Battery Chargers Instruction Manual
WARNING – SAFETY RULES
GENERAL INSTRUCTIONS
![]()
Read and understand the following safety instructions before use.
Any modification or updates that are not specified in the instruction’s manual should not be undertaken.
The manufacturer is not liable for any injury or damage due to non-compliance with the instructions featured in this manual.
If there is any issue or uncertainty, please consult a qualified person to handle the installation correctly.
ENVIRONMENT
This equipment must only be used for welding operations in accordance with the limits indicated on the information panel on the machine and/or in the insctructions. Safety instructions must be followed. In case of improper or unsafe use, the manufacturer cannot be held liable.
This equipment must be used and stored in a room free from dust, acid, flammable gas or any other corrosive agent. Operate the machine in an open or well-ventilated area.
Operating temperature:
Use between -10 and +40°C (+14 and +104°F).
Storage between -20 and +55°C (-4 and 131°F).
Air humidity:
Lower or equal to 50% at 40°C (104°F).
Lower or equal to 90% at 20°C (68°F).
Altitude: Up to 2000 meters above sea level (6500 feet)
INDIVIDUAL PROTECTION & OTHERS
Arc welding can be dangerous and can cause serious injury or even death.
Welding exposes the user to dangerous heat, arc rays, electromagnetic fields, risk of electric shock, noise and gas fumes. People wearing pacemakers are advised to consult a doctor before using the welding machine. Protect yourself and others.
Ensure the following safety precautions are taken:
In order to protect you from burns and radiations, wear clothing without cuffs. These clothes must be insulating, dry, fireproof, in good condition, and cover the whole body.
Wear protective gloves which guarantee electrical and thermal insulation.
Wear welding protective gear for the whole body: hood, gloves, jacket, trousers… (variable, depending on the application). Protect your eyes during cleaning procedures. Contact lenses are prohibited during use.
It may be necessary to install fireproof welding curtains to protect the area against arc rays, weld spatter and sparks.
Inform people who are around the working area to never look at the arc ray or the molten metal, and to wear protective clothes.
Wear ear protection if the work exceeds the authorised noise limit. The same applies to anyone in the welding area.
Keep hands, hair and clothes away from moving parts such as fans, and engines. Never remove the safety covers from the cooling unit when the machine is plugged in. The manufacturer is not liable for any injury or damage due to non-compliance with the safety precautions.
Parts that have just been welded will be hot and may cause burns when touched. During the maintenance of the torch, make sure that the torch has sufficiently cooled down and wait at least 10 minutes before any operation. When using a watercooled torch, make sure that the cooling unit is switched on to avoid any burns that could potentially be caused by the liquid.
It is important to secure the working area before leaving it to ensure protection of the goods and the safety of people.
WELDING FUMES AND GAS
Fumes, gas and dust produced during welding are hazardous to health. It is mandatory to ensure adequate ventilation and/ or extraction to keep fumes and gas away from the work area. Using an air fed welding helmet is recommended in case of insufficient ventilation in the workplace.
Check that the air supply is effective by referring to the recommended safety regulations.
Precautions must be taken when welding in small areas, and the operator will need supervision from a safe distance. Welding specific pieces of metal containing lead, cadmium, zinc, mercury or beryllium can be extremely toxic. The user will also need to remove the grease from the workpiece before welding.
Gas cylinders must be stored in an open or ventilated area. They must be stored vertically and held by a support or trolley to limit the risk of fall.
Do not weld in areas where grease or paint are stored.
FIRE AND EXPLOSION RISKS
Protect the entire welding area. Flammable materials must be moved to a minimum safe distance of 11 meters.
A fire extinguisher must be readily available near the welding operations.
Be careful of spatter and sparks, even through cracks.
It can be the source of a fire or an explosion.
Keep people, flammable materials/objects and containers that are under pressure at a safe distance.
Welding in closed containers or pipes should be avoided and , if they are opened, they must be emptied of any flammable or explosive material (oil, fuel, gas …).
Grinding operations should not be directed towards the device itself or any flammable materials.
ELECTRICAL SAFETY
The electrical mains used must have an earth terminal. Use the recommended fuse size.
An electric shock could cause serious injuries or potentially even deadly accidents.
Never touch live parts inside and outside of the device when it is powered on (Torches, clamps, cables, electrodes) as they are connected to the welding circuit.
Before opening the device, it is imperative to disconnect it from the mains and to wait for 2 minutes in order for the capacitors to release the energy.
Do not touch the torch or electrode holder and the earth clamp at the same time.
Be sure to change the cables and torches if they are damaged, to be performed by qualified and authorized personnel.
The dimensions and rating of the accessories must be suitable.
Always wear dry clothes which are in good condition in order to be isolated from the welding circuit. Always wear insulated shoes, regardless of the environment in which you work in.
TRANSPORTATION OF THE MACHINE
It is preferable to drain the cooling unit before transport.
Do not place/carry the unit over people or objects.
EQUIPMENT INSTALLATION
Rules to follow:
- Put the machine on the floor (maximum incline of 10°.)
- Ensure the work area has sufficient ventillation for welding, and that there is easy access to the control panel.
- The machine must be placed in a sheltered area away from rain or direct sunlight.
- This equipment must be used and stored in a place protected from dust, acid, gas or any other corrosive substance.
- The machine protection level is IP23, which means :
- Protection against acess to dangerous parts from solid bodies of a ≥12.5mm diameter and,
- Protection against the rain inclined at 60% towards the vertical.
The equipment can be used outside in accordance with the IP23 protection certification.
The manufacturer GYS does not incur any responsability regarding damages to both objects and persons that result from an incorrect and/or dangerous use of the machine.
MAINTENANCE / RECOMMENDATIONS

- Maintenance should only be carried out by a qualified person. A yearly maintenance is recommended.
- Ensure the machine is unplugged from the mains, and then wait 2 minutes before carrying out maintenance work. Inside, voltages and currents are high and dangerous.
- Remove regularly the casing and any excess of dust. Take this opportunity to have the electrical connections checked by a qualified person, with an insulated tool.
- Regularly check the condition of the power supply cable. If the power cable or connection cables are damaged, they must be replaced by the manufacturer, its after sales service or an equally qualified person to prevent danger.
- Ensure the ventilation holes of the device are not blocked to allow adequate air circulation.

The cooling liquid must be changed every 12 month in order to avoid sediments which could block the torch cooling circuit. Any leak or residual fluid, after use, must be handled within the appropriate purification factory. If possible, recycle the product. It is prohibited to empty the product in a river, a sceptic tank or a draining system. The diluted fluid must not be emptied in the sewers, unless euthorised by the local regulations.
INSTALLATION – PRODUCT OPERATION
Only qualified personnel authorised by the manufacturer should perform the installation of the welding equipment. During the installation, the operator must ensure that the machine is disconnected from the mains. Connecting generators in serial or in parallel is forbidden.
EQUIPMENT DESCRIPTION
The EXACOOL cooling unit is a system designed to cool the water cooled torches connected to your EXAGON 400CC/CV welding machine.
The NEOCOOL cooling unit is a system designed to cool the water cooled torches connected to your NEOPULSE 400/500 G welding machine equipped with a Neofeed.
The TWINCOOL cooling unit is a system designed to cool the water cooled torches connected to your NEOPULSE 400/500 G welding machine Equipped with two Neofeed.
The WCU1KW cooling unit is a system designed to cool the water cooled torches connected to your TITAN 400 / TITANIUM / NEOPULSE 320C welding machines.
These devices are controlled directly by the welding machine via two connection cables (FIG 1-6).
The NEOCOOL/TWINCOOL and the WCU1KW C are equipped:
- with a water level protection making sure the filling is at the minimum level for the good functioning of the cooling system but also for a good torch cooling.
- with a water flow protection in order to protect the torch against a blockage at the level of the water circuit or a damage of the torch connection.
The NEOCOOL/TWINCOOL, the EXACOOL and the WCU1KW C are equipped with a thermal protection to prevent the torch for overheating abnormally.
The recommended cooling system units are automatically detected by the machine.
EXACOOL / WCU 1kW C :
In the « Setup memory » menu of the wire feeder EXAFEED, the EXACOOL can be inhibited.
In the « Setup/CONFIG » menu of the TITAN 400, the WCU 1kW C can be inhibited.
NEOCOOL / TWINCOOL / WCU 1kW C :
NEOCOOL / WCU 1kW C :
On the HMI « Settings/Cooling unit » :
- AUTO: activation during welding and deactivation of the cooling unit 10 minutes after the end of welding.
- ON: the cooling unit is permanently controlled.
- OFF: the cooling unit is disabled.
- PURGE
: function dedicated to purging the cooling unit or filling the connection cables. The protections are then disabled.
DESCRIPTION OF THE EQUIPMENT (I)
- Coolant outlet
- Coolant inlet
- Tank level indicator
- Fuse
- Filling cap
- Harnesses pre-cables
- Starter pipe
TROLLEY SET-UP (OPTION REF. 037328)
Warning! Do not connect the cooling unit whilst the welding machine is switched on.












COOLANT
Make sure that the cooling unit is turned off before disconnecting the liquid inlet and/or outlet hoses of the torch. The coolant is harmful and can irritate the eyes and skin. Hot liquid may cause burns.
Risk of burns due to hot liquid Never drain the cooling unit immediately after use. The liquid contained inside is boiling, wait until it cools down before draining.
FILLING

The operator must fill the tank up to its maximum indicated on the front of the cooling unit but never under the minimum line or a warning message will be displayed on the screen.
It is essential to use a specific welding coolant with low electrical conductivity, being anticorrosive and anti-freezing (ref. 052246).
The use of any other coolant (in particular the automotive standard coolant), can lead, by electrolysis effect, to the accumulation of solid deposits in the cooling system, thus damaging it and also blocking the circuit.
This recommended maximum level is essential to optimise the duty cycles of the cooled torch.
Any damage to the machine due to the use of a different coolant than the recommended type will not be covered by the guarantee.
TWINCOOL CONNECTION

Follow the connection diagram shown to avoid damaging the lamp. The wire feeder number is indicated on the interface.
Example: Wire feeder no.1
COLD UNIT START-UP

For the first application, the pump start-up could be diffcult and generate a defect water flow. To start it correctly, it is recommended to use the above hose and follow the instructions below to purge the system:
Fill the cooling unit to its maximum level to facilitate priming.
EXAGON / TITAN :
- Connect the quick coupling to the cold water outlet of the unit and place the other end in an empty container (ideally a bottle)
- Connect a torch to the product, then briefly squeeze the trigger to start the pump
- Once the pump is activated (container that fills with coolant), stop the product by turning off the main welding generator switch.
- Disconnect the start pipe, put the liquid back into the cooling unit and connect the beam correctly (see user manual of the welding generator).
TITANIUM / NEOPULSE / NEOFEED :
- Connect the quick coupling to the cold water outlet of the unit and place the other end in an empty container (ideally a bottle)
- In the « Settings/Cooling unit » menu, press the icon
to start the start-up procedure. - Once the pump activated (container that fills with coolant), stop the cooling unit by pressing one of the buttons on the HMI.
- Disconnect the starting pipe, put the liquid back into the cooling unit: your pump is started.
IGNITION OF THE PUMP SHAFT

Long periods without use and impurities in the coolant can cause the cooling pump to jam. Pump shaft priming procedure:
- Switch off the power source.
- Insert a flat head screwdriver (Ø 9 mm max.) in the center of the pump shaft, passing through the service hole. Then turn the screwdriver clockwise until the pump shaft rotates smoothly again.
- Remove the screwdriver.
- Switch on the power source.
TROUBLESHOOTING
These devices integrate a default management system.
This allows the operator to diagnoses errors and anomalies. Refer to the instruction manual of the welding machine or the wire feeder (Troubleshooting chapter).
WARRANTY
The warranty covers faulty workmanship for 2 years from the date of purchase (parts and labour).
The warranty does not cover:
- Transit damage.
- Normal wear of parts (eg. : cables, clamps, etc..).
- Damages due to misuse (power supply error, dropping of equipment, disassembling).
- Environment related failures (pollution, rust, dust).
In case of failure, return the unit to your distributor together with:
- The proof of purchase (receipt etc …)
- A description of the fault reported
SPARE PARTS

| EXACOOL | NEOCOOL | WCU1KW C | TWINCOOL | ||
| 032422 | 032750 | 013537 | 065086 | ||
| 1 | Pump 10L/min 400V 50/60 Hz | 71744 | |||
| 2 | Shield | 56120 | |||
| 3 | Quick Coupling Blue | 71694 (x1) | 71694 (x2) | ||
| 3 | Quick Coupling Red | 71695 (x1) | 71695 (x2) | ||
| 4 | Fill plug | 71299 | |||
| 5 | 5.5L tank | 90915 | 90861 | 90861 | M0136 |
| 6 | Water level sensor | – | 71766 | ||
| 7 | Water flow sensor | – | 81100 | ||
| 8 | 12pts connection cable | 91826 | |||
| 9 | 6pts connection cable | 91827 | |||
| 10 | Cooling unit circuit | 97772C | 97292C | 97292C | 97811C |
| 11 | Water radiato | 71778 | |||
| 12 | Fan | 51046 | |||
| 13 | Fuse holde | 51387 | |||
| 14 | Fuse | 51401 | |||
| 15 | Temperature sensor | 52105 | |||
| 16 | Double output solenoid valve | – | 70990 | ||
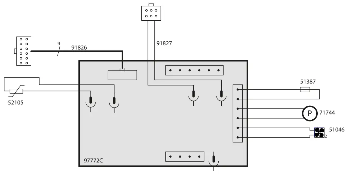
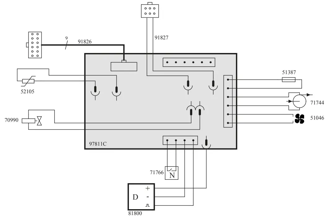
ELECTRIC DIAGRAM
EXACOOL :
NEOCOOL / WCU1KW C :
TWINCOOL :
TECHNICAL SPECIFICATIONS
| COOLING UNI | EXACOOL | NEOCOOL | WCU1KW C | TWINCOOL |
| Reference | CC/CV WCU | DIGITAL CONTROL WCU | ||
| Primary | ||||
| Power supply voltage | 400 V +/- 15% | |||
| Mains frequency | 50 / 60 Hz | |||
| Fuse | 5 A | |||
| Cooling power at 1l/min at 25°C | 1 kW | |||
| Correction factor 40°C | 0.58 | |||
| Maximum pressure | 0.4 MPa (58 psi) | |||
| Tank capacity | 5.5 l (1.45 gal US) | |||
| Functioning temperature | -10° → +40°C | |||
| Storage temperature | -20° → +55°C | |||
| Protection level | IP23 | |||
| Dimensions (Lxlxh) | 68 x 30 x 23 cm | |||
| Weight | 17 kg | 18 kg | ||
SYMBOLS
| Caution ! Read the user manual. | |
| EN60974-2 | This product is compliant with standard EN 60974-2. |
![]() | Power supply |
| 2~ 50/60 Hz | Three-phase power supply 50 or 60Hz |
| U1 | Assigned voltage |
| A | Amperes |
| I1max | Maximum rated power supply current. |
![]() | Cooling unit system |
| V | Volt |
| P 1L/min | Cooling power for 1Litre per minute |
| kW | Kilowatt |
| Pmax | Maximum output pressure |
| MPa | Megapascal |
| IP23 | Protected from foreign bodies Ø ≥12,5mm and water (30% horizontal). |
![]() | 5A fus |
![]() | Water inlet |
![]() | Water outlet |
| MAX | Maximum water level |
| MIN | Minimum water level |
![]() | Device compliant with European directives.. The certificate of compliance is available on our website. |
![]() | EAC Conformity marking (Eurasian Economic Community) |
| This hardware is subject to waste collection according to the European directives 2002/96/UE. Do not throw out in a domestic bin ! | |
![]() | This product should be recycled appropriately. |
![]() | Equipment in compliance with British requirements. The British Declaration of Conformity is available on our website (see home page). |
| Equipment in conformity with Moroccan standards. The declaration Cم (CMIM) of conformity is available on our website (see cover page). | |
![]() | Fan cooled hardware. |

GYS SAS
1, rue de la Croix des Landes
CS 54159
53941 SAINT-BERTHEVIN Cedex
France





























