GYS EASYMIG 85 Arc Welding Battery Chargers and Body Repair

Product Information
The product is EASYMIG 85, which is a MIG welding machine. The user manual is available in multiple languages including French (FR), English (EN), German (DE), Spanish (ES), Russian (RU), Dutch (NL), Italian (IT), Polish (PL), and Czech (CZ). The product model number is C75522_V4_03/01/2023. The manufacturer’s website is www.gys.fr. The product requires an input voltage of 230V – 1~.
Product Usage Instructions
- Before using the welding machine, read the user manual carefully to ensure proper use and safety.
- Ensure that the installation area is well-ventilated and free from flammable materials.
- When using extension leads, make sure they are of appropriate size and cross-section for the equipment’s voltage and comply with national safety regulations.
- Make sure the equipment has protection against vertical drops of water.
- Ensure that the welding machine is transported and handled with care to prevent damage.
- Regularly maintain and clean the equipment according to the instructions provided in the user manual.
WARNING SAFETY RULES
GENERAL INSTRUCTIONS
Read and understand the following safety recommendations before using or servicing the unit. Any change or servicing that is not specified in the instruction manual must not be undertaken.
The manufacturer is not liable for any injury or damage due to non-compliance with the instructions featured in this manual.In the event of problems or uncertainty, please consult a qualified person to handle the inspection properly.
ENVIRONMENT
This equipment must only be used for welding operations in accordance with the limits indicated on the descriptive panel and/or in the user manual. The operator must respect the safety precautions that apply to this type of welding. In case of inadequate or unsafe use, the manufacturer cannot be held liable for damage or injury.
This equipment must be used and stored in a place protected from dust, acid or any other corrosive agent. Operate the machine in an open, or well-ventilated area.
Operating temperature:
- Use between -10 and +40°C (+14 and +104°F).
- Store between -20 and +55°C (-4 and 131°F).
Air humidity:
- Lower or equal to 50% at 40°C (104°F).
- Lower or equal to 90% at 20°C (68°F).
Altitude:
- Up to 1000 meters above sea level (3280 feet).
PROTECTION OF THE INDIVIDUALS
Arc welding can be dangerous and can cause serious and even fatal injuries. Welding exposes the user to dangerous heat, arc rays, electromagnetic fields, noise, gas fumes, and electrical shocks. People wearing pacemakers are advised to consult with their doctor before using this device.
To protect oneself as well as the other, ensure the following safety precautions are taken:
- In order to protect you from burns and radiations, wear clothing without cuffs. These clothes must be insulated, dry, fireproof and in good condition, and cover the whole body.
- Wear protective gloves which guarantee electrical and thermal insulation.
- Use sufficient welding protective gear for the whole body: hood, gloves, jacket, trousers… (varies depending on the application/operation). Protect the eyes during cleaning operations. Do not operate whilst wearing contact lenses. It may be necessary to install fireproof welding curtains to protect the area against arc rays, weld spatters and sparks.
- Inform the people around the working area to never look at the arc nor the molten metal, and to wear protective clothes.
- Ensure ear protection is worn by the operator if the work exceeds the authorised noise limit (the same applies to any person in the welding area).
- Stay away from moving parts (e.g. engine, fan…) with hands, hair, clothes etc…
Never remove the safety covers from the cooling unit when the machine is plugged in – The manufacturer is not responsible for any accident or injury that happens as a result of not following these safety precautions. - The pieces that have just been welded are hot and may cause burns when manipulated. During maintenance work on the torch or the electrode holder, you should make sure it’s cold enough and wait at least 10 minutes before any intervention. The cooling unit must be on when using a water cooled torch in order to ensure that the liquid does not cause any burns.
ALWAYS ensure the working area is left as safe and secure as possible to prevent damage or accidents.
WELDING FUMES AND GAS
The fumes, gases and dust produced during welding are hazardous. It is mandatory to ensure adequate ventilation and/or extraction to keep fumes and gases away from the work area. An air fed helmet is recommended in cases of insufficient air supply in the workplace. Check that the air intake is in compliance with safety standards
Care must be taken when welding in small areas, and the operator will need supervision from a safe distance. Welding certain pieces of metal containing lead, cadmium, zinc, mercury or beryllium can be extremely toxic. The user will also need to degrease the workpiece before welding. Gas cylinders must be stored in an open or ventilated area. The cylinders must be in a vertical position secured to a support or trolley. Do not weld in areas where grease or paint are stored.
FIRE AND EXPLOSIONS RISKS
Protect the entire welding area. Compressed gas containers and other inflammable material must be moved to a minimum safe distance of 11 meters. A fire extinguisher must be readily available.
Be careful of spatter and sparks, even through cracks. It can be the source of a fire or an explosion. Keep people, flammable objects and containers under pressure at a safe distance. Welding of sealed containers or closed pipes should not be undertaken, and if opened, the operator must remove any inflammable or explosive materials (oil, petrol, gas…). Grinding operations should not be directed towards the device itself, the power supply or any flammable materials.
ELECTRIC SAFETY
- The machine must be connected to an earthed electrical supply. Use the recommended fuse size. An electrical discharge can directly or indirectly cause serious or deadly accidents.
Do not touch any live part of the machine (inside or outside) when it is plugged in (Torches, earth cable, cables, electrodes) because they are connected to the welding circuit.
Before opening the device, it is imperative to disconnect it from the mains and wait 2 minutes, so that all the capacitors are discharged. Do not touch the torch or electrode holder and earth clamp at the same time. Damaged cables and torches must be changed by a qualified and skilled professional. Make sure that the cable cross-section is adequate with the usage (extensions and welding cables). Always wear dry clothes in good condition, in order to be insulated from the electrical circuit. Wear insulating shoes, regardless of the environment in which you work in.
EMC CLASSIFICATION
- These Class A devices are not intended to be used on a residential site where the electric current is supplied by the public network, with a low voltage power supply. There may be potential difficulties in ensuring electromagnetic compatibility on these sites, because of the interferences, as well as radio frequencies.
- This equipment does not comply with IEC 61000-3-12 and is intended to be connected to private low-voltage systems interfacing with the public supply only at the medium- or high-voltage level. On a public low-voltage power grid, it is the responsibility of the installer or user of the device to ensure, by checking with the operator of the distribution network, which device can be connected.
- This equipment complies with the IEC 61000-3-11 standard.
ELECTROMAGNETIC INTERFERENCES
- The electric currents flowing through a conductor cause electrical and magnetic fields (EMF). The welding current generates an EMF field around the welding circuit and the welding equipment.
The EMF fields may disrupt some medical implants, such as pacemakers. Protection measures should be taken for people wearing medical implants. For example, access restrictions for passers-by or an individual risk evaluation for the welders.
All welders should take the following precautions in order to minimise exposure to the electromagnetic fields (EMF) generated by the welding circuit:
- position the welding cables together – if possible, attach them;
- keep your head and torso as far as possible from the welding circuit;
- never enroll the cables around your body;
- never position your body between the welding cables. Hold both welding cables on the same side of your body;
- connect the earth clamp as close as possible to the area being welded;
- do not work too close to, do not lean and do not sit on the welding machine
- do not weld when you’re carrying the welding machine or its wire feeder.
People wearing pacemakers are advised to consult their doctor before using this device. Exposure to electromagnetic fields while welding may have other health effects which are not yet known.
RECOMMENDATIONS TO ASSES THE AREA AND WELDING INSTALLATION
Overview
The user is responsible for installing and using the arc welding equipment in accordance with the manufacturer’s instructions. If electromagnetic disturbances are detected, it is the responsibility of the user of the arc welding equipment to resolve the situation with the manufacturer’s technical assistance. In some cases, this remedial action may be as simple as earthing the welding circuit. In other cases, it may be necessary to construct an electromagnetic shield around the welding power source and around the entire piece by fitting input filters. In all cases, electromagnetic interferences must be reduced until they are no longer bothersome.
Welding area assessment
Before installing the machine, the user must evaluate the possible electromagnetic problems that may arise in the area where the installation is planned.
In particular, it should consider the following:
- the presence of other power cables (power supply cables, telephone cables, command cable, etc…)above, below and on the sides of the arc welding machine.
- television transmitters and receivers ;
- computers and other hardware;
- critical safety equipment such as industrial machine protections;
- the health and safety of the people in the area such as people with pacemakers or hearing aids;
- calibration and measuring equipment
- the isolation of the equipment from other machinery.
- The user will have to make sure that the devices and equipment that are in the same room are compatible with each other. This may require extra precautions;
- make sure of the exact hour when the welding and/or other operations will take place.
- The surface of the area to be considered around the device depends on the building’s structure and other activities that take place there. The area taken in consideration can be larger than the limits determined by the companies.
Welding area assessment
Besides the welding area, the assessment of the arc welding systems installation itself can be used to identify and resolve cases of disturbances. The assessment of emissions must include in situ measurements as specified in Article 10 of CISPR 11. In situ, measurements can also be used to confirm the effectiveness of mitigation measures.
RECOMMENDATION ON METHODS OF ELECTROMAGNETIC EMISSIONS REDUCTION
- National power grid: The arc welding machine must be connected to the national power grid in accordance with the manufacturer’s recommendation. If interferences occur, it may be necessary to take additional preventive measures such as the filtering of the power suplly network. Consideration should be given to shielding the power supply cable in a metal conduit. It is necessary to ensure the shielding’s electrical continuity along the cable’s entire length. The shielding should be connected to the welding current’s source to ensure good electrical contact between the conduct and the casing of the welding current source.
- Maintenance of the arc welding equipment: The arc welding machine should be be submitted to a routine maintenance check according to the manufacturer’s recommendations. All accesses, service doors and covers should be closed and properly locked when the arc welding equipment is on. The arc welding equipment must not be modified in any way, except for the changes and settings outlined in the manufacturer’s instructions. The spark gap of the arc start and arc stabilization devices must be adjusted and maintained according to the manufacturer’s recommendations.
- Welding cables: Cables must be as short as possible, close to each other and close to the ground, if not on the ground.
- Electrical bonding: consideration shoud be given to bonding all metal objects in the surrounding area. However, metal objects connected to the workpiece increase the risk of electric shock if the operator touches both these metal elements and the electrode. It is necessary to insulate the operator from such metal objects.
- Earthing of the welded part: When the part is not earthed – due to electrical safety reasons or because of its size and its location (which is the case with ship hulls or metallic building structures), the earthing of the part can, in some cases but not systematically, reduce emissions It is preferable to avoid the earthing of parts that could increase the risk of injury to the users or damage other electrical equipment. If necessary, it is appropriate that the earthing of the part is done directly, but in some countries that do not allow such a direct connection, it is appropriate that the connection is made with a capacitor selected according to national regulations.
- Protection and plating: The selective protection and plating of other cables and devices in the area can reduce perturbation issues. The protection of the entire welding area can be considered for specific situations.
TRANSPORT AND TRANSIT OF THE WELDING MACHINE
- This welding power source comes equipped with a top strap so that it can be carried by hand. Be careful not to underestimate its weight. The strap is not intended to be used to suspend or hang the device.
Do not use cables or torch to move the welding power source. It should be moved in an upright position. Do not carry or transport the power source overhead of people or objects. It is advisable to remove the wire-feed spool before lifting or transporting the welding power source.
EQUIPMENT INSTALLATION
- Put the machine on the floor (maximum incline of 10°).
- Ensure the work area has sufficient ventilation for welding, and that there is easy access to the control panel.
- The machine must not be used in an area with conductive metal dust.
- The machine must be placed in a sheltered area away from rain or direct sunlight.
- The machine protection level is IP21, which means :
- Protection against access to dangerous parts from solid bodies of a ≥12.5mm diameter and,
- Protection against vertically falling drops.
The power cables, extensions, and welding cables must be fully uncoiled to prevent overheating.
- The manufacturer does not incur any responsibility regarding damages to both objects and persons that result from an incorrect and/or dangerous use of the machine.
- Stray welding currents/voltages may destroy earth conductors, damage electrical equipment or cause components to warm up which may cause a fire.
- All welding connections must be firmly secured, check regularly!
- Check that the metal piece fixation is strong and without any electrical problems!
- Attach or hang all the electrically conductive elements, such as the trolley in order to insulate them.
- Do not place any electrical equipment such as drills on top of the welding machine without insulating them!
- Always place welding torches or electrode holders on an insulated surface when they’re not in use!
MAINTENANCE/RECOMMENDATIONS
- Maintenance should only be carried out by a qualified person. Annual maintenance is recommended.
- Ensure the machine is unplugged from the mains, and wait for two minutes before carrying out maintenance work. DANGER High Voltage and Currents inside the machine.
- Remove the casing 2 or 3 times a year to remove any excess dust. Take this opportunity to have the electrical connections checked by a qualified person, with an insulated tool.
- Regularly check the condition of the power supply cable. If the power cable is damaged, it must be replaced by the manufacturer, its after-sales service or an equally qualified person.
- Ensure the ventilation holes of the device are not blocked to allow adequate air circulation.
- Do not use this equipment to thaw pipes, to charge batteries, or to start any engine.
INSTALLATION USING THE PRODUCT
Only experienced personnel, authorized by the manufacturer, may carry out the machine’s set-up. During set-up, ensure that the power source is unplugged from the mains. It is recommended to use the welding cables supplied with the unit in order to obtain the optimum product settings.
DESCRIPTION
Thank you for choosing GYS! In order to get the most out of your machine, please read the following carefully:
- The EASYMIG 85 is a semi-automatic, gasless, welding machine for use with flux-cored wires. It is manually adjustable and aided by the calibration table present on the product. This machine is recommended for welding steel.
ITEMS SUPPLIED WITH THE MACHINE

It is advisable to use the welding cables that come supplied with the product in order to ensure the optimum product settings.
POWER SUPPLY
This equipment is supplied with a 16 A CEE7/7 plug and must be connected to a single-phase, 230 V (50-60 Hz), three-wire electrical system with an earthed neutral connection. The actual absorbed current (I1eff) for optimal operating conditions is indicated on the equipment. Check that the power supply and its safeguards (fuse and/or circuit breaker) are compatible with the electric current being used. In some countries, changing the plug may be necessary to ensure the machine’s optimum performance.
During intensive use (> duty cycle) a thermal overload may be triggered, in which case the arc will be extinguished and the over-load indicator light will light up.
USING EXTENSION LEADS
All extension leads must be of a size and cross-section appropriate for the equipment’s voltage. Use an extension lead that complies with national safety regulations.
| Input voltage | Extension-lead length (<45 m) |
| 230 V – 1~ | 1.5 mm² |
WELDING MACHINE DESCRIPTION (FIG. I)
- Spool holder (Ø100 mm)
- Motorized wire-feed reel
- Fixed torch
- Fixed earth cable
- Potentiometer for wire speed adjustments
- Power cable (2 m)
- ON/OFF switch

HUMAN-MACHINE INTERFACE (HMI) (FIG. III)

| 1 | Green «ON» light: – When the appliance is turned on, the light comes on. – In the event of an electrical fault, the green light turns off but the machine remains live until the power cable is disconnected. | |
| 2 | ![]() | Orange «WARNING» light: – The machine is overheating; wait a few minutes until the light goes out and the machine restarts. – The current is too high on the primary circuit; switch off the machine (using the main switch), then switch it on again. |
| 3 | ![]() | Allows the wire-feed speed to be adjusted according to the thickness of the parts being welded. |
Advice:
- Adjusting the wire speed is often done «by ear»; the arc should be stable and not crackle very much.
- If the speed is too low, the arc is not continuous.
- If the speed is too high, the arc will crackle and the wire will tend to push the torch away.
INSTALLATION
When the unit is turned on, the switch on the back of the product lights up (FIG I-7) and the ON indicator light on the front of the device lights up green (FIG III-4).

«NO GAS» WIRE WELDING
- Select the wire speed according to the guidelines in the table shown on the appliance in accordance with the thickness of the parts to be welded (fig. III – 4).
- This equipment can only weld Ø 0.6 mm (ref. 086425) and Ø 0.9 mm (ref. 086104) flux-cored wire without gas.
- This machine is supplied to work with a Ø0.6 no gas wire. The contact tip, the rollers, the torch liner are made for this use.
- The product is equipped with a two-groove roller: Ø0.6 and Ø0.9.
- Should you wish to use 0.9mm wire, you will need to change the contact tip (ref. 041929).
SETTING UP THE SPOOL AND THE WELDING WIRE (FIG. II)
This equipment can only accommodate Ø 100 mm spools.
- Remove the contact tube from the torch (fig. D) as well as the nozzle (fig. E).
Fig A:
- Open the machine’s cover.
- Position the spool on its holder (1).
- Adjust the brake (2) to prevent the wire from tangling when the welding is stopped and the spool stops moving. Do not over-tighten as this will cause the power source to overheat. Then screw on the spool support (3).
Fig B:
The rollers supplied are double grooved (Ø 0.6 mm and Ø 0.9 mm notched groove):
- For Ø 0.9 mm flux-cored wire, use the Ø 0.9 mm groove.
Fig C:
To adjust the pressure of the motorized wire-feed roller, do the following:
- Loosen the knob (4) as far as possible and then lower it, insert the wire, and loosely close the motorized wire-feed roller.
- Start the power source by pulling the torch’s trigger.
- Tighten the knob while holding the torch’s trigger. When the thread starts to be drawn in, release the trigger.
- Pull the wire out of the torch by about 5 cm, then attach the contact tube and the nozzle to the end of the torch (fig. E).
RISK OF INJURY FROM MOVING PARTS!
The motorized wire-feed rollers have moving parts that can catch on hands, hair, clothing, or tools and may result in injuries!
- Do not touch rotating parts, moving parts, or powered component parts.
- Ensure that the housing covers or protective covers remain fully closed when in operation.
- Do not wear gloves when threading the filler wire or changing the filler-wire spool.
THERMAL PROTECTION AND ADVICE
This welding machine is fitted with a ventilation system that is regulated by the machine’s temperature. When the welding machine goes into thermal protection, it no longer supplies an electric current. The orange LED (fig. III-2) will light up until the temperature of the welding machine has returned to normal.
- Ensure the device’s air vents are open for the intake and outtake of air.
- Leave the device plugged in after welding and during thermal protection to allow the equipment to cool.
General comments:
- Respect the standard welding regulations.
- Make sure there is sufficient ventilation.
- Do not work on a wet surface.
TROUBLESHOOTING
| OPERATIONAL ISSUES | POSSIBLE CAUSES | SOLUTIONS |
|
The flow rate of the welding wire is not constant. | Spatter is obstructing the opening. | Clean or replace the contact tube and re-ap- ply the anti-sticking agent (ref. 041806). |
|
The wire is slipping on the rollers. | • Check the rollers’ pressure or replace them. • Wire diameter does not match that of the roller. • Wire-guide sheath in the torch not suitable for use. | |
| The unwinding mechanism is not wor- king. | The spool’s brake or roller is too tight. | Release the brake and the rollers. |
| Power supply problem. | Check that the start button is in the ON position. | |
| Incorrect unwinding of the wire. | Dirty or damaged wire-guide sheath. | Clean or replace. |
| Pressure roller not tight enough. | Further tighten the roller. | |
| Spool’s brake is too tight. | Release the brake. | |
| No welding current. | Incorrect mains outlet connection. | Check the socket’s connection and verify that the socket is supplied with 230 V (1PH). |
| Poor earth connection. | Check the earth wire (the condition of the clamp). | |
| Power switch not working. | Check the torch’s trigger. | |
| The wire gets jammed after passing through the rollers. | Compressed wire-guide sheath. | Check the wire-guide sheath and body of the torch. |
| Wire blockage in the torch. | Replace or clean. | |
| No capillary tube. | Check that the capillary tube is present. | |
| Wire-speed too high. | Reduce the wire speed. | |
| The weld bead is porous. | Air circulation or wind influence. | Avoid draughts and protect the welding area. |
| Gas nozzle is too clogged. | Clean or replace the gas nozzle. | |
| Bad wire quality. | Use a wire suitable for NO GAS welding | |
| Poor quality of the welding surface (rust, etc.). | Clean the part before welding. |
WARRANTY
The warranty covers faulty workmanship for 2 years from the date of purchase (parts and labour).
The warranty does not cover:
- Transit damage.
- Normal wear of parts (eg. : cables, clamps, etc..).
- Damages due to misuse (power supply error, dropping of equipment, disassembling).
- Environment-related failures (pollution, rust, dust).
In case of failure, return the unit to your distributor together with:
- The proof of purchase (receipt etc …)
- A description of the fault reported.
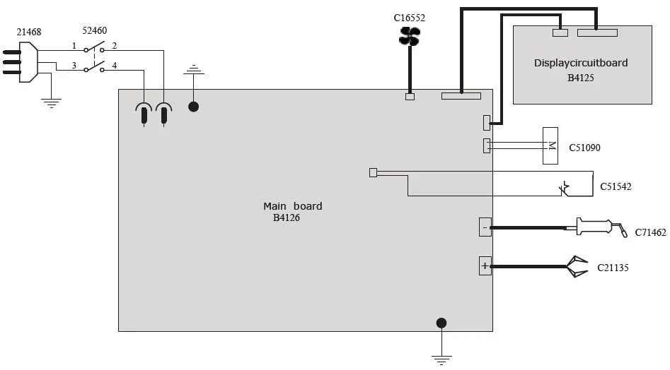
SPARE PARTS

| 1 | Main circuit board | B4126 |
| 2 | Display card | B4125 |
| 3 | Power Switch | 52460 |
| 4 | Power cable | 21468 |
| 5 | Fan | C16552 |
| 6 | Earth cable | C21135 |
| 7 | Wire feeder (without roller) | C51090 |
| 8 | Reel stand | 53268 |
CIRCUIT DIAGRAM

TECHNICAL SPECIFICATIONS
Primary | ||||
| Power supply voltage | U1 | 230 V +/- 15% | ||
| Mains frequency | 50 / 60 Hz | |||
| Number of phases | 1 | |||
| Fuse | 16 A | |||
| Maximum effective supply current | I1eff | 5.8 A | ||
| Maximum supply current | I1max | 13 A | ||
| Mains cable section | 3 x 1.5 mm² | |||
| Maximum active power consumed | 1 820 W | |||
| Idle consumption | 4.8 W | |||
| Efficiency at I2max | 84 % | |||
| Power factor at I2max | λ | 0.61 | ||
| EMC class | A | |||
| Secondary | MIG | |||
| No load voltage | U0 (TCO) | 30 V | ||
| Type of welding current | DC | |||
| Welding modes | MIG | |||
| Minimum welding current | 30 A | |||
| Rate current output | I2 | 30 => 85 A | ||
| Conventional voltage output | U2 | 15.5 => 18.25 V | ||
| Duty cycle at 40°C (10 min), Standard EN60974-1. | Imax | 20 % | ||
| * | 60 % | 50 A | ||
| 100 % | 40 A | |||
| Minimum and maximum diameter of filler wire | Acier / Steel | 0.6 / 0.9 mm | ||
| Drive roller type | D | |||
| Motor speed | 1 => 7 m/min | |||
| Motor power | 10 W | |||
| Maximum diameter of the supply reel | Ø 100 mm | |||
| Maximum weight of the filler wire reel | 1 kg | |||
| Functioning temperature | -10°C => +40°C | |||
| Storage temperature | -20°C => +55°C | |||
| Protection level | IP21 | |||
| Minimum coil insulation class | B | |||
| Dimensions (LxWxH) | 29 x 14 x 19.5 cm | |||
| Weight | 5.5 kg | |||
The duty cycles are measured according to standard EN60974-1 à 40°C and on a 10 min cycle. While under intensive use (> to duty cycle) the thermal protection can turn on, in that case, the arc switches off and the indicator
switches on. Keep the machine’s power supply on to enable cooling until thermal protection cancellation. The welding power source describes an external drooping characteristic. The power supply shows a flat output pattern. In some countries, U0 is called TCO.
SYMBOLS
![]() | Warning! Read the user manual before use. | |||
| Undulating current technology-based sources delivering direct current. | ||||
![]() | MIG / MAG welding | |||
![]() | Suitable for welding in an environment with an increased risk of electric shock. However, this machine should not be placed in such an environment. | |||
| Direct welding current | ||||
| U0 | Open circuit voltage | |||
| X(40°C) | Duty cycle according to standard EN 60974-1 (10 minutes – 40°C). | |||
| I2 | Corresponding conventional welding current | |||
| A | Amperes | |||
| U2 | Conventional voltage in corresponding loads. | |||
| V | Volt | |||
| Hz | Hertz | |||
| Wire-speed | ||||
| m/min | Meter per minute | |||
| Single-phase power supply 50 or 60 H | ||||
| U1 | Assigned voltage | |||
| I1max | Maximum-rated power supply current (effective value). | |||
| I1eff | Maximum effective power supply current. | |||
| The device complies with European directives, The EU declaration of conformity is available on our website (see cover page). | ||||
| Equipment in compliance with British requirements. The British Declaration of Conformity is available on our website (see home page). | ||||
| Equipment in conformity with Moroccan standards. The declaration Cم (CMIM) of conformity is available on our website (see cover page). | ||
| IEC 60974-1 IEC 60974-10 Class A | The device is compliant with standard EN60974-1 and EN60971-10 class A device | |
| IEC 60974-5 | This product is compliant with standard EN 60974-5. | |
| This hardware is subject to the waste collection according to the European directives 2012/19/EU. Do not throw it out in a domestic bin! | ||
| Recyclingprodukt, das gesondert entsorgt werden muss. | ||
| EAEC Conformity marking (Eurasian Economic Community | ||
| Temperature information (thermal protection) | ||
GYS SAS
1, rue de la Croix des Landes CS 54159 53941 SAINT-BERTHEVIN Cedex France.


























