GYSPACK HERITAGE Arc Welding Battery Chargers and Body Repair 
SAFETY INSTRUCTIONS
- This manual includes guidelines on the operation of your device and the precautions to follow for your own safety. Ensure it is read carefully before first use and keep it handy for future reference. These instructions should be read and understood before anyone operates the product. Any modifications or maintenance that are not specified in the manual should not be undertaken. The manufacturer is not liable for any injury or damage due to non-compliance with the instruction manual. In case of problems or uncertainties, please consult a qualified person that is able to handle the device correctly. This device should only be used for start-up and or power supply within the limits indicated on the device and in the manual. The safety instructions must be followed. In case of improper or unsafe use, the manufacturer cannot be held responsible.
- Device is suitable for indoor use only. Do not expose to rain or excessive moisture.
- This device may be used by children from age 8 and by persons with reduced physical, sensory or mental capabilities or lack of experience and knowledge, provided that they are under supervision or have been told how to use the device safely and are aware of the potential risks. Children must not use the device as a plaything. Cleaning and servicing tasks may not be carried out by children unless they are supervised.
- Do not use for charging non-rechargeable batteries
- Do not use any charger other than the one supplied with the machine to charge the batteries.
- Do not operate the device with a damaged power supply cord or a damaged mains plug.
- Do not use the device if the charging cable appears to be damaged or assembled incorrectly in order to avoid any risk of short circuiting the battery.
- Never charge a frozen or damaged battery.
- Do not cover the device
- Do not place the device near a fire or subject it to heat or to longterm temperatures exceeding 60°C
- Do not obstruct the cooling vents. Refer to the installation section before operating the machine.
- The automatic mode of operation and usage restrictions are explained below in these operating instructions.
- Risk of explosion or acid projection in case of short-circuit of the clamps or if the 6 V booster is connected to a 12 V vehicle or vice versa.
- The automatic mode of operation and usage restrictions are explained below in these operating instructions.
Risk of explosion and fire!
A battery being charged can emit explosive gas.
- During the charge, the battery must be placed in a well-ventilated area.
- Avoid flames and sparks. Do not smoke.
- Protect the electrical contacts of the battery against short-circuiting.
Acid projection hazard!
- Wear safety goggles and protective gloves
- If your eyes or skin come into contact with battery acid, rinse the affected part of the body with plenty of water and seek immediate medical assistance.
Connection/disconnection
- Disconnect the power supply before connecting/disconnecting the device to/from the battery
- The terminal of the battery that is not connected to the car frame must be connected first. The other connection must be made on the car frame, far from the battery and the fuel line.
- After the start-up operation, disconnect the booster. First, remove the chassis connection and then the battery connection, in the order shown.
Connection:
- Class II device (charger booster)
- Class III device (booster)
- This machine is fuse-protected
- Connection to the mains must be made according to the national installation regulations.
Maintenance:
- The power supply cable cannot be replaced. If the cable is damaged,the device should not be used.
- Service should be performed by a qualified person
- Warning! Always remove the power plug from the wall socket before carrying out any work on the device.
- Regularly take off the cover and remove dust with an air gun. Take the opportunity to have a qualified person check the electrical connections with an insulated tool.
- Under no circumstances should solvents or other aggressive cleaning agents be used.
- Clean the device’s surfaces with a soft, dry cloth.
Regulations:
- The device complies with European Directive.
- The certificate of compliance is available on our website.
- EAC conformity mark (Eurasian Economic Commission)
- Equipment in compliance with British requirements. The British Declaration of Conformity is available on our website (see home page).
- Equipment in conformity with Moroccan standards.
- The declaration Cم (CMIM) of conformity is available on our website (see cover page).
Disposal:
- This product should be disposed of at an appropriate recycling facility. Do not dispose of in the domestic waste.
- The battery fitted in this device is recyclable. Please proceed according to the applicable recycling regulations.
- The battery must be removed from the device before the latter is discarded.
- The device must absolutely be disconnected from the power supply network before removing the battery.
GENERAL DESCRIPTION
With built-in high performance batteries, the Gyspack Heritage (standard and mobile versions) provide 4 functions:
- Internal batteries test
- Instant Start from vehicle equipped with 6V-12V Lead battery (Gel or Liquid electrolyte).
- 12 V DC power supply, to supply light Spot, TV, tools, etc…
- Back up ligh
CHARGE THE INTERNAL BATTERY
|
| The booster must be stored in a vertical position. Any other storage position should only be temporary. |
| Before using the device turn the knob to OFF. Charge the device once bought and after each use with the charger provided. Do not use another charger than the one provided with the device. | |
| To recharge the device, it is recommended to use only the GYS charger supplied with the booster. GYS will not accept any responsibility in case of use of another charger, susceptible to not charging the battery and damaging it. |
These devices are supplied with an external charger, double insulation, equipped with a floating system that maintains the internal battery fully charged without the need for monitoring.
To recharge a Gyspack Heritage :
- Place the device vertically during charging to avoid acid leaking and damaging the internal battery.
- Turn the knob to 12V to start charging.
- Connect the Gyspack Heritage with the cigarette lighter connection. The cigarette lighter has red LED lights when the charger is plugged. If it does not, check the internal fuse of the cigarette lighter plug and make sure that the main switch is on 12V.
- Plug the external charger to a single-phase power supply.
- The charge is indicated with a red LED on the external charger.
- The device is charged once this LED turns back to green.
- After a start, leave the Gyspack Heritage plug a few minutes to pre-charge it. A charge on the mains is necessary and extends the length of life of the product.
STARTING A VEHICLE (P.51-52)
Do not disconnect the battery from the vehicle. Disconnecting the battery may result in loss of information and a possible inability to restart.
In order to use the Gyspack Heritage as a starter, follow these steps:
- Disconnect the Gyspack Heritage from the mains. Turn the vehicle ignition key to OFF.
- Position the switch «OFF» (6).
- When the battery negative terminal is connected to the vehicle chassis:
- Connect the red clamp to the positive terminal of the battery.
- Connect the black clamp to the vehicle chassis, and ensure it is not close to fuel lines and the battery.
- Some vehicles have the battery-positive terminal connected to the chassis, in this case:
- Connect the black clamp to the negative terminal of the battery.
- Connect the red clamp to the vehicle chassis, and ensure it is not close to fuel lines and battery.
- The cables must not be pinched or in contact with hot or sharp surfaces.
- Put the switch (6) to 6 V or 12 V positions according to the vehicle to start.
- Go to the driver’s seat and turn the ignition key (6-sec max). If your engine does not start, wait 3 minutes until next attempt.
- If the cooling period between each attempt (3 minutes) is not observed or if the duration of the attempt is too long (> 6 seconds), the chances of a successful jumpstart are significantly reduced (risk of power loss).
- Risk of battery acid leaks or damage if the recommended periods are not observed.
- If the vehicle does not start, it may be a problem other than a faulty battery: alternator, glowplug…
- Risk of explosion or acid splashes when connecting a 6 V booster on a 12 V vehicle (or a 12 V booster on a 6 V vehicle).
- Beware of possible short-circuit of the clamps.
- Position the switch (6) on «OFF».
- After use, when the battery negative terminal is connected to the vehicle chassis:
- Turn the switch (6) to OFF (if any), disconnect the charger from the mains then disconnect the black clamp and finally the red clamp.
- When the battery-positive terminal is connected to the chassis, in this case:
- Turn the switch (6) to OFF (if any), then disconnect the red clamp and finally the black clamp.
- Recharge your Gyspack Heritage after use. (see ‘Charging internal battery)
USE AS A 12V DC POWER SUPPLY (P.51-52)
The cigarette lighter plug is protected by an integrated 15 A circuit breaker. In the event of an overheating due to an overcharge, the circuit breaker will stop the power supply.
This device can be used as a 12V DC power supply for many electrical debices such as radio, fan, electrical tools, camera, TV…
- Turn the knob (6) to the OFF position.
- Plug the cigarette lighter socket (12) of your electrical device in the Booster (10) (cable not included).
- Turn the switch (6) onto the 12V position.
The output is protected by a 15A thermal circuit-breaker.
| Estimated autonomy of Gyspack Heritage as a 12 V DC power supply | ||
| Device | Estimated consumption (in watts) | Estimated automomy (in hours) |
| Fluorescent cellular light | 4 | 69 |
| Radio, Fan, Echoprobe | 9 | 30 |
| Videocamera, light spot | 15 | 18 |
| Power tool, drying pump | 24 | 11 |
| Air Compressor, Car vaccum cleaner | 80 | 3 |
LED LIGHT
(Standard version only)
The Gyspack Heritage is equipped with a lamp incorporated by 7 high brightness LED. It lights up with the «LIGHT» button (2) located nearby.
PROTECTION (P.51-52)
This device is designed with many protection features :
- ON/OFF battery breaker : protection against overvoltage when clamps are connected on the battery.
- An alarm beep in case of reversed polarity and misuse.
- Copper cable 2 x 1.80m, ø 25mm² with 600A insulated clamps.
- 300A fuse located on the plastic case. A replacement duse is located at the back of the device (ref. 054561).
- An orange indicator (1) flash after a start means that the bosster must be recharged.
TROUBLESHOOTING
| Troubleshooting Causes Solutions | ||
| The orange LED of the device is flashing. | At some point, the voltage of the internal battery has dropped below 12V following a start or a heavy consumption. | Charge the device after each use. The orange indicator is still flashing more than 10 minutes after the beginning of the charge. |
| The device beeps and the red LED is on. | The device detects a polarity reversal. | Check the battery polarity. |
|
Sparks appear when the clampsmake contact with the battery terminals. | The switch is on 6 V or 12 V. | Switcht machine off before connecting the clamps to the battery. |
| The wrong voltage is selected at the switch. | Check that the selected voltage match the voltage of the vehicle battery. | |
| The position of the negative and positive clamps on the battery terminals is incorrect (polarity reversal). | Check the battery polarity. | |
| The unit can not start the vehicle. | The switch is in the OFF position. | Position the switch on the desired voltage. |
|
The unit can not start the vehicle. The orange LED of the device is flashing. | The internal battery is discharged. | Charge the unit, and try again after the charge is complete. |
| Several jump start attempts without pause between each. | Wait 3 minutes between 2 starts. Each start attempt must not exceed 5 seconds. | |
| The battery voltage is incorrect.. | Check that the voltage of the vehicle’s battery matches with the selected voltage on the unit. | |
|
The unit cannot start the vehicle anymore and the both LEDs are switched off. | The voltage of the internal batteries is very low. It may be that the internal batteries are damaged. | Put the device on charge in order to attempt to recover the battery. |
| The internal batteries are damaged and cannot be recharged. | Contact the GYS after sale service to organise a replacement of the batteries. | |
| The fuse has melted. | Check and replace the fuse. | |
| The charge of the internal batteries does not start (the charge LED remains green when first connected to the mains). | The cigarette lighter plug is not correctly plugged to the socket of the machine. | Check the cigarette lighter connection. |
| The switch is on OFF or 12 V. | Set the switch to 6 V. | |
| The fuse of the cigarette lighter socket has melted. | Replace the fuse of the cigarette lighter socket by unscrewing its end. | |
| The charger red LED flashes during the charge. | The mains switch is on the 12 V position instead of 6 V. | Set the switch to the 12V position. |
| The internal batteries are damaged and cannot be recharged. | Contact the GYS after sale service to organise a replacement of the batteries. | |
| After a day of charge, the end of charge indicator does not activate. | The internal batteries are damaged and cannot be recharged. | Contact the GYS after sale service to organise a replacement of the batteries. |
| In external 12V power source mode, the booster no longer delivers power. | The internal thermal protection circuit- breaker has cut the circuit. | Disconnect the external device connected to the machine and wait for the circuit-breaker to reset itself automatically. |
| The lamp does not switch on. | The internal battery is discharged. | Charge the unit, and try again after the charge is complete. |
BATTERY NOT COVERED BY WARRANTY
Batteries are live parts, their life depends on maintenance. After each use of this starter, it is essential to recharge the internal batteries. Storage in places with high temperatures greatly reduces the battery charge. In the case of prolonged non-use, it is strongly recommended to recharge the batteries before use. In general, we recommend leaving the product plugged in continuously to maintain the batteries at their best performance.
This product is equipped with 2 high-performance batteries if the maintenance instructions are not followed the batteries can deteriorate irreversibly over time.
For this reason, the Gyspack Heritage batteries are excluded from the warranty.
WARRANTY
The warranty covers faulty workmanship for 2 years from the date of purchase (parts and labour). The warranty does not cover:
- Transit damage.
- Normal wear of parts (eg. : cables, clamps, etc..).
- Damages due to misuse (power supply error, dropping of equipment, disassembling).
- Environment-related failures (pollution, rust, dust).
- The retractable handle for the mobile version
In case of failure, return the unit to your distributor together with:
- The proof of purchase (receipt etc …)
- A description of the fault reported
STARTPACK DISASSEMBLY
Disassemble the product is useful especially to replace batteries. Proceed as such :
Ensure to turn the switch OFF and disconnect all the accessories plugged to the cigarette lighter plug.
Unscrew the back panel (18 screws) and remove it.
BATTERY REPLACEMENT
Regardless of the type of Gyspack Heritage and its use mode (6V or 12V), always replace both batteries at the same time.
| Battery | Type | Voltage (V) | Capacity (Ah) | Batteries dimension (mm) | Battery ref | |
| Gyspack Heritage | CB20-5B | Lead acid battery | 2 x 6 | 2 x 20 | 157 x 126.5 x 83 | C21555 |
To replace the batteries :
- First the back panel must be unscrewed (18 screws) and removed.
- Once the back panel has been removed, the batteries are visible, next to each other.
- The battery is connected to the START PACK at two points : at the – terminal and at the + terminal. To remove the battery, remove the screws (see pictures 1 and – 2 ) that enable the connection between the battery and the Gyspack Heritage at the terminals + and -.
Once the first battery is removed, make sure to insulate the terminals to prevent any short circuit. Then remove the second battery.
When setting up the new battery the new batteries, make sure to associate the polarities of both the batteries and the Gyspack Heritage. – Terminal on the left, + terminal on the right (see picture). Put the 4 screws and washers back on, tighten the nuts (recommended tightening torque of 4 Nm).
Once the batteries are replaced, proceed in reverse order of the above operations in order to recover the booster.
PRODUCT INTERFACE
| 1 | Orange light for discharged battery |
| 2 | Emergency light switch |
| 3 | Emergency light |
| 4 | ON-OFF-6V-12V power switch |
| 5 | flexible cables |
| 6 | Clamps |
| 7 | Red light for polarity reversal of the clamps |
| 8 | 12V DC output socket with overload protection |
| 9 | Cigarette lighter connection with fuse |
| 10 | Light of the charge state |
| 11 | 230 V adapter – charger cord |
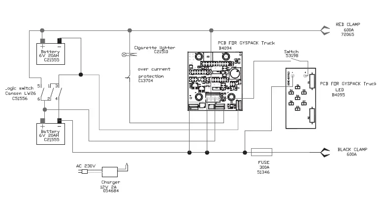
CIRCUIT DIAGRAM
SPARE PARTS
| PCB Gyspack Heritage | B4094 |
| Lighting system | B4095 |
| Push-button for the lamp | 51382 |
| 6-12 V switch | C51556 |
| Cigarette lighter plug | 71255 |
| Fuse 300A | 51346 |
| Red clamp | 72066 |
| Black clamp | 72065 |
| charger | 054684 |
| Handle | 56153 |
| Circuit breaker | C13704 |
| Battery | C21555 |
TECHNICAL SPECIFICATION
| Voltage input | 100V-240V 50/60 Hz |
| Charger’s maximum nominal power | 29,2 W |
| Charging voltage | 5,7 V – 14,8 V |
| Charging curren | 2 A |
| Nominal charging capacity | 2 x 20 Ah |
| Charging curve | IUoU |
| Functionning temperature | -15°C / 40 °C |
| Storing temperature | -18°C / 45 °C |
| Protection rating | IP20 |
| Machine weight (including all cables) | 12,8 kg |
| Dimensions (Lx l x H) | 36,5 x 20,2 x 45,5 cm |
BATTERY ICONS
![]() | Keep away from flames and sparks. Do not smoke. |
![]() | Risk of electric shock. |
![]() | Do not let children handle the battery. |
SYMBOLS
![]() | Recyclable product that falls within waste sorting recommendations (according to Decree n° 2014-1577). |
| Protected against fingers access to dangerous parts | |
| Noise level | |
| Charger connection plug |
CS 54159
53941 SAINT-BERTHEVIN Cedex
GYSPACK HERITAGE Arc Welding Battery Chargers and Body Repair 


























