GYSPACK PRO 700 Arc Welding Battery Chargers and Body Repair

SAFETY INSTRUCTIONS
This manual includes guidelines on the operation of your device and the precautions to follow for your own safety. Ensure it is read carefully before first use and keep it handy for future reference. These instructions should be read and understood before anyone operates the product. Any modifications or maintenance that are not specified in the manual should not be undertaken. The manufacturer is not liable for any injury or damage due to non-compliance with the instruction manual. In case of problems or uncertainties, please consult a qualified person that is able to handle the device correctly. This device should only be used for start-up within the limits indicated on the device and in the manual. The safety instructions must be followed. In case of improper or unsafe use, the manufacturer cannot be held responsible.
Device suitable for indoor use only. Do not expose to rain or excessive moisture.
This device may be used by children from age 8 and by persons with reduced physical, sensory or mental capabilities or lack of experience and knowledge, provided that they are under supervision or have been told how to use the device safely and are aware of the potential risks. Children must not use the device as a plaything. Cleaning and servicing tasks may +not be carried out by children unless they are supervised.
Do not use for charging non-rechargeable batteries
Do not use any charger other than the one supplied with the machine to charge the batteries.
Do not operate the device with a damaged power supply cord or a damaged mains plug.
Never charge a frozen or damaged battery.
Do not cover the device
Do not place the device near a fire or subject it to heat or to long-term temperatures exceeding 50°C
Do not obstruct the cooling vents. Refer to the installation section before operating the machine.
Risk of explosion or acid projection in case of short-circuit of the clamps or if the 12V booster is connected to a 24V vehicle or vice versa.
The automatic mode of operation and usage restrictions are explained below in these operating instructions.
Risk of explosion and fire!
A battery being charged can emit explosive gas.
During the charge, the battery must be placed in a well ventilated area.
Avoid flames and sparks. Do not smoke.- Protect the electrical contacts of the battery against short-circuiting.
Do not leave a charging battery unattended for a long time
Acid projection hazard!
Wear safety goggles and protective glove
If your eyes or skin come into contact with battery acid, rinse the affected part of the body with plenty of water and seek immediate medical assistance
Connection / disconnection:
Disconnect the power supply before connecting/disconnecting the device to/from the battery.- The terminal of the battery that is not connected to the car frame must be connected first. The other connection must be made on the car frame, far from the battery and the fuel line. The battery charger must be connected to the power supply network.
- After the charging process, disconnect the battery booster from the power supply network and remove the connector from the car frame and then the connector from the battery, in this order.
Connection:
This device must be connected to an earthed power supply.
This machine is fuse-protected.- Connection to the mains must be made according to the national installation regulations
Maintenance:
If the power supply cable is damaged, it must be replaced by the manufacturer, its service agent or an equally qualified person.- Service should be performed by a qualified person
Warning! Always remove the power plug from the wall socket before carrying out any work on the device.- If the internal fuse is blown, it must be replaced by the manufacturer, its after-sales service or an equally qualified person.
- Regularly take off the cover and remove dust with an air gun. Take the opportunity to have a qualified person check the electrical connections with an insulated tool.
- Under no circumstances should solvents or other aggressive cleaning agents be used.
- Clean the device’s surfaces with a soft, dry cloth.
Regulations
The device complies with European Directive.- The certificate of compliance is available on our website.
EAC conformity mark (Eurasian Economic Commission)
Equipment in compliance with British requirements. The British Declaration of Conformity is available on our website (see home page).
Equipment in conformity with Moroccan standards.- The declaration Cم) CMIM) of conformity is available on our website (see cover page).
Disposal:
This product should be disposed of at an appropriate recycling facility. Do not dispose of in domestic waste.- The battery fitted in this device is recyclable. Please proceed according to the applicable recycling regulations.
- The battery must be removed from the device before the latter is discarded.
- The device must absolutely be disconnected from the power supply network before removing the battery.
GENERAL DESCRIPTION
This autonomous starter is intended for the starting of the vehicles equipped with a 12 V battery. GYSPACK functions thanks to a battery high performance. For an appropriate use of the machine and a longer life cycle of its internal battery, it is essential to connect the GYSPACK to the sector and to position the battery on OFF after each use. It is recommended to leave it connected to the mains until further use.
USE IN A STARTER MODE
1- Test the battery
Test the battery before each use: press on the button test
INTERNAL BATTERY 12 V TEST the result is posted:
Red indicator: obligation to reload. Warning: never use themachine when the red indicator lights on.
Orange indicator: It is strongly advised to reload before use.
Green indicator: The battery is charged. Possible starting.
2- Starting of a vehicle
- Leave the battery switch on OFF.
- Put the red grip at +, and the black grip at -.
When you hear a signal sound, you made an inversion of polarity.
In this case, disconnect and connect again the grips by respecting the polarity. - Put the battery switch in ON position.
- Turn your vehicle key (6 seconds maximum) to activate the starter function.
- Put the battery switch on OFF, then disconnect the GYSPACK.
- Charge the charger. In general, a starting requires 400 to 500 A
In case of several attempts, wait for a while before starting again (3 min).
A vehicle which does not start, can have a problem other than a battery discharge: alternator, plug preheating,…
USE IN A CHARGER MODE (FOR INTERNAL BATTERY)
- Connect the charger to the power pack 220-240 V – 50/60Hz.
The red indicator lights when the connection to the battery is done and shows that the charge is in process.
The orange indicator indicates a regulation phase, it remains less than 2 H of load.
The green indicator lights when the battery is charged.
It is advisable to keep the GYSPACK connected to the mains so that the integrated charger manages the internal battery to prevent it from being damaged.
- For more information on the progress of the state of charge:

CIGAR LIGHTER SOCKET
CIGAR LIGHTER SOCKET
It can be used for the following uses : To connect a portable lamp (fusible 10 A)
- To maintain and save the memories of the vehicle. Warning : check before that the consumption does not exceed the fuse gauge (risk of cables heating).
It is forbidden to reload the booster using the cigar lighter socket. It must be used only for very low consumptions
PROTECTIONS
Your product has been developed with a maximum of protections.
- The grips of starting are insulated.
- This device is protected by one fuse 200 A (700 : ref. 054547) or 300 A (900 : ref. 054561).
- Thermal protection: the battery transformer of the product is protected by a thermal switch (cooling: about ¼ h
USE OF CIGARETTE LIGHTER PLUGS

This type of cigarette lighter connection lead is limited to 10A. Supplied with some of our GYSPACK, they are SOLELY designed for memory backup. Any other use can be dangerous.
Risk of fire! We strongly advise against using the cigarette lighter lead to jump start or power a 12V appliance for instance.
BATTERY NOT COVERED BY WARRANTY
Batteries are live parts, their life depends on maintenance. After each use of this starter, it is essential to recharge the internal batteries. Storage in places with high temperatures greatly reduces the battery charge. In the case of prolonged non-use, it is strongly recommended to recharge the batteries before use. In general, we recommend leaving the product plugged in continuously to maintain the batteries at their best performance.
This product is equipped with a high performance batterie if the maintenance instructions are not followed the batteries can deteriorate irreversibly over time.
For this reason the GYSPACK batteries are excluded from the warranty.
WARRANTY
The warranty covers faulty workmanship for 2 years from the date of purchase (parts and labour).
The warranty does not cover:
- Transit damage.
- Normal wear of parts (eg. : cables, clamps, etc..).
- Damages due to misuse (power supply error, dropping of equipment, disassembling).
- Environment related failures (pollution, rust, dust).
In case of failure, return the unit to your distributor together with:
- The proof of purchase (receipt etc …)
- A description of the fault reported
BATTERY REPLACEMENT

| Product | Battery | Type | Voltage (V) | Capacity (Ah) | Dimensions (cm) | Battery ref |
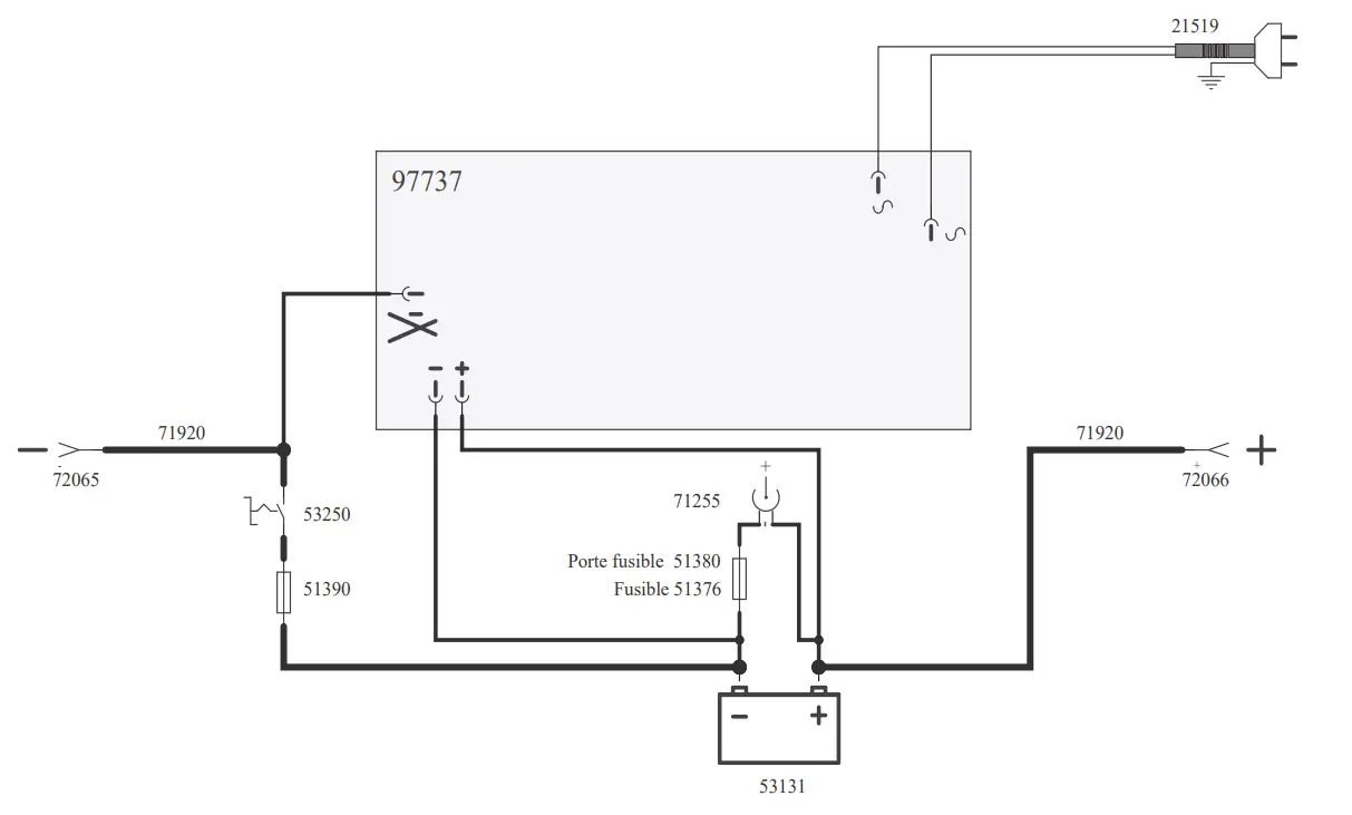
| GYSPACK PRO 700 | G16EP | Lead acid battery | 12 | 16 | 18 x 8 x 17 | 53131 |
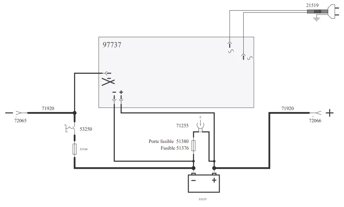
| GYSPACK PRO 900 | PC950 | Lead acid battery | 12 | 30 | 25 x 9,7 x 15,6 | 53135 |
To replace the battery:
- The booster must be disconnected from the power
- Then, unscrew the back panel (picture 1 1 – 8 screw) and remove
- The battery is stabilized in the GYSPACK by a battery Loosen the 2 screws located on the front wall so that the battery can be removed (illustration 2 ) .
- Once this has been done, the front of the battery is visible (see picture). The battery is connected to the GYSPACK at two points: at the – terminal (picture 3 ) and at the + terminal (picture 4 ). To remove the battery, remove the2 nuts that enable the connection between the battery and the GYSPACK at the + and — terminals.
When putting a new battery in, make sure to match the polarities of both the battery and the GYSPACK PRO 700/900. – Terminal on the left, + terminal on the right (see picture). Put the 2 screws and washers back on, tighten the nuts (recommended tightening torque of 4 Nm). - Tighten again the partition and screw the back panel back on
SPARE PARTS

| N° | PRO 700 | PRO 900 | |
| 1 | Griff – Asa | 56288 | |
| 2 | Main cable | 21519 | |
| 3 | Fuse holder | 51380 | |
| 4 | fuse | 054530 | |
| 5 | Battery switch | 53250 | |
| 6 | Set of cable + clamp (red and black) | 71920 | – |
| – | 71921 | ||
| 7 | Fuse holder | 51400 | |
| 8 | fuse | 054547 | – |
| fuse | – | 054561 | |
| 9 | Cigarette lighter socket | 71255 | |
| 10 | Cigarette lighter cord – | 51144 | |
| 11 | Corner skates | 56163 | |
| Inside | Circuit board | 97737C | |
| 53131 | 53135 | ||
CIRCUIT DIAGRAM
GYSPACK PRO 700

GYSPACK PRO 900

TECHNICAL FEATURES
| PRO 700 PRO 900 | ||
| Voltage input | 220-240 V 50/60 Hz | |
| Charger’s maximum nominal power | 43 W | |
| Charging voltage | 12 V | |
| Charging current | 2,5 A | |
| Nominal charging capacity | 16 Ah | 30 Ah |
| Charging curve | IUoU (7 Steps) | |
| Operating temperature | 0°C / 50°C | |
| Charging temperature | 10°C / 40°C | |
| Storing temperature | -20°C / 50°C | |
| Protection rating | IP21 | |
| Machine weight (including all cables) | 12 kg | 16 kg |
| Dimension (L x l x H) Dimensions (L x l x H) | 16,5 x 31 x 32 cm | |
SYMBOLS
| Recyclable product that falls within waste sorting recommendations (according to Decree n° 2014-1577). . | |
| Protected against rain and against fingers access to dangerous parts. | |
| < 70dB | Noise level |
GYS SAS
1, rue de la Croix des Landes
CS 54159
53941 SAINT-BERTHEVIN Cedex
FRANC



















