STIEBEL ELTRON FTM 150 B Underfloor Heating Instruction Manual
SPECIAL INFORMATION
- The appliance may be used by children aged 8 and up and persons with reduced physical, sensory or mental capabilities or a lack of experience and know-how, provided that they are supervised or they have been instructed on how to use the appliance safely and have understood the resulting risks. Children must never play with the appliance. Children must never clean the appliance or perform user maintenance unless they are supervised.
- The connection to the power supply must be in the form of a permanent connection. Ensure the appliance can be separated from the power supply by an isolator that disconnects all poles with at least 3 mm contact separation.
- The power cable must only be replaced by a qualified contractor using original spare parts.
- Fix the appliance in position as described in chapter “Installation / Preparations”.
OPERATION
General information
The chapters “Special Information” and “Operation” are intended for both the user and qualified contractors.
The chapter “Installation” is intended for qualified contractors.
Note
Read these instructions carefully before using the appliance and retain them for future reference.
Pass on the instructions to a new user if required.
Safety instructions
Structure of safety instructions
KEYWORD Type of risk
Here, possible consequences are listed that may result from failure to observe the safety instructions.
- Steps to prevent the risk are listed.
Symbols, type of risk
Symbol: Type of risk
Injury
Electrocution
Keywords
| Symbol | Meaning |
| Material losses (appliance damage, consequential losses and environmental pollution) |
| Appliance disposal |
This symbol indicates that you have to do something. The action you need to take is described step by step.
Information on the appliance
- Underfloor heating system (direct action)

Units of measurement
Note
All measurements are given in mm unless stated otherwise.
Safety
Intended use
The heating mat provides direct underfloor heating and is used for electric underfloor heating in individual areas, e.g. bathrooms, kitchens, sauna lobbies, hallways or other living areas and in indoor swimming pools and other wet rooms.
This appliance is intended for domestic use. It can be used safely by untrained persons. The appliance can also be used in a non-domestic environment, e.g. in a small business, as long as it is used in the same way.
Any other use beyond that described shall be deemed inappropriate. Observation of these instructions and of instructions for any accessories used is also part of the correct use of this appliance.
General safety instructions
WARNING Injury
The appliance may be used by children aged 8 and up and persons with reduced physical, sensory or mental capabilities or a lack of experience and know-how, provided that they are supervised or they have been instructed on how to use the appliance safely and have understood the resulting risks. Children must never play with the appliance. Children must never clean the appliance or perform user maintenance unless they are supervised.
Material losses
Only operate the heating mat when fully installed and with all safety equipment fitted.
Test symbols
See type plate label, label on the warranty card or in the main junction box.
Settings
You can set the required floor temperature by means of an external temperature controller.
The floor temperature which can be achieved depends on the floor structure and the floor covering. Observe the information in the operating and installation instructions for the temperature controller.
Temperature controller with time switch
Energy saving operation is ensured by installing a temperature controller with time switch.
Using a temperature controller with time switch means that you can adapt the heating operation to your lifestyle by specifying when the heating mat will switch on and off.
- Adjust the operating times so that it switches on a certain amount of time before use. The necessary time depends on the floor structure and the floor covering.
- Adjust the time it switches off so that the appliance switches off approximately half an hour before the end of use.
Further information can be found in the operating and installation instructions for the temperature controller.
Cleaning, care and maintenance
The heating mat does not require any particular maintenance.
Troubleshooting
| Problem | Cause | Remedy |
| The heating mat does not provide the necessary heating output. | The temperature controller is not set correctly. | Adjust the temperature controller to the maximum heating level. After waiting for a short time, check whether the floor is warming up. |
| For temperature controllers with a time switch: Operating times are not set correctly. | Check the time switch operating times and adjust if necessary | |
| There is no power. | Check whether the fuses/ MCBs in your fuse box have blown/responded. |
If you cannot remedy the fault, notify your qualified contractor. To facilitate and speed up your request, provide the number from the type plate (000000-0000-000000).
You will find the type plate on the warranty card in these instructions and in the main junction box.
INSTALLATION
Safety
Only a qualified contractor should carry out installation, commissioning, maintenance and repair of the appliance.
General safety instructions
We guarantee trouble-free function and operational reliability only if original accessories and spare parts intended for the appliance are used.
Instructions, standards and regulations
Material losses
Never install the heating mat on highly or normally flammable materials.
Material losses
Never switch on the heating mat when it is rolled up.
Note
Observe all applicable national and regional regulations and instructions.
Appliance description
The heating mat is a surface heating element. The heating mat comprises a heating conductor which is coiled over a self-adhesive fabric.
The heating mat is glued directly to the screed or to levelling compound (e.g. floating screed). The heat generated by the heating mat is thus transferred directly to the floor.
The required floor temperature is set via an external temperature controller. The temperature controller is equipped with a temperature sensor. The temperature sensor must be installed at heating level.
- Heating conductor
- Temperature sensors
- Conduit (tube for installing the temperature sensor)
- Female connection for heating conductor/cold lead
- Cold lead (electrical power cable)
The heating mat is switched on or off according to the floor temperature set on the temperature controller.
The temperature controller takes account of heat gain, e.g. due to sunlight or lighting, and provides frost protection.
The temperature controller is self-monitoring. In the event of a power failure, sensor break or sensor short-circuit, the heating automatically switches off.
Standard delivery
- Heating mat
- Two type plate labels (warranty card / main junction box)
Warranty card / installation diagram
You must complete the warranty card and installation diagram fully. The warranty is not valid without this proof.
The chapter “Preparations” contains information on completing the installation diagram.
Preparations
Installation site / Installation conditions
Material losses
Do not install the heating mat at temperatures below 5 °C.
Note
In new builds, allow the screed to cure for 4-6 weeks.
Only install the heating mat once this period has ended.
Substrate
Material losses
The heating mat may only be installed on floors. Walls or ceilings may not be used as installation surfaces.
You may install the heating mat on a variety of substrates, e.g. screed, hot mix asphalt or moisture-resistant chipboard. Observe the following information:
- Installation on hot mix asphalt: The substrate must be able to withstand temperatures of approx. 80 °C.
- Installation on chipboard: Suitable insulation boards can also be installed to improve impact sound insulation.
- Very sandy screed surfaces must be coated with an adhesive dispersion.
Thermal insulation
Thermal insulation must be fitted between the unfinished floor and the heating mat.
- Please ensure that the thermal insulation complies with the latest standards.
- The maximum thermal resistance between the heating mat and the room must not exceed 50 mm.
Bathrooms and shower rooms
The heating mat must not be installed in areas where sanitary equipment such as baths, showers, freestanding WCs, etc. are to be installed.
Floor coverings
The heating mat is suitable for use with a range of floor coverings, e.g. tiles, carpets, PVC or parquet.
Material losses
Only use floor coverings which are suitable for underfloor heating systems.
Note that different floor coverings have different thermal conductivity values according to their type and the thickness of the material:
| Floor covering | Max. thickness | Thermal conductivity |
| Tiles | 30 mm | λ = 1.00 W/(m · K) |
| Carpet | 20 mm | λ = 0.09 W/(m · K) |
| Parquet | 16 mm | λ = 0.14 W/(m · K) |
| PVC | 10 mm | λ = 0.23 W/(m · K) |
| Cork | 10 mm | λ = 0.08 W/(m · K) |
Covering the floor
Additional floor coverings, e.g. carpets, may lead to higher temperatures in the floor itself.
- Do not use floor coverings which are more than 10 mm thick.
Safety clearances
Material losses
- Cupboards which cover the whole area must not be placed on heated areas.
- The heating mat must not be installed close to other heat sources such as luminaires and chimneys.
- Make sure that you leave a 60 cm wide unheated edge area along the walls.
- Make sure that you observe a distance of at least 30 mm from all conductive materials.
Material losses
The heating conductors on heating mats installed in parallel must not touch.
- Make sure that you observe a distance of at least 50 mm when installing heating mats in parallel.
Installation diagram
You must draw up an installation diagram before installing the heating mat. See chapter “Sample installations” and “Safety clearances” in this respect.
- Draw the position of the heating mats, the unheated edge area, the temperature sensor and the cold lead on the installation diagram.
Sample installations
Position of the temperature sensor
- The temperature sensor must be positioned directly below the heating mat and approx. 100 mm from the edge of the heating mat.
- The temperature sensor must be positioned halfway between two heating conductor loops.
- The temperature sensor lead must not cross or touch the heating conductor.
Test measurement 1
Before installation, please check the total resistance and insulation resistance of the heating mats in their delivered condition.
Note
The warranty is not valid without proof of this measurement.
- Measure the total resistance and insulation resistance of the heating mat.
- Check whether the measured values are in the permissible measuring range (see chapter “Specification / Data table”).
- Enter the measured values on the warranty card.
Preparing the substrate
- Make sure that the substrate is clean, dry, solid and free from dirt and grease.
- Make sure that no sharp edges or pointed objects are protruding from the floor. These could damage the heating conductor.
- If the substrate is not level, carry out levelling operations so as to avoid cavities beneath the heating conductor. Settlement joints in the substrate must not be bridged using the heating mat.
Installation
Installing a flush box
Please install all power cables in a flush box for connection to the temperature controller.
Material losses
In bathrooms and wet rooms, the flush box must only be installed outside safety zone 2.
- Distribution cable (NYM 3×1.5 mm2)
- Flush box
- Conduit for temperature sensor
- Temperature sensors
- Cold lead / conduit for cold lead
- Choose an appropriate position to install the flush box.
- Install an additional flush box if you would like to connect more heating mats.
- Always install an additional flush box if the cold lead or temperature sensor lead is too short.
Installing temperature sensors
The temperature sensor must be installed in a conduit. The conduit is included as standard in the set.
- Choose an appropriate position for installing the conduit. Observe the instructions in chapter “Installation diagram / Position of the temperature sensor”.
- Install the conduit and insert the temperature sensor into it.
Installing the cold lead
You can install the cold lead in a conduit or flush with the floor in a groove in the screed.
Installing in a conduit
Material losses
The cold lead must be installed in a separate conduit. The cold lead and the temperature sensor lead must not be installed in the same conduit.
- Install an additional conduit and install the cold lead in the conduit.
- Make sure that the female connection for the heating conductor/cold lead is not subjected to a tensile load of more than 120 N.
Installation in the floor
Material losses
If installed in the floor, the cold lead must be able to be inserted in the flush box without an extension. The cold lead may not cross or touch the heating conductor.
- Chisel out a groove in the screed by using appropriate tools and install the cold lead in this groove.
- Make sure that the female connection for the heating conductor/cold lead is not subjected to a tensile load of more than 120 N.
Laying out the heating mat
Material losses
Do not cut, squash or kink the heating conductor on the heating mat.
You may shorten and extend the cold lead as long as you do not change its cross-section.
Material losses
- Do not use nails or other metal objects to attach the heating mat to the floor.
- Only stand on the heating mat if absolutely necessary. Take any necessary protective measures to avoid mechanical damage (e.g. shoes with rubber soles).
Material losses
- Do not install the heating mat through or beneath insulating material.
- The installed heating mat may not cross expansion joints in the floor.
- Do not use penetrating fixing materials in the vicinity of the heating mat, e.g. screws and rawl plugs for door stoppers, WC fittings.
Observe the position of the heating mat specified in the installation diagram for the subsequent steps.
- Lay out the heating mat in accordance with the installation diagram. The self-adhesive side must be facing downwards.

- Cut the heating mat backing fabric with scissors at the turning point. Make sure that you don’t accidentally damage the heating conductor with the scissors.
Material losses
The heating conductor bending radius must be at least 18 mm. The smallest permissible bending radius is six times the diameter of the heating conductor. - Carefully bend the heating conductor at the cutting point.
- Observe minimum distances.
- Make sure that the temperature sensor lead does not cross or touch the heating conductor and that the temperature sensor is halfway between two heating conductor loops.
- Make sure that heating mats do not overlap. Overlapping heating mats may lead to malfunctions.
- Make sure that the fabric is laid out without any creases.
- Press the heating mat firmly onto the floor.
Test measurement 2
After laying out the heating mat, check the total resistance and insulation resistance of the heating mat to rule out the possibility of damage to the heating mat.
Note
The warranty is not valid without proof of this measurement.
- Measure the total resistance and insulation resistance of the heating mats.
- Check whether the measured values are in the permissible measuring range (see chapter “Specification / Data table”).
- Enter the measured values on the warranty card.
- Replace the damaged heating mat if the measured values deviate from the permissible range.
Laying the floor covering
Material losses
Only use tile adhesive and levelling compound which are suitable for underfloor heating systems and which can withstand constant temperatures of at least 80 °C.
Material losses
When applying tile adhesive and levelling compound, please observe the manufacturer’s instructions concerning drying time and other manufacturer’s information.
Note
You must wait at least 3 days, depending on the humidity levels within the building, before starting to lay the floor covering.
Tiles
- Select an appropriate tile adhesive or levelling compound if applicable. Note that this must be able to withstand constant temperatures of at least 80 °C.
- Seal the conduits so that tile adhesive cannot get into the conduits whilst installing the heating mats.

- Substrate with thermal insulation
- Heating mat with heating conductor
- Tile adhesive
- Floor covering
- Apply the tile adhesive and levelling compound if applicable. Take care not to damage the heating conductor.
- Make sure that the entire circumference and length of the heating conductor is enclosed in tile adhesive.
- If necessary, lift the heating mat slightly after applying the tile adhesive to make sure that there are no air bubbles beneath the heating mat. These may lead to higher temperatures.
- Press the heating mat back down into the tile adhesive.
- Lay the tiles in accordance with the manufacturer’s instructions.
Carpet, PVC, parquet or cork
Before laying floor coverings such as carpet, PVC or cork, cover a large area of the heating mat with a levelling compound.
The levelling compound provides mechanical protection for the heating mats. Appropriate materials include free-flowing cement mortar, for example.
- Choose an appropriate levelling compound. Note that this must be able to withstand constant temperatures of at least 80 °C.
- Seal the conduits so that levelling compound cannot get into the conduits whilst installing the heating mats.
- Apply the levelling compound in a 5-10 mm thick layer. Take care not to damage the heating conductor.
- Make sure that the entire circumference and length of the heating conductor is enclosed in levelling compound.
- If necessary, lift the heating mat slightly after applying the levelling compound to make sure that there are no air bubbles beneath the heating mat. These may lead to higher temperatures.
- Press the heating mat back down into the levelling compound.
- Allow the levelling compound to cure in accordance with manufacturer’s instructions.
- Fill settlement joints with suitable materials, e.g. silicone.
- Lay the floor covering in accordance with the manufacturer’s instructions.
Test measurement 3
After laying the floor covering, check the total resistance and insulation resistance of the heating mat to rule out the possibility of damage to the heating mats.
Note
The warranty is not valid without proof of this measurement.
- Measure the total resistance and insulation resistance of the heating mats.
- Check whether the measured values are in the permissible measuring range (see chapter “Specification / Data table”).
- Enter the measured values on the warranty card.
Power supply
WARNING Electrocution
Carry out all electrical connection and installation work in accordance with relevant regulations. Observe the local requirements of the relevant power supply utility.
WARNING Electrocution
Only use a permanent connection to the power supply.
- Separate the appliance from the power supply by an additional isolator that disconnects all poles with at least 3 mm contact separation. Use mains isolators, fuses, contactors, etc. for this purpose.
- Install an RCD with a nominal earth leakage current of ≦ 30 mA.
Material losses
The heating conductor must not be connected to the power supply.
- Only connect the cold lead to the power supply.
Material losses
Observe the type plate. The specified voltage must match the mains voltage.
Design all materials in accordance with the rated consumption of the appliance.
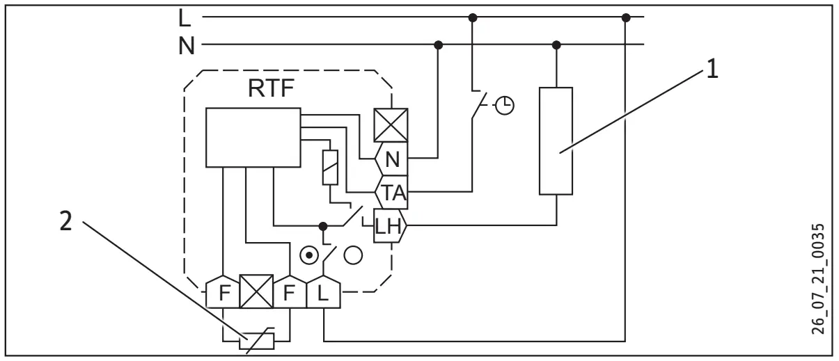
Basic wiring diagram
(e.g. for temperature controller RTF)
The basic wiring diagram below is provided for clarification purposes. The temperature controller wiring diagram is the only applicable wiring diagram (see operating and installation instructions for the temperature controller).
INSTALLATION Commissioning
- Heating mat
- Temperature sensors
In connection with the following installation steps, observe the operating and installation instructions for the temperature controller:
- Connect the earth conductor to the earth connection (PE).
- Connect the heating mats to the temperature controller via the cold lead.
- Check whether the earth conductor is connected correctly.
Connecting additional heating mats
Material losses
Only connect additional heating mats in parallel.
- Make sure that the total current does not exceed the maximum switching current and breaking capacity of the temperature controller.
- Information can be found in the operating and installation instructions for the temperature controller.
Commissioning
Initial start-up
After installing the heating mat and applying tile adhesive or levelling compound, you must wait at least 2 days before switching on the heating mat for the first time.
- Switch on the heating mat for short periods over several days once this initial drying phase has been completed. This ensures that the tile adhesive and levelling compound cure slowly.
- If you have laid impermeable synthetic floor coverings, you must heat the floor for a period of approx. 36 hours. This ensures that there will be no residual humidity left in the floor.
Note
Final commissioning can take place no sooner than 5 days after completion of the floor.
Commissioning report
- Make sure that you have completed the warranty card and the installation diagram correctly. Observe the following information:
- The installation diagram must show the exact position of the heating mats, cold leads and temperature sensor.
- Measured values from all three test measurements must be entered on the warranty card.
- Enter the measured total resistance and insulation resistance on both type plate labels.
- Attach the type plate label for the warranty card to the specified position on this card.
- Attach the type plate label for the main junction box in a highly visible location on this box.
Handover
Explain the functions of the appliance to the user. Draw special attention to the safety instructions.
Hand over these operating and installation instructions to the user.
Hand over the warranty card and installation diagram to the user.
Specification
Data table
| FTM 150 B | FTM 225 B | FTM 300 B | FTM 375 B | FTM 450 B | |||
| 234548 | 234549 | 234550 | 234551 | 234552 | |||
| Electrical details | |||||||
| Connected load | W | 135 | 220 | 300 | 380 | 470 | |
| Power supply | 1/N/ PE ~ | 1/N/ PE ~ | 1/N/ PE ~ | 1/N/ PE ~ | 1/N/ PE ~ | ||
| Electrical resistance 230 V 230 V 230 V 230 V 230 V | |||||||
| Dimensions | |||||||
| Length | mm | 2000 | 3000 | 4000 | 5000 | 6000 | |
| Width | mm | 500 | 500 | 500 | 500 | 500 | |
| Surface | m² | 1 | 1,5 | 2 | 2,5 | 3 | |
| Versions | |||||||
| IP-Rating | IPX7 | IPX7 | IPX7 | IPX7 | IPX7 | ||
| Values | |||||||
| Rated limit temperature, heating | °C | 80 | 80 | 80 | 80 | 80 | |
| FTM 600 B | FTM 750 B | FTM 900 B | FTM 1050 B | ||||
| 234553 | 234554 | 234555 | 234556
| ||||
| Electrical details | |||||||
| Connected load | W | 650 | 815 | 930 | 1040 | ||
| Power supply | 1/N/PE ~ 230 V | 1/N/PE ~ 230 V | 1/N/PE ~ 230 V | 1/N/PE ~ 230 V
| |||
| Electrical resistance (+10/-5 %) | Ω | 87 | 67 | 55 | 48 | ||
| Dimensions | |||||||
| Length | mm | 8000 | 10000 | 12000 | 14000 | ||
| Width | mm | 500 | 500 | 500 | 500 | ||
| Surface | m² | 4 | 5 | 6 | 7 | ||
| Versions | |||||||
| IP-Rating | IPX7 | IPX7 | IPX7 | IPX7 | |||
| Values | |||||||
| Rated limit temperature, heating | °C | 80 | 80 | 80 | 80 | ||
WARRANTY FOR AUSTRALIA
Stiebel Eltron Warranty for Under Floor Heating – Models FTM & FTB.
Who gives the warranty
- The warranty is given by Stiebel Eltron (Aust) Pty Ltd (A.B.N. 82 066 271 083) of 6 Prohasky Street, Port Melbourne, Victoria, 3207 (“we”, “us” or “our”).
The warranty
- This warranty applies to Stiebel Eltron under floor and inshower under floor heating – Models FTM and FTB (the “unit”) manufactured after 1 May 2015.
- Subject to the warranty exclusions we will repair or replace, at our absolute discretion, a faulty component in your unit free of charge if it fails to operate in accordance with its specifications during the warranty period.
- If we repair or replace a faulty component to your unit under this warranty, the warranty period is not extended from the time of the repair or replacement.
- The warranty period commences on the date of completion of the installation of the unit. Where the date of completion of installation is not known, then the warranty period will commence 2 months after the date of manufacture.
- The warranty period for a unit is shown in the table below.
Component Warranty period All components 7 years from the date of completion of the installation of the unit.
Your entitlement to make a warranty claim - You are entitled to make a warranty claim if:
- you own the unit or if you have the owner’s consent to represent the owner of the unit;
- you contact us within a reasonable time of discovering the problem with the unit;
How you make a warranty claim
- To make a warranty claim you must provide us with the following information:
- The model number of the unit;
- A description of the problem with the unit;
- The name, address and contact details (such as phone number and e-mail address) of the owner;
- The address where the unit is installed and the location (e.g. in living room);
- The serial number of the unit;
- The date of purchase of the unit and the name of the seller of the unit;
- The date of installation of the unit where appropriate;
- A copy of the certificate of compliance when the unit was installed where appropriate.
- The contact details for you to make your warranty claim are:
Name: Stiebel Eltron (Aust) Pty Ltd
Address: 6 Prohasky Street, Port Melbourne,
Victoria, 3207
Telephone: 1800 153 351
(8.00 am to 5.00 pm AEST Monday to Friday)
Contact person: Customer Service Representative
E-mail: [email protected] - We will arrange a suitable time with you to inspect and test the unit.
Warranty exclusions - We may reject your warranty claim if:
- The unit was not installed by registered and qualified tradespeople, where required.
- The unit was not installed and commissioned:
(a) in Australia;
(b) in accordance with the Operating and Installation Guide; and
(c) in accordance with the relevant statutory and local requirements of the State or
Territory in which the unit is installed. - The unit has not been operated or maintained in accordance with the Operating and Installation Guide.
- The unit does not bear its original Serial Number or Rating Label.
- The unit was damaged by any or any combination of the following:
(a) normal fair wear and tear;
(b) connection to an incorrect power supply;
(c) connection to faulty equipment, such as faulty circuit breaker;
(d) accidental damage;
(e) act of God, including damage by flood, storm, fire, lightning strike and the like;
(f) wiring not to AS3000 Standards - The unit was damaged before it was installed e.g. it was damaged in transit.
- An unauthorised person has modified, serviced, repaired or attempted to repair the unit without our consent.
- Non genuine parts other than those manufactured or approved by us have been used on the unit.
- We may charge you:
- for any additional transport costs if the unit is installed more than 30 kilometres from our closest authorised service technician.
- for the extra time it takes our authorised service technician to access the unit for inspection and testing if it is not sited in accordance with the Operating and Installation Guide and not readily accessible for inspection.
- for any extra costs of our authorised service technician to make the unit safe for inspection.
- You must ensure that access to the unit by our authorised service technician is safe and free from obstruction.
- Our authorised service technician may refuse to inspect and test the unit until you provide safe and free access to it, at your cost.
- If we reject your warranty claim in accordance with clause 11,we may charge you for our authorised service technician’s labour costs to inspect and test the unit.
- In order to properly test the unit we may remove it to another location for testing.
Australian Consumer Law - Our goods come with guarantees that cannot be excluded under the Australian Consumer Law. You are entitled to a replacement or refund for a major failure and compensation for any other reasonably foreseeable loss or damage. You are also entitled to have the goods repaired or replaced if the goods fail to be of acceptable quality and the failure does not amount to a major failure.
- The Stiebel Eltron warranty for the unit is in addition to any rights and remedies you may have under the Australian Consumer Law.
Guarantee
The guarantee conditions of our German companies do not apply to appliances acquired outside of Germany. In countries where our subsidiaries sell our products a guarantee can only be issued by those subsidiaries. Such guarantee is only granted if the subsidiary has issued its own terms of guarantee. No other guarantee will be granted.
We shall not provide any guarantee for appliances acquired in countries where we have no subsidiary to sell our products. This will not affect warranties issued by any importers.
Environment and recycling
We would ask you to help protect the environment. After use, dispose of the various materials in accordance with national regulations.
Warranty Card

References
eltron.at
ELTRON • IT-oplossingen op maat. Gespecialiseerd in facturatiesoftware
This domain has been registered for a customer by nicsell
eltron.co.uk
eltron.cz
Sachverständigenbüro ELTRON - Startseite
The domain name eltron.nl is available for rent
ELTRON
eltron.ru
Tankless Water Heater | Renewable Energy | Stiebel Eltron USA
STIEBEL ELTRON | Technik zum Wohlfühlen
Warmtepompen - warwater - verwarming | STIEBEL ELTRON
STIEBEL ELTRON | Wärmepumpen-Spezialist
Home - Stiebel Eltron UK
STIEBEL ELTRON International
STIEBEL ELTRON | Tepelná čerpadla | větrání | vytápění | ohřev vody
STIEBEL ELTRON | Technik zum Wohlfühlen
STE - Thermia Redirect | Thermia
STIEBEL ELTRON - Fabricant Allemand de pompes à chaleur
STIEBEL ELTRON - Főoldal
STIEBEL ELTRON
STIEBEL ELTRON | Pompy ciepła | Wentylacja | Ogrzewacze wody i pomieszczeń
STIEBEL ELTRON | Официальный сайт | Интернет-магазин
STIEBEL ELTRON | Ohrev vody, vykurovanie, vetranie, chladenie
Instantaneous Hot Water Systems, Electric Water Heaters - STIEBEL ELTRON
世创电能(原斯宝亚创)| STIEBEL ELTRON CHINA
stiebeleltronasia.com























