RELIANCE Thermoguard Underfloor Heating Control Pack

The Thermoguard UFH control pack provides temperature controlled mixed water to an underfloor heating system
Reliance Worldwide Corporation (UK) Ltd
Reliance Worldwide Corporation (UK) Ltd. are part of the Australian based group of companies collectively known as Reliance Worldwide Corporation, with the UK brand known as Reliance Water Controls. Reliance Worldwide Corporation (UK) Ltd. is a specialist in the design, distribution and technical support for temperature and flow controls. With group offices and manufacturing plants throughout the world RWC offers a wealth of knowledge and expertise which is reflected throughout our products. Being part of many specialised trade associations and having our own UKAS accredited laboratory, makes us at the forefront of any new regulations or changes which impact the industry, and allows for continuous product development and innovation, within our specialised product area. Our core product range is related to thermostatic control, with the manufacturing undertaken at our head office in Brisbane Australia, we have an extensive range of thermostatic mixing valves, shower control valves, and taps all which use the same high quality technology to control the temperature of water, within this range we have different valves to suit various applications and working parameters, including both TMV2 and TMV3 approved controls. RWC, are market leaders of OEM controls with a complete range of safety valves for use in G3 unvented systems and a wide range of Underfloor Heating Controls (UFH) to allow for safe distribution of hot water, throughout a property. This range includes; thermostatic control valves for safe hot water temperatures, manifolds to enable even distribution, complete UFH kits to allow ease of installation & commissioning, and a range of modern and stylish programmers to complement these controls.
Technical Specifications
Specifications
Hot temperature supply range: 60°C – 85°C
Adjustable temperature range: 25°C – 60°C
Maximum supply pressure: 10 bar
Factory pre-set : 45°C (Control knob is in the adjustable position)
Temperature stability: +/- 2°C
Connections: Mixing valve inlets 3/4” FBSP
Manifold connections 1” MBSP
Materials
Body Nickel Plated Brass
Seals Fibre
O-Rings Viton
Spring Stainless Steel
Pressure Drop Graph

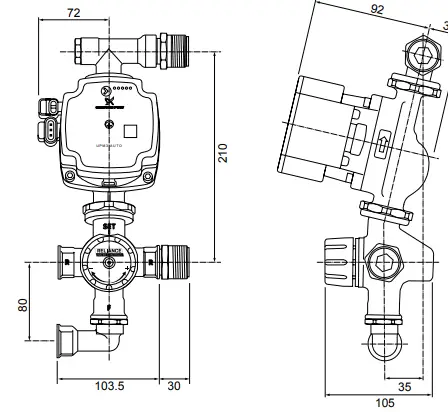
Dimensions

All dimensions in mm unless specified otherwise 80
Pack Contents
Please check contents of pack before beginning installation.
Thermoguard UFH Valve
Grundfos UPM3 Pump including cable
Straight & Angled connectors for Thermoguard UFH valve
1″ fibre washers (Qty 2) with straight connector tool
Pump washers (Qty 2)
Connection elbow
Introduction
Designed to work with manifolds of all types, on 210mm centres. The Thermoguard UFH Control Pack is a bolt on unit providing a quick and simple system to install.
Installation
Firstly firmly fix the distribution manifolds to the wall leaving enough room beside the manifold to fit the control pack (see dimensions, Page 3). Before beginning the installation of the Thermoguard UFH Control Pack, identify all of the components in the pack.
The Thermoguard UFH valve comes with two return ports. This means you can connect the main heating system return to either side of the valve, thus allowing Flow the control pack to sit on either side of the manifold.
Once the orientation has been determined the straight connector which connects the Thermoguard UFH valve to the manifold needs to be screwed into the return port. This is tightened using the straight connector tool supplied.
The angled connector can then be connected to either the flow or the return port on the Thermoguard UFH valve depending on the orientation of the supply pipework (as shown below). Tighten with an adjustable spanner.
Connect the Thermoguard UFH valve to the pump using the pump nut which is pre-assembled to the Thermoguard, ensuring the pump washer is inserted. Please take note of the directional arrow on the pump body.
Ensure the 1 ½” pump nut is fitted to the flow connection elbow. If not, this can be slipped over the flanged connection face.

Connect the nickel plated elbow to the pump using the 1 ½” pump nut, ensuring the pump washer is inserted.
Tighten the pump union connections.
Connect the elbow to the flow manifold by means of the 1″ MBSP connection onto the flat faced union connection, remembering to fit the 1″ fibre washer. Connect the Thermoguard UFH control valve to the return manifold by means of the 1″ MBSP connection onto the flat faced union connection again remembering to fit the 1″ fibre washer.
Thermoguard UFH Valve and Manifold orientation options:


Wiring
A fused spur should be provided adjacent to the manifold to provide power to the pump and two port zone valve if fitted.
The pump is supplied with a plug-in cable for ease of installation.
To comply with IEE regulations, the pump on the Thermoguard UFH Control Pack must be provided with an earth. All wiring should be undertaken by a qualified installer and must conform to IEE regulations.
Commissioning
The Thermoguard UFH valve supplied as part of the control pack has a temperature setting range of 25-60°C as indicated on the temperature adjustment cap:
Min (25°C)
30ºC
35ºC
40ºC
45ºC
50ºC
55°C
Max (60°C)
The temperature control is factory set to 45°C with the cap in the adjustable position.
Initial setting of the thermostatic blending valve (after the heat up/screed drying period) should provide the following temperatures:
Screeded floors: 40-45°C
Timber floors: 55-60°C
These intial settings can then be adjusted to provide the correct comfort level. A maximum floor surface temperature of 29°C should not be exceeded (with the exception of wet areas such as bathrooms, 35°C) as this may lead to feelings of discomfort.
With timber floor finishes including strip laminate products the maximum floor temperature of 27°C should not be exceeded as this may result in excessive shrinkage of the material. Maximum temperatures can vary so check the floor manufacturers recomendations first.
To adjust the temperature simply rotate the temperature control handle clockwise or anti-clockwise as indicated on the cap, until you reach the required setting.
Maintenance
Isolate the flow and return to the UFH blending valve and partially drain down the UFH manifold using the drain/filling valves provided.
To clean or replace the internals of the UFH blending valve, first remove the temperature control knob from the top of the valve.
Remove the valve headwork by unscrewing the large plastic hex nut with an adjustable spanner.

Slide the piston/thermostat assembly and spring out of the valve body.
Clean all internal surfaces of the valve with a weak solution of scale remover
Using a silicon based waterproof grease, lightly lubricate the external surface of the piston and thermostat assembly.
After cleaning, re-assemble the UFH blending valve, ensuring the components are returned in the correct order. Re-set the valve as laid out in the commisioning section.
Spares & Accessories
| Product | Size | Code |
| Thermoguard UFH valve and Elbow | 3/4” FBSP x 1” MBSP | HEAT970366 |
| Internal Service Kit for Thermoguard | SKIT970360 | |
| UFH valve | N/A | ZKIT970215 |
| UFH Nickel Elbow with 1/2” plug | 1” MBSP | PUMP950200 |
| Grundfos UPM3 ‘A’ rated pump | 1 1/2” MBSP | WIRE950200 |
| Angled Pump Cable | N/A | WIRE950200 |
| UFH Tee Kit, to suit alternative | ||
| manifold connection | 3/4” FBSP x 3/4” MBSP | ZELB970360 |
| Headwork for Thermoguard | N/A | ZEAD970360 |
| Isolating Ball Valve | 3/4 | BVAL900001 |
| 63mm dial Pressure/ Temperature Gauge, up to 4 bar/ 120°C | 1/2” | GAGE600001 |
| Pocket 50mm dial Temperature Gauge, 0 – 120°C | 1/2” | GAGE600005 |
| UFH Overheat Thermostat | 1/4” | STAT970300 |
| Replacement Cap for Thermoguard UFH valve | N/A | ZCAP970360 |
Typical Installation

Reliance Worldwide Corporation (UK) Ltd Worcester Road, Evesham, Worcester, WR11 4RA, UK
Tel: +44 (0)1386 712 400 Fax: +44 (0)1386 712 401
www.rwc.co.uk
Reliance Worldwide Corporation (UK) Ltd reserves the right to make changes to the product which may affect the accuracy of information contained in this leaflet. ZINS970360_002_08-17




















