EMK120-OT-SGV 120V Underfloor Heating System
Kit Instructions
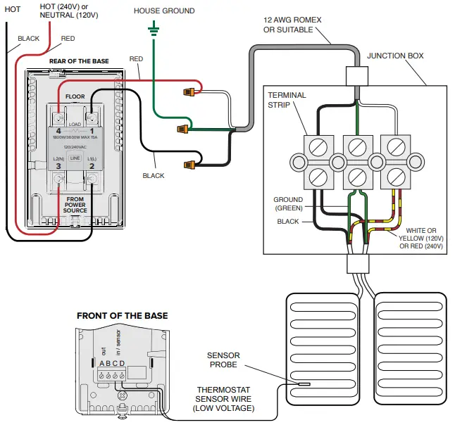
EMK120-OT-SGV 120V Underfloor Heating System Kit
FROM POWER SOURCE 120V & 240V
WIRING DIAGRAM
FOR 120V & 240V FLOOR HEATING SYSTEMS
WITH NSPIRE SERIES THERMOSTATS USING A JUNCTION BOX 
- ENSURE THE SYSTEM IS GROUNDED
- MAT HAS NO POLARITY
- WIRE FROM THERMOSTAT TO JUNCTION BOX SHOULD BE SIZED ACCORDING TO LOCAL ELECTRICAL CODE REQUIREMENTS.
ELECTRICAL ROUGH-IN
MOUNTING HARDWARE

![]()
Installation Support
(800) 875-5285
www.WarmlyYours.com



















