NUGSMASHER Original 12 Ton Personal Manual Rosin Tech Press Owner’s Manual
Introduction
Thank you for the purchase of your NugSmasher®. We have designed this unit for the purpose of effortless rosin extraction for up to 14 grams of flower. When setting up your unit, please ensure your stand is suitable for the weight of the machine. Also note, that the unit gets hot and the high temperature hydraulic heat plates are capable of bodily injury if not used in a safe manner. (Please do not attempt to open your unit casing as this will void your factory warranty.)
While our products are sturdy and built to last, they are also heavy and shippers can be rough during handling. If there are any problems from shipping and your item does not deliver safely please contact us direct so we can resolve the matter immediately.
As always, please feel free to call us at any point with any questions or concerns at (951) 272-9800 or NugSmasher®.com/contact.

Quick Start Guide
When starting your unit make sure the plates are closed (surface of plates should be pressed together) this will allow the temperature sensor in the bottom plate to get an accurate top and bottom reading and distribute the desired temperature to both plates. Additionally, bring plates together if more than 3 minutes passes to ensure accurate temperature readings. It is best to leave the plates together any time the machine is on and not in use.
KEEP RELEASE VALVE IN CLOSED “CLOCKWISE POSITION” WHEN NOT IN USE
Please note that under any circumstances do not turn release valve more then ½ a turn in the open (counter clockwise) direction as this will void your warranty and may result in hydraulic fluid loss. Also make sure when not in use or stored, the release valve must be in closed tight (clockwise) position.
WARNING!
Never turn your release knob more than ½ full turn counter clock wise from tight.
Please Note: Your release knob is factory designed to be a slight upward.
Set power switch to the “on” position. You will notice on your control screen there are two rows of digits. The top is the current temperature of the heat plates. The bottom is the set temperature. The OG comes preset at 200 degrees Fahrenheit and will take approximately 10- 12 minutes to reach set temperature depending on your location.
Adjusting Temperature
Press the up or down arrows (red circle) to select desired temperature setting. Once you have changed to your desired temperature press the enter button (green circle) once to lock in temperature. It is not advised to go into any other programming modes as your unit has been factory preset for optimum settings. Note: US models are set for Fahrenheit and all international orders are set in Celsius unless specified otherwise.
PID controller
NS710 LCD Display PID Temperature Controller
Main features
- White large characters color LCD display and new higher contrast LCD with greatly improved visibility.
- Easy to Use, from Model Selection to Setup and Operation.
- The External waterproof sealing ring and the Internal waterproof sealing ring make the instrument reach the good waterproof performance.
- Plastic Handle waterproof type key ,is a hard surface that won’t scuff ,Operation feel clear and smooth.
- Input type:K,E,J,N thermocouples and Pt100 platinum resistance freely programmable.
- Use digital calibration technology for input Measurement accuracy:0.3%FS,maximum resolution is 0.1℃.
- Use advanced artificial intelligent control algorithm, no overshoot and with the function of auto tuning (AT) and self-adaptation.
- With worldwide power supply of AC/DC100-240V or DC12 24V.
Model defined
| Code | OUT(Master output) |
| N | None |
| R | Relay contacts output |
| Q | SSR voltage output |
| W1 | TRIAC no contact normally open output |
| W2 | TRIAC no contact normally closed output |
| Code | ALM(Alarm) |
| N | None |
| 1 | 1 relay contact output |
| 2 | 2 relay contact output |
| Code | Power |
| None | AC/DC100~240V |
| D | DC12-24V |
Technical parameters
| Power supply voltage | AC/DC100~240V, or DC12-24V(-15%, +10%/50- 60HZ) |
| Operating voltage range | 85% to 110% of rated supply voltage |
| Power consumption | Approx. 5.2 VA at 100 to 240 VAC, Approx. 3 VA at 12 to 24 VDC |
| Measurement accuracy | 0.3% FS ± 1 measurement unit |
| Input type and Measuring range | K(-50~+1300°C),E(0~800°C),J(0~1000°C),N(0~1300°C), Pt100(-200~+600°C) |
| Decimal point | 0,0.0 |
| Response time | ≤0.5Sec(when digital filter parameter InF=0) |
| Control mode | one-stop regulating,Intelligent Fuzzy PID algorithm |
| control output | Relay output | 3A/250VAC 5A/30VDC |
| SSR output | 12VDC/50mA(Used to drive SSR) | |
| Electromagnetic compatibility (EMC) | IEC61000-4-4(Electrical Fast Transient Burst)±4KV/5KHz; IEC61000-4-5(Surge),4KV | |
| Lsolation withstanding voltage | Between power,relay contact or signal terminals≥2300VDC;between isolated electroweak terminals≥600V | |
| Operating Ambient | Temperature:0~60°C;Humidity≤90%RH | |
Front Panel Description

- No.1 display, PV or specified parameter
- No.2 display, SP or specified parameter value
- Temperature unit:°C/°F
- Operation indicators:
OUT indicators,AL1 indicators、AL2 indicators - Setup key: For accessing parameter table and conforming parameter modification.
- Enter key:For Confirm and change to another parameter
- Data shift key
- Data decrease key
- Data Increase key
Size

- Multiple install Cutouts

- Single install Cutout

Display the status and basic operation

System parameter setting
In the basic display state, press and hold
key 2 seconds, , set the LOC = 800,Then press the
button to confirm and enter the system parameter setting state.
,
,
Key can directly modify the parameter values. Press the
key to reducing the data, press the
to increase the data,Waiting to modify the value of the decimal point will flash (like a cursor).press key and hold, you can quickly increase / decrease in value, And the speed will be automatically accelerated. also press
the key to move to modify the data location (cursor), the operation is more efficient.
Key can be stored to modify parameter values and display the next parameter,press and hold
key 2 seconds,and can return to the previous parameter; can immediately exit the parameter setting state.
Set Value Setting
In the basic display state, press
,
,
key can directly modify the given value.
“At”PID Parameter auto-tuning
Press
and hold for 2 seconds, the At parameter appears,”At” parameter “OFF” is set to “ON” and then press the
Key to confirm instrument can start the implementation of the autotuning Given function,the instrument in the basic display state display will flash the word “At”, the instrument after 2 oscillation cycle ON-OFF control can automatically calculate the PID parameters.If you want to advance to give up auto-tuning , “At” parameter “ON” is set to “OFF” and then press
key to confirm.
Given tuning parameter values obtained are not identical, to perform auto tuning function, should be first given value set in The most commonly used value or middle value, if the system is good insulation properties of the furnace, the given value should be set in the system uses the maximum, and then Execute the start of the operation of auto-tuning function. Reasons to learn, auto-tuning after the initial use, the effect may not be the best, you need a period of time (usually the same time auto-tuning control) before they can get the best results.
Parameter list and function
Field parameters
In the basic display state, press and hold
key 2 seconds, Enter the field parameters,
Parameter code | Meaning of parameters | Explain | Setting range |
| HAL1 | AL1 high limit alarm value | “HAL1” is the absolute value alarm or deviation value alarm, by “ALtd” parameter definition. When the value set to Max. will disable this function.(3200) | -999~ +32000 |
| LAL1 | AL1 low limit alarm value | “LAL1” is the absolute value alarm or deviation value alarm, by “ALtd” parameter definition. When the value set to Min. will disable this function.(-999) | |
| HAL2 | AL2 high limit alarm value | “HAL1” is the absolute value alarm or deviation value alarm, by “ALtd” parameter definition. When the value set to Max. will disable this function.(3200) | |
| LAL2 | AL2 low limit alarm value | “LAL1” is the absolute value alarm or deviation value alarm, by “ALtd” parameter definition. When the value set to Min. will disable this function.(-999) | |
| Srun | running state | run:Run control state StoP:Stop state, No.2 display flashing display “StoP”. | run StoP |
| LOC | Parameter lock | LOC<9000, will automatically for 0, allowed to modify the SV Set Value. LOC≥9000, are not allowed to modify the SV Set Value. Set the LOC = 800, then press key to confirm, can enter the following system parameters. | 0~9999 |
System parameter
In the field parameters,set Loc=800,Then press the
key to enter the system parameters.
| AHYS | Alarm hysteresis | Avoid frequent alarm on-off action because of the fluctuation of PV | 0~2000 |
| ALtd | Alarm mode | ALtd=0,AL1is the deviation value alarm,AL2 is the absolute value alarm. ALtd=1,AL1 and AL2 is the absolute value alarm. ALtd=2,AL1 and AL2 is the deviation value alarm. | 0~2 |
| CntL | Control mode | onoF: on-off control. For situation not requiring high precision. FPId: advanced artificial intelligence ”FUZZY PID“ control. | onoF FPId |
| orEv | Selection of heating refrigeration | onr: Reverse acting. Increase in measured variable causes a decrease in the output, such as heating control. ond: Direct acting. Increase in measured variable causes an increase in the output, such as refrigerating control. | onr ond |
| P | Proportional band | Proportional band in PID and APID control. Instead of percentage of the measurement range, the unit is the same as PV. Generally, optimal P, I, D and CP can obtained by auto tuning. They can also be manually inputted if you already know the correct values. | 1~32000 |
| I | Integration time | No integral effect when I=0 | 1~9999 seconds |
| d | Differential time | No derivative effect when d=0 | 0~3200 seconds |
| CP | Control cycle | CP reflect the instrument operator to adjust the speed, the size of the CP that affect the control accuracy. With SSR, SCR output control cycle preferable to shorter, usually 0.5-3.0 Seconds. The relay switch output is generally in 15-40 sec. When the output relay switches , the CP will be limited to 3 seconds, And self-tuning At will automatically set the CP as the appropriate value, taking into account the control accuracy And mechanical switch life. When the control mode CntL = onoF, the action of the CP as an output disconnect or power-on output ON Delay time. | 0.2~ 300.0 |
| HYS | Control hysteresis | HYS is used for on-off control to avoid frequent on-off action of relay. For a reverse acting (heating) system, when PV > SV, output turns off; when PV<SV-HYS, output turns on. For a direct acting (cooling) system, when PV<SV, output turns off; when PV>SV+HYS, output turns on. | 0~200.0 |
| Int | Input Signal | Input spec: K、E、J、N、Pt(Pt100) | |
| dp | Decimal point | 0 (no decimal), 0.0 (one decimal place). | 0 0.0 |
| SC | Input Shift Adjustment | Sc is used to shift input to compensate the error caused by transducer, input signal, or auto cold junction compensation of thermocouple. PV after compensation=PV before compensation + Sc It is generally set to 0. The incorrect setting will cause measurement inaccurate. | -199.9~ +400.0 |
| InF | PV input filter | The value of InF will determine the ability of filtering noise. When a large value is set, the measurement input is stabilized but the response speed is slow. Generally, it can be set to 1 to 3. If great interference exists, then you can increase parameter “InF” gradually to make momentary fluctuation of measured value less than 2 to 5. When the instrument is being metrological verified, “InF” s can be set to 0 or 1 to shorten the response time. | 0~40 |
| dU | Temperature unit selection | °C:celsius equals °F:fahenheit equals | °C °F |
| SvL | Low limit of SV | Minimum value that SV is allowed to be. | -999~ +3200 |
| SvH | Upper limit of SV | Maximum value that SV is allowed to be. |
Default settings

* solid state relay output type CP factory is set to 20, the relay contact output type CP factory set to 150.
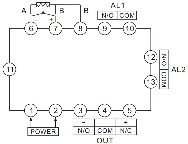
Wiring diagram

Note
- Can not normally display measured values in the display window alternating show: “orAL” character, indicating that the input of the measurement signal abnormalities or Out of range; check Int parameter settings, and then the input sensor signals are the same category, if it is determined the same, check the input sensing Signal not pick the wrong line, if it is determined to not pick the wrong line, check whether the sensor problem, replace another sensor to try.
- The instrument used by the local environmental temperature and humidity can not exceed the scope of the provisions, the instrument around should allow sufficient space for heat dissipation, instrument internal temperature rise due to thermal radiation will lead to a result of the measurement accuracy and service life of the affected. In this Case, to be taken to a forced cooling fan or other measures to reduce the ambient temperature.
- the extension or connection then the thermocouple leads should be used with the thermocouple type to match the compensation conductor; extend or connect the thermoelectric Resistance of the lead, you should use the minimal resistance of the wire and cable away from power lines and load connection, in order to avoid signal interference.
Unit operation
Before your unit is turned on, insert handle into the vertical opening on the right side of unit. Notice there is a round tube that your shaft handle will be inserted into for plate compression operation. Pump handle until plates are lightly pressed together. The NugSmasher® OG has 1 heating element in each plate and between presses of more than 3 minutes and especially during initial warm-up, it is advised to bring the plates back together to ensure exact set temperature is maintained in both plates.
Ideal Temperature
The ideal pressure and temperature will vary depending on strain and growing techniques so don’t be discouraged on your results when you press new material. We recommend when pressing a new strain to start at approx. 220 degrees for flower and notate your yield results (weight of material in vs. rosin out). Perform additional test presses and drop 5 7 degrees per press until you notice your yield percentage starting to drop. Adjust back to the previous temp and that will be your ideal temp for that strain. It is advised to have a thermal temp gun to verify and check temperatures from time to time. Use our temperature test strips included with your unit (also available for purchase at NugSmasher®.com), unless in a pinch use a small piece of electrical tape as the high gloss on heat plates will affect accurate temp readings if using a thermal temp gun. (As shown in Illustration)
Pressure
Once your unit reaches set temperature you’re ready to start pressing. Once you have your material between parchment paper -DO NOT USE WAX PAPER-, slowly start raising plates by pumping handle. The key is to slowly build heat into your material. The entire pressing process should be between 90-120 seconds depending on your strain. Your NugSmasher® OG is capable of over pressing your material and resulting in extraction bag blowout. Best practice is to compress slowly to the point of two fingers on handle will not compress any further. Return handle back to the top and compress 1/3 of full cycle for 3.5 grams, 2/3 of full cycle for 7 grams and one full cycle for 14 grams. Please note, each strain and humidity level is different and will effect the outcome of your press. Make sure to look at your puck when finished to determine if an additional press is needed for full extraction or if too much pressure was used. There are several videos available online on our NugSmasher® Instagram account as well as the NugSmasher® YouTube channel that are very beneficial for techniques and tips of your rosin extraction. Note: the leverage designed with your pump handle is only designed for hand operation. Do not use any other leverage device or foot to push handle down as you will cause damage not covered by warranty. Visit Terp Files at nugsmasher.com/view-public-rosin-data/ for great reference to strains, temps and unit settings used.
Loading Micron Bags
NugSmasher® extraction bags, are recommended for optimal yield and clean quality rosin. Our bags are hand-made and packaged in the USA! NugSmasher® extraction bags are specifically designed to work with the weight of fresh cured flower and are labeled accordingly at: 3.5 g (1.1g-3.5g), 7 g (3.6g-7g) and 14 g (7.1g-14g). This assumes the bags are loaded (BTS) or bottle/barrel-tech style (upright so that you end up with the round coin like puck once fully pressed). This perfected method allows you the ability to put the proper weight of flower into the bag and get a consistent extraction every time. This method also applies the proper pounds per square inch of pressure (PSI) on your product and eliminates the guess work.
As the micron gets smaller the diameter gets larger, this is the reason for the variance in the diameter numbers above. We prefer to use 160 micron for fresh flower, as flower dries we go down in micron screen size (for dry flower use 90 micron). Micron size determines the diameter (surface area) of the smashed bag. For nugs 1g and smaller no bag is necessary. For more details about loading Bottle-Tech and/or Barrel-Tech style (BTS) please visit NugSmasher® on YouTube: https://www.youtube.com/watch?v=0osvcD7CLK0
Notice
- Copyright © 2019 All rights reserved. No part of this manual may be reproduced or used in any manner without written permission of the copyright owner.
- The contents of this document may be subject to change without notice.
- Due to improvement or change of this device, the description of this document could be partially different in specification, for which your understanding is requested.
- With the exception of what is provided for in the warranty provisions of NugSmasher®, we do not assume any liability against the damages (including but not limited to the loss of profit, indirect damage, special damage or other monetary damages) arisen out of the use or failure to use this product properly. The same shall also apply to the case even if NugSmasher® had been notified of the possibility of arising damages in advance. As an example, we shall not be liable for any loss of material made using this product or indirect damages caused by the product.
- Use of your NugSmasher® press should be done in accordance with all local, state and federal regulations. It is owner/users responsibility to know and understand laws and regulations regarding concentrates. NugSmasher® has no responsibility of how product is used and products produced with it.
Safety
- Keep away from children, pets and clothing.
- Never leave the extractor on when you go to sleep or leave the area.
- Never use or store flammable liquids (such as gasoline) around the extractor. The flammable vapors can flow from one part of the room to another and be ignited by an electrical spark.
- Place at least three feet away from objects such as bedding, furniture and drapes. Do not place where towels or other objects could fall on the extractor and start a fire.
- Use extractor on the floor or bench top. Never place on furniture, since unit may fall , which could result in a fire or shock hazard. Do not use in wet or moist places, such as bathrooms; corrosion or other damage to parts in the unit may lead to a fire or shock hazard.
- Do not hide cords under rugs or carpets. Placing anything on top of the cord or unit as it could cause the cord or machine to overheat, and can cause a fire.
- Do not use an extension cord unless absolutely necessary. Using a light duty, household extension cord with high-wattage appliances can start a fire. If you must use an extension cord, it must be marked #14 or #12 AWG; this tells the thickness or gauge of the wire in the cord. Do not use a cord marked #16 or #18 AWG. Only use extension cords bearing the label of an independent testing laboratory such a U.L. or E.T.L.
- Be sure the plug fits snugly in the outlet. Since a loose plug can overheat, have a qualified repairman replace the worn-out plug or outlet. Since extractor draw lots of power, the cord and plug may feel warm. If the plug feels hot, unplug the heater and have a qualified repairman check for problems. Using an extractor with a hot cord or plug could start a fire.
- If a extractor is used on an outlet protected by a ground fault circuit interrupter (GFCI) and the GFCI trips, do not assume the GFCI is broken. Because GFCls protect the location where leakage currents can cause a severe shock, stop using the extractor and have it checked, even it if seems to be working properly.
- Broken extractor should be checked and repaired by a qualified service center. Do not attempt to repair, adjust or replace parts yourself as this will void warranty.





















