ECS MS-7192S Mainboard

Product Information
The EURONE MS-7192S is a motherboard designed to support the Celeron SEPP or Celeron PPGA processors. It has a maximum onboard memory of 256MB and supports SDRAM memory. The motherboard has various I/O options including an AGP slot, ATX power connector, PS/2 mouse port, USB ports, parallel and serial ports, game/MIDI port, and audio in/out/microphone ports. It also features a cache BIOS and supports Wake-on-LAN and Wake-on-modem connectors. The motherboard has a 32-bit PCI slot with four available slots.
Product Usage Instructions
To use the EURONE MS-7192S motherboard, you need to install it into a compatible computer case and connect all necessary components. The motherboard supports either a Celeron SEPP or a Celeron PPGA processor, which can be installed in either slot 1 or Socket 370. The motherboard supports SDRAM memory, with various DIMM configurations available. The motherboard has various I/O options including an AGP slot, ATX power connector, PS/2 mouse port, USB ports, parallel and serial ports, game/MIDI port, and audio in/out/microphone ports. The motherboard also features a cache BIOS and supports Wake-on-LAN and Wake-on-modem connectors. The motherboard has a 32-bit PCI slot with four available slots.
Specification
- Device Type Mainboard
- Processor Celeron/Pentium II/Pentium III
- Processor Speed 233/266/300/333/350/366/400/433/450/500MHz
- Chip Set VIA Apollo
- Audio Chip Set Unidentified
- Maximum Onboard Memory 768MB (SDRAM supported)
- Maximum Audio Memory Unidentified
- Cache 0/128/256/512KB (located on the CPU)
- BIOS Award
- Dimensions 305mm x 220mm
- I/O Options
32-bit PCI slots (4), floppy drive interface, game/MIDI port, green PC connector, IDEinterfaces (2), parallel port, PS/2 mouse port, serial ports (2), IR connector, USB ports (2), ATX power connector, AGP slot, stereo in, stereo out, microphone in, audio in – CD-ROMs (2), Wake-on-LAN connector, Wake-on-Modem connector, SB-Link connector
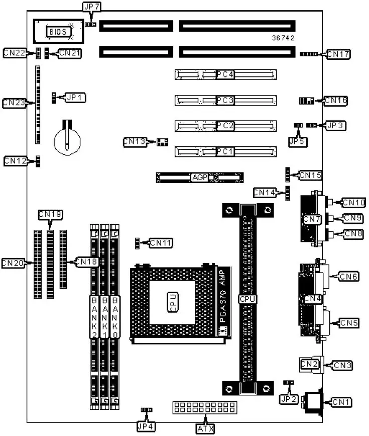
CONNECTIONS

CONNECTIONS | |||
| Location | Location | ||
| Purpose | Purpose | ||
| AGP slot | AGP | SPDIF interface | CN16 |
| ATX power connector | ATX | IR connector | CN17 |
| PS/2 mouse port | CN1 | Floppy drive interface | CN18 |
| USB port 1 | CN2 | IDE interface 2 | CN19 |
| USB port 2 | CN3 | IDE interface 1 | CN20 |
| Parallel port | CN4 | Wake-on-LAN connector | CN21 |
| Serial port 1 | CN5 | Wake-on-modem connector | CN22 |
| Serial port 2 | CN6 | Power LED | CN23/Pins 1-3 |
| Game/MIDI port | CN7 | Green PC connector | CN23/Pins 4 & 5 |
| Stereo out | CN8 | Green PC LED | CN23/Pins 7-9 |
| Stereo in | CN9 | Keylock | CN23/Pins 10 & 11 |
| Microphone in | CN10 | Reset switch | CN23/Pins 12 & 13 |
| CPU fan power | CN11 | Speaker | CN23/Pins 15-18 |
| Chassis fan power | CN12 | IDE interface LED | CN23/Pins 20 & 21 |
| SB-Link connector | CN13 | Power switch | CN23/Pins 22 & 23 |
| Audio in – CD-ROM 1 | CN14 | 32-bit PCI slots | PC1 – PC4 |
| Audio in – CD-ROM 2 | CN15 |
USER CONFIGURABLE SETTINGS
USER CONFIGURABLE SETTINGS | |||
| Function | Label | Position | |
| » | CMOS memory normal operation | JP1 | Pins 1 & 2 closed |
| CMOS memory clear | JP1 | Pins 2 & 3 closed | |
| Keyboard power on disabled | JP2 | Pnis 1 & 2 closed | |
| Keyboard power on enabled | JP2 | Pins 2 & 3 closed | |
| On-board audio enabled | JP3 | Pins 1 & 2 closed | |
| On-board audio disabled | JP3 | Pins 2 & 3 closed | |
| System bus speed set to auto-detect | JP4 | Pins 1 & 2 closed |
| System bus speed set to 100MHz | JP4 | Pins 2 & 3 closed |
| SPDIF output voltage 5V | JP5 | Closed |
| SPDIF output voltage 0.5V | JP5 | Open |
| Flash Bios enabled | JP7 | Pins 1 & 2 closed |
| Flash Bios disabled | JP7 | Pins 2 & 3 closed |
DIMM CONFIGURATION
DIMM CONFIGURATION | |||
| Size | Bank 0 | Bank 1 | Bank 2 |
| 16MB | (1) 2M x 64 | None | None |
| 32MB | (1) 2M x 64 | (1) 2M x 64 | None |
| 32MB | (1) 4M x 64 | None | None |
| 48MB | (1) 2M x 64 | (1) 2M x 64 | (1) 2M x 64 |
| 64MB | (1) 4M x 64 | (1) 4M x 64 | None |
| 64MB | (1) 8M x 64 | None | None |
| 64MB | (1) 4M x 64 | (1) 2M x 64 | (1) 2M x 64 |
| 96MB | (1) 4M x 64 | (1) 4M x 64 | (1) 4M x 64 |
| 96MB | (1) 8M x 64 | (1) 2M x 64 | (1) 2M x 64 |
| 128MB | (1) 8M x 64 | (1) 8M x 64 | None |
| 128MB | (1) 16M x 64 | None | None |
| 128MB | (1) 8M x 64 | (1) 4M x 64 | (1) 4M x 64 |
| 160MB | (1) 16M x 64 | (1) 2M x 64 | (1) 2M x 64 |
| 192MB | (1) 8M x 64 | (1) 8M x 64 | (1) 8M x 64 |
| 192MB | (1) 16M x 64 | (1) 4M x 64 | (1) 4M x 64 |
| 256MB | (1) 16M x 64 | (1) 16M x 64 | None |
| 256MB | (1) 32M x 64 | None | None |
| 256MB | (1) 16M x 64 | (1) 8M x 64 | (1) 8M x 64 |
| 288MB | (1) 32M x 64 | (1) 2M x 64 | (1) 2M x 64 |
| 320MB | (1) 32M x 64 | (1) 4M x 64 | (1) 4M x 64 |
| 384MB | (1) 16M x 64 | (1) 16M x 64 | (1) 16M x 64 |
| 384MB | (1) 32M x 64 | (1) 8M x 64 | (1) 8M x 64 |
| 512MB | (1) 32M x 64 | (1) 32M x 64 | None |
| 512MB | (1) 32M x 64 | (1) 16M x 64 | (1) 16M x 64 |
| 768MB | (1) 32M x 64 | (1) 32M x 64 | (1) 32M x 64 |
| Note: The board supports SDRAM memory. | |||
CACHE CONFIGURATION
Note:
256KB/512KB cache is located on the Pentium II CPU. 128KB cache is located on the Celeron 300A and greater Celerons.
MISCELLANEOUS TECHNICAL NOTES
Board accepts the Celeron SEPP or the Celeron PPGA processors. Only one processor may be installed on this board, either in slot 1 or in Socket-370.


















