EURONE EM-5598SG Mainboard User Manual
SPECIFICATIONS
- Device Type: Mainboard
- Processor: CX 6X86L/IBM 6X86L/CX 6X86MX/IBM 6X86MX/CX M2/AM K6/AM K6-2/Pentium/Pentium MMX/IDT C6
- Processor Speed: 90/100/150/166/200/225/233/240/266/300/333/350/366/380/400/450/475 MHz
- Chip Set: SIS 530
- Video Chip Set: Unidentified
- Audio Chip Set: Unidentified
- Maximum Onboard Memory: 768MB (SDRAM supported)
- Maximum Video Memory: 8MB (shared from system memory)
Maximum Audio Memory: Unidentified - Cache: 1024/2048KB
- BIOS: Unidentified
- Dimensions: 220mm x 220mm
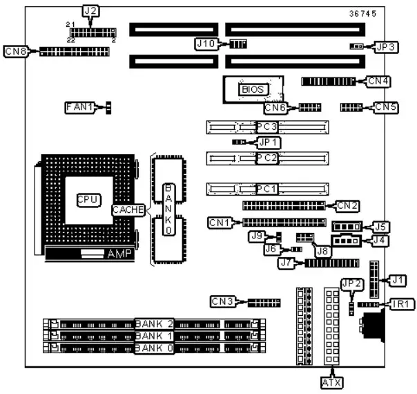
- I/O Options: 32-bit PCI slots (3), floppy drive interface, game/MIDI interface, IDE interfaces (2), parallel port, PS/2 mouse interface, serial interfaces (2), VGA feature connector, IR interface, USB interfaces (2), ATX power connector, line in, line out, microphone in, audio in – CD-ROMs (2), Wake-on-LAN connector
CONNECTIONS

| CONNECTIONS | |||
| Purpose | Location | Purpose | Location |
| ATX power connector | ATX | Turbo LED | J2/Pins 13 & 14 |
| IDE interface 2 | CN1 | IDE interface LED | J2/Pins 15 & 16 |
| IDE interface 1 | CN2 | Reset switch | J2/Pins 17 & 18 |
| VGA feature connector | CN3 | Power supply | J2/Pins 21 & 22 |
| Parallel interface | CN4 | Audio in – CD-ROM (Sony) | J4 |
| Serial interface 2 | CN5 | Audio in – CD-ROM (Panasonic) | J5 |
| Serial interface 1 | CN6 | Sound & game/MIDI interface | J7 |
| Floppy drive interface | CN8 | Digital audio interface | J8 |
| CPU fan power | FAN1 | SPDIF in | J9 |
| IR connector 1 | IR1 | PS/2 mouse interface | J10 |
| ATX form card connector | J1 | Wake-on-LAN connector | JP1 |
| Speaker | J2/Pins 1, 3, 5, 7 | 32-bit PCI slots | PC1-PC3 |
| Power LED & keylock | J2/Pins 2, 4, 6, 8, 10 | ||
USER CONFIGURABLE SETTINGS
| Function | Label | Position | |||
| SPDIF out signal voltage selection 5v | J6 | Closed | |||
| SPDIF out signal voltage selection 0.5v | J6 | Open | |||
| Keyboard power on disabled | JP2 | Pins 1 & 2 closed | |||
| Keyboard power on enabled | JP2 | Pins 2 & 3 closed | |||
| CMOS memory normal operation | JP3 | Pins 1 & 2 closed | |||
| CMOS memory clear | JP3 | Pins 2 & 3 closed | |||
DIMM CONFIGURATION
| Size | Bank 0 | Bank 1 | Bank 2 |
| 4MB | (1) 512KB x 64 | None | None |
| 8MB | (1) 1M x 64 | None | None |
| (1) 512KB x 64 | |||
| 8MB | (1) 512KB x 64 | None | |
| 12MB | (1) 512KB x 64 | (1) 512KB x 64 | (1) 512KB x 64 |
| 16MB | (1) 2M x 64 | None | None |
| 16MB | (1) 1M x 64 | (1) 1M x 64 | None |
| 20MB | (1) 1M x 64 | (1) 1M x 64 | (1) 512KB x 64 |
| 24MB | (1) 1M x 64 | (1) 1M x 64 | (1) 1M x 64 |
| 32MB | (1) 4M x 64 | None | None |
| 32MB | (1) 2M x 64 | (1) 2M x 64 | None |
| 36MB | (1) 2M x 64 | (1) 2M x 64 | (1) 512KB x 64 |
| 40MB | (1) 2M x 64 | (1) 2M x 64 | (1) 1M x 64 |
| 48MB | (1) 2M x 64 | (1) 2M x 64 | (1) 2M x 64 |
| 64MB | (1) 8M x 64 | None | None |
| 64MB | (1) 4M x 64 | (1) 4M x 64 | None |
| 68MB | (1) 4M x 64 | (1) 4M x 64 | (1) 512KB x 64 |
| 72MB | (1) 4M x 64 | (1) 4M x 64 | (1) 1M x 64 |
| 80MB | (1) 4M x 64 | (1) 4M x 64 | (1) 2M x 64 |
| 96MB | (1) 4M x 64 | (1) 4M x 64 | (1) 4M x 64 |
| 128MB | (1) 16M x 64 | None | None |
| 128MB | (1) 8M x 64 | (1) 8M x 64 | None |
| 132MB | (1) 8M x 64 | (1) 8M x 64 | (1) 512KB x 64 |
| 136MB | (1) 8M x 64 | (1) 8M x 64 | (1) 1M x 64 |
| 144MB | (1) 8M x 64 | (1) 8M x 64 | (1) 2M x 64 |
| 160MB | (1) 8M x 64 | (1) 8M x 64 | (1) 4M x 64 |
| 192MB | (1) 8M x 64 | (1) 8M x 64 | (1) 8M x 64 |
| 256MB | (1) 16M x 64 | (1) 16M x 64 | None |
| 256MB | (1) 32M x 64 | None | None |
| 260MB | (1) 16M x 64 | (1) 16M x 64 | (1) 512KB x 64 |
| 264MB | (1) 16M x 64 | (1) 16M x 64 | (1) 1M x 64 |
| 272MB | (1) 16M x 64 | (1) 16M x 64 | (1) 2M x 64 |
| 288MB | (1) 16M x 64 | (1) 16M x 64 | (1) 4M x 64 |
| 320MB | (1) 16M x 64 | (1) 16M x 64 | (1) 8M x 64 |
| 384MB | (1) 16M x 64 | (1) 16M x 64 | (1) 16M x 64 |
| 512MB | (1) 32M x 64 | (1) 32M x 64 | None |
| 516MB | (1) 32M x 64 | (1) 32M x 64 | (1) 512KB x 64 |
| 520MB | (1) 32M x 64 | (1) 32M x 64 | (1) 1M x 64 |
| 528MB | (1) 32M x 64 | (1) 32M x 64 | (1) 2M x 64 |
| 544MB | (1) 32M x 64 | (1) 32M x 64 | (1) 4M x 64 |
| 576MB | (1) 32M x 64 | (1) 32M x 64 | (1) 8M x 64 |
| 640MB | (1) 32M x 64 | (1) 32M x 64 | (1) 16M x 64 |
| 768MB | (1) 32M x 64 | (1) 32M x 64 | (1) 32M x 64 |
| Note: Board supports SDRAM memory. | |||


















