Elpro 43
Electronic controller for 230 Vac electromechanical gate operators type
Dardo 430 mounted on single- or double-swinging gates DARDO 430


Elpro 43 Fadini Electronic Board
- AUTOMATIC/SEMIAUTOMATIC
- DSA PHOTOCELL CONTROL
- ELECTRIC LOCK OUTPUT
- SAFETY EDGES OUTPUT
- TORQUE AND DWELL TIME CONTROL BY TRIMMERS
- STEP BY STEP FUNCTIONING
- DEDICATED OUTPUTS FOR 2 MASTER-SLAVE MOTORS
- AUTOMATIC PROGRAMMING WITH OR WITHOUT GATE LEAF DELAY
- FACTORY PRESET SLOWDOWN IN OPENING AND CLOSING
- AMPEROMETRIC FUNCTION FOR REVERSING ON OBSTACLE IMPACT
GENERAL WARNINGS FOR PEOPLE SAFETY THANK YOU
Thank you for purchasing a Fadini product.
Please read these instructions carefully before using this appliance. The instructions contain important information which will help you get the best out of the appliance and ensure safe and proper installation, use and maintenance. Keep this manual in a convenient place so that you can always refer to it for the safe and proper use of the appliance.
INTRODUCTION
This operator is designed for a specic scope of applications as indicated in this manual, including safety, control and signaling accessories as minimum required with Fadini equipment.
- Any applications not explicitly included in this manual may cause operation problems or damages to properties and people.
- Meccanica Fadini snc is not liable for damages caused by the incorrect use of the equipment, or for applications not included in this manual or for malfunctioning resulting from the use of materials or accessories not recommended by the manufacturer.
- The manufacturer reserves the right to make changes to its products without prior notice.
- All that is not explicitly indicated in this manual is to be considered not allowed.
BEFORE INSTALLATION
Before commencing operator installation assess the suitabilityof the access, its general condition and the structure.
- Makesure that there is no risk of impact, crushing, shearing,conveying, cutting, entangling and lifting situations, whichmay prejudice people safety.
- Do not install near any source ofheat and avoid contacts with ammable substances.
- Keep all the accessories able to turn on the operator (transmitters,proximity readers, key-switches, etc) out of the reach of thechildren.
- Transit through the access only with stationaryoperator.
- Do not allow children and/or people to stand in theproximity of a working operator.
- To ensure safety in thewhole movement area of a gate it is advisable to installphotocells, sensitive edges, magnetic loops and detectors.
- Use yellow-black strips or proper signals to identify dangerousspots.
- Before cleaning and maintenance operations,disconnect the appliance from the mains by switching off themaster switch.
- If removing the actuator, do not cut theelectric wires, but disconnect them from the terminal box byloosening the screws inside the junction box.
INSTALLATION
All installation operations must be performed by a qualied technician, in observance of the Machinery Directive 2006/42/CE and safety regulations EN 12453 – EN 12445.
- Verify the presence of a thermal-magnetic circuit breaker 0,03 A – 230 V – 50 Hz upstream the installation.
- Use appropriate objects to test the correct functionality of the
safety accessories, such as photocells, sensitive edges, etc. - Carry out a risk analysis by means of appropriate instruments measuring the crushing and impact force of the main opening and closing edge in compliance with EN 12445.
- Identify the appropriate solution necessary to eliminate and reduce such risks.
- In case where the gate to automate is equipped with a pedestrian entrance, it is appropriate to prepare the system in such a way to prohibit the operation of the engine when the pedestrian entrance is used.
- Apply safety nameplates with CE marking on the gate warning about the presence of an automated installation.
- The installer must inform and instruct the end user about the proper use of the system by releasing him a technical dossier, including: layout and components of the installation, risk analysis, veri cation of safety accessories, veri cation of impact forces and reporting of residual risks.
INFORMATION FOR END-USERS
The end-user is required to read carefully and to receive information concerning only the operation of the installation so that he becomes himself responsible for the correct use of it.
- The end-user shall establish a written maintenance contract with the installer/maintenance technician (on -call).
- Any maintenance operation must be done by qualied technicians.
- Keep these instructions carefully.
WARNINGS FOR THE CORRECT OPERATION OF THE INSTALLATION
For optimum performance of system over time according tosafety regulations, it is necessary to perform proper maintenance and monitoring of the entire installation: the automation, the electronic equipment and the cables connected to these.
- The entire installation must be carried-out by quailed technical personnel, lling in the Maintenance
Manual indicated in the Safety Regulation Book (to be requested or downloaded from the site www.fadini.net/supporto/downloads). - Operator: maintenance inspection at least every 6 months-while for the electronic equipment and safety systems aninspection at least once every month is required. □ The manufacturer, Mechanical Fading sync, is not responsible for non-observance of good installation practice and incorrect maintenance of the installation.
DISPOSAL OF MATERIALS
Dispose properly of the packaging materials such as cardboard, nylon, polystyrene etc. through specializing companies (after verication of the regulations in force at the place of installation in the eld of waste disposal). Disposal of electrical and electronic materials: to remove and dispose through specializing companies, as per Directive 2012/19/UE. Disposal of substances hazardous for the environment is prohibited.
UE DECLARATION OF CONFORMITY (DoC)
Manufacturer: Meccanica Fadini snc
Address: Via Mantova, 177/A – 37053 Cerea – VR – Italy declare that the DoC is issued under our sole responsibility and belongs to the following product:
Control unit model ELPRO 43 is in conformity with the relevant Union harmonisation legislation:
– Electromagnetic Compatibility Directive 2014/30/UE
– Low Voltage Directive 2014/35/UE Cerea, 19/04/2017

green led, must be ON all the time
red led ON
red led OFF all the time, it goes ON when a contact is made or a pulse given
red led ashing: controller on programming phase, waiting for a pulse by the programming button
General description: the electronic controller ELPRO 43 has been designed to control the gate operator type DARDO 430 at 230 Vac, mounted on single- or doubswinging gates. 230 V – 50 Hz single-phase power supplied. The manufacturer is not liable for incorrect use of the controller, and reserves also the right to change aupdate it to the latest standards of the art at any time.
IMPORTANT FOR THE INSTALLATION AND PROPER FUNCTIONING:
- The controller is to be installed in a sheltered, dry place.
- Make sure that power supply to the electronic controller be 230 V ±10%.
- In case of distances superior than 50 meters, increase the wire section.
- Fit the power supply to the controller with a 0,03 A, high sensibility, magneto-thermal circuit breaker.
- For the power supply, electric motor and asher use1,5 mm² section wires up to 50 m of distance.
- For the limit switches, photocells, command switches and accessories use 1 mm² section wires.
- If no stop button is used bridge terminals 3 and 6.
N.W.: for applications such as lights control, CCTV, etc. use solid state relays to prevent interference with the microprocessor.
DIAGNOSTICS BY LEDs:
L0 (Green ON) = Pair of photocells fitted inside, no obstacle detected
L2 (Green ON) = Pair of photocells closing, no obstacle detected
L4 (Red OFF) = Open, switches ON when a command pulse to open is given
L5 (Red OFF) = Close, switches ON when a command pulse to close is given
L6 (Green ON) = Stop, switches OFF when a command pulse to stop is given
L7 (Red OFF) = Radio, switches ON when a transmitter button is pulsed and the radio contact is made on terminals 3 and 7
L9 (Red OFF) = It illuminates in case of short circuit with 24 Vdc.
It switches OFF when the short circuit fault is removed
L13 (Green ON) = Safety edge open, switches OFF whenever the safety edge is engaged
L14 (Green ON) = Safety edge close, switches OFF whenever the safety edge is engaged
L16 (Red OFF) = Switches ON whenever a pedestrian command is given
E1 (Red ON) = Encoder led
E2 (Red ON) = Encoder led
TROUBLE SHOOTING IN CASE OF FAILURE
- Make sure that power supply to the controller be 230 V ±10%
- Check all the fuses
- Check the photocells contact, it must be normally closed
- Make sure that no voltage drop be occurring between the control board and the electric motor
- Check all the NC contacts in the control board
NOTE WELL:
All the possible connections to the control board terminals are also illustrated in the respective instructions provided with the individual accessories.
All the possible connections to the control board terminals are also illustrated in the instructions provided with the individual accessories.
NOTE WELL: THE INSTALLATION OF NON FADINI ORIGINAL ACCESSORIES MAY DAMAGE THE PC BOARD. MAKE SURE THAT DRY CONTACTS BE ALWAYS USED FOR THE NO-NC INPUTS. BRIDGE ALL THE NC CONTACTS NOT IN USE.
Dip-Switches
| 1 = OFF Photocell. No stop in opening 2 = OFF Radio contact 3-7 stop and reverse in opening 3 = OFF Semiautomatic functioning 4 = OFF No pre- ashing before opening 5 = OFF Radio contact 3-7 reverse on each pulsing 6 = OFF 7 = OFF No stroke reversing pulse in opening. 8 = OFF Flasher (contact 19-20) ON in dwell time. 9 = OFF No reclosing after crossing the photocells 10 = OFF No photocell DSA control before any operation 11 = OFF Blank 12 = OFF Blank | 1 = ON Photocell. Stop in opening 2 = ON Radio contact 3-7 no stop and no reverse in opening 3 = ON Automatic closing after dwell time 4 = ON Pre- ashing before gate starts 5 = ON Radio contact 3-7 step by step: open-stop-close-stop 6 = ON Blank 7 = ON Stroke reversing pulse for 2 s is enabled in opening 8 = ON Flasher (contact 19-20) OFF in dwell time. 9 = ON Reclosing after crossing the photocells ( Dip 3= ON) 10 = ON Photocell DSA control before any operation 11 = ON Blank 12 = ON Blank |
| Accessory | Electrical connections | Dip-switch and LED indication of the various functions |
Photocells:![]() | View from inside property:Outer photocells: all the NC contacts of the receivers of the outer photocells are to be series connected to terminals 1 and 2: on being engaged, in closing phase, gate travel is revered to open. Inner photocells: all the NC contacts of the receivers of the inner photocells are to be series connected: on being engaged, gate travel is stopped in opening, closing and dwell time untill cleared. | DIP-SWITCH N° 1: OFF: no stop in opening and reverse in closing when obstructed |
Keyswitch:![]() | NO and NC contacts to be connected to the espective terminals of the key- or button-operated switches. All possible con gurations are in theinstructions attached to the speci command accessory. | |
Radio contact: Receivers: Astro 43, Jubi 433, Siti 63, Birio 868, VIX 53 | By any NO connection to these two terminals the following is performed, on each pulsing: – Opening only: Dip 2=ON and Dip 5=OFF – Travel reversing on each pulsing Dip 2=OFF and Dip 5=OFF – Step by step operations: open-stop-close-stop Dip 2=OFF and Dip 5=ON | DIP-SWITCHES N° 2 and 5 (do NOT set both of them to ON at the same time): OFF: stop and reverse in opening on pulsing 2 OFF: gate travel reverse on radio pulsing 5 |
| 24 V – max 3 W pilot light output: | Output provided in case a light be required to indicategate status: Light ON = gate open Light OFF = gate closed Flashing 0,5 s (fast) = gate closing Flashing 1 s (normal) = gate opening | |
24 Vdc – max 500 mA output:![]() | 24 Vdc output max. load 500 mA: n° 1 radio receivern° 2 pairs of photocells n° 1 led ZERO.K/ZERO.EK or ZERO.DGT PCB | |
230 Vac asher![]() | 230 Vac OUTPUT for the asher | DIP-SWITCHES N° 4 and 8: OFF: no pre- ashing |
24 Vdc output for DSA control![]() | 24 V output to power supply the projectors of thephotocells (power supplied in parallel) on DSA control: Device for Safety Autotest = before gate operation, provided that this function is enabled. All of the safety devices are tested and assessed to be free from any obstraction, otherwise the operator is not allowed to start. | DIP-SWITCH N° 10: It is necessarily required that the photocells projectors be power supplied to 11-12 terminals 10 OFF: no DSA control on the photocells |
Input for safety edge in opening![]() | ![]() | It goes OFF whenever the safety edge is activated |
Input for safety edge in closing ![]() | ![]() | |
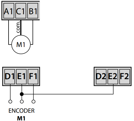
| Input for pedestrian opening (M1 motor only) | ![]() | |
Electric lock output 12 Vdc![]() | 12 Vdc output for the electric lock | DIP-SWITCH N° 7: ON: stroke reversing pulse enabled for 2 s in opening |
| Motor power supply | M1 = Dardo on the 1 st gate leaf to open and being also the pedestrian one, if requiredM2 = Dardo on the gate leaf delayed on opening. | The new setting of force will be performed on the next open/close/radio command |
| 24 Vdc max 50 mA relay output or courtesy light | ||
| PC Board power supply | Control board power supply 230 V – 50 Hz |
INSTALLATION ON A SINGLE GATE
Motor power supply![]() | M1 = this output is to be used for Dardo on a single mount |
NOTE WELL: any new setting on the dip-switches controlling gate functions is performed following an open or close pulse.
FORCE SETTING:
The force is to be adjusted by the dedicated trimmer to a setting sufficient to move the gate.
Before programming, it is advisable to set the force trimmers according to the weight and size of the gate leaf.
Such setting controls also the force developed on the slowdow phase and resistance on impact with an obstacle.
An excessive amount of force against gate inertia implies that the installation may not be in full conformity with the EN 12445 and EN 12453 safety norms. Therefore, once the force to be exerted on the automated gate has been set, the installer is required to assess the forces involved according to the provisions of the EN 12445 and EN 12453 norms documented in the “Safety Norms” manual made available by the company on www.fadini.net.
| FUNCTIONS OF ELPRO 43 CONTROL UNIT | Dip-switcheses and LED indication of the various functions |
| AUTOMATIC / SEMIAUTOMATIC: Automatic cycle: on pulsing an open command, the gate opens, stays open untill dwell time expires asset by the dwell trimmer, then closes automatically. On transiting through the outer pair of photocells, dwell time is reactivated. Semiautomatic cycle: on pulsing an open command, the gate opens and stops in open position. A close pulse is needed for the gate to close. | DIP-SWITCH N° 3: OFF: semiautomatic 3 |
| GATE TRAVEL REVERSE ON CONTACT WITH AN OBSTACLE: A function allowing for the travel direction to be reversed on contact with an obstacle. The sensitivity of this function is proportional to the force exerted by Dardo by the Trimmer Forceduring Travel and during Slowdown. Opening phase: travel direction is reversed allowing for the gate to be cleared of the obstacle. Gate is held stopped waiting for a new command. Closing phase: travel direction is reversed back to the gate stop in open position. N.W. In case an obstacle is detected for 5 consecutive times during a complete cycle, open-dwell-close, the gate stays open waiting for a command. | it controls the maximum force that Dardo applies to the gate during travel and in proportion the resistance on obstacle contact. The new setting of force will be performed on the next open/close/radio command The new setting of force will be performed on the next open/close/radio command |
| RECLOSING ON ENGAGING THE PHOTOCELLS: in opening and dwell phases ( DIP N° 3 = ON). This function allows gate auto close after 3 s from crossing the photocells beam. | DIP-SWITCH N° 9: 9 ON: gate auto close after 3 s from crossing the photocells pair |
| DSA: AUTOMATIC ASSESSMENT OF THE PHOTOCELLS STATUS For DAS (Device for Safety Autotest) control to be enabled, connect only the projectors of the photocells to these terminals and set Dip N° 10 = ON. | DIP-SWITCH N° 10: ON: DSA control enabled |
| OPENING BY EXTERNAL TIME CLOCK: Connections: parallel connect the NO contact of the time clock to terminals 4 open and 3 common, and set the system to auto close by dip-switch n° 3 = ON. How it works: set the clock to the required opening and closing times. On the pre-set time the gate is opened and held open (the asher goes off), and no more commands (even by radio) are accepted until the closing time pre-set on the clock expires. On expiring, and after the pre-set dwell time, automatic close is performed. | DIP-SWITCH N° 3: |
EXCLUDING GATE LEAF DELAY ON PROGRAMMING
(when it is required that both gate leafs be opened simultaneously and for single gate applications where one motor only is involved).
Once all the electrical connections to the control unit have been properly made (following the instructions included in the box) with all of the safety and command accessories as required, programming can be carried out.
NOTE VERY WELL: all of the green LEDs must be ON, otherwise check the connections with any accessory, mainly the NC contacts of the safety devices installed (contacts of the inner and outer photocells, stop contact, safety edges, …).
PROGRAMMING THE UNIT TO OPERATE ON NO GATE LEAF DELAY MODE

Press and hold the programming button for 5 seconds (until the LP led starts ashing): programming mode is thus accessed.
Pulse just once: the LP led light is steady on, wait.
After 10 seconds the LP led light goes off and the gate leaves open simultaneously untill the gate stop is reached in open limit position.


With the gate in the open limit position the LP led goes on with steady light: wait about 10 seconds (do NOT press the button). The LP led goes off and the gate leaves move in close direction until gate stop is reached..


LP led OFF and asher OFF indicate that programming is finished.

Adjust the force and dwell trimmers according to the actual site requirements and type of gate to operate, in full respect of the “the Force Limitation directive in compliance with EN 12453 and EN 12445 norms”.
IMPORTANT: any time force trimmers are readjusted, it is required that programming be made anew.
PROGRAMMING THE UNIT TO OPERATE IN GATE LEAF DELAY MODE (when one gate leaf overlaps the other in closed position) Programming in this way is required when gate leafs overlap eachother, therefore they are to be started later on opening and closing alternatively. Once all the electrical connections to the control unit have been properly made (following the instructions included in the box) with all of the safety and command accessories as required, programming can be carried out.
NOTE VERY WELL: all of the green LEDs must be ON, otherwise check the connections with any accessory, mainly the NC contacts of the safety devices installed (contacts of the inner and outer photocells, stop contact, safety edges, …).
PROGRAMMING THE UNIT TO OPERATE GATE LEAF DELAY MODE

Press and hold the programming button for 5 seconds (until the LP led starts ashing): programming mode is thus accessed.

Pulse just once: the LP led light is steady on Within 10 seconds from the previous pulse, give a second pulse (programming mode gate leaf delay is entered): the led light goes off and the 1st gate leaf (pedestrian) starts opening operated by Dardo connected to M1 block of terminals. Gate delay opening time corresponds to the time elapsing before next step is carried out .


Pulse once: the second gate leaf, the delayed one, starts opening (Dardo connected to M2 terminals). Gate delay opening time corresponds to the time elapsed from the previous pulse.


On both gate leaves reaching gate stops in open limit positions, LP led light is steady on. Pulse once: Dardo M2 gate leaf starts closing. Gate delay closing time corresponds to the time elapsing before next step is carried out.


Pulse once: Dardo M1 gate leaf starts closing.
Gate delay closing time corresponds to the timeelapsed from the previous pulse.


On both gate leaves reaching gate stops in close limit positions, LP led goes off. Programming finished.

Adjust the force and dwell trimmers according to the actual site requirements and type of gate to operate, in full respect of the “the Force Limitation directive in compliance with EN 12453 and EN 12445 norms”.
IMPORTANT: any time force trimmers are readjusted, it is required that programming be made anew.
TECHNICAL SPECIFICATIONS
| Single-phase PCB power supply | 230 Vac ±10% 50 Hz |
| Three-phase PCB power supply | – |
| Max. power of motors | 500 W |
| Courtesy light output | 24 Vdc – 50 mA |
| Photocells/keyswitch/radio receiver outpuPilot light output | 24 Vdc – 500 mA |
| DSA control output | 24 Vdc – 3 W |
| Flasher output | 24 Vdc |
| Motor run time | 230 Vac – 25 W |
| Dwell time | – |
| Closing gate delay time | 1 – 120 s |
| Pedestrian opening time | – |
| Box dimensions | – |
| Protection standards | 210x295x110 mm |
| Working temperature | -20 °C +55 °CIP 64 |

Directive 2012/19/UE
Disposal of electric and electronic material
DO NOT DISPOSE OF AS NORMAL WASTE. HARMFUL FOR THE ENVIRONMENT

Via Mantova, 177/A – 37053 Cerea (VR) Italy
Ph +39 0442 330422
Fax +39 0442 331054
[email protected]
www.fadini.net

View from inside property:
NO and NC contacts to be connected to the espective terminals of the key- or button-operated switches. All possible con gurations are in the
Receivers: Astro 43, Jubi 433, Siti 63, Birio 868, VIX 53
By any NO connection to these two terminals the following is performed, on each pulsing: – Opening only: Dip 2=ON and Dip 5=OFF – Travel reversing on each pulsing Dip 2=OFF and Dip 5=OFF – Step by step operations: open-stop-close-stop Dip 2=OFF and Dip 5=ON
Output provided in case a light be required to indicate
24 Vdc output max. load 500 mA: n° 1 radio receiver
230 Vac OUTPUT for the asher
24 V output to power supply the projectors of the





12 Vdc output for the electric lock
M1 = Dardo on the 1 st gate leaf to open and being also the pedestrian one, if required
Control board power supply 230 V – 50 Hz
M1 = this output is to be used for Dardo on a single mount
DIP-SWITCH N° 3:

















