
INSTRUCTION MANUAL
PRODUCTS NAME
HÄFELE TAP HT21-CH1P254
Products Applied: 577.55.200


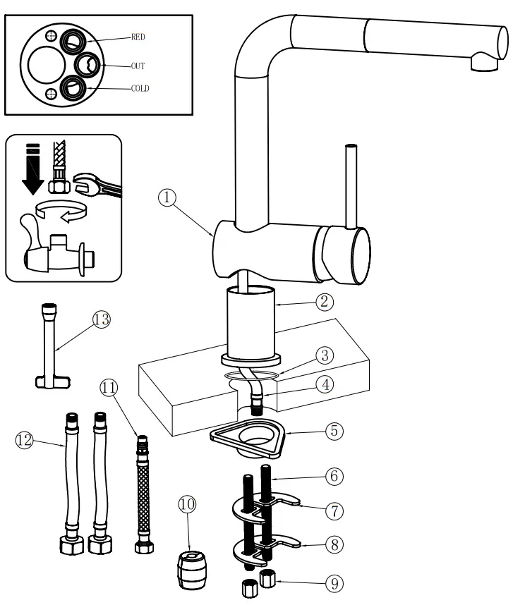
| NO. | NAME | QTY |
| 1 | Body Group | 1 |
| 2 | Tall spacer | 1 |
| 3 | O Ring | 1 |
| 4 | Pull-Out Hose | 1 |
| 5 | Triangle Cover | 1 |
| 6 | Screw | 2 |
| 7 | Rubber Gasket | 1 |
| 8 | SUS Gasket | 1 |
| 9 | Lock Nut | 2 |
| 10 | Gravity Ball | 1 |
| 11 | Water Outlet Connecting Hose | 1 |
| 12 | Water Inlet Hose | 2 |
| 13 | ABS Wrench | 1 |
Operation Notice
- Please clean the inner cavity of the water supply pipe before installing the faucet to ensure there is no foreign matter in the pipe;
- The installation table must be perforated according to the product requirements.
The diameter of the hole is recommended to be between Ø 33 and Ø 40; - Working ConditionWorking Pressure 0.5-10 Bar (Including hot and cold pressure)
Applicable Water Temperature:5 °C-90 °C
Product Installation
- Rotate clockwise (6) to install (6) into (1) to firmly installed
- Install (1) and (2),(3) from the installation table from top to bottom
- Confirm the expected installation angle of (1), and install (5)(7)(8) on the screw lever. If the installation table is more than 10mm thick, then it is not necessary to install (5). Turn (9) clockwise to the fastening position, and lock (9) clockwise with the tool (13) so that the body group and the installation table are firmly installed
- Install (12) to the two inlet holes respectively, and install (11) to the outlet hole Connect 4 and 11 to the fastening position
- Install (10) onto (4) and adjust to the proper position, press (10) to clamp tight
- Lock the inlet water pipe nut clockwise to the thread of the cold and hot water outlet. Lock it with a wrench, open the cold and hot water inlet valve, and check that there is no water leakage at the connection of each thread
- Ensure that the hot and cold inlet pipes are properly connected. If standing in front of the faucet, connect the hot water pipe on the left and the cold water pipe on the right
Cleaning and Maintenance
- Rinse with clean water and dry with a soft cloth
- If there is dirt, clean it with soft liquid or clear glass cleaner
- Do not use acidic detergent, granular detergent which does not break down easily, or soap
- If there is a need, the aerator can be rotated down to be rinsed.

Häfele VN LLC.
3rd Floor, REE Tower
9 Doan Van Bo Street,
District 4, Ho Chi Minh City
Phone: (+84 28) 39 113 113
Email: [email protected]













