DAYTON AUDIO TPS3116D2 Blast Box Portable Bluetooth Speaker Kit Instruction Manual
Blast Box Portable Bluetooth Speaker Kit
Thank you for purchasing the Blast Box Portable Bluetooth speaker kit. This speaker kit was precision cut using CNC machinery for the best possible fit and finish. With a little time and patience, your finished product will provide years of enjoyment. Please follow the following instructions for the best possible results.
Follow this link to see the Blast Box assembly video: https://youtu.be/XgAn3-kQjNQ
Follow this link to hear a Blast Box sound test: https://youtu.be/Ofy5A0m4xvQ
Suggested tools and consumables:
| Drill | Rag or paper towels |
| Screwdriver | Solder |
| Wood clamps (you can never have too many of these) | Soldering iron |
| Sanding block and/or electric finishing sander | Hot glue gun |
| Wood glue Polyurethane glue (Gorilla Glue) | Wire stripper/crimper |
Package contents:
First, empty the contents of the package and review parts to ensure everything has been included and is in good condition. If any parts are missing or damaged please contact our customer service department at 1-800-338-0531.
Note: Crossover components may be substituted with parts of equal or higher quality depending on stock.
Main Components
a) TPS3116D2 Class D 2.1 Bluetooth 4.0 Amplifier Board with Filter and Volume Control
b) Dayton Audio DCS165-4 6-1/2″ Classic Subwoofer 4 Ohm
c) Dayton Audio DS215-PR 8″ Designer Series Passive Radiator
d) Dayton Audio LBB-3v2 3 x 18650 Lithium Battery Charger Board/Module 12V
e) 2 x Dayton Audio ND25TA-4 1″ Titanium Dome Neodymium Tweeter
f) 2 x Dayton Audio DSA90-8 3″ Designer Series Aluminum Cone Full-Range Driver 8 Ohm
Crossover Components:
g) 2 x Dayton Audio DNR-8.0 8 Ohm 10W Precision Audio Grade Resistor
h) 2 x Dayton Audio 1.00mH 20 AWG Air Core Inductor Crossover Coil
i) 2 x Dayton Audio 0.10mH 20 AWG Air Core Inductor Crossover Coil
j) 2 x Dayton Audio DMPC-1.5 1.5uF 250V Polypropylene Capacitor
k) 4 x Dayton Audio DMPC-3.3 3.3uF 250V Polypropylene Capacitor
Enclosure Components

l) Top Panel
m) Amplifier mounting panel
n) Front panel
o) Back panel
p) 2 x Vertical internal baffles
q) 2 x Horizontal internal baffles
r) 2 x Side panels
s) Bottom panel
Wire, Hardware, and Other Components
t) 1 ft. Speaker Gasketing Tape 1/8” x 1/2″
u) 1 x 3-Pack 18650 2600mAh Li-Ion Flat Top Battery
v) 1 x Clear Acrylic Mounting Plate for Metal Panel Mount DC Jack
w) 1 x Clear Acrylic Mounting Plate for TPS3116D2 Class D 2.1 Amp Board
x) 5 x 0.110″ Female Disconnect
y) 10 x 0.205″ Female Disconnect
z) 5 x #8 (16-14) Ring Terminal
aa) 8 x Peavey Nylon Shoulder Washer
bb) 6 x Adhesive Rubber Feet Dome Shaped
cc) 1 x 15VDC 4A AC Adapter Power Supply with 2.1 x 5.5mm Plug Center Positive
dd) 4 x #8 x 1/2″ Deep Thread Pan Head Screws Black
ee) 4 x #6 1-1/2″ Coarse Thread Cabinet Screws
ff) 10 x #8 x 3/4″ Deep Thread Pan Head Screws Black 100 Pcs.
gg) 30 x #6 x 3/4″ Deep Thread Pan Head Screws Black
hh) 2 x Dual Binding Post 1 Red 1 Black
ii) 1 x 2.1mm Metal Panel Mount DC Jack
jj) 10 ft. JSC Wire 18AWG Red/Black Zip Power Speaker Wire
kk) 10 x Cable Ties 5-1/2” Natural
ll) 2 ft. Consolidated 22AWG Red Solid Hook-Up Wire
mm) 2 ft. Consolidated 22 AWG Black Solid Hook-Up Wire
nn) 5 x 1/4″ x 1-1/2″ Zinc Fender Washers

Note: Batteries not included with part number 300-7163. You will need 3 x 18650 Li-Ion batteries for proper operation.
Enclosure Assembly
Note: You may want to install the Dual Binding Posts, and midrange speaker leads onto the vertical inner baffles before assembling the enclosure. If you do this, make sure the nuts and wires are attached to the rabbeted side (inside) of the vertical inner baffles. Refer to steps 17 and 18 below.
- First, before gluing anything, do a dry fit of the enclosure to familiarize yourself with the parts and assembly. This will also give you a chance to ensure that all pieces have been cut properly.
- Next, set the enclosure parts out on a flat level surface and ensure that all pieces are free of dust and debris.
- Due the design of this enclosure, it can easily be assembled in one sitting, using as little as 4 clamps. Start with the back panel lying flat with the dadoed side up, as shown.

- Apply a small bead of glue to the inside of the rabbeted edges of all joining surfaces of the back, bottom, and side panels. Then set in place applying enough pressure to ensure glue is spread through each joint (some glue squeeze-out can be expected).

- Apply a small bead of glue to the inside of the rabbeted edges and dadoes of all joining surfaces of the horizontal inner baffles, vertical inner baffles, back, and side panels. Then set in place applying enough pressure to ensure glue is spread through each joint (some glue squeeze-out can be expected).|

- Apply a small bead of glue to the inside of the rabbeted edges and dadoes of all joining surfaces of the top, vertical inner baffles, back, and side panels. Then set in place applying enough pressure to ensure glue is spread through each joint (some glue squeeze-out can be expected).

- Apply a small bead of glue to the front of the amp mounting panel. Keep at least 1-1/4” away from the oval shaped opening, as shown. Also apply a small bead to each outside edge of the amp mounting panel. Then set in place as shown, applying enough pressure to ensure glue is spread through each joint (some glue squeeze-out can be expected).

- Apply a small bead of glue to the inside of all the rabbeted edges and dadoes on the front panel. Then set in place on the rest of the enclosure, due to the tight fit a firm tap may be needed. Apply enough pressure to ensure glue is spread through each joint (some glue squeeze-out can be expected).

- Finally apply clamps so that even pressure is applied to all glued surfaces. With just 4 clamps, begin by using 2 clamps to apply pressure to the top and bottom panels. Next, use the other 2 clamps to hold the side panels together. Then remove the first 2 clamps from the top and bottom and move them to squeeze the front and back together near two corners. Finally, remove the 2 clamps from the sides and move them to squeeze the front and back together near the two remaining corners. Using a damp rag or paper towel wipe away any glue squeeze-out on the outside of the enclosure (excess glue on the inside is fine). Allow to dry according to the glue manufacturer’s recommendations and remove clamps.
- Sand and finish enclosure to your liking. See our web page for examples. Finally, peel the dome shaped adhesive rubber feet from their backing and place one near each corner on the bottom panel (only 4 will be needed)
Crossover assembly
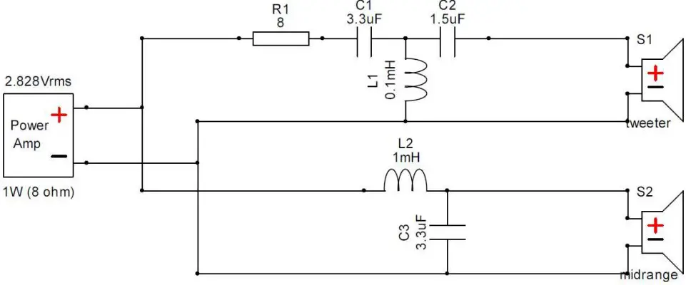
- Arrange the components as illustrated in the point-to-point wiring diagram above so the leads can be connected together as shown. Take careful note of the component type and the value of the component. (The crossover schematic is provided at the end of this assembly guide.) If you would like, the crossover can be mounted to a 3″ x 5″ board to make handling it a little easier, this will fit perfectly inside the enclosure.
- Connect the leads of the components as shown in the diagram by twisting them together or creating interlocking “hooks” with the leads. Double check your layout to ensure all components are in the proper location and connections are correct.
- With a hot soldering iron, apply solder to the connections between components. Heat the junctions evenly and verify that the solder flows into the connection rather than forming a “blob” on the surface (cold joint).
- Cut 4 pieces of red/black speaker wire, approximately 12″ in length, and strip 1/4″ – 1/2″ of insulation from one end of each wire and 1/2″ – 3/4″ from the other ends. Label each wire “woofer” and “tweeter”. Also cut 2 pieces, approximately 15″ in length, and strip 1/4″ of insulation from one end of each wire and 1/2″ – 3/4″ from the other ends. Label these wires “input”.
- Finally, twist all the longer stripped ends of the wires to the corresponding connections as shown on the point-to-point wiring diagram and solder connections together. Heat the junctions evenly and verify that the solder flows into the connection rather than forming a “blob” on the surface (cold joint). Always apply the solder to the wire near the soldering iron, not directly to the soldering iron. The negative connection can take a little patience, so pay special attention to that joint.
Final Assembly
Note: We recommend that you temporarily wire everything up at this point to ensure all parts (amplifier, crossovers, and drivers) are performing properly.
Insert crossover through passive radiator hole and glue crossovers to the bottom of the enclosure, position the crossovers close to each side of the enclosure (polyurethane glue, high temperature hot glue gun, or epoxy is recommended). Ensure all crossover components are securely held in place to prevent rattles.
Cut 2 6″ pieces of red/black speaker wire and strip 1/4″ – 1/2″ of insulation from each end. Then crimp 2 x #8 blue ring terminals to one end of each wire and 2 x 0.205″ blue female disconnects to the other end of each wire.
Install dual binding posts through the 2 holes in each vertical internal baffle from inside the main enclosure using 1 of the binding post spacers for each pair. On the inside of each sub-enclosure place the ring terminals attached to the 6″ red/black speaker wires to the matching red and black binding posts and secure with the supplied nuts (no binding post spacer should be used inside the sub-enclosures). Tighten each nut securely using an 8 mm (or 5/16″) wrench.
Cut 3 3″ pieces of speaker gasket tape, peel off the adhesive covering, and place on the bottom panel on the inside of the enclosure centered between the 4 pre-drilled screw holes. Insert the 3 x 18650 2600mAh Li-Ion Flat Top Batteries (batteries not included with part # 300-7163) into the Dayton Audio LBB-3v2 3 x 18650 Lithium Battery Charger Board/Module (be sure to ensure the polarity is correct). Place the battery charger board on the gasket tape with the battery side down. Secure the battery board into position using 4 x #6 x 1-1/2″ Coarse Thread Cabinet Screws and 4 x nylon washers through the holes in each corner of the battery board into the pre-drilled holes in the bottom panel. Tighten the screws until the battery board is firmly held in place compressing the gasket tape, this will keep the battery board from rattling while locking the batteries in place.
Prepare the TPS3116D2 Class D 2.1 Bluetooth 4.0 Amplifier Board by removing all knobs, nuts, and washers. Place the acrylic amplifier mounting plate on the amplifier with the labels on the outside and secure using the supplied nuts (no washers) and tighten using 10 mm (13/32″) wrench (do not over tighten), take care not to scratch the mounting plate. Turn all knob spindles fully counter-clockwise and attach the knobs pointing to the 7 o’clock position. Important: Switch the small switch between the Master Volume knob and Treble knob towards the mounting plate.
Prepare the 2.1mm Metal Panel Mount DC Jack by removing the nut and washer. Cut a 16″ piece of each red and black Consolidated 22 AWG Solid Hook-Up Wire and strip 1/4″ – 1/2″ of insulation from each end. Solder one end of the red wire to the center connection on the back of the DC jack (Quick Tip: insert the DC plug into the jack to keep the center pin from shifting). Insert one end of the black wire through the hole on the tab on the DC jack and solder into place. Heat the junctions evenly and verify that the solder flows into the connection rather than forming a “blob” on the surface (cold joint). Slide the wires through the hole in the acrylic DC jack mounting plate and secure DC jack in place with the supplied nut (no washer) and tighten using a 14 mm (9/16″) wrench (do not over tighten).
Place the acrylic mounting plate onto the inside of the back panel of the enclosure in the matching recess. Secure into place using 4 x #8 x 1/2″ Deep Thread Pan Head Screws and 4 x nylon washers through the pre-drilled holes in the mounting plate and back panel (do not over tighten). A screwdriver can be inserted through the tweeter hole in the front panel for easy access.
Connect the wires from the DC jack to the Dayton Audio LBB-3v3 3 x 18650 Lithium Battery Charger Board/Module by stabbing the stripped ends of the red and black Consolidated 22 AWG Solid Hook-Up Wire into the connector labeled DC INPUT: 5-24V on the end of the battery charger board, red wire to + and black wire to -. Note: You can depress the small indentation on the connector to release the wires if needed.
Unscrew the plastic knob on the binding posts inside the enclosure and insert the ends of the woofer output wires through the holes in the sides of the binding posts (red to red and black to black). Tighten the plastic knobs on each binding post securely. Double check that each wire is securely held in place.
Connect the 0.205″ connectors on the wires inside one of the sub enclosures to the corresponding connectors on one of the Dayton Audio DSA90-8 3″ Designer Series Aluminum Cone Full-Range Drivers red to + (marked with a red dot) and black to -. Carefully place the driver into the opening in the subenclosure (it will be a tight fit, hold the terminals against the magnet and gently work the driver into the opening). Secure the driver in place using 4 x #6 x 3/4″ Deep Thread Pan Head Screws being careful not to strip out the holes (a power drill is not recommended). Repeat for the other side.
Pull the tweeter wires through the tweeter opening and crimp a 0.205″ blue female disconnect to each red wire and a 0.11″ blue female disconnect to each wire. Connect the connectors from one wire to the corresponding terminals on one of the Dayton Audio ND25TA-4 1″ Titanium Dome Neodymium Tweeters. Carefully place the tweeter into its opening and secure the tweeter in place using 4 x #6 x 3/4″ Deep Thread Pan Head Screws being careful not to strip out the holes (a power drill is not recommended). Repeat for the other side.
Cut a 6″ – 8″ piece of red/black speaker wire and strip 1/4″ of insulation from each conductor on one end of the wire and 3/4” of insulation from the other end. Insert the shorter stripped ends of the wire into the terminals on the back of the amplifier board labeled BASS, (red to + and black to -). Ensure the no strands of the wires are exposed from the terminal and secure wire in place using a small flat head screwdriver
Locate the red and black cable from the LBB-3v2 (shown below). Insert the stripped ends of each wire into the terminals on the back of the amplifier board labeled DC IN (red to + and black to -). Ensure that no strands of the wires are exposed from the terminal and secure wire in place using a small flat head screwdriver.
Pull the input wire from the crossover on the left side through the oval shaped opening in the top of the enclosure. Connect the wire to the terminals on the amplifier board labeled Lout (red to + and black to -). Ensure that no strands of the wires are exposed from the terminal and secure wire in place using a small flat head screwdriver. Repeat for the right crossover input wire to the Rout terminal.
Insert the amplifier module/mounting plate assembly into the opening in the top of the enclosure and secure in place using 8 x #6 x 3/4″ Deep Thread Pan Head Screws (do not over tighten).
Connect the red and black wires from the DC IN terminal on the amplifier board to the Dayton Audio LBB-3v2 3 x 18650 Lithium Battery Charger Board/Module by plugging the 2-pin connector into the J11 position on the battery board (labeled “BATT + GND -“). Ensure the 2-pin connector is completely seated onto the terminal.
Use some of the 5-1/2″ wire ties to secure the wires together to minimize the possibility of the wires touching the enclosure to avoid rattles. Tip: secure wires near the binding posts and near the crossovers.
Connect stripped ends of the red/black speaker wire from the amplifier’s BASS output to the corresponding spring-loaded terminals on the Dayton Audio DCS165-4 6-1/2″ Classic Subwoofer. Place driver in opening and secure in place using 8 x #8 x 3/4″ Deep Thread Pan Head Screws being careful not to strip out the holes (a power drill is not recommended).
Prepare the passive radiator by removing the screw in the center of the mass plug on the back of the passive radiator. Add 4 X 1-1/2″ fender washers to the screw and replace in the back of the radiator. Secure tightly in place. The added mass on the radiator can be adjusted to your preference. Tip: Less mass will have more punch to the bass response in the 50 to 70 Hz range, but sacrifice lower frequencies. More mass can extend the bass response with less output in the 50 to 80 Hz range. We find that 4 washers is the best compromise.
Finally, place the passive radiator in the opening in the back of the enclosure and secure in place using 5 x #6 x 3/4″ Deep Thread Pan Head Screws being careful not to strip out the holes (a power drill is not recommended).
Plug the 15 VDC 4A AC Adapter Power Supply into the DC jack on the back of the enclosure allow a full 24 hours for the initial charge. Tip: The initial charge can be done before installing the battery charger board by plugging the power supply directly into the battery charger board.
You are now ready to enjoy your finished Blast Box portable Bluetooth speaker.
Follow this link to see an easy way to finish the Blast Box with a stylish flight case look: https://youtu.be/sn09e_r7Chw
Blast Box Amplifier Controls
Sub Level: Adjusts the output of the subwoofer.
Sub Filter: Adjusts the crossover frequency of the subwoofer driver. Variable from 80 Hz to 250 Hz
Mid/High Level: Adjusts the output of the midrange and high frequency speakers.
Treble: Treble EQ adjustment. 2,000 Hz shelf filter adjustable from -6 dB to +6 dB.
Master Volume: Turn to adjust the overall output of the speaker.
With no Bluetooth connection
- Press knob to toggle between Bluetooth and line input. No line input is included with this kit, however it can be added easily (see tips below).
- Press knob and hold (1 second) to turn power on and off
With Bluetooth connection:
- Press knob to pause or resume playback (play/pause)
- Double press knob to skip to next song (forward)
- Press knob and hold to skip to previous song (back)
Blast Box Operation
To pair Bluetooth begin by pressing and holding the Master Volume knob for 1 second to turn on the amplifier. You will hear a 4-tone turn on noise followed be a single beep, in addition the LED light will blink rapidly. Turn on the Bluetooth on the device you wish to pair (cell phone, media player, tablet, computer, etc…) and select “M200 BT4.2”. The Blast Box will beep twice and the LED will slowly blink confirming the connection.
Tips for operation:
- For best results set the Master Volume to the 3 o’clock position (pointing to the right) and use youraudio device to control the volume.
For flattest response position the 4 control knobs (Sub Level, Sub Filter, Mid/High Level, and Treble) to the 12 o’clock position. - The polar response is angled upwards about 15°, so feel free to set the Blast Box on the ground, no need to worry about listening on axis.
- For best bass response, and highest output, position the Blast Box near a wall or other rigid surface.
- Lower the Sub Level and increase the Mid/High Level for maximum output capability.
- In situations where you will be listening primarily off-axis you can boost the Treble to improve extremeoff-axis performance.
- Familiarize yourself with all of the controls on the Blast Box to make adjustments on the fly, depending on the situation.
- If the Blast Box makes a popping sound (specifically during bass heavy passages) then the batteries are beginning to lose charge. Lower Master Volume or Sub Level to extend battery life and recharge the Blast Box when convenient.
Tips for construction:
- Upgrading the battery board to the Dayton Audio LBB-5Sv2 18650 21V Battery Board (Parts Express part # 325-210) will provide longer battery life, better performance, and more output. (Note: there is not enough clearance below the woofer and passive radiator for the LBB-5v2 5 x 26650 battery board)
- The acrylic mounting panels can easily be painted. Paint the inside surfaces for a perfect finish (do not paint the side with the lettering etched into it).
- If you paint the amplifier mounting panel you will want to add an external LED. There is an open spot on the amplifier, near the on-board LED, making this an easy addition.
- The Dayton Audio LBB-5CL LED light kit (Parts Express part # 325-142) can be added to the LBB-3v2 3 x 18650 Lithium Battery Charger Board to monitor the battery level and signify when the batteries are fully charged.
- To easily add a line input without soldering we recommend the Switchcraft EH35MM2PKG Stereo 3.5mm Feedthru Jack (Parts Express part # 093-406) with a Parts Express 3.5mm Male to Male 1 Foot Audio Cable (Parts Express part # 240-051). Just drill an 8 mm (5/16″) hole in the enclosure and install the Switchcraft EH35MM2PKG Feedthru jack from the inside of the enclosure.
Blast Box Crossover Schematic:

























