Johnson Controls PG9200AX Wireless Photoelectric Beam Detector
Detector features
- Battery saving function
- 4-channel beam frequency selector
- IP55 waterproof rating (Not evaluated by UL)
- Environmental disqualification circuit for configuring behavior in adverse weather conditions
- Tamper function
- Outdoor detection range of 200 ft
Introduction
The PG9200AX is a PowerG wireless photoelectric beam detector that provides protection for outdoor perimeters. The beam detector consists of a receiver and a transmitter. Warning: Failure to follow the instructions provided with this device, or improper handling, may cause death or serious injury.
Safety information
Warnings
- Do not use the product for purposes other than the detection of moving objects such as people and vehicles.
- Do not use the product for unintended purposes, such as activating a shutter, which may cause an accident.
- Do not touch the product when it is wet or touch the device base or power terminals of the product with wet hands. It may cause electric shock.
- Do not pour water over the product. It may cause damage to the devices.
- Never attempt to disassemble or repair the product. It may cause fire or damage to the devices.
- Do not use batteries that have different levels of power remaining, that is, new and used batteries. Not observing these guidelines may result in an explosion, leakage of electrolyte, emission of toxic gases, or other outcomes that may be harmful to people and property.
- When handling batteries, do not recharge, short circuit, crush, disassemble, exceed heat above 100°C (212°F), incinerate, or expose the contents to water. Do not solder directly to the cell. Not observing these guidelines may result in fire, explosion, or severe burn hazard.
- Clean and check the product periodically for safe use. If any problem is found, stop using the product, and have the product repaired by a professional engineer or electrician.
Box contents
Transmitter and receiver modules Product documentation Hardware pack
Accessories
Parts identification 
Ordering detector batteries
The specified batteries for the device are four (4) LSH20 batteries manufactured by SAFT, two for the transmitter and two for the receiver.
For information about batteries, visit the following website and contact your local SAFT sales representative. See http://www.saftbatteries.com/battery-search/ls-lsh/.
Disassembling the device
Disassemble the device before enrolling and mounting.
- Loosen the back-box lock screw.
- Press the tab on the bottom of the back box.
- Loosen the screw at the bottom of the cover.
- Pull the cover from the chassis.

Note: Complete the Disassembly process for both the transmitter and receiver before mounting the device.
Enrollment
Compatible panels
The device is compatible with the following panels:
- PowerSeries NEO (v1.37 and higher)
- PowerSeries Pro (v1.31 and higher)
- IQ2+ (v2.6.2 and higher)
- IQ Hub (v3.0.1 and higher)
- IQ4 (v4.0.1 and higher)
Enrolling the device
The enrollment process begins when you turn on the PowerG module. The PowerG module is a card in the detector. Note: Enroll both the transmitter and receiver onto the control panel. The modules can be enrolled in any order. 
| A | PowerG daughter card | |||
| B | PowerG power switch | |||
| C | Configuration dipswitches | Configuration | Dipswitch 1 | Dipswitch 2 |
| Receiver | On | Off | ||
| Transmitter | Off | Off | ||
- 1. Ensure the control panel is in enrollment mode.
- Install batteries in the detector.
- Turn the PowerG module power switch located on the interface board to the ON position. Refer to the control panel installation manual for a complete set of enrollment instructions.
- If the automatic enrollment procedure fails, refer to the control panel instructions and enroll the device manually.
- Important! Turn the switch to the OFF position and remove the batteries. The batteries will be reinserted after you mount the device.
Note: Complete Enrolling the device for both the transmitter and receiver before mounting the device.
Mounting 
| Callout | Description |
| A | Do not mount the device on an unstable surface |
| B | Do not mount the device on an unstable pole. |
| C | Do not mount the device near trees or other objects that may block the beam. |
| D | Avoid mounting the receiver in direct sunlight. Sunlight can affect receiver performance. |
| E | Do not mount the device where the infrared beam from a different model can reach the receiver |
| F | Mount the device at a height between 0.7 m to 1 m (2.3 ft to 3.3 ft) |
| G | When mounting on a pole, the pole diameter should be 34 – 48 mm (1.34″ – 1.89″). |
| H | Mount the device at least 1 m (3.3 ft.) away from a wall or fence that is parallel to the beam. |
Caution: Completely install all components of the detector to comply with the IP55 standard requirements.
Mounting on a wall
- Loosen the back-box lock screw.
- Remove the chassis from the back-box.
- Use the supplied M4×20 wall mounting screws to fix the chassis to the wall.
- After mounting the chassis, pick up the tamper bushing with your thumb and index finger.
- Position the tamper bushing so that it is upright and moves smoothly.

- Insert two batteries in the battery enclosure within the back-box and set the PowerG module switch to the ON position.

- Secure the back-box to the chassis on the wall.
- Tighten the back-box lock screw.
Mounting on a pole
- Loosen the back-box lock screw.
- Remove the chassis from the back-box.
- Using a screwdriver or similar tool, break the knockouts on the chassis.

- Use the supplied M3 x 8 screws to attach three pole mounting brackets to the chassis.

- Use the supplied M4x30 screws and U bracket to mount the back-box on the pole.

- Complete steps 4 to 8 from the Mounting on a wall section.
Mounting a second detector in the opposite direction on a pole
- Remove the chassis from the back box.
- Using a screwdriver or similar tool, break the knockouts on the chassis of each detector. Choose a different pair of knockouts for the second detector.

- Use the supplied M3x8 screws to attach three mounting brackets to the chassis of each detector.

- Use the supplied M4x30 screws and U-brackets to mount the chassis of each detector to the pole.

- Complete steps 4 to 8 from the Mounting on a wall section for each detector.
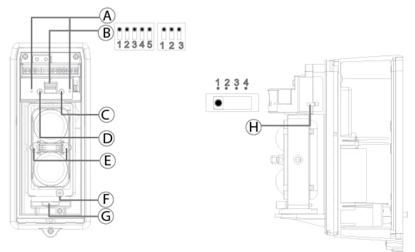
Device settings 
| Callout | Component |
| A | Monitor jack (receiver only) |
| B | Switches |
| C | Receiver: Alarm indicator LED. Transmitter: Power LED |
| D | Low battery LED |
| E | View finder |
| F | Vertical alignment dial |
| G | Horizontal alignment dial |
| H | 4-channel beam frequency selector |
Switch functions
Warning: We do not recommend changing the default settings apart from the Battery saving timer. See Battery saving timer for more information. Changing other default settings can cause the device to function incorrectly and increases the chance of failure or false alarms.
Receiver
- 1 and 2: Beam interruption adjustment switch
- 3: Battery saving timer switch
- 4: Not used. Do not change the position of this switch.
- 5: N.C./N.O. selection switch
Transmitter
- Battery saving timer switch
- Not used. Do not change the position of this switch.
- N.C./N.O. selection switch
Setting the 4-channel beam frequency selector
The 4-channel beam frequency selector is be used to avoid unwanted crosstalk that may occur when using multiple photo beams for long-distance or beam stacking applications. To select between 4 separate beam frequencies, use the switch provided.
- Make sure the receiver and transmitter that are facing each other are set to the same channel.
- More than a double-stacked application is not possible.
Note: Always switch the frequencies two channels apart when stacking devices on top of one another. See the following example. The upper device is set on channel 1 while the lower is on channel 3, channels 2 and 4 could have also been used.
- Double stacked protection
Because receiver B may receive the infrared beam from transmitter A, select the frequencies as shown in the figure. In the figure, each number in the square indicates a channel number.Key Component Tr-A Transmitter A Re-A Receiver A 
- Long-distance protection
Since Receiver C may receive the infrared beam from Transmitter A, select their frequencies as shown in the figure on the left.
- Double stacked long-distance protection

- Perimeter protection

- Perimeter protection in a two-stack configuration

Warning:
- Do not attempt to install this product with any other photoelectric detectors. It may cause the detector to fail or cause a false alarm.
Optical Alignment
After mounting, perform an optical alignment to ensure the device functions reliably.
Alignment angles 
| Callout | Component |
| A | Horizontal alignment angle |
| B | Vertical alignment angle |
Aligning the device
- Ensure the beam frequency selector positions of the paired transmitter and receiver are the same. See the 4-channel beam frequency selector section.
- While looking through the view finder, adjust the horizontal and vertical angles so that the pairing detector is at the center of the sight.

- For rough alignment of the horizontal angle, hold and move the lens to the left or right.
For fine alignment of the horizontal angle, turn the horizontal alignment dial.
- For fine alignment of the vertical angle, turn the vertical alignment dial with a finger or Phillips screwdriver. Turn the dial clockwise to align the lens upward. Turn the dial counterclockwise to align the lens downward.

- For rough alignment of the horizontal angle, hold and move the lens to the left or right.
- Adjust the horizontal and vertical angles while checking the Alarm indicator LED on the pairing receiver.
Alarm indicator LED
Beam not received Beam received ON (red) Fast blink Slow blink
OFF Adjustment level Re-adjust angle Fair Good Excellent Monitor jack output 0 V > 1.0 V > 2.0 V > 2.5 V Note: The Alarm indicator LED is a supporting tool for easy alignment. Perform fine alignment to ensure the maximum output level through the monitor jack.
- After checking by the alarm indicator, make finer alignment with the voltmeter for both the transmitter and the receiver. Insert each probe of the voltmeter. Set the voltmeter range to 5 to 10 VDC.

- Continue the fine alignment until it reaches a minimum monitor output of “good”, or more than 2.0 V.
Testing the device
After installation is complete, complete the following steps to test the device is functioning correctly:
- Ensure the Alarm indicator LED is off. If the LED is on when the beams are not blocked, perform the steps in the Optical alignment section again.
- Ensure the low battery indicator LEDs on both transmitter and receiver are off. If the battery indicator LED is blinking, replace the batteries in the device.
- Conduct a walk test to check that the Alarm indicator LED on the receiver turns on as the walker interrupts the beams.
Be sure to conduct a walk test at the following three points:- In front of the transmitter
- In front of the receiver
- At the midpoint between the transmitter and receiver

Installation and alignment are complete when the alarm indicator LED turns on at all three points of the walk test.
- (Optional) If using, enable the Battery saving timer after completing the walk test. See Battery saving timer.
LED Indication
The following table describes the meaning of the LED indications of the device.
| Detector status | LED indications |
| Power ON | The power LED turns ON. |
| Detection (beam interruption) | The alarm indicator LED turns ON. |
| Low battery power | The low battery LED blinks. |
Troubleshooting
If the alarm indicator LED is off or blinking when the beam is interrupted, complete the following steps:
- Perform the steps in the Optical alignment section again.
- In a multi-detector configuration, the receiver may be receiving the infrared beam from an unrelated transmitter. See 4-channel beam frequency selector and check the 4-channel beam frequency selector setting.
- The beam from the transmitter may reach the receiver by reflecting off the floor or wall of a building. Good reflectors of visible light are also good reflectors of infrared beams. Remove the reflective objects around the detector or install the detector in a different place and then align the optical axis again.
Battery saving timer
Enable the battery-saving timer after installation to avoid extra battery consumption and multiple alarm events. Enabling the battery-saving timer sets a period of time that begins once the detector detects and transmits an event. Only one event transmits during this period, and any other successive events do not transmit until the period ends.
Setting the battery saving timer
The table below indicates the periods for each output when you enable battery saving timer. 
| Function | Output duration for a single event |
| Alarm output | 2 minutes |
| DQ output | 2 minutes |
| Low battery output | 15 minutes |
Notes:
- The battery-saving timer must be turned off to effectively test the device.
- The cover must be securely attached to the device to enable battery saving.
Replacing batteries
- Remove all batteries from the device.
- Turn the PowerG switch to the OFF position.
- Replace all batteries.
- Turn the PowerG switch to the ON position.
Note: Removing all batteries ensures that the low battery indicator LED resets.
Optional settings
Warning: Changing other default settings can cause the device to function incorrectly and increases the chance of failure or false alarms.
Adjusting the beam interruption time
You can adjust the beam interruption time settings according for the detector’s intended target using one of the four selector positions below. The default setting is 50 ms. 
D.Q. output (environmental disqualification)
The D.Q. output feature detects when the beam strength is below acceptable levels due to environmental factors such as heavy rain, snow, or fog. If the beam strength is low for more than 20 seconds due to these conditions, a D.Q. output signal sends from the receiver. The signal returns to normal when the beam strength is at acceptable levels for more than two seconds.
Note: D.Q. output is not evaluated by UL.
The D.Q. output signal can be configured for one of the following uses:
- Separate Output: Sends a signal to the panel that the detector is not working effectively due to weather conditions.
- Bypass Alarm: Bypasses the alarm when the D.Q. output is triggered by adverse weather conditions.
You can configure either option with the following jumper pin settings on interface board of the Receiver:
Dimensions
Specifications
GENERAL
- Range: 200 ft (60 m)
- Detection method: Infrared beam interruption detection
- Beam frequency selection: 4 channels
- Interruption period: Variable between 50, 100, 250, and 500 msec
- Power Source: Recommend: 3.6 V, 13.0 Ah LSH20 lithium batteries manufactured by SAFT.
- Current draw: 810 µA T: 490 µA + R: 320 µA (at 77 °F (25 °C), 3.6 VDC)
- Battery life: Transmitter: Approximately 3 years. Receiver: Approximately 5 years *
INDICATORS
- Alarm Indicator (Receiver): Light on – Beam not received. Flickering Light – IR Beams not received sufficiently.
Light off – Beam received. - Power (Transmitter): Power ON: ON, Power OFF: OFF
- Low battery: Voltage Reduction: blink
- Operating temperature: -4°F to +140°F (-20°C to +60°C)
- Operating ambient humidity: 95% (Max.)
- Alignment angle: ±90° Horizontal, ±5° Vertical
- Weight: 56.4 oz (1600 g) (total weight of transmitter and receiver, excluding accessories)
- Waterproof rating: IP55
- Frequency: 912-919 MHz 128/256-second intervals
Specifications and design are subject to change without prior notice.
The battery life specification applies only when using recommended batteries. See Ordering Detector batteries. Using other battery types may affect battery life expectancy or product performance.
Note: These devices are designed to detect an intruder and activate an alarm control panel. The devices are part of a complete system, therefore the manufacturer cannot accept responsibility for any damages or other consequences resulting from an intrusion.
Compliance with standards
USA: FCC- CFR 47 Part 15 UL Resi/Com Burg: UL639
Canada: IC RSS – 247 ULC Resi/Com Burg ULC-S306
This device complies with Part 15 of the FCC Rules and with Industry Canada license-exempt RSS standard(s). Operation is subject to the following two conditions: (1) This device may not cause harmful interference, and (2) this device must accept any interference received, including interference that may cause undesired operation.
To comply with FCC Section 1.1310 for human exposure to radio frequency electromagnetic fields and IC requirements, implement the following instruction:A distance of at least 20cm. between the equipment and all persons should be maintained during the operation of the equipment.
NOTE: This equipment has been tested and found to comply with the limits for a Class B digital device, pursuant to part 15 of the FCC Rules. These limits are designed to provide reasonable protection against harmful interference in a residential installation. This equipment generates, uses and can radiate radio frequency energy and, if not installed and used in accordance with the instructions, may cause harmful interference to radio communications. However, there is no guarantee that interference will not occur in a particular installation. If this equipment does cause harmful interference to radio or television reception, which can be determined by turning the equipment off and on, the user is encouraged to try to correct the interference by one or more of the following measures: Reorient or relocate the receiving antenna. Increase the separation between the equipment and receiver. Connect the equipment into an outlet on a circuit different from that to which the receiver is connected. Consult the dealer or an experienced radio/TV technician for help.
- This Class B digital apparatus complies with Canadian ICES-003.
- Cet appareil numerique de la classe B est conforme a la norme NMB-003 du Canada.
WARNING! Changes or modifications to this unit not expressly approved by the party responsible for compliance could void the user’s authority to operate the equipment.
UL/ULC Notes
Only model PG9200AX operating in the frequency band 912-919MHz is UL/ULC listed. The PG9200AX has been listed by UL for commercial and residential burglary applications and by ULC for residential burglary applications
in accordance with the requirements in the Standards UL 639 and ULC-S306 for Intrusion Detection Units.
For UL/ULC installations use these devices only in conjunction with compatible DSC wireless receivers: HSM2HOST9, HS2LCDRF(P)9, HS2ICNRF(P) 9, PG9920, PowerSeries NEO (v1.37 and higher), PowerSeries Pro
(v1.31 and higher), IQPanel2 (v2.6 and higher), IQHub (v3.0 and higher), IQPanel4 (v4.0 and higher). After installation verify the product functionality in conjunction with the compatible receiver used.
FCC COMPLIANCE STATEMENT
WARNING! Changes or modifications to this unit not expressly approved by the party responsible for compliance could void the user’s authority to operate the equipment.
This device has been tested and found to comply with the limits for a Class B digital device, pursuant to Part 15 of the FCC Rules. These limits are designed to provide reasonable protection against harmful interference in residential installations. This equipment generates uses and can radiate radio frequency energy and, if not installed and used in accordance with the instructions, may cause harmful interference to radio and television reception. However, there is no guarantee that interference will not occur in a particular installation. If this device does cause such interference, which can be verified by turning the device off and on, the user is encouraged to eliminate the interference by one or more of the following measures:
- Re-orient or re-locate the receiving antenna.
- Increase the distance between the device and the receiver.
- Connect the device to an outlet on a circuit different from the one that supplies power to the receiver.
- Consult the dealer or an experienced radio/TV technician.
FCC ID: F5318PG9200AX
Innovation Science and Economic Development Canada (ISED) Statement
This equipment complies with FCC and ISED Canada RF radiation exposure limits set forth for an uncontrolled environment.
This device complies with FCC Rules Part 15 and with ISED Canada license-exempt RSS standard(s). Operation is subject to the following two conditions:
(1) This device may not cause harmful interference, and (2) this device must accept any interference that may be received or that may cause undesired operation.
To comply with FCC Section 1.1310 for human exposure to radiofrequency electromagnetic fields and IC requirements, implement the following instruction: A distance of at least 20cm. between the equipment and all persons should be maintained during the operation of the equipment.
IC: 160A-PG9200AX
The term IC before the radio certification number signifies that the Industry Canada technical specifications were met. This Class B digital apparatus complies with Canadian ICES-003. This device complies with RSS-247 of
Industry Canada. Operation is subject to the following two conditions: (1) this device may not cause interference, and (2) this device must accept any interference, including interference that may cause undesired operation of the device.
Limited Warranty
Digital Security Controls warrants that for a period of 12 months from the date of purchase, the product shall be free of defects in materials and workmanship under normal use and that in fulfillment of any breach of such warranty, Digital Security Controls shall, at its option, repair or replace the defective equipment upon the return of the equipment to its repair depot. This warranty applies only to defects in parts and workmanship and not to damage incurred in shipping or handling, or damage due to causes beyond the control of Digital Security Controls such as lightning, excessive voltage, mechanical shock, water damage, or damage arising out of abuse, alteration or improper application of the equipment.
The foregoing warranty shall apply only to the original buyer and is and shall be in lieu of any and all other warranties, whether expressed or implied, and of all other obligations or liabilities on the part of Digital Security Controls. Digital Security Controls neither assumes responsibility for, nor authorizes any other person purporting to act on its behalf to modify or to change this warranty, nor to assume for it any other warranty or liability concerning this product.
In no event shall Digital Security Controls be liable for any direct, indirect or consequential damages, loss of anticipated profits, loss of time or any other losses incurred by the buyer in connection with the purchase, installation or operation or failure of this product.
Warning: Digital Security Controls recommends that the entire system be completely tested on a regular basis. However, despite frequent testing, and due to, but not limited to, criminal tampering or electrical disruption, it is possible for this product to fail to perform as expected.
Important Information: Changes or modifications not expressly approved by Digital Security Controls could void the user’s authority to operate this equipment.
IMPORTANT – READ CAREFULLY: DSC Software purchased with or without Products and Components is copyrighted and is purchased under the following license terms:
- This End-User License Agreement (“EULA”) is a legal agreement between You (the company, individual or entity who acquired the Software and any related Hardware) and Digital Security Controls, a division of Tyco Safety Products Canada Ltd. (“DSC”), the manufacturer of the integrated security systems and the developer of the software and any related products or components (“HARDWARE”) which You acquired.
- If the DSC software product (“SOFTWARE PRODUCT” or “SOFTWARE”) is intended to be accompanied by HARDWARE, and is NOT accompanied by new HARDWARE, You may not use, copy or install the SOFTWARE PRODUCT. The SOFTWARE PRODUCT includes computer software, and may include associated media, printed materials, and “online” or electronic documentation.
- Any software provided along with the SOFTWARE PRODUCT that is associated with a separate end-user license agreement is licensed to You under the terms of that license agreement. • By installing, copying, downloading, storing, accessing or otherwise using the SOFTWARE PRODUCT, You agree unconditionally to be bound by the terms of this EULA, even if this EULA is deemed to be a modification of any previous arrangement or contract. If You do not agree to the terms of this EULA, DSC is unwilling to license the SOFTWARE PRODUCT to You, and You have no right to use it.
LICENSE
The SOFTWARE PRODUCT is protected by copyright laws and international copyright treaties, as well as other intellectual property laws and treaties. The SOFTWARE PRODUCT is licensed, not sold.
- GRANT OF LICENSE This EULA grants You the following rights:
- Software Installation and Use – For each license You acquire, You may have only one copy of the SOFTWARE PRODUCT installed.
- Storage/Network Use – The SOFTWARE PRODUCT may not be installed, accessed, displayed, run, shared or used concurrently on or from different computers, including a workstation, terminal or other digital electronic devices (“Device”). In other words, if You have several workstations, You will have to acquire a license for each workstation where the SOFTWARE will be used.
- Backup Copy – You may make backup copies of the SOFTWARE PRODUCT, but You may only have one copy per license installed at any given time. You may use the back-up copy solely for archival purposes. Except as expressly provided in this EULA, You may not otherwise make copies of the SOFTWARE PRODUCT, including the printed materials accompanying the SOFTWARE.
- DESCRIPTION OF OTHER RIGHTS AND LIMITATIONS
- Limitations on Reverse Engineering, Decompilation and Disassembly – You may not reverse engineer, decompile, or disassemble the SOFTWARE PRODUCT, except and only to the extent that such activity is expressly permitted by applicable law notwithstanding this limitation. You may not make any changes or modifications to the Software, without the written permission of an officer of DSC. You may not remove any proprietary notices, marks or labels from the Software Product. You shall institute reasonable measures to ensure compliance with the terms and conditions of this EULA.
- Separation of Components – The SOFTWARE PRODUCT is licensed as a single product. Its component parts may not be separated for use on more than one HARDWARE unit.
- Single INTEGRATED PRODUCT – If You acquired this SOFTWARE with HARDWARE, then the SOFTWARE PRODUCT is licensed with the HARDWARE as a single integrated product. In this case, the SOFTWARE PRODUCT may only be used with the HARDWARE as set forth in this EULA.
- Rental – You may not rent, lease or lend the SOFTWARE PRODUCT. You may not make it available to others or post it on a server or web site.
- Software Product Transfer – You may transfer all of Your rights under this EULA only as part of a permanent sale or transfer of the HARDWARE, provided You retain no copies, You transfer all of the SOFTWARE PRODUCT
(including all component parts, the media and printed materials, any upgrades and this EULA), and provided the recipient agrees to the terms of this EULA. If the SOFTWARE PRODUCT is an upgrade, any transfer must also include all prior versions of the SOFTWARE PRODUCT. - Termination – Without prejudice to any other rights, DSC may terminate this EULA if You fail to comply with the terms and conditions of this EULA. In such event, You must destroy all copies of the SOFTWARE PRODUCT and all of its component parts.
- Trademarks – This EULA does not grant You any rights in connection with any trademarks or service marks of DSC or its suppliers.
- COPYRIGHT
All title and intellectual property rights in and to the SOFTWARE PRODUCT (including but not limited to any images, photographs, and text incorporated into the SOFTWARE PRODUCT), the accompanying printed materials, and any copies of the SOFTWARE PRODUCT, are owned by DSC or its suppliers. You may not copy the printed materials accompanying the SOFTWARE PRODUCT. All title and intellectual property rights in and to the content which may be accessed through use of the SOFTWARE PRODUCT are the property of the respective content owner and may be protected by applicable copyright or other intellectual property laws and treaties. This EULA grants You no rights to use such content. All rights not expressly granted under this EULA are reserved by DSC and its suppliers. - EXPORT RESTRICTIONS
You agree that You will not export or re-export the SOFTWARE PRODUCT to any country, person, or entity subject to Canadian export restrictions. - CHOICE OF LAW
This Software License Agreement is governed by the laws of the Province of Ontario, Canada. - ARBITRATION
All disputes arising in connection with this Agreement shall be determined by final and binding arbitration in accordance with the Arbitration Act, and the parties agree to be bound by the arbitrator’s decision. The place of arbitration shall be Toronto, Canada, and the language of the arbitration shall be English. - LIMITED WARRANTY
- NO WARRANTY – DSC PROVIDES THE SOFTWARE “AS IS” WITHOUT WARRANTY. DSC DOES NOT WARRANT THAT THE SOFTWARE WILL MEET YOUR REQUIREMENTS OR THAT THE OPERATION OF THE SOFTWARE WILL BE UNINTERRUPTED OR ERROR-FREE.
- CHANGES IN OPERATING ENVIRONMENT – DSC shall not be responsible for problems caused by changes in the operating characteristics of the HARDWARE, or for problems in the interaction of the SOFTWARE PRODUCT with non-DSC-SOFTWARE or HARDWARE PRODUCTS.
- LIMITATION OF LIABILITY; WARRANTY REFLECTS ALLOCATION OF RISK – IN ANY EVENT, IF ANY STATUTE IMPLIES WARRANTIES OR CONDITIONS NOT STATED IN THIS LICENSE AGREEMENT, DSC’S ENTIRE LIABILITY UNDER ANY PROVISION OF THIS LICENSE AGREEMENT SHALL BE LIMITED TO THE GREATER OF THE AMOUNT ACTUALLY PAID BY YOU TO LICENSE THE SOFTWARE PRODUCT AND FIVE CANADIAN DOLLARS (CAD$5.00). BECAUSE SOME JURISDICTIONS DO NOT ALLOW THE EXCLUSION OR LIMITATION OF LIABILITY FOR CONSEQUENTIAL OR INCIDENTAL DAMAGES, THE ABOVE LIMITATION MAY NOT APPLY TO YOU.
- DISCLAIMER OF WARRANTIES – THIS WARRANTY CONTAINS THE ENTIRE WARRANTY AND SHALL BE IN LIEU OF ANY AND ALL OTHER WARRANTIES, WHETHER EXPRESSED OR IMPLIED (INCLUDING ALL IMPLIED WARRANTIES OF MERCHANTABILITY OR FITNESS FOR A PARTICULAR PURPOSE) AND OF ALL OTHER OBLIGATIONS OR LIABILITIES ON THE PART OF DSC. DSC MAKES NO OTHER WARRANTIES. DSC NEITHER ASSUMES NOR AUTHORIZES ANY OTHER PERSON PURPORTING TO ACT ON ITS BEHALF TO MODIFY OR TO CHANGE THIS WARRANTY, NOR TO ASSUME FOR IT ANY OTHER WARRANTY OR LIABILITY CONCERNING THIS SOFTWARE PRODUCT.
- EXCLUSIVE REMEDY AND LIMITATION OF WARRANTY – UNDER NO CIRCUMSTANCES SHALL DSC BE LIABLE FOR ANY SPECIAL, INCIDENTAL, CONSEQUENTIAL OR INDIRECT DAMAGES BASED UPON BREACH OF WARRANTY, BREACH OF CONTRACT, NEGLIGENCE, STRICT LIABILITY, OR ANY OTHER LEGAL THEORY. SUCH DAMAGES INCLUDE, BUT ARE NOT LIMITED TO, LOSS OF PROFITS, LOSS OF THE SOFTWARE PRODUCT OR ANY ASSOCIATED EQUIPMENT, COST OF CAPITAL, COST OF SUBSTITUTE OR REPLACEMENT EQUIPMENT, FACILITIES OR SERVICES, DOWN TIME, PURCHASERS TIME, THE CLAIMS OF THIRD PARTIES, INCLUDING CUSTOMERS, AND INJURY TO PROPERTY.
WARNING: DSC recommends that the entire system be completely tested on a regular basis. However, despite frequent testing, and due to, but not limited to, criminal tampering or electrical disruption, it is possible for this SOFTWARE PRODUCT to fail to perform as expected.
Always ensure you obtain the latest version of the User Guide. Updated versions of this User Guide are available by contacting your distributor.
© 2022 Johnson Controls. All rights reserved. JOHNSON CONTROLS and DSC are trademarks and/or registered trademarks. Unauthorized use is strictly prohibited.
Johnson Controls PG9200AX Wireless Photoelectric Beam Detector










































