SIEMENS OP921 Photoelectric Smoke Detector

Scan for the electronic version

These instructions are written in accordance with the installation guidelines of NFPA 72, National Fire Alarm Code, and CAN/ULC-S524, The Installation of Fire Alarm Systems.
CAUTION
- DO NOT install this detection device until all construction is completed.
- DO NOT store this detection device where it can be contaminated by dirt, dust, or humidity.
DETECTOR PLACEMENT
Although no specific spacings are set for the detectors used for a clean air application, use 30-foot center spacing (900 sq ft) from NFPA Standard 72 initiating devices chapter and CAN/ULC-S524, if practical, as a guide or starting point for a detector installation layout. This spacing, however, is based on ideal conditions –smooth ceiling, no air movement, and no physical obstructions. In some applications, therefore, considerably less area is protected adequately by each smoke detector. This is why it is mandatory to closely follow the installation drawings. In all installations place the detector on the ceiling, a minimum of 6 inches from a side wall, or on a wall, 12 inches from the ceiling. For an ideal, smooth ceiling condition, place the detectors at a maximum center spacing of 50 feet (2500 square feet). Drawings provided or approved by Siemens Industry, Inc., or by its authorized distributors are extremely important. The detector placements shown on these drawings were chosen after a careful evaluation of the area that is protected. Such factors as air currents, temperature, humidity, pressure, and the nature of the fire load were carefully considered. Especially noted were the room or area configuration and the type of ceiling (sloped or flat, smooth or beamed). Siemens Industry, Inc.’s extensive experience in the design of the system assures the best detector placement by following these drawings. Sound engineering judgment by qualified personnel must be followed.
TO AVOID NUISANCE ALARMS
Do not locate the detectors where excessive smoke concentrations exist under normal conditions, or in areas of prolonged high relative humidity where condensation occurs. Do not locate the detectors next to an oil burner, or garage where exhaust fumes can trigger an alarm. Other causes of false alarms are dust accumulation, heavy concentrations of steam, heavy pipe or cigar smoke, and certain aerosol sprays.
AIR CURRENTS
Before a detector can sense a fire, the products of combustion or smoke must travel from the fire to the detector. This travel is especially influenced by air currents; therefore, consider air movement when designing the system. While combustion products tend to rise, drafts from hallways, air diffusers, fans, etc., may help or hinder the travel of combustion products to the detector. When positioning a detector at a particular location, give consideration to windows and doors, both open and closed, to ventilating systems, both in and out of operation, and to other factors influencing air movement. Do not install a detector in the air stream of a room air supply diffuser. It is better to position a detector closer to an air return.
The distance that products of combustion or smoke travel from a fire to the detector is not usually the shortest linear route. Combustion products or smoke usually rise to the ceiling, then spread out. Average ceiling heights of 8 to 10 feet do not abnormally affect detector response. High ceilings, located in churches, warehouses, auditoriums, etc., do affect detector response and should be considered.
SPECIAL CEILING CONSTRUCTION FACTORS
Ceiling obstructions change the natural movement of air and combustion products. Depending on the direction of smoke travel, joists and beams can slow the movement of heated air and smoke, while pockets between them can contain a reduced level of smoke. Take obstructions created by girders, joists, beams, air conditioning ducts, or architectural design into consideration when determining area protection. Refer to the Initiating Devices chapter of NFPA Standard 72 for Location and Spacing requirements for specific types of construction; e.g. beam, suspended, level, sloped and peaked ceilings. The detector is also compatible with the following mechanical protection guard model: STI-9604 (see www.STI-USA.com for details).
TEMPERATURE – HUMIDITY – PRESSURE – AIR VELOCITY
The temperature range for the OP921 detector is 32 °F (0 °C) to 100 °F (38 °C). Use the detector in environments where the humidity does not exceed 95%(non-condensing). Normal changes of atmospheric pressure do not affect detector sensitivity. The air velocity range is 0-300 ft/min for open areas applications and 0-4000 ft/min for direct in air duct applications. Follow detector spacing and location requirements in NFPA 72 Chapter for High Air Movement Areas and Control of Smoke Spread.
LED INDICATOR OPERATION
The Model OP921 contains an LED indicator capable of flashing either one of three distinct colors: green, yellow, or red. The microprocessor-based detector monitors the following:
- Smoke in its sensing chamber
- Smoke sensitivity is within the range indicated on the nameplate label
- Internal sensors and electronics
Based on the results of the monitoring, the LED indicator flashes the following:
| Flash Color | Condition | Flash Interval (Seconds) |
| Green * | Normal supervisory operation. Smoke sensitivity is within rated limits. | 10 |
| Yellow | Detector is in trouble and needs replacement. | 4 |
| Red | Alarm | 1 |
| No Flashes | Detector is not powered, or replacement is needed. | – |
| * LED can be turned off. Please follow the corresponding description of the Panel used. | ||
DETECTOR PROGRAMMING
Each detector must be programmed to respond to an address between 001 – 252. To program the detector address, use the Model DPU Device Programming Unit. Refer to the DPU Manual, P/N 315-033260.
Record the loop and device number (system address) for the detector on the detector label and on the base to prevent installing the detector in the wrong base. The optional DPU label printer can be used for this purpose. Each detector provides pre-programmed parameter sets which can be selected by the panel. Follow the corresponding description of the panel used.
- Standard
- Duct
NOTE
- When using this detector direct in air duct applications, be sure the detector is set to the parameter “Duct”.
WIRING
The OP921 supports two operation modes: polarity insensitive mode and isolator mode. The Detector can be wired for either mode (refer to Figure 2 and 3). During the isolator mode, the built-in dual isolators will work at both sides of the Detector to isolate the line short in front or behind the device. When the OP921 is wired in polarity insensitive mode, Line -6 and -5 can be either line of the loop.
When the OP921 is wired for Isolator mode, the positive line needs to be connected to 1b and the negative line to 6. The next device needs to be connected to 1b and 5. The Line Isolator is located between connector 6 and 5.
NOTICE
Ensure that the panel supports Isolator mode for the OP921 product version 17. Isolator mode must not be used with an OP921 product version <17. You will find the product version number on the detector label.
OP921
S54320-F4-A2 17
DETECTOR MOUNTING
To ensure proper installation of the detector head into the base, be sure the wires are properly dressed at installation:
- Position all wires flat against the base.
- Take up all slack in the outlet box
- Route wires away from connector terminals.
TO INSTALL DETECTOR HEAD
- Rotate detector counterclockwise while gently pressing on it until the detector seats fully into base.
- Then rotate the detector clockwise until it stops and locks in place. Insert optional locking screw (Order Model LK-11).
TO REMOVE DETECTOR HEAD:
- Loosen locking screw, if installed. Then rotate the detector counterclockwise until stop is reached.
- Pull detector out of base.
DETECTOR TESTING
Only qualified service personnel should test. To assure proper operation of the detector, both the Sensitivity and Functional Test should be conducted. The minimum test schedule may be found in the current edition of NFPA 72.
SENSITIVITY MEASUREMENT
The sensitivity of OP921 detectors can be tested individually using the DPU. Refer to the DPU Manual, P/N 315-033260. The sensitivity can be measured by the panel. Follow the instructions of the panel used.
FUNCTIONAL TEST
Perform a functional (Go, No-Go) test by activating the detector using the following test gases:
- Smoke Sabre, P/N SMOKESABRE-01-001
- Smoke Centurion (M8), P/N M8-001-024
- Solo A5 Smoke Detector Tester Gas P/N SOLOA5 001
- Solo A10, P/N SOLO A10 / A10s
- Testifire 1001 / 2001, P/N TS3-001
- HSI PurCheck, P/N HO-30S
- HSI SmokeCheck™, P/N HO-25S
Follow the instruction on the gas canister label. This test is simply used to ensure that smoke can enter the sensing chamber and alarm the control panel when the detector reaches the programmed obscuration (concentration) level.
The OP921 detectors can also be tested individually using the DPU. Refer to the DPU Manual, P/N 315-033260.
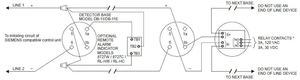
Polarity insensitive wiring:
- OP921 is a polarity-insensitive detector. Line 1 and Line 2 can be either line of the loop.
- The relay contacts are shown after the System reset, which represents the non-alarm condition.
Isolator mode wiring:
The relay contacts are shown after the System reset, which represents the non-alarm condition.
Wire size:
maximum 14 AWG, minimum 18 AWG (Wire larger than 14 AWG can damage the connector).
MAINTENANCE
The control unit automatically indicates the trouble message for the OP921 detector whose smoke chamber changes to the level where the set sensitivity cannot be maintained. In such circumstances, the detector may require replacement.
CAUTION
- Under no circumstances is the detector head to be disassembled.
- No repairs should be attempted.
DO NOT PAINT
The detector is marked DO NOT PAINT. This is intended to prohibit painting during routine maintenance of the occupancy which can affect proper operation of the detector.
In the device line, up to 30 of any compatible devices in polarity insensitive mode with 20 ohms max line resistance can be isolated between two modules in isolator mode in a Class A Style 6 wiring.
In the device line, up to 30 of any compatible devices in polarity insensitive mode with 20 ohms max line resistance can be isolated behind one module in isolator mode in a Class B Style 4 wiring.
FCC Statement
HLIM isolator module and SBGA-34 sounder base cannot be used in the same loop as the modules in isolator mode.
WARNING!
Installation and usage of equipment not in accordance with the instructions manual may result in:
Radiation of radio frequency energy
Interference to radio communications
- Install and use equipment in accordance with the installation instructions manual
- Read the following information
This equipment generates, uses, and can radiate radio frequency energy and if not installed and used in accordance with the instructions manual, may cause interference to radio communications.
It has been tested and found to comply with the limits for a Class A computing device pursuant to Part 15 of FCC Rules, which are designed to provide reasonable protection against such interference when operated in a commercial environment. Operation of this equipment in a residential area is likely to cause interference in which case the user at his own expense will be required to take whatever measures may be required to correct the interference.
Contact Information
Siemens Industry, Inc. Building Technologies Division Florham Park, NJ.
P/N 315-049552-6.
Siemens Canada Limited
Building Technologies Division 2 Kenview Boulevard Brampton, Ontario L6T 5E4 Canada.


















