Installation Manual
Detector Bases:
PAD100-IB, PAD100-RB & PAD100-SB
PAD100-IB Photoelectric Smoke Detector
| PAD100-PD | Photoelectric Smoke Detector | (ANSI/UL 268 Listed) |
| PAD100-PHD | Photoelectric Smoke / Heat Detector Combination | (ANSI/UL 268 and ANSI/UL 521 Listed) |
| PAD100-HD | Heat Detector | (ANSI/UL 521 Listed) |
| PAD100-CD | Carbon Monoxide Detector | (ANSI/UL 2075 Listed) |
![]()
Description
This document provides instructions for mounting and wiring the Detector Bases PAD100-IB, PAD100-RB and PAD100-SB. The following detectors are compatible with Detector Bases PAD100-IB, PAD100-RB and PAD100-SB.
- PAD100-PD: Photoelectric Smoke Detector
- PAD100-PHD: Photoelectric Smoke / Heat Detector
- PAD100-HD: Heat Detector
- PAD100-CD: Carbon Monoxide Detector
2a. Field Wiring Diagram(s) for PAD100-IB
Typical field wiring diagrams for the Signaling Line Circuit (SLC) are shown in FIGURE 1. The SLC supports NFPA wiring Class B, A and X.
FIGURE 1: Wiring (Class B) Using PAD100-IB
FIGURE 1 is typical of NFPA Class B SLC (S+, S-) Wiring using the PAD100-IB base.
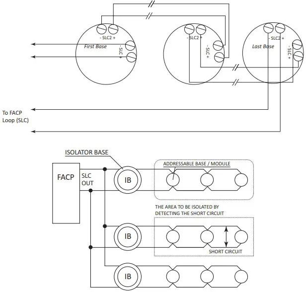
In Class A (FIGURE 2) arrangement two separate conducts would return from the last detector base to a listed compatible Fire Alarm Control Panel (FACP). In Class X, it is required to use PAD100-IB (Addressable Isolator Bases (FIGURE 3).
![]() | ![]() |
| FIGURE 2: Wiring (Class A) Using PAD100-IB | FIGURE 3: Wiring (Class X) Using PAD100-IB |
2b. Field Wiring Diagram(s) for PAD100-RB
Typical field wiring diagrams for the Signaling Line Circuit (SLC) are shown in FIGURE 4. The SLC supports NFPA wiring Class B, A and X.
FIGURE 4: Wiring (Class B) Using PAD100-RB
FIGURE 4 is typical of NFPA Class B SLC (S+, S-) Wiring using the PAD100-RB base.
In Class A arrangement two separate conductors return from the last detector base to a listed compatible Fire Alarm Control Panel (FACP). In Class X, it is required to use PAD100-IB (Addressable Isolator Bases). The typical field diagram is in Field Wiring Diagram(s) for PAD100-IB section of this manual.
2c. Field Wiring Diagram(s) for PAD100-SB
Typical field wiring diagrams for the Signaling Line Circuit (SLC) are shown in FIGURE 5. The SLC supports NFPA wiring Class B, A and X.
FIGURE 5: Wiring (Class B) Using PAD100-SB
FIGURE 5 is typical of NFPA Class B SLC (S+, S-) Wiring using the PAD100-SB base.
In Class A arrangement two separate conductors would return from the last detector base to a listed compatible Fire Alarm Control Panel (FACP). In Class X, it is required to use PAD100-IB (Addressable Isolator Bases). The typical field diagram is in Field Wiring Diagram(s) for PAD100-IB section of this manual.
Wiring Instruction
- To ensure proper installation of the detector head to the base, wires shall be dressed properly at the time of installation
- When using PAD100 Bases, observe the correct polarity of SLC wiring.
NOTICE: - THE WIRING TO BE USED SHALL BE IN ACCORDANCE WITH THE PROVISIONS OF ARTICLE 300.3(B) OF THE NATIONAL ELECTRICAL CODE, NFPA 70, AS WELL AS ARTICLE 210.
- THIS EQUIPMENT SHOULD BE INSTALLED IN ACCORDANCE WITH THE NATIONAL FIRE PROTECTION ASSOCIATION STANDARD 72.
CAUTION! Break wire runs to provide supervision for connections made to each wire pair.
Detector Base Mounting
PAD100-IB, PAD100-RB and PAD100-SB should be mounted directly on the electrical box. The PAD100-IB, PAD100-RB and PAD100-SB mounting holes are configured for a single gang, 4” octagon or 4” square box. Use a box for each base and run the power circuit to all base locations.
Use 12 to 22 AWG conductors to connect to terminals of bases. It is recommended that the SLC conductors be color-coded to avoid wiring errors and assist in system troubleshooting. Improper SLC connections may prevent the system from operating normally. Disconnect power to the SLC until the detectors are installed.
- Wire the detector bases according to Field Wiring Diagrams.
- Use the dip switches (SECTION 11) to set address(es) (1 – 127) for each detector head.
NOTICE:
• THE PAD100-IB, PAD100-RB AND PAD100-SB OBTAINS THE ADDRESS FROM THE DETECTOR HEAD.
• THE DETECTORS AND THE PAD100 MODULES MUST HAVE INDIVIDUAL ADDRESS(ES). - To install the detector head onto the base, match the detector heads to the base using the alignment feature and twist clockwise until the detector heads snap in to place (FIGURE 6).
FIGURE 6: Assembly of Detector - After all detector heads, addressable bases and modules have been installed, apply power to the FACP.
- Test the detectors as described in the Testing Section of this manual.
NOTICE: DO NOT INSTALL DETECTOR HEADS UNTIL AREA HAS BEEN THOROUGHLY CLEANED TO REMOVE CONSTRUCTION DEBRIS, DUST, ETC., AS REQUIRED BY NFPA 72.
Spacing Limitations
NOTICE: REFER TO NFPA 72 FOR SPECIFIC INFORMATION REGARDING DETECTOR SPACING, MOUNTING LOCATION AND SPECIAL APPLICATIONS.
PAD100-PD, PAD100-PHD: Photoelectric Smoke Detector
PAD100-PD and PAD100-PHD are ANSI/UL listed on maximum 30ft spacing limitation with alarm set point from 135°-174° F on smooth ceiling. Refer to NFPA 72 for specific information regarding detector spacing, placement and special applications.
PAD100-HD: Heat Detector
The ANSI/UL listed spacing limitations of PAD100-HD smooth ceiling are dependent on alarm set point.
| Alarm Set-Point | Rate of Rise Spacing | Fixed Temperature Spacing |
| 135º to 174º F (57º to 79º C) | Maximum 60 ft. | Maximum 60 ft. |
| 175º to 185º F (80º to 85º C) | Maximum 15 ft. | Maximum 15 ft. |
| 135º to 160º F (57º to 71º C) | Maximum 70 ft. | Maximum 70 ft. |
Testing
Testing shall be performed periodically to determine if each detector operates properly. Detectors will offer maximum performance when tested in compliance with NFPA 72.
NOTICE: REFER TO FIRE ALARM CONTROL PANEL (FACP) MANUAL FOR OPERATION OF DIRTY VALUE READ / PRINT, ALARM SIMULATION AND WALK TEST.
Operational Testing
When PAD100-PD, PAD100-PHD, PAD100-HD and PAD100-CD are under normal conditions in standby mode, the alarm indicator LEDs will pulse approximately once every 4 seconds.
NOTICE: WHEN A PANEL IS CONFIGURED TO NOT FLASH LEDS, THE LEDS ON THE DETECTORS WILL NOT FLASH AT ANY TIME.
Sensitivity Testing
(Dirty Value Read / Print)
The sensitivity drift value (Dirty Value) of the smoke detector can be checked at the FACP. The Dirty Value can be read and printed out at the FACP.
NOTICE: DETECTOR COMPENSATES SENSITIVITY UNTIL LIMIT OF COMPENSATION. WHEN COMPENSATION RATE REACHES LIMIT, A TROUBLE
SIGNAL WILL BE INDICATED ON THE FACP.
Functional Testing
NOTICE: BE SURE TO DIS-ENGAGE ALL ALARM SIGNAL SERVICES, RELEASING DEVICES AND EXTINGUISHING SYSTEMS, PRIOR TO PERFORMING THE FOLLOWING TEST, EXCEPT AUTOMATIC TESTING BY THE FACP. BE SURE TO RE-ENGAGE THESE SYSTEMS WHEN ALL TESTING IS COMPLETE.
Walk Test
The FACP must be placed into Walk Test Mode and follow the steps below. Use the appropriate steps outlined below for the detector that is to be tested.
CAUTION! FAILURE TO ALARM DURING A TEST INDICATES A DEFECTIVE DETECTOR. REPLACE DETECTOR IMMEDIATELY.
a. PAD100-PD and PAD100-PHD Smoke Detectors: Use a ANSI/UL listed aerosol such as Home Safeguard Model 25S or SDi Smoke Centurion as acceptable to the Authority Having Jurisdiction (AHJ).
b. PAD100-PHD and PAD100-HD Heat Detectors:
NOTICE: TAKE CARE DURING THE HEATING OF THE DETECTOR TO AVOID OVERHEATING THE PLASTIC HOUSING.
- Use of a low powered heat gun is acceptable.
CAUTION! Do not heat over 210° F (98.9º C). - Maintain a minimum of 1 foot between the detector and the heat gun nozzle.
- Heat the detector for a minimum of 10 seconds.
- FACP will indicate with alarm when a sufficient amount of heat has been applied. LED indicator will continuously flash while detector is in alarm.
c. PAD100-CD: Carbon Monoxide Detectors: Use the Home Safeguard Model HO-CO2 Aerosol with Home Safeguard Model Versa-Test Head VT1 or the SDI Solo C6 Aerosol with SDI Solo 330 Dispenser as acceptable to the Authority Having Jurisdiction (AHJ).
NOTICE: NEVER USE EXHAUST FROM VEHICLE TO TEST CO PORTION OF DETECTOR. EXHAUST MAY CAUSE PERMANENT DAMAGE TO DETECTOR AND VOIDS THE WARRANTY.
Maintenance
The detector should be cleaned as needed. Detectors installed in environments more prone to dust may need cleaning based on build-up of dust. The Dirty Value Report provides an indication when the detectors should be cleaned.
NOTICE:
- THE DETECTOR IS NOT WASHABLE, DO NOT SUBMERGE THE DETECTOR IN WATER. WATER CAN AFFECT THE SENSOR, CAUSING PERMANENT DAMAGE.
- DO NOT SPRAY CLEANING CHEMICALS OR INSECT SPRAYS DIRECTLY ON OR NEAR THE DETECTOR. DO NOT PAINT OVER THE DETECTOR. DOING SO MAY CAUSE PERMANENT DAMAGE.
a. PAD100-PHD, PAD100-HD and PAD100-CD: When cleaning is needed, clean cover using a soft cloth.
- DO NOT vacuum or use compressed air, water, cleaners or solvents to clean the detector.
- DO NOT disassemble the detector to clean.
- If the detector is not operating properly after cleaning, replace detector.
b. PAD100-PD: When cleaning is needed, follow the below steps to remove dust on the detector
- Turn off electrical power to the PAD100-PD.
- Remove the detector from the base. Do not remove the base from the wall.
- Remove cover from detector by removing the two screws (T10) on back of detector (FIGURE 7).
NOTICE: Do not use a power driver when removing /installing screws.
FIGURE 7: Removing Detector Cover (PAD100-PD only) - Remove optic cage (FIGURE 8) from detector circuit board by gently gripping the sides of the optic cage base and lifting from detector circuit board.
- Remove optic cage from optic cage base, by gently squeezing the three connector arms and very gently lifting from optic cage base (FIGURE 8).
FIGURE 8: Remove Optic Cage from Detector for Cleaning (PAD100-PD only) - Using clean compressed air, blow out any dust and debris from the center of the optic cage.
• DO NOT vacuum or use water, cleaners or solvents to clean the detector.
• DO NOT disassemble any other parts of the detector to clean, other than optic cage.
• If the detector is not operating properly after cleaning, replace detector. - After cleaning with clean compressed air, replace the optic cage by lining up the three connector arms and the guide pin into the optic cage ring and gently pushing until it clicks (FIGURE 9).
NOTICE: USE GUIDE PIN FOR PROPER ALIGNMENT OF REPLACING OPTIC CAGE INTO OPTIC CAGE BASE.
FIGURE 9: Replace Optic Cage into Optic Cage Base - Lineup the two pins on the back of the optic cage base to the pin holes on the circuit board to place the optic cage base on the circuit board (FIGURE 10)
FIGURE 10: Pins on Back of Optic Cage Base - Place cover back on detector, using the LED indictor light on base and cover to guide the correct placement. When the cover and base are lined up correctly, the units will fit together.
- Replace the two screws (T10) on the back of the product.
NOTICE: Do not use a power driver when removing /installing screws. Tighten screws between 4 and 6 in-lbs.
Locking Feature
The PAD100-PD, PAD100-PHD, PAD100-HD, PAD100-CD include a tamperproof feature that locks the detector and does not allow removal without the use of a tool.
- Once the detector has been installed the detector locks into the base. To remove the detector from the base, insert a small screwdriver into the slot on the detector (FIGURE 11) and push the plastic tab while simultaneously turning the detector head counter-clockwise.
FIGURE 11: Locking Feature - The locking feature can be disabled. To disable the locking feature, break off the locking tab before installation (FIGURE 12).
FIGURE 12: Disable Locking Feature
Detector Base Options
| Model | Description |
| PAD100-6DB | 6 inch detector base. See manual number: 550-0622-000 |
| PAD100-4DB | 4 inch detector base. See manual number: 550-0622-000 |
| PAD100-IB | 6 inch detector base with short circuit isolator |
| PAD100-RB | 6 inch detector base with relay module |
| PAD100-SB | 6 inch detector base with sounder module |
WARNING
- Detector will not operate without electrical power. Fire can cause power interruption, discuss with a fire protection specialist for additional safeguards.
- Do not open PAD100-PHD, PAD100-HD, PAD100-CD detector for cleaning. If the detector is opened, product warranty becomes void.
- If the detector does not work properly, do not try and fix it yourself. This will void your warranty. For technical assistance, contact Potter Electric Signal Company at 866-956-1211 for instructions to return a detector that does not operate properly.
- Detector will not sense fires that start in areas where smoke or heat cannot reach the detector. Smoke or heat from fires in walls, roofs or on the opposite side of closed doors may not reach the detector.
- Keep supplied dust cover in place during installation and construction. Remove dust cover prior to operation.
- Dust cover is not a substitute for removal of detector during new construction or remodeling.
- The detector cannot detect smoke when the dust cover is in place.
- Never use an open flame of any kind to test your device. You may ignite and damage the detector.
- Do not cover, tape or otherwise block the openings of your detector. The openings are designed to allow air to pass through the detector, thus sampling the air around the detector.
- FOR PAD-100SB ONLY: DO NOT stand close to the device when the alarm is sounding. Exposure at close range could result in hearing damage.
- Detectors are not to be used with detector guards unless the combination has been evaluated by a nationally recognized testing laboratory and found suit able for that purpose.
- To ensure proper operation, store detector within the recommended ranges.
Allow the detector to stabilize to room temperature before applying power. - If the detector ever fails to test properly, replace it immediately. Products under warranty may be returned to the manufacturer for replacement, see LIMITED WARRANTY.
- For technical assistance, contact Potter Electrical Signal Company at 1-866-956-1211
10a. Specifications / Ratings for Use with Detectors: PAD100-PD, PAD100-PHD, PAD100-HD, PAD100-CD
| No. | Item | PAD100-PD | PAD100-PHD | PAD100-HD | PAD100-CD | |||
| 1 | Working Voltage Range | 24 VDC | ||||||
| 2 | Standby Current (*) | 300 µA | ||||||
| 3 | Alarm Indicator | 1 LED | ||||||
| 4 | Alarm Indictor Current | 1.4 mA | ||||||
| 5 | Alarm Set-Point Range (**) | 1.0-3.7 %/ft. (3.6- 12%/m) | 1.0-3.7 %/ft. (3.6- 12%/m) /135º to 174ºF (57º to 79ºC) | 135º to 174ºF (57º to 79º C) | 175º to 185OF (80O to 85O C) | 135º to 160ºF (57º to 71º C) | Fixed 70, 150, 400 PPM | |
| 6 | Installation Temperature Range | 32º to 120º F (0º to 49º C) | 32º to 115ºF (0º to 46º C) | 32º to 100º F (0º to 38º C) | 32º to 150º F (0º to 66º C) | 32º to 100º F (0º to 38º C) | 32º to 100ºF (0º to 38º C) | |
| 7 | Operating Relative Humidity Range | 0% to 93% (non-condensing) | ||||||
| 8 | Start-up Time | 1 second | ||||||
| 9 | Maximum Number of Addresses per SLC Loop | 127 | ||||||
| 10 | Maximum Number of Lighted Indicators in Alarm per SLC Loop | 30 | ||||||
| 11 | Weight (without base) | 101 g (3.56 oz) | 102 g (3.6 oz) | 82 g (2.89 oz) | 92 g (3.25 oz) | |||
| 12 | Dimensions (without base) | Height | 1.35 in (34 mm) | 1.94 in (49 mm) | 1.94 in (49 mm) | 1.43 in (36 mm) | ||
| Diameter | 3.93 in. (100 mm) | |||||||
| 13 | Approvals / Listings | ANSI/UL 268 | ANSI/UL 268, 521 | ANSI/UL 521 | ANSI/UL 2075 | |||
| 14 | Permitted Mounting Location(s) | Ceiling, Wall | Ceiling, Wall | Ceiling, Wall | Ceiling, Wall | |||
10b. Specifications / Ratings for Use with Detector Bases: PAD100-IB
| No. | Item | PAD100-IB | |
| 1 | Working Voltage Range for SLC | 24 VDC | |
| 2 | Standby / Alarm Current for SLC (*) | 150 µA | |
| 3 | Active Current (Including Indicator) | 3.8 mA | |
| 4 | Active Indicator | 1 LED | |
| 5 | Applicable SLC Wiring Style | Class B, Class A, Class X | |
| 6 | Maximum Number of PAD100-IB per SLC Loop | 127 | |
| 7 | Installation Temperature Range | 32º to 150º F (0º to 66º C) | |
| 8 | Operating Relative Humidity Range | 0% – 93% (non-condensing) | |
| 9 | Weight (without detector head) | 87 g (3.07 oz) | |
| 10 | Dimensions (without detector head) | Height | 0.75 in (19 mm) |
| Diameter | 6.3 in (166 mm) | ||
| 11 | Approvals / Listings | ANSI/UL 864 | |
* The standby current is the current that the device consumes when the device is in a non-activated condition and where no communication current is transmitted to the FACP.
** Reference spacing requirements in Section 4.
10c. Specifications / Ratings for Use with Detector Bases: PAD100-RB
| No. | Item | PAD100-RB | |
| 1 | Working Voltage Range for SLC | 24 VDC | |
| 2 | Standby / Alarm Current for SLC (*) | 200 µA | |
| 3 | Auxiliary Contact Rating | 2 A @ 30 VDC, 0.5 A @ 125 VAC | |
| 4 | Installation Temperature Range | 32º to 150º F (0º to 66º C) | |
| 5 | Operating Relative Humidity Range | 0% – 93% (non-condensing) | |
| 6 | Start-up Time | 1 Second | |
| 7 | Maximum Number of PAD100-RB per SLC Loop | 127 | |
| 8 | Weight (without detector head) | 87 g (3.07 oz) | |
| 9 | Dimensions (without detector head) | Height | 0.75 in (19 mm) |
| Diameter | 6.3 in (166 mm) | ||
| 10 | Approvals / Listings | ANSI/UL 268 | |
10d. Specifications / Ratings for Use with Detector Bases: PAD100-SB
| No. | Item | PAD100-SB | |
| 1 | Working Voltage Range for SLC | 24 VDC | |
| 2 | Standby / Alarm Current for SLC (*) | 200 µA | |
| 3 | Active Current for PWR | 40 mA | |
| 4 | Standby Current for PWR | 4 mA | |
| 5 | PWR Input Voltage Range | 16-33 VDC | |
| 6 | Sound Pressure Level | 85 dBA minimum | |
| 7 | Installation Temperature Range | 32º to 150º F (0º to 66º C) | |
| 8 | Operating Relative Humidity Range | 0% – 93% (non-condensing) | |
| 9 | Start-up Time | 1 Second | |
| 10 | Maximum Number of PAD100-SB per SLC Loop | 127 | |
| 11 | Weight (without detector head) | 87 g (3.07 oz) | |
| 12 | Dimensions (without detector head) | Height | 0.75 in (19 mm) |
| Diameter | 6.3 in (166 mm) | ||
| 13 | Approvals / Listings | ANSI/UL 268 & ANSI/UL 464 | |
* The standby current is the current that the device consumes when the device is in a non-activated condition and where no communication current is transmitted to the FACP.
PAD Protocol Dip Switch Settings
The following information is for setting the dipswitches on the PAD100-PD, PAD100-PHD, PAD100-HD and PAD100-CD detectors and modules.
Setting the Address: All PAD protocol detectors and modules require an address prior to connection to the panel’s SLC loop. Each PAD device’s address (i.e., detector and/or module) is set by changing the dip switches locatd on the device.
PAD device addresses are comprised of a seven (7) position dip switch used to program each device with an address ranging from 1-127 (FIGURE 15).
The below examples (FIGURE 13 and FIGURE 14) illustrate a PAD devices dip switch settings. The first example (FIGURE 13) illustrates a device not addressed where all dip switch settings are in the default OFF position. The second example (FIGURE 15) illustrates an addressed PAD device via the dip switch settings.
FIGURE 13: Enlarged View of PAD Device with Dip Switch Setting Unaddressed
All dip switches are shown in the OFF position
FIGURE 14: Enlarged View of PAD Device with Dip Switch Setting Addressed
Shows this PAD device’s address is #42. Dip Switch 1, 4, 16 and 64 are OFF. Dip Switch 2, 8 and 32 are ON.
NOTE: Each gray box indicates that the dip switch is ON and each white box indicates the dip switch is OFF.
FIGURE 15: PAD Device Dip Switch Addresses Table (Addresses 1-127)
LIMITED WARRANTY
For a period of 5 years from the date of manufacture (or as long as required by applicable law), Potter Electrical Signal Company, LLC warrants to you the original purchaser that your appliance will be free from defects in workmanship and materials under normal use and service.
This warranty does not apply and is void if damage or failure is caused by: accident, abuse, misuse, abnormal use, faulty installation, liquid contact, fire, earthquake or other external cause; operating the appliance outside Potter Electrical Signal Company, LLC’s published guidelines; or service, alteration, maintenance or repairs performed by anyone other than Potter Electrical Signal Company, LLC. This warranty also does not apply to: consumable parts, such as batteries; cosmetic damage, including but not limited to scratches or dents; defects caused by normal wear and tear or otherwise due to the normal aging of the appliance, or if any serial number has been removed or defaced from the appliance.
TO THE EXTENT PERMITTED BY LAW, THIS WARRANTY AND THE REMEDIES SET FORTH HEREIN ARE EXCLUSIVE AND IN LIEU OF ALL OTHER WARRANTIES, REMEDIES AND CONDITIONS, WHETHER ORAL, WRITTEN, STATUTORY, EXPRESS OR IMPLIED. POTTER ELECTRICAL SIGNAL COMPANY, LLC DISCLAIMS ALL STATUTORY AND IMPLIED WARRANTIES, INCLUDING WITHOUT LIMITATION, WARRANTIES OF MERCHANTABILITY AND FITNESS FOR A PARTICULAR PURPOSE AND WARRANTIES AGAINST HIDDEN OR LATENT DEFECTS TO THE EXTENT PERMITTED BY LAW. TO THE EXTENT SUCH WARRANTIES CANNOT BE DISCLAIMED, SUCH IMPLIED WARRANTIES SHALL APPLY ONLY FOR THE WARRANTY PERIOD SPECIFIED ABOVE. PLEASE NOTE THAT SOME STATES (COUNTRIES AND PROVINCES) DO NOT ALLOW LIMITATION ON HOW LONG AN IMPLIED WARRANTY (OR CONDITION)
LASTS. SO THE ABOVE LIMITATION MAY NOT APPLY TO YOU. EXCEPT AS PROVIDED IN THIS WARRANTY AND TO THE EXTENT PERMITTED BY LAW, POTTER ELECTRICAL SIGNAL COMPANY, LLC WILL NOT BE LIABLE FOR ANY DIRECT, SPECIAL, INCIDENTAL OR CONSEQUENTIAL DAMAGES RESULTING FROM ANY BREACH OF WARRANTY OR CONDITION, OR ARISING IN CONNECTION WITH THE SALE, USE OR REPAIR OF THE APPLIANCE, OR UNDER ANY OTHER LEGAL THEORY, INCLUDING BUT NOT LIMITED TO LOSS OF USE, LOSS OF REVENUE, LOSS OF ACTUAL OR ANTICIPATED PROFITS, LOSS OF THE USE OF MONEY, LOSS OF BUSINESS, LOSS OF OPPORTUNITY, LOSS OF GOODWILL, AND LOSS OF REPUTATION. THE MAXIMUM LIABILITY OF POTTER ELECTRICAL SIGNAL COMPANY, LLC SHALL NOT IN ANY CASE EXCEED THE PURCHASE PRICE PAID BY YOU FOR THE APPLIANCE. PLEASE NOTE THAT SOME STATES (COUNTRIES AND PROVINCES) DO NOT ALLOW THE EXCLUSION OR LIMITATION OF INCIDENTAL OR CONSEQUENTIAL DAMAGES, SO THE ABOVE LIMITATION OR EXCLUSION MAY NOT APPLY TO YOU.
If a defect in workmanship or materials causes your appliance to become inoperable within the warranty period, you must return the appliance to Potter Electrical Signal Company, LLC postage prepaid to: Potter Electrical Signal Company, LLC, 1609 Park 370, Hazelwood MO 63042. You must prove to the satisfaction of Potter Electrical Signal Company, LLC the date of purchase of your appliance. You must also enclose a return address. Warranty service may only be performed by Potter Electrical Signal Company, LLC personnel at Potter Electrical Signal Company, LLC’s facilities in Hazelwood, Missouri. You must also pack the appliance to minimize the risk of it being damaged in transit. If we receive an appliance in a damaged condition as the result of shipping, we will notify you and you must seek a claim with the shipper.
If you submit a valid claim to Potter Electrical Signal Company, LLC during the warranty period, Potter Electrical Signal Company, LLC will, at its option, repair your appliance or furnish you with a new or rebuilt appliance without charge to you except for postage required to return the appliance to us. Potter Electrical Signal Company, LLC will not reimburse you for repairs or replacement parts provided by other parties. Your repaired or replacement appliance will be returned to you free of charge and it will be covered under the warranty for the balance of the warranty period, if any. When a product or part is replaced, any replacement item becomes your property and the replaced item becomes property of Potter Electrical Signal Company, LLC. For additional warranty and product information go to www.pottersignal.com.
THIS WARRANTY GIVES YOU SPECIFIC LEGAL RIGHTS AND YOU MAY ALSO HAVE OTHER RIGHTS WHICH VARY FROM STATE TO STATE (OR BY COUNTRY OR PROVINCE). BY THIS WARRANTY, POTTER ELECTRICAL SIGNAL COMPANY, LLC DOES NOT LIMIT OR EXCLUDE YOUR RIGHTS EXCEPT AS ALLOWED BY LAW. TO FULLY UNDERSTAND YOUR RIGHTS, YOU SHOULD CONSULT THE LAWS OF YOUR COUNTRY, PROVINCE OR STATE.
Important Notice:
These materials have been prepared by Potter Electrical Signal Company, LLC (“Potter”) for informational purposes only, are necessarily summary, and are not purported to serve as legal advice and should not be used as such. Potter makes no representations and warranties, express or implied, that these materials are complete and accurate, up-to-date, or in compliance with all relevant local, state and federal laws, regulations and rules. The materials do not address all legal considerations as there is inevitable uncertainty regarding interpretation of laws, regulations and rules and the application of such laws, regulations and rules to particular fact patterns. Each person’s activities can differently affect the obligations that exist under applicable laws, regulations or rules. Therefore, these materials should be used only for informational purposes and should not be used as a substitute for seeking professional legal advice. Potter will not be responsible for any action or failure to act in reliance upon the information contained in this material.
Manual Number:
550-0671-AAA
Potter Electric Signal Company, LLC
1609 Park 370, Hazelwood, MO 63042
Phone: 800-325-3936
www.pottersignal.com
Manual Issue Date:
03/01/2016
firealarmresources.com


FIGURE 6: Assembly of Detector
FIGURE 7: Removing Detector Cover (PAD100-PD only)
FIGURE 8: Remove Optic Cage from Detector for Cleaning (PAD100-PD only)
FIGURE 9: Replace Optic Cage into Optic Cage Base
FIGURE 10: Pins on Back of Optic Cage Base
FIGURE 11: Locking Feature
FIGURE 12: Disable Locking Feature















