Force 50DA Single Phase Dura-Press
Instruction Manual
WARNING!
Read and understand all instructions and responsibilities before operating. Failure to follow safety instructions and labels could result in serious injury.
Dake Corporation
1809 Industrial Park Dr
Grand Haven, MI 49417
Phone: 800.937.3253
www.dakecorp.com
DAKE STANDARD LIMITED WARRANTY
Finished Machines
Dake warrants to the original purchaser the finished machine manufactured or distributed by it to be free from defects in material and workmanship under normal use and service within 1 year (12 months) from the delivery date to the end-user.
Parts
Dake warrants to the original purchaser the component part manufactured or distributed by it to be free from defects in material and workmanship under normal use and service within 30 days from the delivery date to the end-user.
The standard limited warranty includes the replacement of the defective component part at no cost to the end-user.
Sale of Service (Repairs)
Dake warrants to the original purchaser the component part repaired by Dake Corporation at the manufacturing facility to be free from defects in material and workmanship under normal use and service within 90 days from the return date to the end-user, as it pertains to the repair work completed. The standard limited warranty includes repair of the defective component part, at no cost to the end-user.
Warranty Process
Subject to the conditions hereinafter set forth, the manufacturer will repair or replace any portion of the product that proves defective in materials or workmanship. The manufacturer retains the sole right and option, after inspection, to determine whether to repair or replace defective equipment, parts or components. The manufacturer will assume ownership of any defective parts replaced under this warranty.
All requested warranty claims must be communicated to the distributor or representative responsible for the sale. Once communication has been initiated, Dake Customer Service must be contacted for approval:
Phone: (800) 937-3253
Email: [email protected]
When contacting Dake, please have the following information readily available:
– Model #
– Serial #
– Sales Order #
Purchasers who notify Dake within the warranty period will be issued a Case number and/or a Return Material Authorization (RMA) number. If the item is to be returned per Dake’s request, the RMA number must be clearly written on the exterior packaging. Any item shipped to Dake without an RMA will not be processed.
Warranty Exceptions:
The following conditions are not applicable to the standard limited warranty:
(a) Part installation or machine service was not completed by a certified professional and is not in accordance with applicable local codes, ordinances, and good trade practices.
(b) Defects or malfunctions resulting from improper installation or failure to operate or maintain the unit in accordance with the printed instructions provided.
(c) Defects or malfunctions resulting from abuse, accident, neglect or damage outside of prepaid freight terms.
(d) Normal maintenance service or preventative maintenance, and the parts used in connection with such service.
(e) Units and parts which have been altered or repaired, other than by the manufacturer or as specifically authorized by the manufacturer.
(f) Alterations made to the machine that were not previously approved by the manufacturer, or that are used for purposes other than the original design of the machine.
RETURN & REFUND POLICY
Thank you for purchasing from Dake! If you are not entirely satisfied with your purchase, we are here to help.
Returns
All Dake manufactured/distributed machines, parts and couplings include a 30-day return option. These policies are valid from the date of final shipment to the end-user.
To be eligible for a return, the item must be unused and in the same condition as received.
All requested warranty claims must be communicated to the distributor or representative responsible for the sale. Once communication has been initiated, Dake Customer Service must be contacted for approval:
Phone: (800) 937-3253
Email: [email protected]
Once the return request has been approved by Customer Service, a representative will supply a Return Material Authorization (RMA) number. The returned item must have the provided RMA number clearly marked on the outside packaging. Any item received without an RMA number clearly visible on the packaging will not be processed.
An RMA number can only be provided by the Dake Customer Service team and must be obtained prior to the return shipment.
Refunds
Once the item has been received and inspected for damages, a representative will notify the requestor by referencing the provided RMA number.
If the return is approved, a refund will be issued to the original method of payment, less a 20% restocking fee. The restocking fee may be waived if an order is placed at the time of return with like-value merchandise.
Transportation costs are the responsibility of the end-user and will not be credited upon return approval. Any item that is returned after the initial 30 days or has excessive/obvious use will not be considered for a full refund.
SAFEGUARDING THE POINT OF OPERATION
ANSI B11.2 – Hydraulic Power Presses –
Safety Requirements for Construction, Care, and Use
It is important that Dake press users have a clear understanding of their responsibility involving the care and use of their Dake hydraulic press, including point-of-operation safe guards. Dake strongly recommends that Dake press users obtain a copy of the current American National Standard Institute (ANSI) B11.2 standard, for a more complete understanding of their responsibilities.
ANSI B11.2 states the following, relative to point of operation safeguarding: “Normally, only the employer (press user) can determine the requirements of the press productions system components, including the dies and methods for feeding. Therefore, the employer is ultimately responsible to designate and provide the point-of-operation safeguarding system.”
The standard also discusses additional responsibilities of the employer. Some of the key responsibilities are:
- The employer is responsible for the safety, use, and care of the hydraulic power press production system.
- The employer is responsible to consider the sources of hazards for all tasks to be implemented on the hydraulic power press production system.
- The employer is required to eliminate, or control identified hazards in the scope of their work activity.
The employer is responsible for the training of personnel, caring for, inspecting, maintaining, and operating hydraulic press production systems to ensure their competence. - The employer is responsible to provide and ensure that point-of-operation safeguarding is used, checked, maintained, and where applicable, adjusted on every production operation performed on a press production system.
A complete and current copy of the ANSI B.11.2 standard can be obtained by contacting the following:
American National Standards Institute
1430 Broadway
New York, NY 10018
AMT – The Association for Manufacturing Technology
7901 Westpark Drive
McLean, VA 22102
SPECIFICATIONS
| Model | Force 50DA |
| Number | 909250 |
| Capacity | 50 tons |
| Horse Power | 2 HP |
| Voltage | 110V/220V |
| Ram Travel | 16″ |
| Pressing Speed | 11 ipm |
| Width between uprights | 44″ |
| Max. ram to table | 41-3/4″ |
| Height | 94″ |
| Base | 55″ x 36″ |
| Weight | 3.450 lbs. |
In the space provided record the serial number and model number of the machine. This information is only found on the black and gold Dake tag shown below. If contacting Dake this information must be provided to assist in identifying the specific machine.

SAFETY
This is the safety alert symbol. When you see this symbol on your press be alert to the potential for personal injury.
Employer is responsible to perform a hazard/PPE assessment before work activity.
Label Placement View

Follow recommended precautions and safe operating practices. It is important that the operator understand all safety instructions listed below in order to prevent damage to themselves, others, or the machine:
- Carefully read all the safety messages in this manual and on your press safety labels.
Keep safety labels in good condition. Replace missing or damaged safety labels. - Do not alter this press from its original design.
- Do not make repairs or adjustments to any hydraulic system unless you are competent or working under competent supervision.
- Only use Dake’s original parts.
- This machine is intended to be operated by one person. This person should be conscious of the ram movement not only for themselves but also for persons in the immediate area of the machine.
- This press is not intended for pulling operations. Personal injury or machine damage can result.
SET UP
PRESS PLACEMENT
- The press needs to be placed so that it has a safety perimeter of 2-1/2 feet on all sides from any other objects or machines.
- The press should be placed on a level floor with base angles touching the floor at all points.
Use shims where necessary.
FILLING THE PRESS WILL OIL
Fill the reservoir with DTE 24 Mobil hydraulic oil or equivalent.
a. 50DA holds 3 gallons of oil. Make sure the oil is new and be cautious no contaminants get in while filling the reservoir.
b. Oil should be changed about once a year.
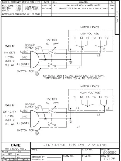
WIRING INSTRUCTIONS
WARNING: A licensed qualified electrician that follows all state and local laws must wire and install electrics on this press.
110 Volt
WARNING: The machine must have a designated 30 amp drop for 110 volts. This press will not operate correctly without 30 amps.
For 110 volts this machine is ready to the plugin. The machine can be wired 220-volt single phase. Always follow the wiring diagram provided in the mooring cover when converting to a 220-volt single phase. A cord and plug that is rated for a specific voltage and amperage must be used. This rating can be found on the motor.
220 Volt Single Phase
The press new is shipped out as a 110-volt machine. If wiring must be changed to suit a 220-volt single phase.
- The leads on the motor must be changed to fit 220-volt, 17.2 amps, follow the diagram on the motor.
- Install plug and wire that fits the rating on the motor, the plug and wire must be rated for the voltage and amperage listed on the motor.
OPERATION
BEFORE THE FIRST TIME OPERATION
- Make sure the reservoir is filled with 3 gallons of Mobil DTE 24 hydraulic fluid or equivalent.
- Turn the on/off power (toggle) switch to the “on” position (up).
- Facing the press, push the control lever forward (right). (New Configuration 2022)
a. Move the control lever down, this will advance the ram in the downward position. (Classic Configuration) - Release the control lever and the ram will stop all movement.
- Pull the control lever towards you (left) to retract the ram. (New Configuration 2022)
a. Move the control lever to the up position and the ram with a move up. (Classic Configuration) - When the press is new be sure to move the ram up and down to work out any air that may be in the system.
WARNING: When using the control lever in pressing operations or to return the ram stop applying pressure once the handle reaches its positive stop. Applying additional force on the lever does not increase ram speed and will lead to premature damage to the valve.
MAINTENANCE
LUBRICATION
Keep all working parts of the press well oiled for easier operation. Also, keep a light film of oil over the entire surface of the ram to prevent rust.
HYDRAULIC LINES AND FITTINGS – 2022 and later
If the press was manufactured in the year 2022 or later (Serial No. > WOD-7942), the power unit, valve, hose, and fittings will be of new configuration. Valve control handle left to right configuration.
See below for an updated components breakdown. 
| Item | Description | Part No. | Qty |
| 1 | Tube Fitting, Elbow (3/8 x 3/8 NPTF) | 72050 | 1 |
| 2 | Tube Fittin• Straight 3/8 x 3/8 NPTF | 73425 | 1 |
| 3 | Swivel Nut Elbow (3/8) | 72047 | 1 |
| 4 5 | Gauge | 302939 | 1 |
| Tube Fitting, Straight (SAE 6) | 69671 | 1 | |
| 6 | Tube Fitting, Elbow (SAE 3 Male x 1/4 NPT Female) | 302061 | 1 |
| 7 | Branch Tee | 302183 | 1 |
| 8 | Adapter (3/8″ SAE Male x 1/4 NPT Female) | 303124 | 1 |
| 9 | Manifold | 303946 | 1 |
| 10 | Hose (1/4 x 54″ long) | 303948 | 2 |
| KIT | Hose & Fittings Kit Items 1-3,5-8,10 (x2) Gauge sold separately. Valve & Manifold on power unit assembly 303898PU. | 303898KIT | – |
HYDRAULIC LINES AND FITTINGS – 2022 and prior
For presses made in the year 2022 and prior (Serial No. < WOD-7942).
Valve control handles up & down configuration. Refer to the component breakdown below.
| Item | Description | Part No. | Qty |
| 1 | Tube Fitting. Elbow (3/8 x 3/8 NPTF) | 72050 | 1 |
| 2 | Tube Fitting. Straight (3/8 x 3/8 NPTF) | 73425 | 1 |
| 3 | Swivel Nut Elbow (3/8) | 72047 | 1 |
| 4 | Gauge | 302939 | 1 |
| 5 | Tube Fitting. Straight (SAE 6) | 69671 | 1 |
| 6 | Tube Fitting. Elbow (SAE 6-6) | 72402 | 1 |
| 7 | Branch Tee | 302183 | 1 |
| 8 | Tube Fitting, Elbow (SAE 3 Male x 1/4 NPT Female) | 302061 | 1 |
| 9 | Manifold | 302224 | 1 |
| – | Hose (3/8 x 54″ long) | 302201 | 2 |
| KIT | Hose/Fitting & Valve Kit (Items 1-9 & hoses x2) | 301856KIT | – |
ELECTRIC SCHEMATIC

HYDRAULIC SCHEMATIC

EXPLODED VIEWS & PARTS LISTS

| Item | Description | Part No. | Qty |
| 1 | Frame | 706943 | 1 |
| 2 | Hex Cap Screw (1/2″-13 x 1/4″) | 43356 | 4 |
| 3 | Channel Washer | 43657 | 4 |
| 4 | Workhead Assembly | 716547 | 1 |
| 5 | Lock Washer 1/2″ | 43647 | 4 |
| 6 | Hex Nut 1/2″-13 | 43916 | 4 |
| 7 | Base Angle | 566 | 2 |
| 8 | Hex Cap Screw 1/2″-13 x 1″ | 43349 | 4 |
| 9 | Table Pin | 569 | 6 |
| 10 | Retaining Ring | 43980 | 6 |
| 11 | Table Channel | 706945 | 2 |
| 12 | Lock Washer 1/2″ | 43647 | 4 |
| 13 | Hex Nut 1/2″-13 | 43916 | 4 |
| 14 | Bolt 5/8″-11 x 10-1/2 | 79983 | 4 |
| 15 | Table Spacer | 86488 | 4 |
| 16 | Shackle | 301884 | 2 |
| 17 | Chain | 301881 | 2 |
| 18 | Spring Snap | 301882 | 4 |
| 19 | Eye Bolt | 301880 | 2 |
| 20 | Nose Piece | 87138 | 1 |
| 21 | Lock Washer 5/8″ | 43648 | 4 |
| 22 | Hex Nut 5/8″-11 | 43917 | 4 |
| 23 | Hydraulic Power Unit (Serial No. < WOD-7942, prior to 2022) | 301856PU | – |
| 23 | Hydraulic Power Unit (2022) Includes valve & manifold. (Serial No. > WOD-7942, 2022 and after) | 303898PU | 1 |
| 24 | Hex Cap Screw 5/16″-18 x 1″ | 43315 | 4 |
| 25 | Lock Washer 5/16″ | 43644 | 4 |
| 26 | Hex Nut 5/16″-18 | 43911 | 4 |
| 28 | Pin Warning Label | 84487 | 1 |
| 29 | Pin Holes Warning Label | 84399 | 1 |
| 30 | Ganged Warning Label | 300168 | 1 |
| 31 | Lockout Procedure Label | 76462 | 1 |
| 32 | Voltage Warning Label | 84395 | 1 |
| 34 | Label — Made in USA | 76936 | 1 |
| 35 | Table Plate | 702 | 2 |
| 36 | V-Block | 336 | 2 |
| 37 | Dake Name Plate | 81003 | 1 |
| – | Hose KitNalve Kit (Serial No. < WOD-7942, prior to 2022) | 301856KIT | |
| – | Hose Kit/Fittings Kit (Serial No. > WOD-7942, 2022 & after) | 303898KIT | 1 |
50 DA WORKHEAD DIAGRAM

| ITEM | DESCRIPTION | PART NO. | QTY |
| A | Piston | 87135P | 1 |
| B | Piston Guide | 87136P | 1 |
| C | Cylinder | 87134P | 1 |
| D | Socket Head Screw | 43485 | 8 |
| E | Seal | 37044 | 1 |
| F | T-Ring | 37048 | 1 |
| G | Wear Ring | 37045 | 1 |
| H | Wear Ring | 37046 | 1 |
| J | T-Ring Deal | 17942 | 1 |
| Workhead Assembly | 716547 |
POWER UNIT REPLACEMENT PARTS
| Description | Part No. |
| Motor | 303927 |
| Run Capacitor | 303928 |
| Starter Capacitor | 303929 |
| Fan Cover | 303947 |
| Relief Valve | 303930 |
| 4-Way Valve | 303931 |
| Manifold | 303946 |
| Solenoid Valve | 303945 |
| Teflon Backing Ring | 303944 |
| 0-Ring | 303943 |
| 0-Ring | 303942 |
| Transition Plate | 303941 |
| Pump | 303940 |
| Strainer | 303939 |
| Plug (3/4 BSP) | 303938 |
| Bonded Seal | 303937 |
| Plug (3/4-12 BSP) | 303936 |
| 0-Ring for Reservoir/Tank | 303935 |
| Reservoir — 3 Gallon | 303934 |
| Full Hydraulic Unit (Except Motor) | 303933 |
| Hose & Fittings Kit | 303898KIT |
| Power Unit (Motor, Pump, Valves, Manifold) | 303898PU |
For presses made the year 2022 and prior (Serial No. < WOD-7942). See components below.
| Description | Part No. |
| Motor | 302235 |
| Pump | 302994 |
| Fan Cover | 302606 |
| Capacitor Case | 302605 |
| Capacitor | 302887 |
| 4-Way Valve | 301864A |
| Fittings/Hose & Valve Kit | 301856KIT |
| Power Unit | 301856PU |
Please contact the factory for current prices.
| Description | Part No. |
| Motor | 302235 |
| Pump | 302994 |
| Fan Cover | 302606 |
| Capacitor Case | 302605 |
| Capacitor | 302887 |
| 4-Way Valve | 301864A |
| Fittings/Hose & Valve Kit | 301856KIT |
| Power Unit | 301856PU |
ORDERING INFORMATION
Parts are available for direct purchase from Dake or through a distributor. When placing a parts order, you will need to provide the part number, name of the part, and model number. All parts shipped to F.O.B. Factory in Grand Haven, MI.
909250
REV032022



















