Identiv TSWMSC-00 uTrust TS Contact WallMount Reader

Confidential
| Author | Sixtus Stanly |
| Version | 1.0 |
| Date | 11-Aug-2020 |
| Document no | 811601_UM |
Document History
| Version | Date | Description of Change | Author |
| 1.0 | 11-Aug-2020 | Initial Release | Sixtus Stanly |
Introduction
This document details the Physical Access Control Reader uTrust TS Contact Wallmount Reader and its basic user instruction and installation procedures. The 8116 reader extends the features supported by the 8110 readers, by adding interfaces for accessing a Contact Smart Card and a SAM interface. The contact interface enables users to securely access their contact smart cards. The addition of a SAM interface enables end-users to load a SAM module for enhanced/ secure card read operations and support for third-party proprietary protocols. The reader supports Wiegand and RS485 (OSDP protocol) interfaces for communications to the control panel.
Reader
Functionality
8116 is a physical access control smart card reader (accessory equipment) that can read the following credentials
- Contactless HF (13.56MHz) conforming with ISO 14443 A & B, ISO15693
- Contactless LF (125KHz) credentials of type FSK, ASK, PSK
- Contact Smartcards – conforming to ISO-7816 in the ID-1 form factor
- User-feedback interfaces on the reader include RGB leds and Buzzer.
The reader can be interfaced with an access control panel equipped with a Wiegand or an RS485 half-duplex interface
Front/Top Casing View

Rear View w/o backplate


Product details
- Model Name: 8116
- Device Type: RFID reader, 13.56MHz (HF) / 125 KHz (LF), with Contact smartcard Slot for ID-1 sized cards and SAM slot. Physical Access control Reader (accessory equipment)
- Type of equipment: Potted Reader, Suitable for Indoor use
- Interface Type: Phoenix connectors and Pigtail cable
- Voltage Rating: 12V DC
- Current Rating @12V: Peak Current – 125 mA, Average Current – 95 mA
- Communication protocol: Wiegand, RS485 (2wire – Half Duplex)
Specifications
| Model | Operating Voltage | Current | Operating temp | Operating humidity |
| 8116 uTrust TS Contact WallMount Reader |
12 VDC | Av : 95mA Pk : 125mA |
0 to +49 deg C |
85 +/-5 % RH |
Product Label

Product Certification ID’s
- FCC Certification ID – MBPTSWMSC-00
- IC Certification ID – 7485A-TSWMSCR0
Installation details
Wiring methods shall be in accordance with the National Electrical Code (ANSI/NFPA70), local codes, and the authorities having jurisdiction
Parts List
- TS Contact Wallmount reader -1
- Screws (A #6-18X1.5″ SS) – 4Nos – Back Plate mounting screws for Wall
- Snake Eye Screw (SMF #6-32X5/16” SS) – 1 No- Top casing mounting security screw
- Screws (SMF #6-32×3/8″ SS) – 3 No’s – 1 casing to back plate mounting screw and 2 Junction Box mounting screws
- Nylon anchor plug -4 Nos
- 6 pin phoenix plug (Phoenix connector version only) – 2 Nos
- Back Plate
Recommended Infrastructure
- All cabling and wiring shall be UL Listed and/or UL Recognized
- Cable Wiegand – 22AWG Shielded cable or better.
- Cable RS485 – 24AWG STP or better Cabling shall comply with UL2556 VW-1 for IEC62368 complaint installations
- Power Supply – Class 2 Linear DC PSU – 12 V, 1A min. (for uL compliant installations) ES1 / PS2 Linear DC PSU – 12 V, 1A min. (for IEC 62368 compliant installations)
- Connector Information
- Pinout diagram

Shield Ground/ Drain – Black wire should be connected to the cable shield.
Caution: During Wiring make sure that the +VDC lines do not make contact with any other cables, as it might affect reader functionality/ cause damage to the reader
- Mounting the Reader
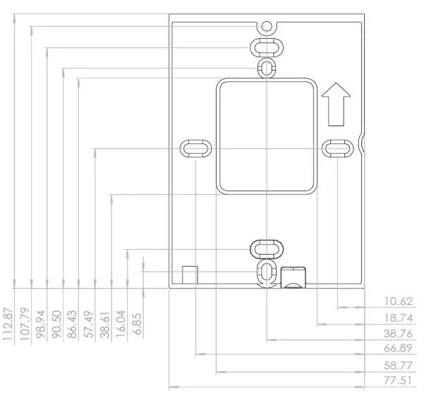
- Reference for the location of mounting holes on the wall

- Reader Installation Steps
- Make the required holes on the wall as per the backplate drawing above.
- The reader is to be mounted at a height less than 2 meters from the floor for MS1 compliance as per IEC 62368-1
- Insert the nylon screw plugs into the wall.
- Connect the wires as per Table 2 or Table 3.
- Secure the backplate onto the wall using the Screws (A #6-18X1.5″ SS )
- Hook the reader onto the backplate
- Secure the reader and backplate by the Snake Eye Screw (SMF #6-32X5/16″ SS)


Power up and Testing
- Turn power on
- The LED blinks 3 times green with a long beep, then turns red
- Present a card
- Contactless card – The LED blinks green, and a short Beep is heard
- Contact card – The LED blinks Green and a short Beep is hea

Certifications
- FCC
This device complies with Part 15 of the FCC Rules. Operation is subject to the following two conditions:
- This device may not cause harmful interference, and
- This device must accept any interference received, including interference that may cause undesired operation
This equipment has been tested and found to comply with the limits for a Class B digital device, pursuant to part 15 of the FCC Rules. These limits are designed to provide reasonable protection against harmful interference in a residential installation. This equipment generates uses and can radiate radio frequency energy and, if not installed and used in accordance with the instructions, may cause harmful interference to radio communications. However, there is no guarantee that interference will not occur in a particular installation. If this equipment does cause harmful interference to radio or television reception, which can be determined by turning the equipment off and on, the user is encouraged to try to correct the interference by one or more of the following measures:
- Reorient or relocate the receiving antenna.
- Increase the separation between the equipment and receiver.
- Connect the equipment into an outlet on a circuit different from that to which the receiver is connected.
- Consult the dealer or an experienced radio/TV technician for help.
Information to user
Changes or modifications not expressly approved by Identiv could void the user’s authority to operate the equipment.
- ISED
This device complies with Innovation, Science and Economic Development Canada’s license-exempt RSS standard(s). Operation is subject to the following two conditions.
- This device may not cause interference
- This device must accept any interference, including interference that may cause undesired operation of the device
- CE
Identiv hereby declares that the uTrust TS Contact WallMount Reader Model 8116 is in compliance with the essential requirements and other relevant provisions of Directive 1999/5/EC




















