
345, 360, 380, 390
345E, 360E, 380E, 390E
Instructions for Installation and Use of Electric Sauna Heater
380E Electric Sauna Heater

Overheat protector of the device can go off also at temperatures below -5˚C / 23˚F (storage, transport, environment). Before installation take the device to the warm environment. The overheat protector can be reset when the temperature of the device is approx 18˚C / 64˚F. The overheat protector must be reset before using the device. See the user manual > Resetting the Overheat Protector.
These instructions for installation and use are intended for the owner or the person in charge of the sauna, as well as for the electrician in charge of the electrical installation of the heater. After completing the installation, the person in charge of the installation should give these instructions to the owner of the sauna or to the person in charge
of its operation. Please read the instructions for use carefully before using the heater. The heater is designed for the heating of a sauna room to bathing temperature. It is not to be used for any other purpose. Congratulations on your choice!
Guarantee:
- The guarantee period for heaters and control equipment used in saunas by families is two (2) years.
- The guarantee period for heaters and control equipment used in saunas by building residents is one (1) year.
- The guarantee does not cover any faults resulting from failure to comply with installation, use or maintenance instructions.
- The guarantee does not cover any faults resulting from the use of stones not recommended by the heater manufacturer.
INSTRUCTIONS FOR USE
1.1. Piling of the Sauna Stones
The piling of the sauna stones has a great effect on the functioning of the heater (figure 1).
Important information on sauna stones:
- The stones should be 5–10 cm in diameter.
- Use solely angular split-face sauna stones that are intended for use in a heater. Peridotite, olivine-dolerite and olivine are suitable stonetypes.
- Neither light, porous ceramic “stones“ nor soft soapstones should be used in the heater. They do not absorb enough heat when warmed up. This can result in damage in heating elements.
- Wash off dust from the stones before piling them into the heater.
Please note when placing the stones:
- Do not drop stones into the heater.
- Do not wedge stones between the heating elements.
- Place the stones sparsely to ensure that air can circulate between them.
- Pile the stones so that they support each other instead of lying their weight on the heating elements.
- Do not form a high pile of stones on top of the heater.
- No such objects or devices should be placed inside the heater stone space or near the heater that could change the amount or direction of the air flowing through the heater.

1.1.1. Maintenance
Due to large variation in temperature, the sauna stones disintegrate in use. Rearrange the stones at least once a year or even more often if the sauna is in frequent use. At the same time, remove any pieces of stones from the bottom of the heater and replace any disintegrated stones with new ones. By doing this, the heating capability of the heater stays optimal and the risk of overheating is avoided.
1.2. Heating of the Sauna
When operating the heater for the first time, both the heater and the stones emit smell. To remove the smell, the sauna room needs to be efficiently ventilated. If the heater output is suitable for the sauna room, it will take about an hour for a properly insulated sauna to reach the required bathing temperature ( 2.3.). The sauna stones normally reach the bathing temperature at the same time as the sauna room. A suitable temperature for the sauna room is about 65–80 °C.
1.3. Using the Heater
Before switching the heater on always check that there isn’t anything on top of the heater or inside the given safety distance. 1.6.
- Heater models 345, 360, 380 and 390 are equipped with a timer and a thermostat. The timer is for setting the on-time for the heater and the thermostat is for setting a suitable temperature. 1.3.1.–1.3.4.
- Heater models 345E, 360E, 380E and 390E are controlled from a separate control unit. See the instructions for use of the selected control unit model.
1.3.1. Heater On
Turn the timer switch to the ”on” section (section A in figure 2, 0–4 hours). The heater starts heating immediately.

1.3.2. Pre-setting Time (timed switch-on)
Turn the timer switch to the ”pre-setting” section (section B in figure 2, 0–8 hours). The heater starts heating when the timer has turned the switch back to the ”on” section. After this, the heater will be on for about four hours.
Example: You want to go walking for three hours and have a sauna bath after that. Turn the timer switch to the “pre-setting” section at number 2.
The timer starts. After two hours, the heater starts heating. Because it takes about one hour for the sauna to be heated, it will be ready for bathing after about three hours, that is, when you come back from your walk.
1.3.3. Heater Off
The heater switches off, when the timer turns the switch back to zero. You can switch the heater off at any time by turning the timer switch to zero yourself.
Switch the heater off after bathing. Sometimes it may be advisable to leave the heater on for a while to let the wooden parts of the sauna dry properly.
NOTE! Always check that the heater has switched off and stopped heating after the timer has turned the switch to zero.
1.3.4. Setting the Temperature
The purpose of the thermostat (figure 3) is to keep the temperature in the sauna room on a desired level. By experimenting, you can find the setting that suits you best.
Begin experimenting at the maximum position. If, during bathing, the temperature rises too high, turn the switch counter-clockwise a little. Note that even a small difference within the maximum section will change the temperature of the sauna considerably.
1.4. Throwing Water on Heated Stones
The air in the sauna room becomes dry when warmed up. Therefore, it is necessary to throw water on the heated stones to reach a suitable level of humidity in the sauna. The effect of heat and steam on people varies – by experimenting, you can find the levels of temperature and humidity that suit you best.
NOTE! The maximum volume of the ladle is 0.2 litres. If an excessive amount of water is poured on the stones, only part of it will evaporate and the rest may splash as boiling hot water on the bathers. Never throw water on the stones when there are people near the heater, because hot steam may burn their skin.
NOTE! The water to be thrown on the heated stones should meet the requirements of clean household water (table 1). Only special aromas designed for sauna water may be used. Follow the instructions given on the package.
1.5. Instructions for Bathing
- Begin by washing yourself.
- Stay in the sauna for as long as you feel comfortable.
- Forget all your troubles and relax.
- According to established sauna conventions, you must not disturb other bathers by speaking in a loud voice.
Table 1. Water quality requirements
| Water property | Effect | Recommendation |
| Humus concentration | Colour, taste, precipitates | <12 mg/l |
| Iron concentration | Colour, odour, taste, precipitates | <0,2 mg/l |
| Hardness: most important substances are manganese (Mn) and lime, i.e. calcium (Ca). | Precipitates | Mn: <0,05 mg/l Ca: <100 mg/l |
| Chlorinated water | Health risk | Forbidden to use |
| Seawater | Rapid corrosion | Forbidden to use |
- Do not force other bathers from the sauna by throwing excessive amounts of water on the stones.
- Cool your skin down as necessary. If you are in good health, you can have a swim if a swimming place or pool is available.
- Wash yourself after bathing.
- Rest for a while and let your pulse go back to normal. Have a drink of fresh water or a soft drink to bring your fluid balance back to normal.
1.6. Warnings
- Staying in the hot sauna for long periods of time makes the body temperature rise, which may be dangerous.
- Keep away from the heater when it is hot. The stones and outer surface of the heater may burn your skin.
- Keep children away from the heater.
- Do not let young, handicapped or ill people bathe in the sauna on their own.
- Consult your doctor about any health-related limitations to bathing.
- Consult your child welfare clinic about taking little babies to the sauna.
- Be very careful when moving in the sauna, as the platform and floors may be slippery.
- Never go to a hot sauna if you have taken alcohol, strong medicines or narcotics.
- Never sleep in a hot sauna.
- Sea air and a humid climate may corrode the metal surfaces of the heater.
- Do not hang clothes to dry in the sauna, as this may cause a risk of fire. Excessive moisture content may also cause damage to the electrical equipment.
1.6.1. Symbols descriptions.
Read operators manual.
Do not cover.
Troubleshooting
Note! All service operations must be done by professional maintenance personnel.
The heater does not heat.
- Check that the fuses to the heater are in good condition.
- Check that the connection cable is connected ( 3.3.).
- Turn the timer switch to the “on” section ( 1.3.1.).
- Turn the thermostat to a higher setting ( 1.3.4.).
- Check that the overheat protector has not gone off. The timer works but the heater does not heat. ( 3.5.)
The sauna room heats slowly. The water thrown on the sauna stones cools down the stones quickly.
- Check that the fuses to the heater are in good condition.
- Check that all heating elements glow when the heater is on.
- Turn the thermostat to a higher setting ( 1.3.4.)
- Check that the heater output is sufficient ( 2.3.)
- Check the sauna stones ( 1.1.). Too tightly piled stones, the settling of stones with time or wrong stone type can hinder the air flow through the heater, which results in reduced heating efficiency.
- Check that the sauna room ventilation has been arranged correctly ( 2.2.).
The sauna room heats quickly, but the temperature of the stones remain insufficient.
Water thrown on the stones runs through.
- Check that the heater output is not too high ( 2.3.).
- Check that the sauna room ventilation has been arranged correctly ( 2.2.).
The sauna room heats unevenly. - Check that the heater has been installed in the correct height. The heater heats the sauna best, when it is installed 100 mm from the floor. The maximum installation height is 200 mm. ( 3.2.)
Panel or other material near the heater blackens quickly.
- Check that the requirements for safety distances are fulfilled ( 3.1.).
- Check the sauna stones ( 1.1.). Too tightly piled stones, the settling of stones with time or wrong stone type can hinder the air flow through the heater, which may result in overheating of surrounding materials.
- Also see section 2.1.1.
The heater emits smell. - See section 1.2.
- The hot heater may emphasize odours mixed in the air that are not, however, caused by the sauna or the heater. Examples: paint, glue, oil, seasoning.
The heater makes noise. - 3: The timer is a mechanical device and it makes a ticking sound when it is functioning normally. If the timer ticks even when the heater is switched off, check the timer’s
wiring. - Occasional bangs are most likely caused by stones cracking due to heat.
- The thermal expansion of heater parts can cause noises when the heater warms up.
SAUNA ROOM
2.1. Sauna Room Structure

A. Insulation wool, thickness 50–100 mm. The sauna room must be insulated carefully so that the heater output can be kept moderately low.
B. Moisture protection, e.g. aluminium paper. Place the glossy side of the paper towards the sauna. Tape the seams with aluminium tape.
C. Vent gap of about 10 mm between the moisture protection and panel (recommendation).
D. Low mass 12–16 mm thick panel board. Before starting the panelling, check the electric wiring and the reinforcements in the walls required by the heater and benches.
E. Vent gap of about 3 mm between the wall and ceiling panel.
F. The height of the sauna is usually 2100–2300 mm. The minimum height depends on the heater (see table 2). The space between the upper bench and ceiling should not exceed 1200 mm.
G. Use floor coverings made of ceramic materials and dark joint grouts. Particles disintegrating from the sauna stones and impurities in the sauna water may stain and/or damage sensitive floor coverings.
NOTE! Check from the fire authorities which parts of the firewall can be insulated. Flues which are in use must not be insulated.
NOTE! Light protective covers which are installed directly to the wall or ceiling may be a fire risk.
2.1.1. Blackening of the sauna walls
It is perfectly normal for the wooden surfaces of the sauna room to blacken in time. The blackening may be accelerated by
- sunlight
- heat from the heater
- protective agents on the walls (protective agents have a poor heat resistance level)
- fine particles disintegrating from the sauna stones which rise with the air flow.
2.2. Sauna Room Ventilation
The air in the sauna room should change six times per hour. Figure 5 illustrates different sauna room ventilation options.
A. Supply air vent location. If mechanical exhaust ventilation is used, place the supply air vent above the heater. If gravity exhaust ventilation is used, place the supply air vent below or next to the heater. The diameter of the supply air pipe must be 50–100 mm. 3-E: Do not place the supply air vent so that the air flow cools the temperature sensor (see the temperature sensor installation instructions in the control unit installation instructions)!
B. Exhaust air vent. Place the exhaust air vent near the floor, as far away from the heater as possible. The diameter of the exhaust air pipe should be twice the diameter of the supply air pipe.
C. Optional vent for drying (closed during heating and bathing). The sauna can also be dried by leaving the door open after bathing.
D. If the exhaust air vent is in the washroom, the gap underneath the sauna door must be at least 100 mm. Mechanical exhaust ventilation is mandatory.
2.3. Heater Output
When the walls and ceiling are covered with panels and insulation behind the panels is adequate, the heater output is defined according to the volume of the sauna. Non-insulated walls (brick, glass block, glass, concrete, tile, etc.) increase the need for heater output. Add 1,2 m³ to the volume of the sauna for each non-insulated wall square meter. For example, a 10 m³ sauna room with a glass door equals the output requirement of about a 12 m³ sauna room. If the sauna room has log walls, multiply the sauna’s volume by 1,5. Choose the correct heater output from table 2.
2.4. Sauna Room Hygiene
Bench towels should be used during bathing to prevent sweat from getting onto the benches. The benches, walls and floor of the sauna should be washed thoroughly at least every six months. Use a scrubbing brush and sauna detergent. Wipe dust and dirt from the heater with a damp cloth. Remove lime stains from the heater using a 10% citric acid solution and rinse.
INSTRUCTIONS FOR INSTALLATION
3.1. Before Installation
Before installing the heater, study the instructions for installation. Check the following points:
- Is the output and type of the heater suitable for the sauna room? The cubic volumes given in table 2 should be followed.
- Is the supply voltage suitable for the heater?
- The location of the heater fulfils the minimum requirements concerning safety distances given in fig. 6 and table 2.
- 3.5. Resetting the Overheat Protector It is absolutely necessary to install the heater according to these values. Neglecting them causes ar risk of fire.
Only one electrical heater may be installed in the sauna room.
| Heater Ofen Model and dimensions/ Modell and Mage | Weight Ge- wicht | Out- put Leis- | |||||||||
| Cubic vol. | Height Halle | 400 V 3N — Connecting cable | Fuse | 230 V 3— Connecting cable | Fuse | 230 V 1N Connecting cable Anschlusskabel | Fuse Sicherung | ||||
| Width/Breite •3 495 mm •3-E 470 mm Depth/Tiefe 275 mm Height/Hahe 440 mm Stones/Steine max. 20 kg | i>2.3. | See fig. 8. The measurements apply to the connecting cable only! Siehe Abbildung 8. | |||||||||
| kg | kW | …00) E E | X al co E E | min. mm | mm2 | A | mm2 | A | mm2 | A | |
| 345/345E | 9 | 4,5 | 3 | 6 | 1900 | 5 x 1,5 | 3 x 10 | 4 x 2,5 | 3 x 16 | 3 x 2,5 | 1 x 20 |
| 360/360E | 9,5 | 6,0 | 5 | 8 | 1900 | 5 x 1,5 | 3 x 10 | 4 x 2,5 | 3 x 16 | 3 x 4,0 | 1 x 35 |
| 380/380E | 10 | 8,0 | 7 | 12 | 1900 | 5 x 2,5 | 3 x 16 | 4 x 6 | 3 x 25 | 3 x 6 | 1 x 35 |
| 390/390E | 10,5 | 9,0 | 8 | 14 | 1900 | 5 x 2,5 | 3 x 16 | 4 x 6 | 3 x 25 | 3 x 10 | 1 x 40 |

Figure 6. Safety distances (all dimensions in millimeters)
3.2. Fastening the Heater on a Wall See figure 7.
- Fasten the wall-mounting rack on the wall by using the screws which come with the rack. NOTE! There must be a support, e.g. a board, behind the panel, so that the fastening screws can be screwed into a thicker wooden material than the panel. If there are no boards behind the panel, the boards can also be fastened on the panel.
- The right- or left-handedness of the heater can be changed by installing it to the rack correspondingly. Make sure the clip fastens in the hole properly.
- Lift the heater to the rack on the wall so that the fastening hooks of the lower part of the rack go behind the edge of the heater body. Lock the edge of the heater onto the rack by a screw.

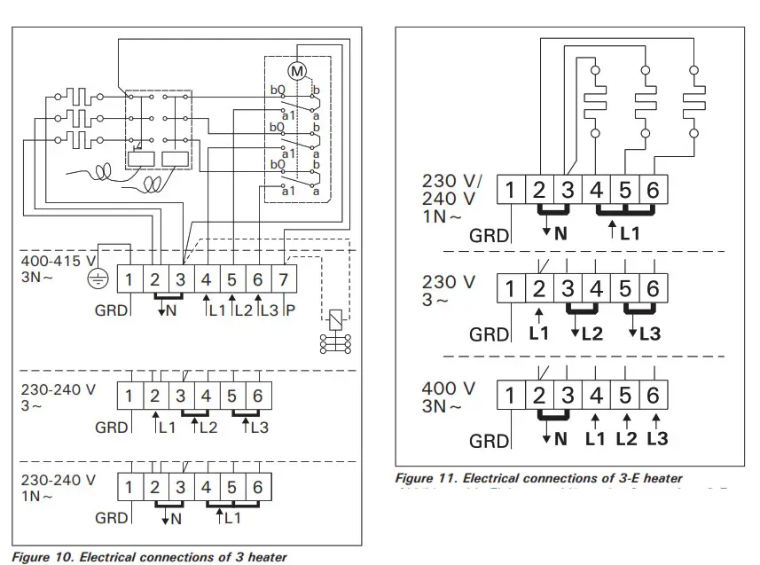
3.3. Electrical Connections
The heater may only be connected to the electrical network in accordance with the current regulations by an authorised, professional electrician.
- The heater is semi-stationarily connected to the junction box (figure 8: A) on the sauna wall. The junction box must be splash-proof, and its maximum height from the floor must not exceed 500 mm.
- The connecting cable (figure 8: B) must be of rubber cable type H07RN-F or its equivalent.
NOTE! Due to thermal embrittlement, the use of PVC-insulated wire as the connecting cable of the heater is forbidden. - If the connecting and installation cables are higher than 1000 mm from the floor in the sauna or inside the sauna room walls, they must be able to endure a minimum temperature of 170 °C when loaded (for example, SSJ). Electrical equipment installed higher than 1000 mm from the sauna floor must be approved for use in a temperature of 125 °C (marking T125).
- In addition to supply connectors, the 3 heaters are equipped with a connector (P), which makes the control of the electric heating possible (figure 10). Voltage control is transmitted from the heater when it is switched on. The control cable for electrical heating is brought directly into the junction box of the heater, and from there to the terminal block of the heater along a rubber cable with the same cross-section area as that of the connecting cable. If the second cable hole is not in use, the strain relief
clamp has to be screwed shut. - When closing the cover of the connection box make sure that the upper edge of the cover is placed correctly. If the upper edge is misplaced water can enter the connection box. Figure 8.

3.3.1. Electric Heater Insulation Resistance When performing the final inspection of the electrical installations, a “leakage” may be detected when measuring the heater’s insulation resistance. The reason for this is that the insulating material of the heating elements has absorbed moisture from the air (storage, transport). After operating the heater for a few times, the moisture will be removed from the heating elements. Do not connect the power feed for the heater through the RCD (residual current device)!
3.4. Installation of the Control Unit and Sensors (3-E)
The control unit includes detailed instructions for fastening the unit on the wall. Install the temperature sensor on the wall of the sauna room above the heater. It should be installed on the lateral centre line of the heater, 100 mm downwards from the ceiling. Figure 6.
Do not place the supply air vent so that the air flow cools the temperature sensor. Figure 5.
3.4.1. Suitable control units
See the latest control unit models from our website www.sentiotec.com.
3.5. Resetting the Overheat Protector If the temperature of the sauna room becomes dangerously high, the overheat protector will permanently cut off the supplyof the
heater. The overheat protector can be reset after the heater has cooled down.
Figure 9. Reset button for overheat protector
Prior to pressing the button, the cause of the fault must be found.
- Are the stones crumbled and pressed together?
- Has the heater been on for a long time while unused?
- Is the sensor of the thermostat out of place or broken?
- Has the heater been banged or shaken? 3 Figure 9
! Overheat protector of the device can go off also at temperatures below -5˚C / 23˚F (storage, transport, environment). Before installation take the device to the warm environment. The overheat protector can be reset when the temperature of the device is approx 18˚C / 64˚F. The overheat protector must be reset before using the device. 3-E See the installation instructions for control unit.
SPARE PARTS

We recommend to use only the manufacturer’s spare parts.

sentiotec GmbH | Division of Harvia Group
Wartenburger Straße 31, A-4840 Vöcklabruck
T +43 (0) 7672/22 900-50 | F -80 |
[email protected]
www.sentiotec.com

















