helo VIENNA STS Electric Sauna Heater

Quick instructions for use of the sauna heater
Check before taking a sauna bath
- The sauna room is suitable for taking a sauna bath.
- The door and the window are closed.
- The sauna heater is topped with stones that comply with the manufacturer’s recommendations, the heating elements are covered with stones, and the stones are piled sparsely.
NOTE: Structural clay tiles are not allowed.
Operation of the sauna heater controls
- Put the main switch in position I (close to the thermostat dial)
- Set the heater’s thermostat to the desired temperature. You can find the ideal temperature for taking a sauna bath by first turning the thermostat to the maximum. Once the sauna room is warm enough, simply turn the thermostat control backwards, i.e. counter-clockwise, until the heating elements turn off (you can hear a click-ing sound). You can fine-tune the temperature by slightly turning the thermostat knob in either direction.
- The sauna heater operates with a 12-hour timer.
- The timer is operated by turning the timer knob clockwise from the 0 position.
- In the 0 position, the power is off and the sauna heater is not on.
- In the 0–3 hours zone, heating elements will turn on and the sauna heater is warm for the selected period of time.
- In the 1–9 hours zone, you can preset the time after which the sauna heater will turn on. For example, by turning the knob at 6, the sauna heater will turn on after six hours and stay warm for Three hours unless the timer is turned to 0 position earlier.
- Pleasant, smooth sauna bath temperature is about 70 °C.
- Rearrange the sauna stones at least once a year and replace any weathered stones. This enhances air circulation between the stones, which extends the useful life of the thermal resistors.
- If you encounter any problems, please contact the manufacturer’s warranty service shop. A list of warranty service shops is included in the delivery.
- For additional information about enjoying a sauna bath, please visit our website at www.sauna360.com
Information for users
Persons with reduced physical and mental capacity, sensory handicap, or little experience and knowledge about how the device is operated (e.g. children), should only operate the device while supervised or according to instructions given by the persons in charge of their safety. Make sure that children aren’t playing with the sauna heater.
Sauna room
The walls and ceiling of a sauna room should be thermally well insulated. All surfaces that store heat, such as tiled and plastered surfaces must be insulated. It is recommended to use wooden panel cladding inside the sauna room. If there are heat-storing elements in the sauna room, such as decorative stone, glass etc., note that these elements may extend the pre-heating period even though the sauna room is otherwise well insulated (see page 7, section 2,8).
Recommended sauna room ventilation

- Sauna room
- Washroom
- Electric sauna heater
- Exhaust valve
- Exhaust flue or channel
- Door to the sauna room
- A ventilation valve can be installed here to be kept closed while the sauna is heated and during bathing.
Inlet vent can be positioned in the A zone. Make sure the incoming fresh air will not interfere with (i.e. cool down) the sauna heater’s thermostat near the ceiling.
The B zone serves as the incoming air zone, if the sauna room isn’t fitted with forced ventilation. In this case, the exhaust valve is installed min 1m higher than the inlet valve.
DO NOT ISTALL INLET VALVE WITHIN ZONE C, IF THE SAUNA HEATER’S CONTROL THERMOSTAT IS LOCATED AT THE SAME ZONE.
Heating the sauna
Before turning the sauna heater on, make sure the sauna room is suitable for taking a sauna bath. When heated for the first time, the sauna heater may emit some odour. If you detect any odour while the sauna heater warms up, disconnect the sauna heater briefly, and air the room. Then turn the sauna heater back on. The sauna heater is turned on by twisting the timer knob, and the temperature is adjusted from the thermostat knob. You should turn the sauna heater on roughly an hour before you plan to take a sauna bath, so that the stones have time to heat up properly and the air warms up evenly in the sauna room. Do not put any objects on the sauna heater. Do not dry clothes on the sauna heater or anywhere in its vicinity.
Sauna heater stone
Quality stones meet the following requirements:
- Sauna stones should withstand heat and heat variation caused by vaporisation of the water thrown on the stones.
- Stones should be rinsed before use in order to avoid odour and dust.
- Sauna stones should have an uneven surface to supply a larger surface for the water to evaporate from.
- Sauna stones should be large enough, measuring about 50–80 mm to allow good ventilation between the stones. This extends the useful life of the heating elements.
- Sauna stones should be piled sparsely in order to enhance ventilation between the stones. Do not bend the heating elements together or against the frame.
- Rearrange the stones regularly (at least once a year) and replace small and broken stones with new, larg-er stones.
- Stones are piled so that they cover the heating elements. Do not, however, pile a large heap of stones on the heating elements. Please refer to the table on page 8 . Table 1 for an adequate amount of stones. Any small stones in the package of stones mustn’t be piled on the sauna heater.
- The warranty does not cover defects resulting from poor ventilation caused by small and tightly packed stones.
- Structural clay tiles are not allowed. They may cause damage to the sauna heater that will not be covered by the warranty.
- Do not use soapstone as sauna rocks. Any damages resulting from this will not be covered by the stove warranty
- Do not use lava stone as sauna rocks. Any damages resulting from this will not be covered by the stove warranty
- DO NOT USE THE HEATER WITHOUT STONES.

Moving the heater controls from one side to the other
By default, the thermostat and the timer switch are located on the left hand side of the heater when viewed from the front. They can be moved to the other side, if necessary. The work may only be carried out by a qualified electrician.
- Turn the heater upside down. Unfasten the bottom plate.
- Pull off the dials for the thermostat and the timer switch. Unfasten the two screws in the thermostat and timer switch frame. Remove the plastic covers for the electric box and the outer shell from the back. Move the thermostat, the timer switch and their frame to the other side and refasten using two screws. Insert the plastic covers in the now empty holes. Push the thermostat and timer switch dials back into place.
NOTE! Leave a minimum of 1 mm between the dial and the heater outer shell. - Fasten the bottom plate, install the heater and check that it works.
OVERVIEW

- Thermostat
- Timer switch
- Dial
- Temperature limiter reset
- Outer shell of the heater
Sauna heater controls
Timer
The sauna heater is controlled by operating a 12-hour timer with three operating zones. The timer is set by twisting the knob clockwise until the desired operating zone is reached. When operating, the timer gradually travels counter-clockwise towards the zero position.

- 0 position. The sauna heater is not on.
- Operating zone 1–3 hours. Set on this zone, the sauna heater heats up at full power while the sauna thermostat controls the temperature.
- Preset zone 1–9 hours. Set on this zone, the sauna heater can be preset to turn on after a certain period of time. The heating elements will not heat up when the timer is within this zone.
Before turning the sauna heater on, make sure the sauna room is suitable for taking a sauna bath. The timer operates better if it is first turned further than the desired time and then turned back to the desired time. If the switch has not traveled back to 0 positions after finishing bathing, turn it to 0 manually.
Thermostat

The thermostat knob is next to the timer knob. The further right (clockwise) the timer is switched, the higher the temperature will rise in the sauna room. The best way to find the ideal temperature is to first turn the thermostat fully on the right and let the temperature rise to the desired temperature. Subsequently, turn the thermostat knob slowly counter-clockwise until you hear a gentle clicking sound. If you want to readjust the temperature, turn the thermostat gradually until the temperature is ideal.
The thermostat will not operate correctly if the stones are piled too densely or they are too small. Please refer to the section ”Sauna heater stones” on page 5.
The thermostat has an integrated temperature limiter with a reset switch next to the thermostat knob.
Electric heating toggle
Electric heating toggle applies to homes with an electric heating system. The sauna heater thermostat also controls the heating toggle. In other words, home heating turns on once the sauna thermostat cuts power off the sauna heater.
If the sauna heater will not heat up
If the sauna heater will not heat up, please check that:
- The power is on; And the heater main switch is in position I (close to the thermostat dial)
- The timer is on the heating zone (operating zone);
- The thermostat is switched to a temperature that is higher than the current temperature of the sauna room;
- The front fuses of the sauna heater are intact;
- The timer is not stuck. Make sure the knob doesn’t chafe against the base; there should be min 1mm gap between the knob and the base.
If the sauna heater has been exposed to freezing conditions, the temperature limiter may have gone off. The limiter is reset by pressing the reset switch. Note that the limiter does not work until the temperature has risen to approx. -5°C. If the sauna heater still fails to work, please contact an authorised service for repair.
Preparing for sauna heater installation
Check the following before installing the sauna heater:
- The ratio of the heater’s input (kW) and the sauna room’s volume (m3). Volume/input recommendations are presented in Table 1 on page 8. The minimum and maximum volumes must not be exceeded.
- The sauna room ceiling must be min 1900 mm high.
- Uninsulated and masonry stone walls extend the preheating time. Each square metre of plastered ceiling or wall surface adds 1.2 m3 to the sauna room’s volume.
- Check page 9. Table 2 section for a suitable fuse size (A) and the correct diameter of the power supply cable (mm²) for the sauna heater in question.
- Conform to the specified safety clearance around the sauna heater. There should be enough room around the sauna heater for maintenance purposes, a doorway etc.
Installation
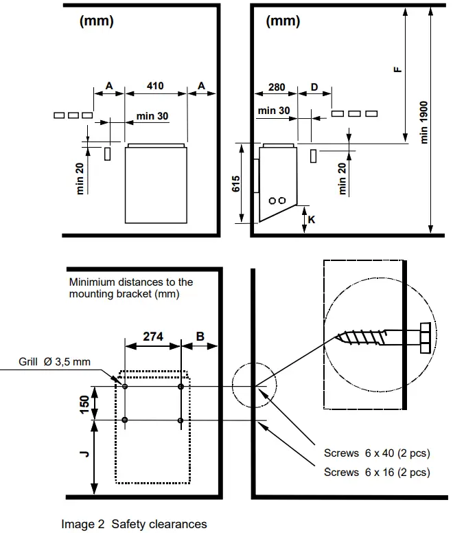
Follow the safety clearance specifications on page 8. Image 2 when installing the sauna heater. Thin panel is not a suitable mounting base. The mounting base must be reinforced with timber behind the panel. The mini-mum clearances specified on page 8 must be followed also in case the sauna room wall materials are incombustible.
Walls or ceilings must not be clad with fiber-reinforced plaster board or other light-weight cladding, because they may cause a fire hazard. A single sauna heater is allowed per a sauna room.
Sauna heater safety clearances

| Effect | Saunaroom | Minimum distance to | Stone | ||||||||
|
kW | Volume | Height |
Side wall
A mm |
In front of
D mm | Ceiling F mm | Floor K mm |
B mm |
J mm |
min. max. Circa Circa kg kg | ||
|
min. m³ |
max. m³ |
min. mm | |||||||||
| 4,5 | 3 | 6 | 1900 | 40 | 60 | 1200 | 110 | 108 | 390 | 12 | 12 |
| 6,0 | 5 | 9 | 1900 | 60 | 80 | 1200 | 110 | 128 | 390 | 12 | 20 |
| 8,0 | 8 | 12 | 1900 | 80 | 100 | 1200 | 110 | 148 | 390 | 20 | 20 |
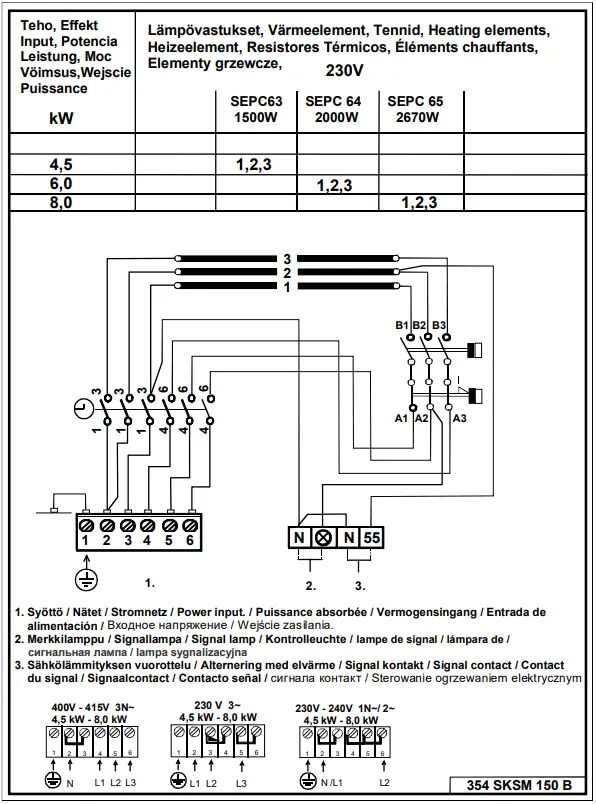
Connection of the sauna heater to the mains
The sauna heater must be connected to the mains by a qualified electrician and in compliance with current regulations. Sauna heater is connected with a semi-permanent connection. Use H07RN-F (60245 IEC 66) cables or a corresponding type. Other output cables (signal lamp, electric heating toggle) must also adhere to these recommendations. Do not use PVC insulated cable as a connection cable for the sauna heater. A multipolar (e.g. 7-pole) cable is allowed, if the voltage is the same. In the absence of a separate control current fuse, the diameter of all cables must be the same, i.e. in accordance with the front fuse. The connecting box on the sauna wall should be located within the minimum safety clearance specified for the sauna heater. The maximum height for the connection box is 500 mm from the floor Image 3 page 10 If the connection box is located at 500 mm distance from the heater, the maximum height is 1000 mm from the floor Sauna heater insulation resistance: The sauna heater heating elements may absorb moisture from air, e.g. during storage. This may cause bleeder currents. The moisture will be gone after a few heating sessions. Do not connect the heater power supply through a ground fault interrupter. Adhere to the effective electrical safety regulation when installing the sauna heater.
| Power
kW | Power supply cable
H07RN –F/ 60245 IEC 66 mm² 400V 3N~ | Fuse
A | Power supply cable
H07RN –F/ 60245 IEC 66 mm² 230V 3~ | Fuse
A | Power supply cable
H07RN –F/ 60245 IEC 66 mm² 230V 1 N~ / 2~ | Fuse
A |
| 4,5 | 5 x 1,5 | 3 x 10 | 4 x 2,5 | 3 x 16 | 3 x 4,0 | 1 x 20 |
| 6,0 | 5 x 1,5 | 3 x 10 | 4 x 2,5 | 3 x 16 | 3 x 6,0 | 1 x 35 |
| 8,0 | 5 x 2,5 | 3 x 16 | 4 x 6,0 | 3 x 25 | 3 x 6,0 | 1 x 35 |
Electric heating toggle
Electric heating toggle applies to homes with an electric heating system. Sauna heater has connections (marked N-55) for controlling the electric heating toggle. Connectors N-55 and the heating elements are simultaneously live (230V). The sauna heater thermostat also controls the heating toggle. In other words, home heating turns on once the sauna thermostat cuts power off the sauna heater.

Location for the connection box
A = Specified minimum safety clearance
- Recommended location for the connection box
- Silumin box recommended in this area.
- This area should be avoided. Always use a silumin box.
In other areas, use a heat-resisting box (T 125 °C) and heat-resisting cables (T 170 °C). The connection box must be clear of obstacles. When installing the connection box to zones 2 or 3, refer to the instructions and regulations of the local energy supplier.
Viring diagram

Spare parts for the Vienna STS – electric sauna heater
| Part | Product number | product title | Vienna 45 STS | Vienna 60 STS | Vienna 80 STS |
| 1 | 4071002 | Basic grate | 1 | 1 | 1 |
| 2 | 5509053 | Clock OYKF 1 | 1 | 1 | 1 |
| 3 | 5408013 | Thermostat OLCH 1 | 1 | 1 | 1 |
| 4 | 7812550 | Mains connector NLWD 1-1 | 1 | 1 | 1 |
| 5 | 7712000 | Cable clamp NKWA 1 | 1 | 1 | 1 |
| 6 | 7309521 | Clock knob | 1 | 1 | 1 |
| 7 | 7309522 | Thermostat knob | 1 | 1 | 1 |
| 8 | 4316222 | Heating element SEPC 63 1500W/230V | 3 | ||
| 9 | 4316221 | Heating element SEPC 64 2000W/230V | 3 | ||
| 10 | 4316220 | Heating element SEPC 65 2670W/230V | 3 | ||
| 11 | 7513002 | Philips screw M5 x 10 | 3 | 3 | 3 |
ROHS
Instructions for environmental protection
This product must not be disposed with normal household waste at the end of its life cycle. Instead, it should be delivered to a collecting place for the recycling of electrical and electronic devices. The symbol on the product, the instruction manual or the package refers to this.
The materials can be recycled according to the markings on them. By reusing, utilising the materials or by otherwise reusing old equipment, you make an important contribution for the protection of our environment. Please note that the product is returned to the recycling centre without any sauna rocks and soapstone cover.
Please contact the municipal administration with enquiries concerning the recycling place.



















