
Finnish Sauna Perfection
Installation and User Manual Cup D
ELECTRIC SAUNA HEATER:
1712 – 45 – 04
1712 – 60 – 04
1712 – 80 – 04
CONTROL PANEL:

CONTACTOR BOX
2005 – 40 (WE – 40)

WARNINGS
1.1. Check before taking a sauna bath
- The sauna room is suitable for taking a sauna bath.
- The door and the window are closed.
- The sauna heater is topped with stones that comply with the manufacturer’s recommendations, the heating elements are covered with stones, and the stones are piled sparsely.
NOTE! Ceramic rocks are not allowed.
The main switch is marked on the contactor box with a 0 – 1 laber or on the switch.
1.2. Sauna room
The walls and ceiling of a sauna room should be thermally well insulated. All surfaces that store heat, such as tiled and plastered surfaces must be insulated. It is recommended to use wooden panel cladding inside the sauna room. If there are heat storage elements in the sauna room, such as decorative stone, glass etc., note that these elements may extend the pre-heating period even though the sauna room is otherwise well insulated (see page 6, section 2.7 Preparing for sauna heater installation).
1.3. Information for users
This appliance may not be used by children aged less than eight years, by persons with reduced physical, sensory or mental capabilities, or by persons lacking experience and knowledge regarding its operation only if such have been given instructions on the safe use of the device and the risks involved. Children must not be allowed to play with the appliance or to clean and service it without supervision. (7.12 EN 60335-1:2012)
1.4. Operation of the sauna heater controls
Refer to the specific control panel operating instructions.
Rearrange the sauna stones at least once a year and replace any weathered stones. This enhances air circulation between the stones, which extends the useful life of the thermal resistors. If you encounter any problems, please contact the manufacturer’s warranty service shop. For additional information about enjoying a sauna bath, please visit our website at : www.sauna360.com
Heating the sauna
Before turning the sauna heater on, make sure the sauna room is suitable for taking a sauna bath. When heated for the first time, the sauna heater may emit some odor. If you detect any odor while the sauna heater warms up, disconnect the sauna heater briefly, and air the room. Then turn the sauna heater back on.
You should turn the sauna heater on roughly an hour before you plan to take a sauna bath so that the stones have time to heat up properly and the air warms up evenly in the sauna room.
The pleasant, smooth sauna bath temperature is about 70 °C.
Do not put any objects on the sauna heater. Do not dry clothes on the sauna heater or anywhere in its vicinity.
2.1. Recommended sauna room ventilation

Figure 1 Rekommended sauna room ventilation
- Sauna room
- Washroom
- Electric sauna heater
- Exhaust valve
- Exhaust flue or channel
- Door to the sauna room
- A ventilation valve can be installed here to be kept closed while the sauna is heated and during bathing.
The Inlet vent can be positioned in the A zone. Make sure the incoming fresh air will not interfere with (i.e. cool down) the sauna heater’s thermostat near the ceiling.
The B zone serves as the incoming air zone if the sauna room isn’t fitted with forced ventilation. In this case, the exhaust valve is installed min 1m higher than the inlet valve.
DO NOT INSTALL THE INLET VALVE WITHIN ZONE C, IF THE SAUNA HEATER’S CONTROL THERMOSTAT IS LOCATED IN THE SAME ZONE.
2.2. Installing the sensor near a supply air vent
The sauna room air should be exchanged six times in an hour. The diameter of the supply air pipe should be between 50 and 100 mm.
A circular air supply vent (360°) must be installed at least 1000 mm away from the sensor.
An air supply vent with a flow-directing panel (180°) must be installed at least 500 mm away from the sensor. Air flow must be directed away from the sensor.

2.3. Ceiling installation of the sensor
In-ceiling installation, a 5-mm hole must be drilled to the sensor case to allow any condensed water to drain.
Do not spray water directly toward the sensor or splash water at it with a sauna scoop.

2.4. Installing the Extra NTC sensor
The additional OLET 31 sensor is connected to the Ext NTC connector on the RJ10 circuit board. For more details, refer to the switch diagram. The additional sensor is installed on the sauna room wall no more than 500 mm from the ceiling. Once the additional sensor has been connected to the circuit board, it is automatically activated. This means that the temperature shown on the control panel is measured by the additional sensor. The primary sensor installed above the sauna heater only has the limiter circuit that limits the maximum temperature to 110 °C. Even if the temperature is set to 110 °C on the control panel, the maximum temperature that can be shown on the panel is approximately 90 °C, as the primary sensor above the heater limits the maximum temperature to 110 °C. Depending on individual preferences, the temperature of a sauna room is typically set between 70 and 80 °C.
2.5. Sauna heater stones
Quality stones meet the following requirements:
– Sauna stones should withstand heat and heat variation caused by vaporization of the water thrown on the stones.
– Stones should be rinsed before use in order to avoid odor and dust.
– Sauna stones should have an uneven surface to supply a larger surface for the water to evaporate from.
– Sauna stones should be large enough, measuring about 50–100 mm to allow good ventilation between the stones. This extends the useful life of the heating elements.
– Sauna stones should be piled sparsely in order to enhance ventilation between the stones. Do not bend the heating elements together or against the frame.
– Rearrange the stones regularly (at least once a year) and replace small and broken stones with new, larger stones.
– Empty the stone compartment regularly, at least once a year in private use, remove small and broken stones and replace them with new ones.
– In commercial use, this operation must be performed at least every second month.
– Stones are piled so that they cover the heating elements. Do not, however, pile a large heap of stones on the heating elements. For a sufficient amount of stones refer to Table 1 on page 8. Any small stones in the package of stones must not be piled on the sauna heater.
– The warranty does not cover defects resulting from poor ventilation caused by small and tightly packed stones.
– Structural clay tiles are not allowed. They may cause damage to the sauna heater that will not be covered by the warranty.
– Do not use soapstone as sauna rocks. Any damages resulting from this will not be covered by the stove warranty.
– Do not use lava stones as sauna rocks. Any damages resulting from this will not be covered by the stove warranty.
– DO NOT USE THE HEATER WITHOUT STONES.
2.6. If the sauna heater will not heat up
If the sauna heater will not heat up, please check that:
– the power is on;
– the main fuses of the sauna heater are intact;
– is there any error messages on the control panel? In case of an error message on the control panel, please refer to the control panel instructions.
THE PERSON INSTALLING THE SAUNA HEATER SHOULD LEAVE THESE INSTRUCTIONS ON THE PREMISES FOR THE FUTURE USER.
2.7. Preparing for sauna heater installation
Check the following before installing the sauna heater.
– The ratio of the heater’s input (kW) and the sauna room’s volume (m³). Volume recommendations are presented in Table 1 on page 8. The minimum and maximum volumes must not be exceeded.
– The sauna room height must be a min. of 1900 mm.
– Uninsulated and masonry stone walls extend the preheating time. Each square meter of plastered ceiling or wall surface adds 1.2 m³ to the sauna room’s volume.
– Check page 8 Table 2 for a suitable fuse size (A) and the correct diameter of the power supply cable (mm²) for the sauna heater in question.
– Conform to the specified safe clearance around the sauna heater. Please refer to page 8.
– There should be enough room around the sauna heater controls for maintenance purposes. Also, a doorway can be considered as a maintenance area.
2.8. Installation
Follow the safety clearance specifications on page 8. when installing the sauna heater. This panel is not a suitable mounting base. The mounting base must be reinforced with timber behind the panel. The minimum clearances specified on page 8 table 1 must be followed also in case the sauna room wall materials are incombustible.
Walls or ceilings must not be clad with fiber-reinforced plasterboard or other light-weight cladding, because they may cause a fire hazard.
A single sauna heater is allowed per sauna room.
2.9. Heater safety distances and sensor position



| Power | Sauna room | Minimum distance to | Stone | |||||||
| kW | Volume | Height | Side wall A mm | In front of D mm | Ceiling F mm | Floor K mm | B mm | J mm | Circa kg | |
| d E | max. m3 | min. mm | ||||||||
| 4,5 | 3 | 6 | 1900 | 50 | 80 | 1200 | 120 | 70 | 390 | 12 |
| 6,0 | 5 | 9 | 1900 | 70 | 100 | 1250 | 120 | 90 | 390 | 20 |
| 8,0 | 8 | 13 | 1900 | 100 | 150 | 1250 | 120 | 120 | 390 | 20 |
Table 1 Safety clearances
2.10. Connection of the sauna heater to the mains
The sauna heater must be connected to the mains by a qualified electrician and in compliance with current regulations. The sauna heater is connected with a semi-permanent connection. Use H07RN-F (60245 IEC 66) cables or a corresponding type. Other output cables (signal lamp, electric heating toggle) must also adhere to these recommendations. Do not use PVC insulated cable as a connection cable for the sauna heater.
A multipolar (e.g. 7-pole) cable is allowed if the voltage is the same. In the absence of a separate control current fuse, the diameter of all cables must be the same, i.e. in accordance with the front fuse. For example, in an 8 kW sauna heater, the diameter of separate cables to the signal lamp and the mains control unit has to be at least 2.5 mm².
The connecting box on the sauna wall should be located within the minimum safety clearance specified for the sauna heater.
The maximum height for the connection box is 500 mm from the floor (figure 5 Location for the connection box, page 9). If the connection box is located at a 500 mm distance from the heater, the maximum height is 1000 mm from the floor. Sauna heater insulation resistance: The sauna heater heating elements may absorb moisture from the air, e.g. during storage. This may cause bleeder currents. The moisture will be gone after a few heating sessions. Do not connect the heater power supply through a ground fault interrupter.
Adhere to the effective electrical safety regulation when installing the sauna heater.
| Power kW | Sauna heater’s connection cable HO7RN -F/ 60245 IEC 66 mm2 400V 3N- | Fuse A | Sauna heater’sconnection cable HO7RN -F/ 60245 IEC 66 MM2 230V 3- | Fuse A | Sauna heater’s connection cable HO7RN -F/60245 IEC 66 MM2 230V 1 N- / 2- | Fuse A |
| 4,5 | 5 x 1,5 | 3 x 10 | 4 x 2,5 | 3 x 16 | 3 x 4 | 1 x 20 |
| 6,0 | 5 x 1,5 | 3 x 10 | 4 x 2,5 | 3 x 16 | 3 x 10 | 1 x 35 |
| 8,0 | 5 x 2,5 | 3 x 16 | 4 x 6 | 3 x 25 | 3 x 10 | 1 x 35 |
Table 2 Connection cable and fuses
2.11. Electric heating toggle
Electric heating toggle applies to homes with an electric heating system.
The sauna heater has connections (marked N-55) for controlling the electric heating toggle. Connectors N-55 and the heating elements are simultaneously live (230V). The sauna heater thermostat also controls the heating toggle. In other words, home heating turns on once the sauna thermostat cuts power off the sauna heater.
2.12. Locating the connecting box for the connection cable in the sauna room
A = Specified minimum safety clearance
1. Recommended location for the connecting box
2. Silumin box recommended in this area.
3. This area should be avoided. Always use a silumin box.
In other areas, use a heat-resisting box (T 125 °C) and heat-resisting cables (T 170 °C). The connection box must be clear of obstacles. When installing the connection box to zones 2 or 3, refer to the instructions and regulations of the local energy supplier.

2.13. Remote controlling
The Heater can be remotely controlled by connecting a closed contactor, which can be pulse triggered, to connectors 3 and 4 of an RJ10 circuit board. The recommended cable size is AWG 24 or 26. The maximum length of an AWG 24 cable is 200 m. The maximum length of an AWG 26 cable is 130 m.
Note! The sauna standard requires a door switch if the sauna heater is controlled from outside the sauna. An indicator light can be connected to the remote button terminal, it will be lit up when the remote command is activated. The indicator light shows an error by blinking rapidly, this error is caused by keeping the sauna door open for more than
5 minutes, the sauna heater will be shut down automatically. The remotely operated sauna heater stays on as long as the setting in the control panel (in private us max 6h). The
sauna heater can be shut off at any time by the remote-control device.
2.14. Order of RJ 10 connectors
NOTE: Incorrect connections may break a circuit board.

| Additional sensor (NTC) | Remote control switch LExt switch) | Door switch | ||||||
| Pin 1 | Pin 1 | Pin 1 | ||||||
| Pin 2 | NTC 10 kOhm | 3.3 V | Pin 2 | Pin 2 | Alarm LED | GND | ||
| Pin 3 | NTC 10 kOhm | CPU | Pin 3 | To switch | GND | Pin 3 | Door switch | GND |
| Pin 4 | Pin 4 | To switch | 12 VDC | Pin 4 | Door switch | 12 VDC | ||
| Sensor (Sec/NTC) | ||
| Pin 1 | End stop | GND |
| Pin 2 | NTC 10 kOhm | 3.3 V |
| Pin 3 | NTC 10 kOhm | CPU |
| Pin 4 | End stop | 10V |

2.15. Door switch
The door switch refers to the switch on the sauna door. This switch complies with regulations. Public and private saunas must have a door switch, i.e. saunas where the heater can be switched on from outside the sauna, e.g. using an On/Off button or a similar method. The control panel automatically registers when the door switch is connected to the heater’s OLEA 103 circuit board. When using the sauna for the first time after the installation, close the door to the sauna room and turn on the electricity using the heater’s main switch. If the door is opened before the heating sequence is started, (pre-set heating) automatic use (remote use) is disabled after one minute. The door must be closed and the function restarted from the control panel. If the door has been left open for more than five minutes while the heater is on, the heater is automatically turned off. The heater can be turned on again from the control panel after the door is closed. The fault indicator light, if installed, will start flashing. See installation instructions below.
Door switch instructions for installation and connection
The door switch is installed outside the sauna room on the upper edge of the door, at least 300 mm from the inner corner. The switch part is installed on the door frame and the magnet is installed on the door. The distance between the switch and the magnet is 18 mm.
When the door switch is installed on the top part of the door, recommends using the Sauna360 model with product number 0043233, SSTL 8260371.
When the door switch is installed on the bottom part of the door, recommends using the Sauna360 model with product number SP11000326, SSTL 8263280. See the installation and user instructions supplied with the heater for instructions.

| Door switch | Conductor color | ||
| Pin 1 | |||
| Pin 2 | |||
| Pin 3 | Door switch | GND | Orange |
| Pin 4 | Door switch | 12 VDC | Green/white |
Table 4. Connecting the door switch.
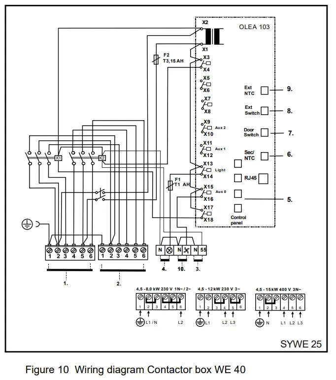
2.16. Wiring diagram Cup Heater and Contactor box WE 40

Figure 9 Wiring diagram for the sauna heater
- Power input Contactor box
- Power input Heater
- Signal Kontakt
- Sauna light
- Control panel Pure or Elite
- Sensor OLET 31
- Door switch
- Remote control snap
- Sensor extra (Extra NTC)
- Ventilator

Figure 10 Wiring diagram Contactor box WE 40
2.17. Principle image when Pure is used as control panel


Spare parts for Cup D -electric sauna heater
| Parts | Product number | Product title | Cup 45 D Cup | Cup 60 D | 80 D |
| 1 | SP4071002 | Vienna basic grate | 1 | 1 | 1 |
| 2 | SP7712000 | Cable clamp NKWA 1 | 1 | 1 | 1 |
| 3 | SP7812550 | Mains connector NLWD 1-1 | 1 | 1 | 1 |
| 4 | SP4316222 | Heating element SEPC 63 230V 1500W | 3 | – | – |
| 4 | SP4316221 | Heating element SEPC 64 230V 2000W | – | 3 | – |
| 4 | SP4316220 | Heating element SEPC 65 230V 2670W | – | – | 3 |
| 5 | SP7513002 | Philips screw M5 x 10 | 3 | 3 | 3 |
Table 5 Spare parts for Cup D
ROHS
Instructions for environmental protection
This product must not be disposed of with normal household waste at the end of its life cycle. Instead, it should be delivered to a collecting place for the recycling of electrical and electronic devices.
The symbol on the product, the instruction manual, or the package refers to this.
The materials can be recycled according to the markings on them. By reusing, utilizing the materials, or by otherwise reusing old equipment, you make an important contribution for the protection of our environment. Please note that the product is returned to the recycling center without any sauna rocks and soapstone cover.
Please contact the municipal administration with inquiries concerning the recycling place.


















