DNT000013 PRO Fingerprint Codeschloss
Product Information
Fingerprint-Code Lock BioAccess PRO
The Fingerprint-Code Lock BioAccess PRO is a secure and easy-to-use lock system that allows access control through fingerprint, PIN, or RFID card. It has a programmable memory that can store up to 987 users, making it suitable for both personal and commercial use. The lock system comes with a master code and can be programmed to accept multiple administrators for increased security.
Features
- Three-way access: fingerprint, PIN, or RFID card
- Stores up to 987 users
- Multiple administrator support
- Easy installation and setup
Package includes
- Fingerprint-Code Lock BioAccess PRO
- Mounting plate and screws
- Power supply
- Instruction manual
Product Usage Instructions

Installation/Mounting
- Attach the mounting plate to a surface using threaded screws.
- Connect the lock system to the power supply using the color-coded wires.
- Attach the lock system to the mounting plate using the security screw.
Programming
Note: The following instructions require the use of the master code. The default master code is 123456.
Program a new user
- Enter * – 123456 – # to initiate programming mode.
- Enter 0 – [new 6-digit code] – # – [repeat new code] – # to program a new user with a PIN code.
- To program a user with a fingerprint or RFID card, read the fingerprint/card and enter the master PIN/fingerprint/card, or the authorized user’s PIN/fingerprint/card.
- Repeat step 3 to add more users.
- Enter * to exit programming mode.
Program user ID
- Enter * – 123456 – # to initiate programming mode.
- Enter 77 – # for Stand-alone/Controller mode, or 78 – # for Wiegand reader mode.
- Repeat step 2 to exit programming mode.
Program a user fingerprint with automatic ID assignment
- Enter * – master code – # (default master code: 123456) to initiate programming mode.
- Read the user’s fingerprint.
- Repeat step 2 to program more fingerprints.
- Enter * to exit programming mode.
Program a user fingerprint with manual ID assignment
- Enter * – master code – # (default master code: 123456) to initiate programming mode.
- Enter the user’s ID (1…987).
- Read the user’s fingerprint.
- Enter * to exit programming mode.
Program a user PIN with automatic ID assignment
- Enter * – master code – # (default master code: 123456) to initiate programming mode.
- Read the user’s PIN (4 to 6 digits).
- Repeat step 2 to program more PINs.
- Enter * to exit programming mode.
Program a user PIN with manual ID assignment
- Enter * – master code – # (default master code: 123456) to initiate programming mode.
- Enter the user’s ID (1…987).
- Read the user’s PIN (4 to 6 digits).
- Enter * to exit programming mode.
Program a user RFID card with automatic ID assignment
- Enter * – master code – # (default master code: 123456) to initiate programming mode.
- Read the user’s RFID card.
- Repeat step 2 to program more cards.
- Enter * to exit programming mode.
Program a user RFID card with manual ID assignment
- Enter * – master code – # (default master code: 123456) to initiate programming mode.
- Enter the user’s ID (100…987).
- Read the user’s RFID card.
- Enter * to exit programming mode.
Program multiple RFID cards at once
- Enter * – master code – # (default master code: 123456) to initiate programming mode.
- Enter 98 – #.
- Read the RFID cards one by one.
- Repeat step 3 until all cards are programmed.
- Enter * to exit programming mode.
Note: For detailed programming instructions, please refer to the user manual.
Fingerprint code lock BioAccess PRO
Please read this user manual carefully before installation as well as first operation and save it for later reference. If you allow other persons to use this device, please hand over this user manual as well.
Function
The fingerprint code lock BioAccess PRO allows for simple access via the biometric identifier “fingerprint” as well as via RFID transponder and numerical code. For the sake of increased access security, multiple types of access can be combined. The weatherproof and van-dal-proof device is capable of administering up to 1000 accesses. By means of a 26/44-bit Wiegand interface, a particularly safe data transmission/navigation via external Wiegand controller is possible. The device is able to interact with Wiegand controllers, to function as a Wiegand controller itself, or to function as a stand-alone device.
- Robust, weatherproof (IP66), and vandal-proof fingerprint code lock
- Capacitive fingerprint sensor, touch keypad
- EM RFID (125 kHz) and MiFare (13,56 MHz) RFID access
- Numerical code access with 4 to 6 digits, backlit input field with automatic shutdown after 20 s
- For up to 1000 accesses (100 fingerprints + 888 RFID cards/PINs + 2 panic codes + 10 visitors)
- Programmable relay switch output, potential-free 26/44-bit Wiegand interface, MiFare: 56/58-bit in-/output, access data administration in Wiegand controller
- Stand-alone operation or interlock operation for 2 doors possible
- Latch mode (self-sustaining operation to keep the door open) available
- Door contact monitoring
- Door opener button input (exit button) for door opener control from the inside
- Fail secure lock or fail safe lock operation
- Access via fingerprint, RFID, numerical code, or combination of different types of access possible
- Sabotage sensor against disassembly/manipulation
- Multi-colour status display
- Internal signal transmitter and external signal output
Proper Use, Scope of Supply
The BioAccess PRO is intended for use as general access control device. It is admitted for exterior use (IP66). We assume no liability for consequential damages resulting from non-observance of these rules for use as well as this user manual, warranty claims lapse as well. This also applies to modifications and changes.
Scope of Supply:
- Fingerprint code lock BioAccess PRO
- Protective diode IN4004
- 2x wall plugs and mounting screws (4x 25 mm)
- Mounting key
- User manual
- RFID master card
Operating, Service, and Safety Instructions
Warning
Is used to mark safety instructions or to draw attention to special dangers and risks.
Notice
Is used to mark additional information or important notices.
- For safety and approval reasons (CE), any unauthorised modifications and/or changes of the product are not allowed.
- Do not expose the device to an influence of humidity exceeding the IP66 conditions, vibrations, constant heat, extreme cold, strong electromagnetic fields, and mechanical stress.
- Observe all notices in the user manual concerning the connection of voltages. Wrong or polarity-reversed voltages will destroy the device.
- Do not leave packaging material lying around, plastic foils/bags, polystyrene parts, etc. can become a dangerous toy for children.
- If the device has been damaged, put it out of operation and contact our service.
In case of property or personal damage caused by improper handling or non-obser-vance of the safety instructions and the user manual, we assume no liability. In such cases, any warranty claims lapse! We assume no liability for consequential damages. Do not open the device, do not attempt to repair the device, do not perform any mo-difications or changes – this will lead to the loss of any warranty claims. We assume no liability for consequential damages.
Installation/Assembly
When choosing the installation site, make sure that the mounting plate lies tight and flat on its supporting surface while making contact with all four corners. Otherwise, acts of sabotage can be facilitated, and faulty activations of the sabotage alarm due to unwanted incidence of light into the device are possible.
- Loosen the locking screw at the bottom of the enclosure with the mounting key and remove the device from the mounting plate.
- Mark the drill holes on the site of installation (wall) by means of the holes in the mounting plate or the illustration above and, after checking for electrical lines or pipes within the wall, drill the mounting holes or the cable bushing. The 3 mm holes are intended to be an additional safeguard for the possible installation on, for example, a metal plate by means of threaded bolts. In case of non-use, they should be sealed by means of a sealant.
- Run the connecting cable through the wall and screw the mounting plate to the wall.
- Place the device onto the mounting plate (first insert it at the top, then tilt it down towards the mounting plate) and secure it with the locking screw.
Audio and Light Signals
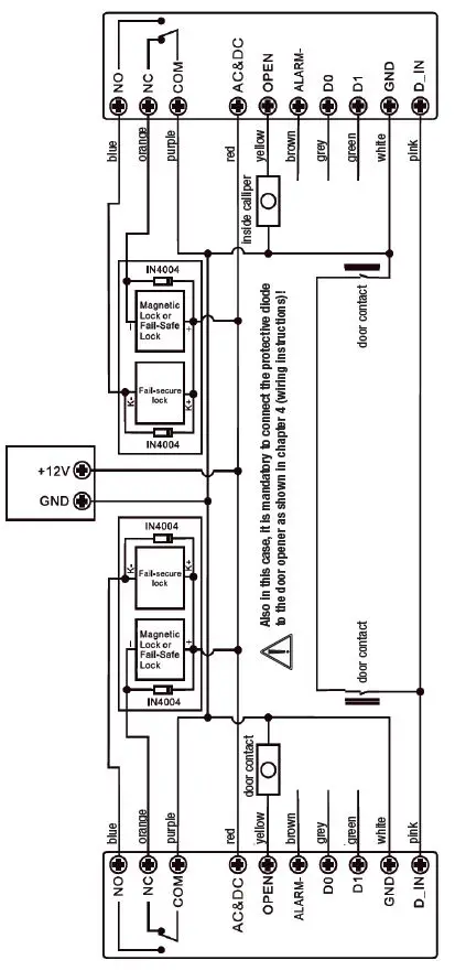
Wiring Instructions
- Simple Connection with Power Adapter
- fail safe lock:
- electric door opener or fail safe lock
- fail safe lock:
- e.g. fail safe bolt lock: bolt retracted when in standby mode, lock opens due to pulse from control
- fail secure lock:
- e.g. fail secure bolt lock: bolt extracted when in standby mode, lock opens due to pulse from control
This type of power supply requires the supplied diode 1N4004 to be connec-ted in parallel to the door opener or the electromagnetic lock, as shown in the diagram. This diode discharges inductive voltage peaks which occur when disabling the door opener. If it is not installed, high voltage peaks can destroy the fingerprint scanner! Please observe the correct polarity while connecting. The cathode corresponds to the colour ring on the diode.
- e.g. fail secure bolt lock: bolt extracted when in standby mode, lock opens due to pulse from control
- fail safe lock:
- Connection via Internal Station/Interface
- Connection via Internal Station/Interface
- electric door opener or fail safe lock
- fail safe lock:
- g. fail safe bolt lock: bolt retracted when in standby mode, lock opens due to pulse from control
- fail secure lock:
- e.g. fail secure bolt lock: bolt extracted when in standby mode, lock opens due to pulse from control


- e.g. fail secure bolt lock: bolt extracted when in standby mode, lock opens due to pulse from control
- Connection via Internal Station/Interface
Programming
Resetting Device to Default Settings and Reading of Master Card
In case you should not be able to successfully complete the programming steps described in the following according to the description, you should reset the device to its default settings. This also applies to passing on the device.
Please note!
In the course of resetting the device, all saved access data are deleted as well!The device reset only resets the master code and settings. All stored access data is retained. To delete them as well, please proceed as described in chapter 5.2.
- Connect the device to the power supply, but do not yet switch the power on.
- Press the inside calliper and hold it down while switching on the power supply.
- Let go of the inside calliper, the operating display changes to yellow, then you can read an EM/MiFare card or the supplied RFID card as a master card.
- Afterwards, the operating display changes to red – the device has been reset to its default settings. The read card is now the master card.
In case you do not wish to read a new master card (e.g. when passing on the device), you should hold the inside calliper down for about 5 s after switching on the power supply. Also in this case, the operating display changes to red, and the previously read master card is invalid.
Operation/Programming – Brief Overview
Hyphens are only supposed to provide clarity, do not type them in!
The programming differs depending on the type of access. Follow the respective programming instructions. The allocation of user IDs facilitates the tracking of access attempts. ID overview:
- Fingerprint: 0…98; master fingerprint user ID: 99
- PIN/card: 100…987
- Panic use: 988, 989
- Visitors: 990…999
125 kHz cards (EM) or 13,56 MHz cards (MiFare) can serve as RFID cards. In case of access via PIN, 4 to 6 digits are permitted. However, the digit sequence 8888 is excluded for the sake of special purposes.
Please note:
- Do not enter user IDs with leading zero!
- If a user ID has been entered, it will be absolutely needed whenever changes of user data are to be carried out.
Programming of Operating Mode
The device can only be programmed for three operating modes: stand-alone/controller mode (with an additional reader with Wiegand interface), Wiegand reader for external controllers.
Save User Fingerprints with Automatic ID Allocation
An automatic, continuous user ID allocation is carried out (1…98).
Save User Fingerprints with Manual ID Allocation
Save User Numerical Code (PIN) with Automatic ID Allocation
Save User Numerical Code (PIN) with Manual ID Allocation
Notes for PIN Allocation
For the sake of increased safety, you can “hide” your PIN in a digit sequence of up to 10 digits. This needs to have the following form (exemplary PIN: 123434): xx123434xx or xx123434 x= 0…9
Save User RFID Cards with Automatic ID Allocation
An automatic, continuous user ID allocation is made (100…987).
Save User RFID Cards with Manual ID Allocation
Save User RFID in the Block
This allows the master to continuously save 987 cards in one run. This may take up to 2 minutes.
Use of Master Fingerprint/Master Card in order to Add/Delete Users Read Master Fingerprint (ID=99)
Add/Delete Users with Master Fingerprint/Master Card
Entry of Users for the Panic Function (Activation of Panic Alarm)
Notice: User ID=988/989; length of PIN = 4 to 6 digits, with the exception of 8888.
Entry of Visitors
Notice: User ID = 990 … 999; length of PIN = 4 to 6 digits, with the exception of 8888. There are up to 10 visitor PINs/cards available which can be used for up to 10 accesses (0…9). As soon as the specified number of accesses is reached, the PIN/card expires.
Change User PIN
Notice: In this case, you are working outside of the programming mode, users can carry out the changes themselves. Length of PIN = 4 to 6 digits, with the exception of 8888.
Adjust Behaviour of Switching Relay
Adjust Type of Access
In case of multiple access attempts with the same fingerprints/PINs, a period of 5 s must not be exceeded, otherwise the device will return to standby mode without reaction.
Alarm/Interlock in Case of Manipulation/Failed Attempts, End Alarm
After more than 10 incorrect entries, the device can deny any further entries for 10 minutes or trigger an alarm. Also in case of interlock, the door can still be opened by means of the door opener button inside of the building.
Registration/Alerting in Case of Door Open Detection
- Detection of a door that has been open for too long (DOTL)
If you use an external magnetic door contact at the door or inside of the door lock for the sake of surveillance, an alarm can be triggered if the door has not been closed after the expiration of one minute after a proper door lock activation. Then, the integrated alarm transmitter will sound to remind you of closing the door. The alarm can be ended by closing the door, by the master user or by normal authorised users (fingerprint/PIN/RFID card). Otherwise, the alarm will carry on according to the adjusted alarm duration as described in chapter 5.17. - Detection of a break-in
If the external door contact is triggered without a previous authorised opening via finger-print/PIN/RFID card, this is registered as an attempted break-in, and the alarm is triggered within the device and, if connected, through the external alarm transmitter. The alarm can be ended by closing the door, by the master user or by normal authorised users (fingerprint/PIN/RFID card). Otherwise, the alarm will carry on according to the adjusted alarm duration as described in chapter 5.17. This also applies to the activation of the sabotage function in case of attempted disassembly of the device.
Programming of Audible Signals and Visual Displays
If the automatic keypad lighting is activated, it will automatically turn on when pressing any button. Only afterwards, a regular entry will be registered.
Operation
Open the door exclusively via fingerprint/RFID card
- Lay on enrolled RFID card or enrolled finger
Open the door exclusively via PIN
- Enter enrolled PIN, confirm with #
Open the door via multi-user PIN/fingerprint/RFID card
- Lay on/enter enrolled multi-user access (2–9 users, see chapter 5.16)
End alarm
- Enter enrolled PIN or lay on enrolled finger or master fingerprint or enter master code #
Wiegand Interface
Wiegand is a standardised interface for the exchange of data between access control de-vices and control panels. It is used for the data transfer from the reader to a control device. This provides an especially safe system, as no access data have to be saved in the reader. In the interaction with a control panel/RFID controller, the device has to be supplied with 12 VDC voltage! In this case, the black wire is not connected!
Note:
When using the 4-bit pin output format in connection with a Wiegand interface, all three input versions can be used (number code, RFID and fingerprint together or in any combination). When changing to the 10-bit pin output format, the fingerprint version cannot be used, as this could lead to a security gap.
The interface requires four wires:
- +12V (red wire, in case of power supply over the interface)
- Ground (GND, pink wire)
- Data line DATA 0 (green wire)
- Data line DATA 1 (white wire)
In the case of controllers which are equipped with outputs for a handshaking LED and a signal transmitter within the door device, the wires D-IN (brown) and OPEN (yellow) are used as well.
Connection to an External Access Device (Reader) with Wiegand Interface
The device can interact with another reader with Wiegand interface. For this purpose, the device has to be set into operating mode 77 (see chapter 5.3.).
Also in this case, it is mandatory to connect the protective diode to the door opener as shown in chapter 4 (wiring instructions)! For the connection between fingerprint code lock and external reader, the same Wiegand format has to be used for both devices.
Wiegand format:
Programming
The basic programming corresponds to the stand-alone programming. The discrepancies are summarised in the following:
When connecting an EM/MiFare reader, users can be registered or deleted in both readers. When connecting an HID card reader, users can only be registered or deleted in the external device.
Example for the embedding of a fingerprint reader:
Step 1: Read the fingerprint into the external device.
Step 2: Read the same fingerprint into the DT access device.
Example for the embedding of a numerical code reader: The reader has to support the 4-, 8-, or 10-bit output format.
In order to add PINs, they can be trained in all included devices. The deletion of PINs also has to be carried out in all included devices.
Operation as a Wiegand Reader with a Wiegand Controller
The device can function as an external Wiegand reader in combination with a Wiegand con-troller. For this purpose, the device has to be set into operating mode 78 (see chapter 5.3.).
Please note:
- In the case of this connection, numerous settings of the device become invalid since they are carried out from the external Wiegand controller.
- The brown wire (D_IN) leads to access signalling through green flashing of the operating display (low-active).
- The yellow wire (OPEN) leads to access signalling through the internal signal transmitter (low-active).
Adjust Wiegand Formats
- For the access device, you should use the same Wiegand output format as the input format you are using in the case of the Wiegand controller.
- Disable parity bit in the case of Wiegand controllers with 32-/40-/56-bit input format

Extended Functions
Passing on of User Data
User data can be exchanged between two devices of the same type. This facilitates the programming of multiple accesses by the same users. The exchange is only possible for RFID card or PIN accesses.
Please note:
- The exchange is only possible between devices of the same type and the same series.
- The master code has to be the same for both devices.
- The data transfer is only possible from the device which is set as master.
- After the data transfer, the receiving device is blocked for programming.
- The transfer time for 900 users can take up to 30 s.
- After starting the data transfer, the operating display shows a green light, preceded by a confirmation tone for 30 s. After conclusion of the data transfer, the operating display shows a red light.
Programming in the Master Device:
Connection of Two Systems (Lock)
For an increased safety of access/egress, e.g. in banks, prisons, laboratories, etc., two systems can be connected so that they lock each other. This is also known as interlock.
Programming:
Step 1: First, read all authorised users into one device and then transfer the data, as described in „Passing on of User Data,” to the second device.
Step 2: Set both devices to „interlock active.”
Technical Data
Number of users:………1000 (100 fingerprints, 888 cards/PINs, 2 panic codes, 10 visitors)
Fingerprint reader:………………………………………………………………………………….capacitive
PIN:…………………………………………………………………………………………………..4 to 6 digits
RFID reader:…………………………….EM (125 kHz), MiFare (13,56 MHz), coverage 2 to 6 cm
Relay output:…………………………………………………………..changer (NO/COM/NO), max. 2 A
Relay active time:………………………………………………………. 0 to 99 s (default setting: 5 s)
Inside calliper (exit button):…………………………………………………………switching to ground
Sabotage alarm:……………………………………………………………………………….optical sensor
Power supply:………………………………………………………………………………..12 to 28 VAC/DC
Power consumption:………………………………………….standby: 60 mA, active: max. 150 mA
Surrounding conditions:……………………………………………..-30 °C to +60 °C, 0 to 98 % rh
Protection class:…………………………………………………………………………………………….IP66
Dimensions (W x H x D):………………………………………………………………68 x 145 x 25 mm
Weight:………………………………………………………………………………………………………500 g
Declaration of Conformity
The dnt Innovation GmbH, Maiburger Straße 29, 26789 Leer, Germany, herewith declares that the device “fingerprint code lock BioAccess PRO”
is in compliance with the essential requirements and the other relevant provisions of Directive 2014/30/EU. The declaration of conformity can be found at the following address: www.dnt.de
Disposal
This device may not be disposed of with domestic waste! According to the directive concerning electronic devices and electronic old devices, they are to be disposed of at the local collection centres for electronic old devices!
Contact
Do you have any questions regarding the product or its operation?
Our Technical Customer Service would be pleased to provide you with comprehensive and qualified information.
E-Mail: [email protected]
German edition 04/2022
Documentation © 2021 dnt Innovation GmbH
All rights reserved. Without the publisher’s written consent, this user manual may not be reproduced or copied in any way, whether in full or in part. It is possible that the user manual at hand still contains printing faults or errors. Nevertheless, the information given in this user manual is regularly reviewed for correctness, and any corrections will be made in the next edition. We do not assume liability for technical or typographical mistakes as well as their consequences. All trademarks and property rights are recognised. Changes in accordance with technical advances can be carried out without prior notice. DNT000013-04/2022, version 1.01
Importer: dnt Innovation GmbH
Maiburger Straße 29 · 26789 Leer ·
Germany ·
www.dnt.de
























