SKYWORKS UG505: Si8239x-EVB Isolated Gate Driver Evaluation Kit

UG505: Si8239x-EVB User’s Guide
The Si8239x isolated gate drivers are ideal for driving power switches used in a wide variety of power supply, inverter, and motor control applications, offering longer service life and dramatically higher reliability compared to opto-coupled gate drivers. The Si8239x isolated gate drivers utilize Skyworks’ proprietary silicon isolation technology supporting up to 5 kVRMS withstand voltage per UL1577 and VDE0884. This technology enables industry-leading common-mode transient immunity (CMTI), tight timing specifications, reduced variation with temperature and age, better part-to-part matching, and very high reliability. It also offers unique features, such as driver shutdown on UVLO fault and precise dead time programmability. Driver outputs can be grounded to the same or separate grounds or connected to a positive or negative voltage.
The extended range inputs (2.5 to 5.5 V) are available in individual control input (Si82390/1/5/6/7) or PWM input (Si82394/8) configurations. High integration, low propagation delay, small installed size, flexibility, and cost-effectiveness make the family ideal for a wide range of isolated MOSFET/IGBT gate drive applications.
The Si8239x evaluation board allows designers to evaluate Skyworks’ Si8239x family of ISOdrivers. Screw terminals are provided to allow for quick evaluation of the devices’ key parameters. Test points are also included on each of the device’s pins to accommodate direct connection to the designer’s end system. In addition, jumpers are included to allow for manual setting of the devices input as well as the boot strap circuitry on the output if desired. The boards come populated with the Si82394 version of the family. However, JP2 (VIB) is still provided should the user wish to replace the Si82394 with one of the dual input versions of the device. Visit Skyworks’ Isolated Gate Drivers web page for more information. The product data sheet and numerous application notes can be referenced to help facilitate designs.
KEY FEATURES
- Screw terminals for easy connection to power supplies
- Test points on each pin for easy connection to test equipment
- Boot strap circuitry selectable by jumper · Jumpers for easy manual control of input signals
Ordering Guide
Table 1.1. Si8239x Evaluation Board Ordering Guide
Ordering Part Number (OPN) | Description |
SI8239XISO-KIT | Si8239x Isolated Gate Driver Evaluation Kit |
Kit Contents
The Si8239x Evaluation Kit contains the following items:
- Si8239x-based evaluation board shown in the figure below
- Si82394, PWM input, 4 A, 5 kVrms High-Side/Low-Side ISOdriver
Figure 2.1. Si8239x Evaluation Board Front
Figure 2.2. Si8239x Evaluation Board Back
Required Equipment
The following equipment is required to demonstrate the evaluation board:
- 1 digital multimeter
- 1 dc power supply 15 Vdc, 0–100 mA or equivalent)
- 1 dc power supply 3.3 Vdc, 0–100 mA or equivalent)
- Si8239x Evaluation Board (board under test)
- Si8239x Evaluation Board Test Procedure (this document)
Si8239x ISOdriver Board Setup and Test
DC Supply Configuration
- Verify the 3.3 V power supply output before connecting to EVB. Disable supply output before connecting to evaluation board.
- Connect the positive rail of the 3.3 V supply to J1 pin 1 (labeled VDDI) or to TP1.
- Connect the negative rail of the 3.3 V supply to J1 pin 2 (labeled GNDI) or TP4.
- Turn ON the 3.3 V supply.
- Verify the 15 V power supply output before connecting to EVB. Disable supply output before connecting to evaluation board.
- Connect the positive rail of the 15 V supply to J2 pin 3 (labeled VDDA) or to TP9.
- Connect the negative rail of the 15 V supply to J2 pin 1 (labeled GNDA) or TP11.
- Turn ON the 15 V supply
Test Channel A
- Add shunt between pins 1 and 2 on JP1 and JP3.
- Using the DMM verify a logic 1 on TP10 with respect to TP11 (POS on TP10, NEG on TP11).
- Move shunt to pins 2 and 3 on JP1.
- Using DMM, verify logic 0 on TP10 with respect to TP11.
Test Channel B
- Turn off 15 V supply.
- Move the 15 V positive rail to J3 pin 3 or TP14.
- Move the 15 V negative rail to J3 pin 1 or TP15.
- Turn on 15 V supply.
- Using DMM, verify a logic 1 on TP13 with respect to TP15.
- Move the shunt on JP1 back to pins 1–2.
- Using DMM, verify a logic 0 on TP13 with respect to TP15
Note: A signal generator can be used to supply a clock signal to JP1 pin 2 instead of using the shunt.
Si8239x-EVB Schematics, Silkscreens, and Layout
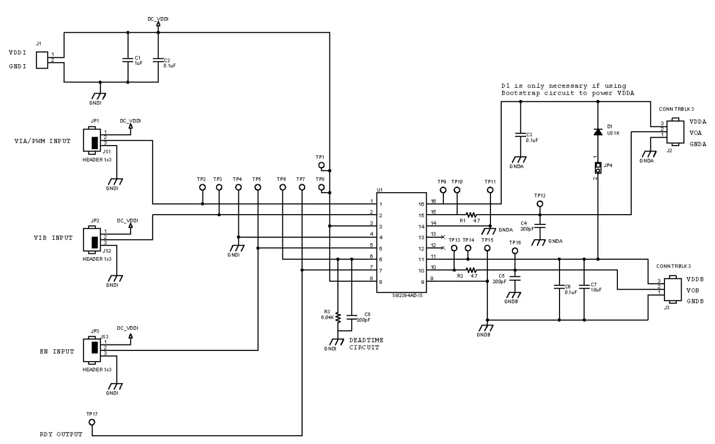
Figure 4.1. Si8239x Evaluation Board Schematic
Figure 4.2. Si8239x-EVB Primary Silkscreen
Figure 4.3. Si8239x-EVB Secondary Silkscreen
Figure 4.4. Si8239x-EVB Primary Side
Figure 4.5. Si8239x-EVB Layer 2 Ground Plane
Figure 4.6. Si8239x-EVB Layer 3 Power Plane
Figure 4.7. Si8239x-EVB Secondary Side
Bill of Materials
Table 5.1. Si8239x-EVB Bill of Materials
Item Number | Quantity | Value | Part Number | Manufacturer |
| 1 | 1 | 1 µF | C1 | Samsung |
| 2 | 3 | 0.1 µF | C2, C3, C6 | Venkel |
| 3 | 1 | 10 µF | C7 | Murata Electronics North America |
| 4 | 1 | US1K | D1 | Diodes Inc. |
| 5 | 1 | CONN TRBLK 2 | J1 | Phoenix Contact |
| 6 | 2 | CONN TRBLK 3 | J2, J3 | Phoenix Contact |
| 7 | 3 | Header 1×3 | JP1, JP2, JP3 | Samtec |
| 8 | 1 | Jumper | JP4 | Samtec |
| 9 | 3 | Jumper Shunt | JS1, JS2, JS3 | Samtec |
| 10 | 4 | Screw/Standoff | MH1, MH2, MH3, MH4 | Various |
| 11 | 1 | Si8239x_EVB Rev 1.0 | PCB1 | Skyworks |
| 12 | 2 | 4.7 W | R1, R2 | Venkel |
| 13 | 1 | 6.04 kW | R3 | Venkel |
| 14 | 17 | White | TP1, TP2, TP3, TP4, TP5, TP6, TP7, TP8, TP9, TP10, TP11, TP12, TP13, TP14, TP15, TP16, TP17 | Kobiconn |
| 15 | 1 | Si82394AD-IS | U1 | Skyworks |
| Not Installed | ||||
| 16 | 3 | 200 pF | C4, C5, C8 | Venkel |

Portfolio | Quality | Support & Resources |
Copyright © 2022 Skyworks Solutions, Inc. All Rights Reserved.
Information in this document is provided in connection with Skyworks Solutions, Inc. (“Skyworks”) products or services. These materials, including the information contained herein, are provided by Skyworks as a service to its customers and may be used for informational purposes only by the customer. Skyworks assumes no responsibility for errors or omissions in these materials or the information contained herein. Skyworks may change its documentation, products, services, specifications or product descriptions at any time, without notice. Skyworks makes no commitment to update the materials or information and shall have no responsibility whatsoever for conflicts, incompatibilities, or other difficulties arising from any future changes.
No license, whether express, implied, by estoppel or otherwise, is granted to any intellectual property rights by this document. Skyworks assumes no liability for any materials, products or information provided hereunder, including the sale, distribution, reproduction or use of Skyworks products, information or materials, except as may be provided in Skyworks’ Terms and Conditions of Sale.
THE MATERIALS, PRODUCTS AND INFORMATION ARE PROVIDED “AS IS” WITHOUT WARRANTY OF ANY KIND, WHETHER EXPRESS, IMPLIED, STATUTORY, OR OTHERWISE, INCLUDING FITNESS FOR A PARTICULAR PURPOSE OR USE, MERCHANTABILITY, PERFORMANCE, QUALITY OR NONINFRINGEMENT OF ANY INTELLECTUAL PROPERTY RIGHT; ALL SUCH WARRANTIES ARE HEREBY EXPRESSLY DISCLAIMED. SKYWORKS DOES NOT WARRANT THE ACCURACY OR COMPLETENESS OF THE INFORMATION, TEXT, GRAPHICS OR OTHER ITEMS CONTAINED WITHIN THESE MATERIALS. SKYWORKS SHALL NOT BE LIABLE FOR ANY DAMAGES, INCLUDING BUT NOT LIMITED TO ANY SPECIAL, INDIRECT, INCIDENTAL, STATUTORY, OR CONSEQUENTIAL DAMAGES, INCLUDING WITHOUT LIMITATION, LOST REVENUES OR LOST PROFITS THAT MAY RESULT FROM THE USE OF THE MATERIALS OR INFORMATION, WHETHER OR NOT THE RECIPIENT OF MATERIALS HAS BEEN ADVISED OF THE POSSIBILITY OF SUCH DAMAGE.
Skyworks products are not intended for use in medical, lifesaving or life-sustaining applications, or other equipment in which the failure of the Skyworks products could lead to personal injury, death, physical or environmental damage. Skyworks customers using or selling Skyworks products for use in such applications do so at their own risk and agree to fully indemnify Skyworks for any damages resulting from such improper use or sale.
Customers are responsible for their products and applications using Skyworks products, which may deviate from published specifications as a result of design defects, errors, or operation of products outside of published parameters or design specifications. Customers should include design and operating safeguards to minimize these and other risks. Skyworks assumes no liability for applications assistance, customer product design, or damage to any equipment resulting from the use of Skyworks products outside of Skyworks’ published specifications or parameters.
Skyworks, the Skyworks symbol, Sky5®, SkyOne®, SkyBlue™, Skyworks Green™, Clockbuilder®, DSPLL®, ISOmodem®, ProSLIC®, and SiPHY® are trademarks or registered trademarks of Skyworks Solutions, Inc. or its subsidiaries in the United States and other countries. Third-party brands and names are for identification purposes only and are the property of their respective owners. Additional information, including relevant terms and conditions, posted at www.skyworksinc.com, are incorporated by reference.
Customer Support
Skyworks Solutions, Inc. | Nasdaq: SWKS | [email protected] | www.skyworksinc.com
USA: 781-376-3000 | Asia: 886-2-2735 0399 | Europe: 33 (0)1 43548540























