SKYWORKS UG232 Si88xxxISO-EVB
Hardware Overview and Setup
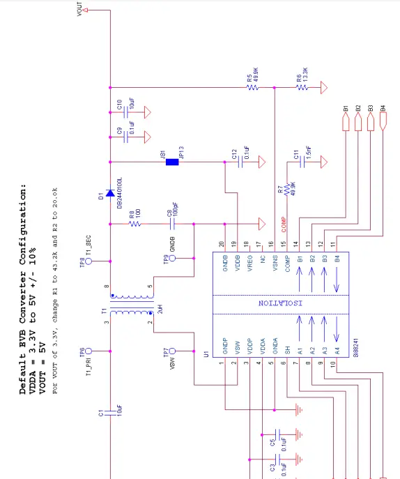
Power the EVB by applying a 3.0 to 5.5 V dc supply to terminal block J1. The isolated output is available at terminal block J2. Test points for these are available at the upper edge of the EVB. The default EVB configuration has the header JP13 shorted, so the dc-dc output powers the VDDB supply (U1 pin 19) of the Si88241ED-IS. The acceptable input voltage to the VDDB supply pin is 3.0 to 5.5 V. If the user chooses to generate an output voltage outside this voltage range, the jumper at JP13 must be removed and a separate supply source connected to VDDB through JP13.
To measure input supply current, clip a differential probe across JP12 to access each side of sense resistor R20. The SH input (U1 pin 7) disables the dc-dc converter function. Install a jumper across JP9 to pull the SH input high and disable the dc-dc converter. If interfacing to an external controller board through the JP9 header, the controller must drive SH low for normal operation and high to disable the dc-dc. The EVB has a series of headers for connecting to each digital channel. The inside conductor of each 2×1 header is connected to the device pin and the outer conductor is tied to ground through a protection resistor. Connect to each side of the Si88xxxISO-EVB to external controllers through a two-row ribbon cables with one row grounded.
Si88xxxISO-EVB Schematics




Si88xxxISO-EVB Layout

Bill of Materials
| Part Reference | Description | Mfr | Mfr Part Number |
| C1 C2 C10 | CAP, 10 µF, 10 V, ±10%, X7R, 1206 | Venkel | C1206X7R100-106K |
| C3 C5 C9 C12 | CAP, 0.1 µF, 10 V, ±10%, X7R, 0603 | Venkel | C0603X7R100-104K |
| C8 | CAP, 100 pF, 50 V, ±10%, X7R, 0603 | Venkel | C0603X7R500-101K |
| C11 | CAP, 1.5 nF, 16 V, ±10%, X7R, 0603 | Venkel | C0603X7R160-152K |
| D1 | DIO, FAST, 40 V, 1.0A, SOD-128 | Panasonic | DB2440100L |
| D20 | DIO, ZENER, 5.6 V, 500 mW, SOD123 | On Semi | MMSZ5232BT1 |
| D21 D22 | LED, RED, 631 nM, 20 mA, 2 V, 54mcd, 0603 | Lite-On | LTST-C190KRKT |
| J1 J2 | CONN, TERM BLOCK 2POS, 5MM PCB | Phoenix Contact | 1729018 |
| JP1 JP2 JP3 JP4 JP5 JP6 JP7 JP8 JP9 JP10 JP11 JP12 JP13 | Header, 2×1, 0.1in pitch, Tin Plated | Samtec | TSW-102-07-T-S |
| JS1 JS2 | Shunt, 1×2, 0.1in pitch, Tin plating | Samtec | SNT-100-BK-T |
| MH1 MH2 MH3 MH4 | HDW, Screw, 4-40 x 1/4″ Pan Head, Slotted, Ny- lon | Richco Plastic Co | NSS-4-4-01 |
| R5 R7 | RES, 49.9K, 1/10W, ±1%, ThickFilm, 0603 | Venkel | CR0603-10W-4992F |
| R6 | RES, 13.3K, 1/16W, ±1%, ThickFilm, 0603 | Venkel | CR0603-16W-1332F |
| R8 | RES, 100 Ω, 1/16W, ±1%, ThickFilm, 0603 | Venkel | CR0603-16W-1000F |
| R20 | RES, 0.25 Ω, 1/2W, ±1%, ThickFilm, 1206 | Venkel | LCR1206-R250J |
| R21 R22 R23 | RES, 10K, 1/10W, ±5%, ThickFilm, 0603 | Venkel | CR0603-10W-103J |
| R24 R25 R26 R27 R28 R29 R30 R31 | RES, 499 Ω, 1/10W, ±1%, ThickFilm, 0603 | Venkel | CR0603-10W-4990F |
| SO1 SO2 SO3 SO4 | HDW, STANDOFF, 1/4″ HEX, 4-40×3/4″, NYLON | Keystone | 1902D |
| T1 | TRANSFORMER, POWER, FLYBACK, 2.0 µH PRIMARY, 100 nH LEAKAGE, 1:4, 1 TAP, SMT | UMEC | UTB02185S |
| TP1 TP2 TP3 TP4 TP5 TP6 TP7 TP8 TP9 TP10 | TESTPOINT, BLACK, PTH | Kobiconn | 151-203-RC |
| U1 | IC, ISOLATOR, DC DC Internal Switch, SH, 4 Digital Ch, SO20 WB | Skyworks | Si88241ED-IS |
Ordering Guide
| Ordering Part Number (OPN) | Description |
| Si88xxxISO-KIT | Si88xxx dc-dc digital isolator evaluation board kit |
Connecting Everyone and Everything, All the Time
Portfolio
www.skyworksinc.com
Quality
www.skyworksinc.com/quality
Support & Resources
www.skyworksinc.com/support
Copyright © 2021 Skyworks Solutions, Inc. All Rights Reserved.
Information in this document is provided in connection with Skyworks Solutions, Inc. (“Skyworks”) products or services. These materials, including the information contained herein, are provided by Skyworks as a service to its customers and may be used for informational purposes only by the customer. Skyworks assumes no responsibility for errors or omissions in these materials or the information contained herein. Skyworks may change its documentation, products, services, specifications or product descriptions at any time, without notice. Skyworks makes no commitment to update the materials or information and shall have no responsibility whatsoever for conflicts, incompatibilities, or other difficulties arising from any future changes.
No license, whether express, implied, by estoppel or otherwise, is granted to any intellectual property rights by this document. Skyworks assumes no liability for any materials, products or information provided hereunder, including the sale, distribution, reproduction or use of Skyworks products, information or materials, except as may be provided in Skyworks’ Terms and Conditions of Sale.
THE MATERIALS, PRODUCTS AND INFORMATION ARE PROVIDED “AS IS” WITHOUT WARRANTY OF ANY KIND, WHETHER EXPRESS, IMPLIED, STATUTORY, OR OTHERWISE, INCLUDING FITNESS FOR A PARTICULAR PURPOSE OR USE, MERCHANTABILITY, PERFORMANCE, QUALITY OR NON-INFRINGEMENT OF ANY INTELLECTUAL PROPERTY RIGHT; ALL SUCH WARRANTIES ARE HEREBY EXPRESSLY DISCLAIMED. SKYWORKS DOES NOT WARRANT THE ACCURACY OR COMPLETENESS OF THE INFORMATION, TEXT, GRAPHICS OR OTHER ITEMS CONTAINED WITHIN THESE MATERIALS. SKYWORKS SHALL NOT BE LIABLE FOR ANY DAMAGES, INCLUDING BUT NOT LIMITED TO ANY SPECIAL, INDIRECT, INCIDENTAL, STATUTORY, OR CONSEQUENTIAL DAMAGES, INCLUDING WITHOUT LIMITATION, LOST REVENUES OR LOST PROFITS THAT MAY RESULT FROM THE USE OF THE MATERIALS OR INFORMATION, WHETHER OR NOT THE RECIPIENT OF MATERIALS HAS BEEN ADVISED OF THE POSSIBILITY OF SUCH DAMAGE.
Skyworks products are not intended for use in medical, lifesaving or life-sustaining applications, or other equipment in which the failure of the Skyworks products could lead to personal injury, death, physical or environmental damage. Skyworks customers using or selling Skyworks products for use in such applications do so at their own risk and agree to fully indemnify Skyworks for any damages resulting from such improper use or sale. Customers are responsible for their products and applications using Skyworks products, which may deviate from published specifications as a result of design defects, errors, or operation of products outside of published parameters or design specifications. Customers should include design and operating safeguards to minimize these and other risks. Skyworks assumes no liability for applications assistance, customer product design, or damage to any equipment resulting from the use of Skyworks products outside of Skyworks’ published specifications or parameters.
Skyworks, the Skyworks symbol, Sky5®, SkyOne®, SkyBlue™, Skyworks Green™, Clockbuilder®, DSPLL®, ISOmodem®, ProSLIC®, and SiPHY® are trademarks or registered trademarks of Skyworks Solutions, Inc. or its subsidiaries in the United States and other countries. Third-party brands and names are for identification purposes only and are the property of their respective owners. Additional information, including relevant terms and conditions, posted at www.skyworksinc.com, are incorporated by reference.
Skyworks Solutions, Inc. | Nasdaq: SWKS | [email protected] | www.skyworksinc.com

Hardware Overview and Setup

Si88xxxISO-EVB Layout















