LCD Screen Packing Machine
Operational Manual
Performance and Application
This machine adopts the latest advanced technology and appropriate improvement.
The microcomputer chip is the most advanced in the world with both Chinese and English editions, and operation interface of intelligent fault diagnosis. Assembled with the photoelectric tracking system, ensure accurate sealing and cutting, the automatic completing process of bag making, measuring, filling, sealing and cutting, etc. It is easy to operate, and it is the latest generation of ideal packaging machinery.
The machine is suitable for small granules or other stuff that is the same as the method of volume measurement, can also be used for measuring the packing of the powdery material that is not glutinous. Such as oatmeal, puffed food, sugar, monosodium glutamate, medicine, chemical raw materials, and tea.
Technical features and advantages
Linear bearings are adopted for linear bearing and casting mechanical parts, making the machine run stably and durable.
Electrical components are adopted for high-performance chip, fully automatic measure of packing length, without manual adjustment of packaging film length, instead of a function of photo tracking location for color calibration. Conversing from Chinese to English edition, intelligent fault diagnosis and display error location (such as photoelectric error, a distance of travel error, etc.). Adjust the fine vibrating strength in front and back, the stuff feeding can be more accurate.
Appropriate packaging materials: with a polyethylene heat-sealing layer of compound plastic film, paper, aluminum foil composite film, etc.
There should be printed the black tags of photoelectric control on the side of the packaging material, the width of tags must be more than 5 mm, the length of tags must be more than 10 mm. The sideband printing tags are not allowed to print any other words or
logo again, avoiding causing error action.
Main structure and working principle
Structure chat as shown in figure 1, the machine consists of the machine frame 1, transmission mechanism 2, horizontal sealing 3, vertical sealing 4, feeding device 5, the delivery of film 6, electric controller, etc.
In figure 1, A is the handle of the switch film wheel for On or Off; B is the control handle for the wheel clutch.
Working principle: the stuff is sent to the turntable from the feed bin, after measuring by the adjustable measuring cup of the turntable, then go into the internal organs of the former, again sent to packaging, the bag which have vertically sealed, finally horizontal sealing and cutting, complete packing process.
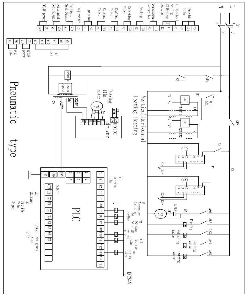
The electrical system as shown in the electrical schematic diagram, the operation can be achieved by the device installed on the electric control panel (view electrical schematic diagram).

Figure 1
- MACHINE BODY
- HORI. SEAL SYS.
- PULL FILE SYS.
- VERT.SEAL SYS.
- FEEDING PRODUCT SYS
- DRAWING FILE

Figure 2

Figure 3
putting on film schematic diagram
1) packing film; 2), 3), 5) guide roller; 4) photoelectric sensor; 6) former; 7) printer; 8) prestretching roller
Preparation before use:
- Open the wooden case and move the machine to a predetermined position carefully.
Use a soft cotton towel to wipe the machine, meanwhile check the fasteners, screws, and wire connection, they shall not be loose or slippage, or any broken electric parts. Oil the movable parts and connections. - Connect the machine with single-phase 220V power, and don’t forget grounding.
- For example use 200mm packing film, it is the same as the bag former’s size. it is suggested to fill material no more than 70% of each bag’ s max capacity, in case that material remains in sealing seams and thus, the bag can not be sealed well.
Operation
ATTENTION: the machine has been adjusted and test-run before shipping, the data in the computer are set according to buyers’ target size and material, users can make a copy of the data by pictures and notes in case they need to reset in future.
- Connect with air source and power, turn on the machine, its computer screen works.
- Set the temperature for the horizontal and vertical sealer and wait for it to approach to set number. (If the machine runs with the film left from the last performance, steps 3-7 can be ignored.)
- Thread the film via rollers and the bag former to the vertical sealer (see Figure 3, threading)
- Click on “RUN” and enter.
- Click on “JOG”, it seals vertically, when the sealer separates apart, pull the film through two wheels and clamp it.
- When the wheels clamp, press on the button “MANUAL FILM-DRAWING”, rotate the wheels rotate and lead the film downward.
- Set the film between photocell and film guilder, aim the photocell at the color mark of the film, turn on photocell by “OPEN”.
- Set packing length is the distance between two color marks.
- Fill the hopper with materials and let it flow down to the bag.
- Turn on “FILLING” and click “RUN”, the machine can start to fill and pack.
- Check the bags ’ sealing closure, accordingly adjust the temperature and pressure.
- When finishing production each time, click to stop the machine on the panel screen, shut down power and master switch, then clean the machine.
- See computer screen details in the details file.
Control panel instruction
5.1 Main Technical Parameters
- We take the newest generation of 7inch colorful touch screen, with a beautiful appearance and clear operation interface.
- It can measure packaging length, without any measurement by hand, thus it saves adjustment time.
- It has a color code localization function. Only by touching the screen slightly, you can move the photoelectric eye instead of operating by hand.
- It takes a special photoelectric catching and correction technology to improve photoelectric precision. Dark and shallow colors can be identified automatically instead of switching photoelectric eyes.
- Real-time monitoring of each function is convenient for inspection and maintenance.
- It takes the method of angle adjustment to realize the electric cam’s function, so that feed and vibration cams and proximity switches are not needed anymore.
- Functions of Quantitative Alarm and Quantitative Stop
- It has functions of no fill stop and no film stop.
- It has a localization stop function. When it stops, the seal cutter shall open to keep the film from scalding.
- Touch the screen and you can realize the adjustment of vibration time and forces.
- The colorful touch screen is integrated with a controller, with a simple structure and fewer malfunctions.
- The menu can be switched among languages of Chinese, English, and French and it is suitable internationally.
- It can diagnose malfunctions intelligently and show error locations in Chinese (e.g. photoelectric error, timeout error, etc).
- All controls are realized by software procedures and it is convenient to adjust functions and update technologies.
5.2 Basic Operation of Touch Screen
This system takes a colorful touch screen to show mechanical operation information and parameters, e.g. bag length, packaging speed, packaging quantity, etc. All visible information can be operated by touch. Only touch the characters you what to know or revise slightly, the parameters shall show automatically, then you can begin related operations.
How to use the touch screen correctly?
- Touch the screen by your forefinger or middle finger slightly, characters or pictures shall appear.
- Touch the center of the character or picture as possible as you can.
- Touch duration shall be 0.5~1.5s.
- It’s prohibited to touch the screen with a sharp object, keeping it from screen damage.
5.3 Automatic Running
Power on packaging machine, the followings shall be shown on the screen:

Click on
enter the operating interface. Before that, you can change the language.
Touch
and enter into “Run” interface as shown below:

On this interface, some real-time information such as weight, packing length, count, speed, and status shall be shown and operations such as Run/Stop, JOG, Photoelectricity ON/OFF, Filling ON/OFF, Color location, Count, Length measurement and Return shall be realized.

- Touch
, the packaging machine shall run. indicating the packaging machine is running. Click
to stop the machine. Then the Count column starts to work and the Speed column shows the current packaging speed, thus you can know the production capacity per minute of this machine.
These three buttons correspond to three functional switches- If you need to restore the count to zero , “
” Note: Cutting and quantitative stop also shall count from 0.
shows the current work status of the photoelectric eye. Touch his button, it shall change between “On” and “Off”. If color code is printed on film, make sure to switch ON this button, otherwise, photoelectric following-up shall not be realized. This button is only used to close off the photoelectric eye temporarily if an adjustment is needed. During normal working, it’s better not to touch this button.- When replace packaging films in different lengths with color codes you can press
button, the computer shall measure the film length automatically when it starts, without inputting “Packing length” by hands. If the cutters didn’t cut on
the color code, you can touch
button or
button to adjust cutting location and make sure the cutters cutting on color code properly. - During running, if stop is needed, please touch
button, the machine shall stop.
Important safety tips: please press “Stop” button (It usually is a red mushroom shape) on the machine, if in emergency, instead of touch
button on screen, because it takes shorter time to press “Stop” button on the machine. - Only in stop state, functions of“Manual film-drawing”and“JOG”in this page shall be effective and they are useful during machine adjustment. Touch
all the time, film-drawing motor shall work and the packaging film machine shall fill slowly. When other transmission mechanisms of the machine stop, move away your finger from the screen and the film-drawing motor shall stop. - ”
“Click the button to run the main motor and open and close the knife. - “Filling” button: For powder machine with screw filling, open screw filling function
5.4 Parameter Setting
Touch
, the screen shall show the following information:

- When packaging a new product for the first time, it needs to adjust the following parameters.
- The black character under white background after each parameter name shows current parameter value, touch the column, a small numerical keyboard shall appear as below:
Touch numbers on the small numerical keyboard, you will get the needed parameter value, e.g. if you want to set “Packing length” to be 200, you need to touch three keys of 2-0-0, then press “Enter”, thus “Packing length” is revised to be 200.
When it needs to modify any input digit during inputting, please press to clear it off.
If you don’t want to save the input data, you can press “Quit” and leave the small keyboard. - Detail Parameter Meanings:
3-1 “Packing length” refers to the length of the product bag which needs to be packaged, in a unit of a millimeter (mm), e.g. input 200 for 200mm.
3-2 “Film-drawing speed” can adjust the speed of the film-drawing machine and it is proper to follow up the packing speed of the packaging machine. If slower, film-drawing shall be more successful; but if too slow, missing packaging shall appear.
3-3 “Mark Compensation” is used to adjust the position of cutting bags by continuing to pull the bags after the color label sensor senses the color label.
3-4 “Lost marking shutdown”, When the normal induction color label is not available, continue to work according to the set bag length, and stop after the specified period of work. During the specified period, the color label machine is sensed to continue
working.
3-5 “length error”, allowable color mark error, recommended setting to 5-8.
3-6 “Continuous dislocation shutdown”, The setting value is the number of times that the error of bag length exceeds the allowable deviation value, and the number of times reaches the machine shutdown.
3-7 “Quantitative shutdown” refers to the automatic alarm when the number of packages reaches the preset number, while the status bar shows “Quantitative alarm”. When this parameter is set to 0, the function of “quantitative alarm” is invalid. When a
batch of products only needs to pack a certain quantity, the quantity of “quantitative alarm” can be set first. When the preset value is reached, the automatic shutdown (when the quantitative shutdown switch is set to be on) can be achieved, thus the artificial waiting time can be saved.
3-8 ” Drawing Film Delay” From the time when the sealing die is separated, the time is started and the film is drawn when the set time is reached.
3-9 “Sealing Delay”The time is counted from the end of the film drawing and the knife is sealed when the set time is reached.
3-10 “Sealing time”How long does the knife close.
3-11 “Cutter Delay” Timing begins at the end of film drawing and cutters work at the set time.
3-12 “Cutting time”How long does the cutter close. - Touch “Screw filling setting” and enter into the screw filling the setting page, you can set parameters, e.g. filling weight, etc.
The left side is screw blanking and the right side is pneumatic fluid blanking.
4-1 “Weight setting” means to set pulse quantity of screw motor actually, that is, the turns of screw motor, so as to adjust filling weight. Press “+” and “-” on the right for one time, the weight valve shall increase or decrease 1 and the weight can be finely tuned.
4-2 “ JOG filling ” , press this key constantly, screw motor shall revolve slowly.
Loosen it, the machine shall stop. This function shall be used to clear off the residue material from the screw.
4-3 “Filling speed” is used to adjust the revolving speed of the screw motor. If it is too fast, the torque of the screw stepping motor shall become smaller and affect filling precision. It is proper to follow up the revolving speed of the whole machine.
4-4 “Filling Delay” seal knife start action timing, reach the set time, start work.
4-5 “Screw motor switch”, refers to when it starts for a powder model machine and when it stops for a particle model machine。
4-6 “filling test”: Run once according to the value set by weight.
4-7 “Switching valve Delay” close the knife when the start of action timing, to achieve the set time, start work
4-8 “Switching valve time”The length of working hours.
4-9 On the right side of the “feeding delay” seal knife start action timing, reach the set time, start work
4-10 “feeding time” The length of working hours.
5.5 Auxiliary Switch
Touch
, the screen shall show the following pictures:

5-1 “front vibrat Delay” close the knife when the start of action timing, to achieve the set time, start work
5-2 “front vibrating duration” adjusts the opening time of foreshock.
5-3 The “front vibrat power” regulates the vibration intensity.
5-4 When the mode of back vibrat is “timing” mode, the function is the same as that front vibrat . When the mode is changed to on-off mode, it only works when it receives an external proximity switch signal and stops working when it is not received. It is no longer controlled by “ back vibrat delay” and “back vibrat time”.
5-5 “inflate delay” drawing film start action time, reach the set time, start work.
5-6 “inflate time” adjusts the opening time of inflation.
5-7 “delayed shutdown” When the stop button is pressed, the machine will delay setting time and stop.
5-8 “startup film-drawing” Start the machine,first stretch the length of a bag.
5.6 System Setting
Touch
, the screen shall show the following pictures:

- Y15 standby function point, select other function point number, can replace the corresponding function point.
- Roller coefficient, through adjusting the coefficient, the set bag length is consistent with the actual finished bag length.
5.7 Common Error Tips and Treatment
“Status” column in “Run” page shall show all states of packaging machine, e.g. when the following error tips appear, you can try to use the following methods to remove troubles:
“Status” column in “Run” page shall show all states of packaging machine, e.g.
when the following error tips appear, you can try to use the following methods to remove troubles:
- “Lost marking Shutdown”
1-1 When the status column shows “Lost marking Shutdown!” with “tick-tick-” alarming sound, please adjust the sensitivity of the photoelectric eye. Too high or too low sensitivity of photoelectric eye shall cause malfunctions.
1-2 Please set “Photo-electricity” to be OFF if the color code is not printed on your bag. - “length error shutdown ”When the status column shows “length error shutdown” with “tick-tick-” alarming sound. Generally, the settings of bag length are totally inconsistent with the actual distance between the two markers, or the allowable deviation value is too small.
- “Quantitative stop”Malfunctions: The packaging machine shall stop and the status column shall show “Quantitative stop!” when a proper number of packaging work is finished. Please confirm whether you are using the function of “Quantitative stop”. If not, please modify the value of quantitative stop in the page of “Product parameters” to be 0 and set the “Quantitative stop” to be OFF, this problem shall be resolved.
Temperature control instrument
- Structure of panel

PV display window: Positive value (Sampling value) display window.
SV display window: setting value display window.
AT indicator: Auto-tuning indicator light, shine for automatic tuning status.
OUT 1 and OUT 2: control the output indicator light, shine for output status, extinguish for no output status.
SET: the setting schema transformation key. - Panel button operational guide
2-1 SET button: in normal display status, short press the AT button to enter the SV modification status and SV value flashing; Long press the SET button to enter the Setting menu.
2-2 “▲” and“▼” buttons: in the SV value menu or Setting menu, short press to set the values.
2-3 In“▲” modifying SV status, long press this button can rapidly increase the SV value or menu parameter value.
2-4 In “▼” modifying SV status, long press this button to quickly reduce the SV value or menu parameter value.
2-5 After the completion of changing all parameters, need to press SET to confirm.
Maintenance
- Keep all the moving parts lubricating, and fill frequently the lubricating oil (fat).
Keep reducer the height of oil level, once lack of oil, fill into G – N680W worm gear oil.
Change the oil after 150-400 hours for new revolving, hereafter change oil for every 4000 hours. - Always keep the machine clean, in order to prevent foreign falling into the hot sealing plate or the gear and damaging the parts.
- Pay attention to machine rotating sound, check if the sound is harmonious, once hearing some noises of foreign body, ought to stop and check the machine immediately.
- Electrical failure should be examined and repaired by professional and experienced electronic technical personnel.
- Often keep the keenness of the cutter, if find that bag’s kerf is not neat enough, replace the blade immediately.
Disclaimer: because of the continuous improvement of the control system and software update of the different machines, there may be some differences from the above instruction in some individual actual operations, thanks for your understanding!
List of wearing parts
| TERM | MODEL | NO. | REMARKS (assuming it runs 8hrs each day) |
| Heating pipe | (138*160 110v | BLT101 | Suitable for 160mm horizontaUvertical sealing mold Renewal by each 3-6months. |
| Teeth blade | 160mm | BLT102 | Suitable for 160mm horizontal sealing mold Check it after 6months performance, replace it with a new one if it cuts not good enough. |
| Magnetic valve of cylinder | 220v | BLT103 | |
| Intermediate relay | DC12V | BLT 104 | It controls opening and closing of the sealers. (renewal each 2-4months) |
| Thermal couple | General type | BLT 105 | Sensitive to temperature change. |
| SSR | 3-24v | BLT 106 |
| Water valve | 13LT I 07 | Installed at exit of the hopper, above the bag former. | |
| Vertical sealing cylinder | sda40*30 | BLT 108 | |
| Horizontal sealing cylinder | SDA40*50 | BLT109 | |
| Cutter’s cylinder | SIM-10*15 | BLTI 10 | |
| Small blade | BLTI I I | For cutting bags, According to the degree of wear and tear, replacement every one to two months | |
| Tooth blade | BLT112 | For cutting bags, According to the degree of wear and tear, replacement every four to six months |
Electrical wiring diagram

![]()


















