PIKO 47230 Diesel Locomotive

Product Information
- Product Name: PIKO Art.-Nr.
- Products Included: #56301 Loco-Oil, #56300 Precision engine oiler w fine dosage
- Recommended Usage: For frequent use, apply a drop of non-resinous, acid-free sewing machine oil on the wheelsets. Run the locomotive in for 25 minutes forwards and 25 minutes in reverse without load for best possible running and traction properties. Clean rails are essential for good performance.
Product Usage Instructions
- Apply a drop of non-resinous, acid-free sewing machine oil on the wheelsets.
- Run the locomotive in for 25 minutes forwards and 25 minutes in reverse without load for best possible running and traction properties.
- Clean rails before usage as they are essential for good performance.
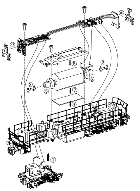
Instructions for use diesel loco
When disassembling push the hooks with a tool easily to inside

Installing Decoder
- Please save the DC Bridge!
- Not included!

PIKO Art.-Nr.:
- #56301 Loco-Oil
- #56300 Precision engine oiler w fine dosage

Change the traction tires
If used frequently, oil the wheelsets with a drop of non-resinous, acid-free sewing machine oil! In order to achieve the best possible running and traction properties, it is advisable to run the locomotive in for 25 minutes forwards and 25 minutes in reverse without load. Clean rails are essential for good performance.
Spare parts
Please order the wanted spare part with the complete spare part item number.

| Description | ET-Nr. / spare part N° | PG* |
| Body, decorated (with light bars) | 47230-01 | 12 |
| Driver cab, complete | 47230-02 | 11 |
| Windows | 47230-05 | 8 |
| Lights bars (set of 5) | 47220-06 | 7 |
| Cover Body | 47230-07 | 7 |
| Chimney | 47230-08 | 6 |
| Driving room | 47220-09 | 6 |
| Handrail front | 47230-10 | 9 |
| Handrail long-side | 47230-11 | 12 |
| Chassis, decorated | 47230-14 | 12 |
| PBuffer (set of 2) | 47221-15 | 6 |
| Motor complete | 47266-16 | 13 |
| Cross ball shaft + bushes | 47220-17 | 7 |
| Description | ET-Nr. / spare part N° | PG* |
| Motor holder | 47220-18 | 7 |
| Gear box | 47221-19 | 12 |
| Gearbox bracket | 47220-20 | 6 |
| Bogie | 47221-21 | 8 |
| Coupling hook w spring | 47221-22 | 6 |
| Coupling | 47220-23 | 6 |
| Set of screws (set of 9) | 47220-24 | 6 |
| DC Bridge | 94100-25 | 7 |
| Wheelset w friction tyres (set of 2) | 47220-26 | 9 |
| / Wheelset (set of 2) | 47220-27 | 9 |
| Main board w lightboard | 47220-28 | 15 |
| Lightboard | 47220-29 | 10 |
| Spare parts | ||
| Friction tyres (set of 10) | 46020 | |
| PIKO SmartDecoder 4.1 | 46400 |

- price category
Please note
Safety instructions in other languages, please see: www.piko-shop.de
PIKO Spielwaren GmbH • Lutherstraße 30 • 96515 Sonneberg • GERMANY
Tel. +49 (3675) 8972 – 55 (dienstags und donnerstags von 16 – 18 Uhr)




















