Q Advance Series
Riser and Tank Mounted Quiet Soilless Air Compressors
Installation, Operation and Maintenance Manual
Q Advance Series Riser and Tank Mounted Quiet Oilless Air Compressors
If there are any questions regarding installation, operation, or maintenance of this compressor, please call 800-345-8207
IMPORTANT: ALL INFORMATION SUBJECT TO CHANGE WITHOUT NOTICE.
Consult factory for the most up to date version of this manual – 1-800-345-8207.
WARNING
This product can expose you to chemicals including Cunene, which is known to the State of California to cause cancer and birth defects or other reproductive harm.
For more information go to www.P65Warnings.ca.gov
Safety & Warnings
1.1 Safety Guidelines
This manual contains information that is very important to know and understand. This information is provided for SAFETY and to PREVENT EQUIPMENT PROBLEMS. To help recognize this information, observe the following symbols.
DANGER – Danger indicates an imminently hazardous situation which, if not avoided, WILL result in death or serious injury.
WARNING – Warning indicates a potentially hazardous situation which, if not avoided COULD result in death or serious injury.
CAUTION – Caution indicates a potentially hazardous situation which, if not avoided, MAY result in minor or moderate injury.
NOTICE – Notice indicates important information, that if not followed may cause damage to equipment.
1.2 General Information
This compressor is intended for installation indoors for use on dry sprinkler systems in accordance with the Standard for Installation of Sprinkler Systems, NFPA 13 and the National Electrical Code, NFPA 70. The compressor should be sized to restore and maintain the air pressure in the sprinkler system in accordance with the requirements in NFPA 13.
General Safety Information
- Read all manuals included with this product carefully. Be thoroughly familiar with the controls and the proper use of the equipment.
- Follow all local electrical and safety codes as well as National Electrical Codes (NEC), Occupational Safety and Health Act (OSHA), and National Fire Protection Association (NFPA).
- Only persons familiar with these rules of safe operation should be allowed to use the equipment.
- Keep visitors away and NEVER allow children in the work area.
- Wear safety glasses and use hearing protection when operating the unit.
- Do not stand on or use the unit as a handhold.
- Periodic inspection and test of this equipment is required. Consult your installer and local codes to meet all requirements.
- Check all fasteners at frequent intervals for proper tightness.
Safety Notes
DANGER – This compressor is not equipped and should NOT be used “as is” to supply breathing quality air.
WARNING – Motors, electrical equipment and controls can cause electrical arcs that will ignite flammable gas or vapor. Never operate or repair in or near flammable gas or vapor. Never store flammable liquids or gasses near the compressor.
WARNING – These compressors are suitable for pumping only atmospheric air. As defined in Compressed Gas Association Pamphlet G-7, page 3, atmospheric air is a mixture of elements and compounds where nitrogen and oxygen comprise more than 99% with all other trace gasses comprising less than 1%. Do not use this compressor in contaminated environments or for pumping mixtures other than atmospheric air.
WARNING – Compressed air contains liquid water and is saturated with water vapor, which can freeze when surrounding temperatures are lower than 32 oF (0oC). Component selection to minimize the effects of water vapor must be considered.
Receiving
Your compressor is inspected at the factory and packaged to protect against shipping damage. When the compressor is unpacked, inspect for damage or missing parts. All claims should be settled directly with the freight company.
WARNING – Do not operate this compressor if damaged during shipment, handling or use. Any damage may result in failure and cause injury or property damage.
Installation Location
Locate the compressor in a clean, well ventilated area where air is relatively cool, clean and dry. A 110°F (43°C) maximum and 40°F (4.5°C) minimum temperature for surrounding and inlet air are recommended. Provide at least 12 to 18 inches of clearance from any wall or other obstruction that will interfere with airflow over and through the compressor. Blocking airflow through the fan may cause the compressor to overheat. Do not place the compressor in an area of excessive heat, such as near a boiler.
Mounting
General Information
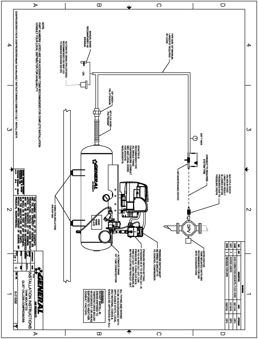
QL Series (Riser mounted units) may be mounted to a firm level floor or system riser with mounting bracket. A mounting bracket and straps are provided. Tank mounted units must be leveled and anchored to the floor; the vibration isolators (P/N KVP4X4) supplied with the unit must be used. Both tank and riser mounted units are shipped with a flex hose and a union.
The flex hose (P/N P3002MP) must be installed between the compressor or tank outlet and service piping.
4.2 Basic Instructions – Riser Plate Mounting RMK – Riser Mounting Kit Contents:
A – Mounting Straps: Each RMK comes with 3 mounting straps.
B – Riser Mounting Plate
C – Nuts, Bolts, and Washers.
Necessary for mounting the QL Bracket.
D – Mounting Hooks
Bring the mounting straps in from the back side through the left hole. Pass over the front of the plate and put the strap through the right. Repeat for straps 2 and 3.
4.2 Basic Instructions – Riser Plate Mounting (continued)
Ensure the hooks are on the top and that all three straps are fastened tight against the riser (no slack).
Straps must be 90° angle to riser for proper installation.
IMPORTANT NOTE: Torque straps screws to 35 to 40 in-lbs.
Basic Instructions – QL Mounting Bracket

1 & 2 – Use the rectangular holes on the bracket to rest it on the riser plate hooks.
A, B, C, D – Securely fasten the QL bracket to the riser plate through the slots, using the 5/16” nuts, bolts and washers from the RMK (riser mounting kit).
IMPORTANT NOTE: Torque bolts to 12 ft-lbs

Before mounting the compressor, check that the top surface of the QL bracket is level and parallel to the top edge of the riser plate.
The compressor comes rubber feet which have ¼-20 threaded studs on both ends. Install the rubber feet male stud onto the mounting bracket and hold in place with ¼” locknut. Mount the compressor onto the studs on the mounting bracket and secure with ¼-20 locknuts.
NOTE: Each QL model has different mounting feet. Mounting holes for all compressors are provided on the QL bracket.
IMPORTANT NOTE: Torque threaded feet to 6 ft-lbs.

A – Mounting holes used for compressor model QLRV13525AC
B – Mounting holes used for compressor model QLRV25050AC
C – Mounting holes used for compressor model QLRV500100AC
Lubrication
NOTICE – This compressor is designed for non-lubricated service. Bearings are permanently lubricated. Do not lubricate any part of the compressor or motor.
Piping
Piping Instructions
WARNING – Compressed air contains liquid water and is saturated with water vapor, which can freeze when surrounding temperatures are lower than 32°F (0°C). Component selection to minimize the effects of water vapor must be considered.
Piping between the compressor, accessory items and the sprinkler system must be at least ½” internal diameter to minimize pressure drop from the compressor to system. Larger pipe size may be required by code and may be substituted with no adverse effects.
NOTICE – Smaller line size must not be used and will restrict the compressor flow, lowering capacity and causing the compressor/motor to work harder, which shortens compressor/motor life. All piping connected to the compressor must be fully supported and not transfer any loads to the compressor.
If an AMD-1 is used, allow sufficient distance between the compressor and AMD-1 to ensure that the maximum temperature at the AMD-1 is 200°F or less.
NOTICE – When an AMD is used with riser mounted units, a riser mounted tank kit (P/N OLR-TK) is recommended to prevent short cycling the compressor.
All soilless compressors include An ASME marked relief valve. For riser mounted models, the relief valve is installed on the compressor. For tank mounted models, an ASME Code relief valve is mounted on the compressor tank. This valve will open at a preset value above the pressure switch setting to prevent excess tank pressure in the event of a switch failure.
WARNING – Do not attempt to change the safety relief valve setting.
An automatic drain valve is provided on each tank mounted compressor. Drain timing is controlled by the digital pressure switch and may be adjusted if required. A manual drain is provided on the bottom of each tank mounted compressor. Moisture accumulated in the tank must be drained weekly.
The compressor outlet piping should contain an accessible drain. As a minimum a manual drain may be used, but an automatic drain is recommended to remove excess water.
NOTICE – Accumulation of condensed water in the system can cause corrosion of components and reduction of system capacity.
NOTICE – Warranty is void if a separate check valve is not installed to prevent water backflow to compressor.
6.2 QL Series Riser Mounted Quiet Soilless Air Compressor Installation Drawing

6.3 QLT Series Tank Mounted Quiet Soilless Air Compressor Installation Drawing
6.4 Maintenance Compressor Installation Instructions

Wiring
Wiring Instructions
WARNING – Wiring should be in accordance with the national electrical code and any local codes or regulations. Have a licensed and competent electrician ensure that the voltage supplied matches the compressor voltage.
COUTION – Inadequate wiring size can cause insufficient voltage at the compressor during start-up. Overheating and damage can result to the motor and controls.
NOTICE – Failure to use the pressure switch may result in overpressure of the compressor or other components in the system. Overpressure of the compressor can result in blown head gaskets or other damage.
NOTICE – Grounding Instructions: This product must be connected to a grounded, metallic, permanent wiring system, or an equipment grounding terminal or lead on the product.
The supply wire must be of adequate size and no other equipment should be connected to the same line. The below table lists the recommended wire size for each model based on a 100’ run and lowest operating voltage. Consult factory for longer runs.
60 Hz Models 115V/1/Ph/60 Hz
Minimum Recommended Wire Size
| Model # | 1 Phase |
| QLRV13525AC | 12 AWG |
| QLRV25050AC | 10 AWG |
| QLRV500100AC | 8 AWG |
| QLTV13525ACT | 12 AWG |
| QLTV25050ACT | 10 AWG |
| QLTV500100ACT | 8 AWG |
50 Hz Models 220-240V/1/Ph/50 Hz
Minimum Recommended Wire Size
| Model # | 1 Phase |
| QLRV44020AC-50 | 3 mm2 |
| QLRV78040AC-50 | 6 mm2 |
| QLRV156075AC-50 | 8.5 mm2 |
| QLTV44020AC-50 | 3 mm2 |
| QLTV78040AC-50 | 6 mm2 |
| QLTV156075AC-50 | 8.5 mm2 |
NOTICE – Single-phase motors include internal thermal overload protection, which has an automatic reset device.
WARNING – Disconnect electrical power before servicing to disable reset devices. Thermal protection can automatically start the motor when the protector resets.
A motor starter is recommended, for all single phase models. Consult the National Electric Code and local codes for motor starter requirements. Refer to the proper wiring instruction drawing for recommended wiring to a starter.
If a pair of contacts is needed to energize an alarm showing the compressor is running:
De-energize the unit. Remove the neutral line from the pressure switch and the corresponding neutral leg on the motor side of the switch. Tie these together with a wire nut safely in the switch housing. This will put the neutral into a non-switching state, which is acceptable. the switch contacts that were used by the neutral line are now available and can be utilized for alarm switching. Be sure to comply with all local and National code requirements if mixed voltages are being used. If using other than 115V an auxiliary relay in the alarm control panel is recommended. Consult with the manufacturer if there are any questions on this arrangement.
Oilless Air Compressor Single Phase Wiring Drawing

Maintenance Instructions
WARNING Disconnect, tag and lock out power source then release all pressure from the system before attempting to install, service, relocate or perform any service.
NOTICE Maintenance instructions for General Air Products lubricated air compressors:
The following instructions are based on normal operation. If the compressor is in an excessively dusty area, increase frequency of maintenance checks.
Quarterly and as needed:
– Drain condensate from air receiver and traps and/or test automatic drains for functionality
– Check for unusual noise or vibration
– Clean air filters (only with non-petroleum products)
– Clean all external parts of the compressor and motor, inspect for physical damage
– Electrical power wiring to the compressor is intact and free of physical damage
– Piping from compressor to the fire protection system is secure, tight and free of physical damage
– Isolate compressor from system and inspect for leaks
– Manually test safety relief valve
– Check pulley set screws for tightness
– Check belt tension and wear
– Tighten all fittings, nuts and screws as needed
Annually and as needed:
All quarterly checks plus the following:
– Change air filter
NOTICE The maintenance instructions below are per NFPA 25 Code Requirements:
13.10.2 – Inspection
Air Compressors dedicated to water-based fire protection systems shall be inspected monthly to verify the following:
- Air Compressor is free of physical damage.
- Power wiring to the air compressor is intact and free of physical damage.
- Piping from the air compressor to the fire protection system is intact and free of physical damage.
- The means of anchoring the air compressor to the structure or to the system piping is secure, tight, and free of physical damage.
- Air compressors requiring oil have the required amount of oil in the oil reservoir.
Testing
Air Compressors dedicated to water-based fire protection systems shall be tested annually to verify the following:
- Air compressor operates as intended on the proper drop of air pressure in the fire protection system.
- Air compressor restores normal air pressure in the fire protection system in the required time frame.
- Air compressor does not overheat while running.
Maintenance
Air Compressors dedicated to water-based fire protection systems shall be maintained in accordance with the manufacturer’s instructions (see above instructions).
If there are any questions regarding installation, operation, or maintenance of this compressor, please call 800-345-8207
Troubleshooting Guide
| Symptom | Possible Cause(s) | Corrective Action |
| Motor hums and runs slowly or not at all. | 1.Low or no voltage 2.Shorted or open motor winding 3.Defective check valve 4.Defective pressure switch 5.contacts will not close | 1.Check voltage during start. Voltage must be within +/- 10% of nominal voltage to start motor. Increase wire size if necessary, to lower voltage drop. 2.Replace compressor 3.Replace check valve4. Repair or replace pressure switch |
| Reset mechanism cuts out or fuses blow repeatedly | 1.Insufficient voltage to motor 2.Pressure switch set too high 3.Wrong fuse size 4.Piping too restrictive 5.Defective motor | 1.Check voltage during start. Voltage must be within +/- 10% of nominal voltage to start motor. Increase wire size if necessary, to lower voltage drop. 2.Consult factory, adjust or replace 3.Be sure fuses, heaters and/or overloads are properly rated or set 4.Add receiver vessel or increase pipe volume after compressor 5.Consult factory |
| Unit shod cycles repeatedly | 1.Piping too restrictive 2.Air leaks | 1.Add receiver vessel or increase pipe volume after compressor 2.Repair leaks |
| Compressor overheating | 1.Dirty intake filter 2.Wrong motor rotation 3.Air flow to fan blocked | 1.Clean intake filter 2.Correct rotation 3.Clean air flow to fan or relocate unit |
| Excessive noise in operation | 1.Damaged bearings Worn p cup 2.piston cu 3.Broken valves 4.Loose fan 5.Damaged fan guard | Contact General Air Products for technical support by calling 800-345-8207 |
| buss Yes Idtesmslo Pwrelsysure | 1.Compressor sized incorrectly 2.Leaks or restrictions in piping 3.Dirty intake filter | 1.Check system size and compressor sizing 2.Correct leaks and remove restrictions 3.Clean intake filter |
| Reset Button is Tripped | 1.Motor Overload 2.Overheating | 1.Disconnect the compressor power source. 2.Ensure that the wiring and power source used conform to the specifications required by the compressor. 3.Wait approximately 5 minutes for the compressor to cool down, then press the reset button. 4.Start up, if the motor still stops during operation, please contact the manufacturer. |
Warranty Policy
GENERAL PROVISIONS & LIMITATIONS
General Air Products, Inc. (the “Company”) warrants to each original purchaser (“Purchaser”) of its new products from the Company or its Authorized Distributor that such products are, at the time of delivery to the Purchaser, made with good materials and workman- ship. No warranty is made with respect to:
- Any product, which has been repaired or altered in such a way, in the Companies judgment, as to affect the product adversely.
- Any product, which has, in the Companies judgment been subjected to negligence, accident, improper storage, improper installation or application.
- Any product, which has not been operated or maintained in accordance with the recommendations of the Company.
- Components or accessories manufactured, warranted and serviced by others.
- Any reconditioned or prior owned product.
Claims for items described in 4. above should be submitted directly to the manufacturer.
WARRANTY PERIOD
The Company’s obligation under this Warranty is limited to repair or, at its option, replacing during normal business hours at the designated facility of the Company, any part that in its judgment proved not to be as warranted within the applicable Warranty Period as follows.
COMPONENTS
All non-consumable components are warranted for 12 months from the date of purchase. Consumables are not covered under warranty. The unit must have been installed by either a factory authorized distributor or agent in accordance with the factory recommendations taking into account all other local site conditions not originally noted to the factory. The unit must be operated and maintained in accordance with the Factory recommendations and original design conditions. Failure to provide such proof of the above may void warranty.
LABOR TRANSPORTATION & INSPECTION
The Company will repair or replace any product or part thereof which in the Companies judgment is proved to be not as warranted. Labor costs are not covered under warranty.
All costs of transportation of product, labor or parts claimed not to be as warranted and, of repaired or replaced parts to or from factory shall be borne by purchaser. The Company may require the return of any part claimed not to be as warranted to one of its facilities as designated by the Company, transportation prepaid by Purchaser, to establish a claim under this warranty.
Replacement parts provided under the terms of the warranty are warranted for the remainder of the Warranty Period of the product upon which installed to the same extent as if such parts were original components.
DISCLAIMER
THE FOREGOING WARRANTY IS EXCLUSIVE AND IT IS EXPRESSLY AGREED THAT, EXCEPT AS TO TITLE, THE COMPANY MAKES NO OTHER WARRANTIES, EXPRESSED OR IMPLIED OR STATUTORY, INCLUDING ANY IMPLIED WARRANTY OR MERCHANTABILITY.
THE REMEDY PROVIDED UNDER THIS WARRANTY SHALL BE THE SOLE, EXCLUSIVE AND ONLY REMEDY AVAILABLE TO THE PURCHASER AND IN NO CASE SHALL THE COMPANY BE SUBJECT TO ANY OTHER OBLIGATIONS OR LIABILITIES. UNDER NO CIRCUMSTANCES SHALL THE COMPANY BE LIABLE FOR SPECIAL, INDIRECT, INCIDENTAL OR CONSEQUENTIAL DAMAGES, EXPENSES, LOSSES OR DELAYS HOWSOEVER CAUSED.
No statement, representation, agreement, or understanding, oral or written, made by any agent, distributor, representative or employee of the Company which is not contained in this Warranty will be binding upon the company unless made in writing and executed by an officer of the Company.
This warranty shall not be effective as to any claim which is not presented within 30 days after the date upon which the product is claimed not to have been as warranted. Any action for breach of this warranty must be commenced within one year after the date upon which the cause of action occurred.
Any adjustment made pursuant to this warranty shall not be construed as an admission by the Company that any product was not as warranted.
PROMPT DISPOSITION & RETURNS POLICY
The Company will make a good faith effort for prompt correction or other adjustment with respect to any product, which proves to be defective within the warranty period. Before returning any product, write or call the distributor, agent or authorized company from which the product was purchased, describing defect and giving date and number of original invoice, as well as proof of Factory supplied consumables and proof of scheduled maintenance. No products will be accepted for return without the Company issuing a “Returned Goods Authorization” (RGA) to the Purchaser and unless accompanied by a properly authorized RGA request form initiated by the Purchaser. Return freight must be prepaid and each returned product must have the RGA number clearly marked on the product. Title and risk of loss pass to buyer upon delivery to the common carrier.
PRODUCT SUITABILITY
Many States, Localities and Countries have codes and regulations governing sales, construction, installation, and/or use of products for certain purposes, which may vary from those in neighboring areas. While General Air Products, Inc. attempts to assure that its products comply with such codes, it cannot guarantee compliance, and cannot be responsible for how the product is installed or used?
Before purchase and use of a product, please review the product application, and national and local codes and regulations, and be sure that the product, installation, and use will comply with them.
General Air Products, Inc.
118 Summit Drive
Exton, PA 19341
P: 610-524-8950
F: 610-524-8965
Call 1-800-345-8207
or visit our web site for our complete product listing
www.GeneralAirProducts.com














