Adexa YSD-1AE Electric Convection Oven User Manual
- Thank you for purchasing the Electric Baking Oven.
- To ensure proper operation, please read this manual carefully before using.
- After reading, keep this manual in a convenient place for further reference.
SAVE THESE INSTRUCTIONS
Be Sure to Read this for Safety
Thoroughly read this section before you operate oven in order to become familiar with appropriate operation and to avoid accidents.
Notices on installation
WARNINGS
- Installing the oven, in a location free from rain and snow, and near the fire extinguisher.
- A wet oven can be a source of electrical shock and the oven can be damaged.
- Be sure to install complying with industry standards. Incomplete installation can cause stumbling accidents, electrical shock, fire or water leakage.
- The rubber feet must be installed on the equipment firmly. Do not use the oven without feet.
- Do not install any equipment on the floor.
- Do not carry the oven by yourself. Ask for another’s help. The oven should not be carried by one person; otherwise it may be dropped and cause injury.
- Be sure to install the oven on a flat and solid surface. Otherwise the unit may topple over, causing injury or burns, or water in the unit may overflow.
If someone suffers burns, cool the affected part with cold water and have them see a doctor immediately. - Be sure to provide with clearance of at least 4 inches (10cm) between the unit and walls.
Insufficient clearance may cause generated heat to damage the other ambient products. - Remove all the adhesive film which cover the body surface before using.
- Be sure to connect the power cord complying with industry standards.
- Check the power supply to see if it can satisfy the specification of the oven. The working voltage range can not out of ±10% when the oven working.
Violating this standard can cause electrical shock or fire. If you cannot identify the specification of the power supply used, consult the supplier. - Be sure to connect a ground wire to the oven.
Operating the oven without grounding it can cause electrical shock or fire by a short circuit. - A bi-pole switch must be installed between the oven and the power.
- Do not bundle the power cord; otherwise a fire can be cause.
- Do not step on, squeeze, or forcedly twist the power cord; otherwise the power cord can be damaged, causing electrical shock or fire.
If your power cord has been damaged, consult the supplier for replacement.
Notices on operation
WARNINGS
- Do not operate any switch with a wet hand; otherwise, you can get an electrical shock.
- Do not use combustibles (e.g., thinner), combustible gases, or volatile matter near the oven; otherwise explosion or fire can be caused.
- Do no put anything on the oven while using oven. The heat could cause deformation, cracking, etc.
- Be careful not to burn yourself during use or immediately after use.
- The metal parts and glass window of the door become extremely hot during use; be careful not to touch them when opening and closing the door.
- Do not immerse the heater. If a drop of water gets into the heating element from the connecting part, it may cause a short circuit or other defects.
- When hot, do not apply water to the glass window. It may cause the glass to break.
- Do not touch any place except for the handle and switch during heating, otherwise you can suffer burns since the body is very hot.
- If the oven has been submerged due to a disaster or other problem, replace all electric parts and wiring.
Otherwise, electrical shock or fire can be caused. - Maintain the contents products with the food hygiene laws.
Inappropriate daily hygiene maintenance can cause accidents. - Consult a specialty repair shop or the store where you purchased the oven for repairs.
Incomplete repairs can cause electrical shock, burns, fire or stumbling. - If the earth leakage breaker operates frequently, consult a specialty repair shop or the store where you purchased the oven for repair.
If you continue to use the oven without repair, electrical shocks or files can be caused. - Do not disassemble the oven; otherwise accidents can be caused.
- When removing dirt on the oven, do not use chemicals, such as thinner or benzine; otherwise accidents can be caused.
- Do not stack the oven by three or more heavy (120Kg(280lb)); otherwise stumbling accidents or injuries can be caused.
- Clean the inside of the storage daily; otherwise defects or bad smell can be caused.
- Note that some extra steam may be released from a drainage pipe behind the oven (for YSD 2A, YSD-4A).
- The unit is equipped with a micro-switch. When the door is opened, the motor fan would stop working.
Purpose of Using the Oven
The oven was designed only to be used baking cakes, pies, cookies, poultry, beef, pork, bread, steak, etc.
Do not use for other purposes.
Do not warm up carbonated drinks in cans or bottles; otherwise the containers can explode, causing injuries.
Using the Oven
Preparations before using
- Feet assembly
- The feet are placed inside the appliance and must be assembled. Do not use the appliance without feet.
- Screw the support feet to the bottom of the appliance.
- Adjust the appliance height by screwing or unscrewing the feet themselves.
- Positioning
- Install the oven on a flat and solid surface.
- Remove the protective film.
- Take out the tray from the body and wash it.
- Wipe the inside and outside of the oven with a damp cloth. Then, wipe with dry cloth.
- Electrical connection
- Before connecting make sure that the voltage and the frequency correspond to that stated on the Rating Plate on the appliance.
- Place a bi-polar switch between the appliance and the network accessible after installation, whose contacts have a minimum opening distance of 3mm, with an appropriate input.
- The appliance must be connected to the ground line of the network.
- The appliance must be included in an equipotential system whose efficiency must be suitably checked according to that stated in the Standard. This connection is carried out between different appliances with the terminal marked by the.
- The equipotential conductor must have a minimum section of 10 mm2.
- Connect the power cord to the power supply source. Be sure the power cord is strongly kept in position.
- Water connection (for YSD-2A, YSD-4A only)
Water connection to the network:
- Connect the decalcified water inlet ducts placed on the back of the oven to the specific distribution network by means of a mechanical filters and a cut-off cock.
- Before connecting the filters let a certain quantity of water flow to clean the duct from any ferrous slag.
- The water must have a hardness between 0.5o -5o F in order to reduce the formation of limestone deposits and a pressure value between 0.5-2 bar.
- The quantity of water which has to be vaporized inside the oven must be regulated by means of the “micro-cock” placed in the rear part of the appliance.
- Regulate the micro-tap to inject only a trickle of water on the fan. A excess of water can cause a quantity of condensation too much elevated and flood the baking chamber.
Condensation water drain:
- The draining of the steam condensation water is positioned in the rear part of the oven and is to be connected with a rigid or flexible pipe and convoyed to an open drain. Its diameter must not be lower than that of the drain attachment and the length not greater than one metre.
- The drain pipe must remain at least 20 cm below the drain attachment in order to facilitate the downflow.
- Avoid chokes on the flexible ducts or elbows for metallic ducts, along all the run of drain
Instruction for Use
Note that the “Convection cooking” function and the “Upper heater cooking” function work independently. You can not use the two functions at the same time.
How to use Timer
- Set the time switch knob to the number which indicates the cooking time according to the food you are going to cook.
- Set the Timer by turning it clockwise. The oven will turn off automatically at the end of the selected time and a bell will ring.
- The oven can be turned off manually during cooking by turning the Timer counter-clockwise to the “0” position.
Convection cooking
- Turn on the power of the oven.
- Set the Temperature Control to desired temperature(0-300°C).
- Turn the Timer to desired time(0-120min). The Temperature Light, Timer Light, and the inside lamp are on.
- The Temperature Light will be off when the temperature rise to the desired temperature. Then it will on when the temperature lower down. This process will be circulated automatically.
Using steam function
- Turn on the power of the oven.
- Set the Temperature Control to desired temperature(0-300°C).
- Turn the Timer to desired time(0-120min). The Timer Light, Temp Light and the inside lamp are on.
- Push the Steam Button, it injects humidity inside the baking chamber by manual pulses. The Steam light is on.
Note:
- Do not push the button for a long time.
- Some extra steam may be released from a drainage pipe behind the oven.
Using Upper Heater for cooking
- Turn on the power of the oven.
- Set the Upper Heater’s Temperature Control to desired temperature(0-300°C).
- Turn the Timer to desired time(0-120min). The Upper Heater’s Light, Timer Light, and the inside lamp are on.
- The Upper Heater’s Light will be off when the temperature rise to the desired temperature. Then it will on when the temperature lower down. This process will be circulated automatically.
Maintenance of oven
Replacing water
WARNING
- When inspecting, cleaning, or maintaining the body, be sure to turn off the power switch and disconnect the power supply; otherwise or you can get electrical shock caused by a short circuit.
- Clean the inside of the oven daily to keep it clean.
- Turn off the power switch and disconnect the power cord from the supply.
- Open the door and leave it for at least 10 minutes to lower the temperature in the oven.
- Wipe the oven using a damp cloth.
Storing the Oven
- When not in use, turn off the power switch and disconnect the power cord from the supply.
- Bundle up the power cord and put the bundle on the body.
- Cover the body with a plastic bag and pack it in a corrugated cardboard box. Store it in a location with low humidity.
Specifications
| Model | YSD-1AE | YSD-1A | YSD-2A | YSD-3A | YSD-4A |
| Product dimension | 595 x 530 x 570 mm | 595 x 530 x 570 mm | 595 x 530 x 570 mm | 595 x 530 x 570 mm | 595 x 530 x 570 mm |
| Chamber material | Ceramic coating | Stainless steel | Stainless steel | Stainless steel | Stainless steel |
| Chamber size | 460 x 375 x 360 mm | 460 x 375 x 360 mm | 460 x 375 x 360 mm | 460 x 375 x 360 mm | 460 x 375 x 360 mm |
| Supply voltage | 220-240V/50Hz | 220-240V/50Hz | 220-240V/50Hz | 220-240V/50Hz | 220-240V/50Hz |
| Functions | Convection | Convection | Convection + Steam | Convection + Grill | Convection + Steam+ Grill |
| Rated | 2670W | 2670W | 2670W | 2670W (for convection heater)+2000W (for upper heater) | 2670W (for convection heater)+2000W (for upper heater) |
| Lighting Power | 30W | 30W | 30W | 30W | 30W |
| Safety device | Temperature fuse 360°C | Temperature fuse 360°C | Temperature fuse 360°C | Temperature fuse 360°C | Temperature fuse 360°C |
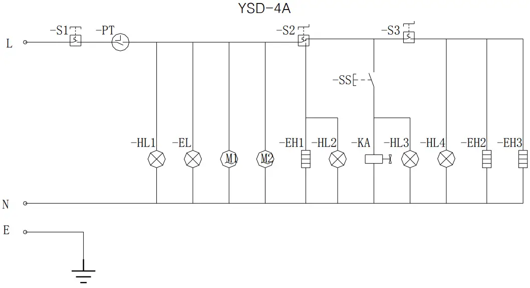
Electric circuit diagram




EH1—Upper Heater EH2、EH3— Main Heater EL—Inside Lamp M1、M2—Convection fan
SS—Micro-active Switch KA—Magnetic Valve S3—Thermostat for Main Heater
S2—Thermostat for Upper Heater S1—Fuse PT—Timer HL1~HL4—Pilot Light
EC Declaration of Conformity
Adexa Direct Limited declares that:
Equipment Type: Electric convection oven
Model: YSD-1A, YSD-2A, YSD-3A, YSD-4A, YSD-1AE
Imported By: ADEXA DIRECT LIMITED GROUND FLOOR UNIT 1 214 PURLEY WAY CROYDON CR0 4XG LONDON, UNITED KINGDOM
Brand: ADEXA
Application of Council Directive(s): EMC 2014/30/EU LVD 2014/35/EU
Standards:
EN 55014-1:2017+A11:2020
EN IEC 61000-3-2:2019
EN IEC 61000-3-3:2013+A1:2019
EN 55014-2: 2015
EN 60335-1:2012+A11:2014+A13:2017+A1:2019+A2:2019+A14:2019
EN 60335-2-42:2003+A1:2008+A11:2012
EN 62233:2008
I, the undersigned, hereby declare that the equipment specified above conforms to the above Directive(s) and Standard(s).
Declaration of Conformity
Adexa Direct Limited declares that:
Equipment Type: Electric convection oven
Model: YSD-1A, YSD-2A, YSD-3A, YSD-4A, YSD-1AE
Imported By: ADEXA DIRECT LIMITED GROUND FLOOR UNIT 1 214 PURLEY WAY CROYDON CR0 4XG LONDON, UNITED KINGDOM
Brand: ADEXA
Application of Council Directive(s): Electromagnetic Compatibility Regulations 2016 and Electrical Equipment(Safety) Regulations 2016 by UK legislation
Standards:
BS EN 55014‐1:2017+A11:2020
BS EN IEC 61000‐3‐2:2019
BS EN IEC 61000‐3‐3:2013+A1:2019
BS EN 55014‐2: 2015
BS EN 60335‐1:2012+A11:2014+A13:2017+A1:2019+A2:2019+A14:2019
BS EN 60335‐2‐42:2003+A1:2008+A11:2012
BS EN 62233:2008
I, the undersigned, hereby declare that the equipment specified above conforms to the above Directive(s) and Standard(s).
ADEXA DIRECT LIMITED
GROUND FLOOR UNIT 1 214 PURLEY WAY CROYDON CR0 4XG LONDON UNITED KINGDOM
T: +44 1483 931040
[email protected]
www.adexa.co.uk




















