Adexa ER-266X Electric Rotary Oven

WARNING
- This product must be ground connected before being used.
- In process of roasting or when the temperature is over 100℃, the user should prevent cold water from splashing down to toughened glass with high temperature.
- In process of using users should wear protective gloves in case of being scalded.
- Do not use a water pipe to wash it when cleaning. YXD series electric rotisseries are designed by advantages of overseas products. They have features of the new style, reasonable structure, easy operation, temperature raises fast, fine warming result and save energy. The stove door is made of high temperature-persisting toughened glass which cab bear more than 300℃. There is a lighting lamp inside the chamber, in process of roasting users can observe the quality of the roasted products. Also, the oven can be a display cabinet for roasted food It is special equipment for fast-food restaurants and barbecue rooms.
Basic parameter
| Name | Model | Voltage (V) | Frequency | Power (kW) | Dimension (mm) |
| Electric Rotisserie | ER-268X | 400 | 50Hz | 6 | 1010x630x800 |
| Electric Rotisserie | ER-266X | 400 | 50Hz | 4.5 | 810x630x610 |
Transportation
During transportation, the machine should be carefully handled and prevented from shaking. The packaged machine should not be stored in open-air long. It should be put in a ventilated warehouse without causticity gas. And it should not be put upside down. If it needs to be stored in open-air temperately, measurement against rain is needed.
Safety guarding
- This product should be put in a smooth place. Its two sides are recommended to be put more than 10cm from any obstacles and its back is over 20cm.
- The using voltage must be coordinated with the supplied voltage.
- The user should install a suitable power switch, fuse, and protection against leaking electricity. Do not put anything in front of this product for sake of easy operation.
- There is a grounding screw behind this oven. The grounding blot should be connected with more than 2.5square mm copper wire according to safety rules for safety sake.
- Power cord draws with yellow and green two-ground wire. The user should use a copper bolt to link up this ground wire and another safe one.
- Before using this product, please check al parts and power supply and ground connection.
- If user changes power cord, please use the same type of electric cord and this should be done by professional technicians.
- The connection and maintenance of this product should be done by professional technicians.
Instruction
- According to the user’s need, the user can control this equipment by the front control panel of it.
- Get through electricity, power indicator is on. Then rotate the temperature control instrument or temperature controller to the needed degree, at that time the heating indicator is on, the electric tube begins to work. When the temperature rises to the needed temperature, the temperature control instrument/temperature controller can cut off electricity automatically, at the same time heating indicator is off and the electric heating tube stops working. When the temperature lowers a little, temperature control instrument/temperature controller can get through electricity automatically, the heating indicator is on, the electric heating tube regains heating, then the temperature rises. It repeats to make sure the temperature in the chamber is certain in the setting range.
- If user wants to light. Users can turn on the lighting lamp in order to preserve the condition of roasting food.
- In process of roasting turn on the rotating switch to make food be heated evenly. When food is finished roasting, the user should stop rotating and take out food.
- The user should clean the oil plate in time when oil is over half of receiving oil plate in case of overflowing.
- According to different food, the user adjusts the temperature user needs to make food have an ideal roasted result.
- If the temperature limiter works unusual in process of using, the user should stop it from working and check it and solve problems and reset the limiter button, then goes on using it.
Cleaning and maintenance
- When cleaning user should cut off electricity in case of an accident.
- Every day after using user can use a wet towel with a cleaner that is not corrosive to clean the surface of the stove and main cord. Do not use water to wash it directly in case of destroying electric function.
- Clean water in receiving oil plate in time when using clean equipment in case of water overflowing.
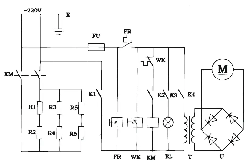
Circuit diagram
- R1~R6—ELECTRIC HEATING TUBE
- K1—STOPPING SWITCH
- K2—HEATING SWITCH
- K3—LIGHTING SWITCH
- K4—ROTATING SWITCH
- WK—TEMPERATURE CONTROLLER INSTRUMENT KM—CONTACTOR
- FR—CIRCUIT BREAKER
- EL—LIGHTING LAMP
- T—TRANSFORMER
- U—RECTIFIER
- M—DIRECT-CURRENT MOTOR




















