Installation & Operation Manual
Marathoner Gold Half-Size
Electric Convection Ovens
EH-10CCH, EH-10SC, EH-10TC
EH-20CCH, EH-20SC & EH-20TC

EH-10CCH Marathoner Gold Half Size Electric Convection Ovens
WARNING
Improper installation, adjustment, alteration, service or maintenance can cause property damage, injury or death. Read the installation, operating and maintenance instructions thoroughly before installing or servicing this equipment.
SAFETY PRECAUTIONS
Before installing and operating this equipment, be sure everyone involved in its operation is fully trained and aware of precautions. Accidents and problems can be caused by failure to follow fundamental rules and precautions.
The following symbols, found throughout this manual, alert you to potentially dangerous conditions to the operator, service personnel, or to the equipment.
DANGER
This symbol warns of immediate hazards that will result in severe injury or death.
WARNING
This symbol refers to a potential hazard or unsafe practice that could result in injury or death.
CAUTION
This symbol refers to a potential hazard or unsafe practice that could result in injury, product damage, or property damage.
NOTICE
This symbol refers to information that needs special attention or must be fully understood, even though not dangerous.
IMPORTANT NOTES FOR INSTALLATION AND OPERATION
WARNING
FIRE HAZARD FOR YOUR SAFETY
Do not store or use gasoline or other flammable vapors and liquids in the vicinity of this or any other appliance.
Keep area around appliances free and clear of combustibles.
Purchaser of equipment must post in a prominent location detailed instructions to be followed in the event the operator smells smoke. Obtain the instructions from the local electrician/installer.
WARNING
SHOCK HAZARD FOR YOUR SAFETY
Do not open panels that require the use of tools.
Unit must be cleaned daily and properly maintained to reduce chances of unsafe operating conditions.
NOTICE
Be sure this Operator’s Manual and important papers are given to the proper authority to retain for future reference.
NOTICE
This product is intended for commercial use only. NOT FOR HOUSEHOLD USE.
NOTICE
This manual should be retained for future reference.
Marathoner Gold Half-Size Electric Convection Ovens
Congratulations! You have purchased one of the finest pieces of heavy-duty commercial cooking equipment onthe market.
You will find that your new equipment, like all Southbound equipment, has been designed and manufactured to meet the toughest standards in the industry. Each piece of Southbound equipment is carefully engineered and designs are verified through laboratory tests and field installations. With proper care and field maintenance, you will experience years of reliable, trouble-free operation. For best results, read this manual carefully.
RETAIN THIS MANUAL FOR FUTURE REFERENCE.
Read these instructions carefully before attempting installation. Installation and initial startup should be performed by a qualified installer. Unless the installation instructions for this product are followed by a qualified service technician (a person experienced in and knowledgeable with the installation of commercial gas an/or electric cooking equipment) then the terms and conditions on the Manufacturer’s Limited Warranty will be rendered void and no warranty of any kind shall apply.
In the event you have questions concerning the installation, use, care, or service of the product, write to:p
Southbend Technical Service
1100 Old Honeycutt Road
Fuquay Varina, North Carolina 27526 USA
The serial plate is located on the interior side of the lower front panel, as shown below.

Specifications
NOTICE
The appliance, when installed, must be electrically grounded and comply with local codes, or in the absence of local codes, with the National Electrical Code, ANSI/NFPA 70, or the Canadian Electrical Code, CSA C22.2, as applicable.
Southbound reserves the right to change specifications and product design without notice. Such revisions do not entitle the buyer to corresponding changes, additions, or replacements for previously purchased equipment.
This product is intended for commercial use only, not for household use.
Electricity Supply
The following table lists the electricity supply requirements PER OVEN (double for dual-oven models).
| Supply Voltage | Oven Component | Total kW | 3-Phase Loading (kW/phase) | Nominal Amperes per Line-Wire | Minimum Supply Wire (AWG) Size | ||||||
| L1-L2 | L2-L3 | L1-L3 | L1 | L2 | L3 | 1-Phase Total | 3-Phase | 1-Phase | |||
| 480 | Heating Elements | 7.50 | 2.50 | 2.50 | 2.50 | 11.0 | 11.0 | 11.0 | 18.0 | 12 | 10 |
| Motor & Controls | 0.90 | 0.00 | 0.00 | 0.90 | 2.2 | 0.0 | 2.2 | 2.2 | |||
| 415 | Heating Elements | 7.50 | 2.50 | 2.50 | 2.50 | 11.0 | 11.0 | 11.0 | 34.0 | 12 | 6 |
| Motor & Controls | 0.90 | 0.00 | L3-N | 0.90 | 0.0 | 0.0 | 3.8 | 3.8 | |||
| 380 | Heating Elements | 7.50 | 2.50 | 2.50 | 2.50 | 12.0 | 12.0 | 12.0 | 20.0 | 12 | 8 |
| Motor & Controls | 0.90 | 0.00 | L3-N | 0.90 | 0.0 | 0.0 | 4.1 | 4.1 | |||
| 240 | Heating Elements | 7.50 | 2.50 | 2.50 | 2.50 | 19.0 | 19.0 | 19.0 | 33.0 | 8 | 6 |
| Motor & Controls | 0.90 | 0.00 | 0.00 | 0.90 | 3.8 | 0.0 | 3.8 | 3.8 | |||
| 220 (50Hz) | Heating Elements | 6.40 | 1.91 | 1.91 | 1.91 | 17.0 | 17.0 | 17.0 | 29.0 | 8 | 6 |
| Motor & Controls | 0.90 | 0.00 | 0.00 | 0.90 | 4.1 | 0.0 | 4.1 | 4.1 | |||
| 208 | Heating Elements | 7.50 | 2.50 | 2.50 | 2.50 | 21.0 | 21.0 | 21.0 | 36.0 | 8 | 4 |
| Motor & Controls | 0.90 | 0.00 | 0.00 | 0.90 | 4.3 | 0.0 | 4.3 | 4.3 | |||
An electrical diagram is located on the side of the control panel assembly (see drawing on page 44). Electrical diagrams can also be found in this manual beginning on page 45.
The electrical connections are made directly to the terminals of the heating-element contactor, which is located inside the control-panel compartment on the right side of the oven. A circular opening sized for a strain-relief fitting is located on the back of the oven near the right side (right as seen from the front of the oven, see illustration on
page 15). Models with two stacked ovens have a separate electrical connection for each oven.
Use 167 °F (75 °C) wire for all supply lines.
Ovens are shipped wired for either single-phase or three-phase operation, depending on which was specified on the factory order. If necessary, an oven can be field-converted to use either single-phase or three-phase power (see page 41).

DIMENSIONS
| MODEL | Depth | Oven Interior | Rack Clearance | Shipping Crate | |||||||||
| A | B | C | Width | Depth | Height | Width | Depth | Width | Depth | Height | Volume | Weight | |
| EH/10 | 15.8” (401) | 21.3” (541) | 20” (508) | 13” (330) | 21” (533) | 57.50” (1461) | 45.5” (1157) | 45” (1143) | 68.1 cu. ft. (1.93 cu. m.) | 420 lbs (190.5 kg.) | 81.50” (2070) | 123.4 cu. ft. (3.49 cu. m.) | 1040 lbs (471.7 kg.) |
UTILITY INFORMATION
Standard: 1/2 horsepower, 2 speed motor, 1710/1120 r. p. m.
| Electrical Data | Amps per Line | ||||||
| Each Oven | Voltage | 1 Phase | 3 Phase | ||||
| X | Y | Z | Neut. | ||||
| 208 VAC, 60Hz | 36.1 | 20.9 | 20.9 | 20.9 | Delta | 0 | |
| 7.5 kW Heating Elements | 240 VAC, 60Hz 380/220 VAC, 50Hz 415/240 VAC, 50Hz | 31.3 19.8 31.3 (X-Neut.) | 18.1 11.4 10.5 | 18.1 11.4 10.5 | 18.1 11.4 10.5 | Delta Delta WYE | 0 0 0 |
| 480 VAC, 60Hz | 15.7 | 9.1 | 9.1 | 9.1 | Delta | 0 | |
* Electric units available for single or three phase operation and must be specified upon ordering. Add an additional 4 amps for the control panel. Controls are single phase (lien and lines’ on Delta – 208,240,480), (lines’ and Neut. on 380, 415).
MISCELLANEOUS
- Clearances from combustibles: Top, bottom, right, left side -0”.
- Recommended – install under vented hood.
- Check local codes for fire and sanitary regulations.
NOTICE:
Southbound has a policy of continuous product research and improvement. We reserve the right to change specifications and product design without notice. Such revisions do not entitle the buyer to corresponding changes, improvements, additions or replacements for previously purchased equipment.
As continued product improvement is a policy of Southbound, specifications are subject to change without notice.

DIMENSIONS
| MODEL | Depth | Oven Interior | Rack Clearance | Shipping Crate | |||||||||
| A | B | C | Width | Depth | Height | Width | Depth | Width | Depth | Height | Volume | Weight | |
| EH/20 | 15.8” (401) | 21.3” (541) | 20” (508) | 13” (330) | 21” (533) | 57.50” (1461) | 45.50” (1156) | 81.5” (2070) | 68.1 cu. ft. (1.93 cu. m.) | 850 lbs (385.6 kg.) | 81.50” (2070) | 123.4 cu. ft. (3.49 cu. m.) | 1040 lbs (471.7 kg.) |
Note: When shipped on 26” legs, crated height is 79” (2006 mm)
Dimensions shown in inches and (millimeters)
UTILITY INFORMATION
Standard: 1/2 horsepower, 2 speed motor, 1710/1120 r. p. m.
| Electrical Data | Amps per Line | ||||||
| Each Oven | Voltage | 1 Phase | 3 Phase | ||||
| X | Y | Z | Neut. | ||||
| 208 VAC, 60Hz | 36.1 | 20.9 | 20.9 | 20.9 | Delta | 0 | |
| 7.5 kW Heating Elements | 240 VAC, 60Hz 380/220 VAC, 50Hz 415/240 VAC, 50Hz | 31.3 19.8 31.3 (X-Neut.) | 18.1 11.4 10.5 | 18.1 11.4 10.5 | 18.1 11.4 10.5 | Delta Delta WYE | 0 0 0 |
| 480 VAC, 60Hz | 15.7 | 9.1 | 9.1 | 9.1 | Delta | 0 | |
* Electric units available for single or three phase operation and must be specified upon ordering. Add an additional 4 amps for the control panel. Controls are single phase (lien and lines’ on Delta – 208,240,480), (lines’ and Neut. on 380, 415).
MISCELLANEOUS
- Clearances from combustibles: Top, bottom, right, left side -0”.
- Recommended – install under vented hood.
- Check local codes for fire and sanitary regulations.
NOTICE: Southbend has a policy of continuous product research and improvement. We reserve the right to change specifications and product design without notice. Such revisions do not entitle the buyer to corresponding changes, improvements, additions or replacements for previously purchased equipment.
As continued product improvement is a policy of Southbend, specifications are subject to change without notice.
INSTALLATION & OPERATION MANUAL 1184093 REV 4 (01/23)
Marathoner Gold Half-Size Electric Convection Ovens
Minimum Clearances
WARNING
| Minimum Clearance from Combustible Construction | Minimum Clearance from Non-Combustible Construction | |
| Back | 0″ | 2″ |
| Right Side | 0″ | 0″ |
| Left Side | 2″ | 0″ |
| Floor | 0″ | 0 |
Adequate clearance must be provided in the aisle to allow the doors to open sufficiently to permit the removal of the racks and for serviceability.
Although no clearance on the back due to heat is required, care must be taken to provide adequate air circulation into the rear of the compartment that contains the blower, which is on the right side of the oven.
Do not locate the oven adjacent to any high heat or grease-producing piece of equipment, such as a range top, griddle, fryer, etc., that could allow radiant heat to raise the exterior temperature of the oven above 130 °F (54 °C). DO NOT MOUNT ABOVE OTHER COOKING EQUIPMENT.
Ventilation
NOTICE
Proper ventilation is the owner’s responsibility. Any problem due to improper ventilation will not be covered by the warranty.
If a ventilation canopy is used, it is recommended that a canopy extend 6” past the appliance and that the bottom edge be located 6’6” from the floor. Filters should be installed at an angle of 45° or more from the horizontal. This position prevents dripping grease and facilitates collecting the run-off grease in a drip pan, unusually installed with a filter.
If an exhaust fan is used, it should be installed at least 2” above the flue opening at the top of the unit. A strong exhaust fan tends to create a vacuum in the room. Fresh air openings approximately equal to the fan area will relieve such a vacuum. In case of unsatisfactory performance on any appliance, check the appliance with the exhaust fan in the “OFF” position. Do this only long enough to check equipment performance. Then turn the exhaust fan back on and let it run to remove any exhaust that may have accumulated during the test.
Installation
NOTICE
These installation procedures must be followed by qualified personnel or warranty will be void.
Local codes regarding installation vary greatly from one area to another. The National Fire Protection Association, Inc. states in its NFPA 96 latest edition that local codes are the “authority having jurisdiction” when it comes to installation requirements for equipment. Therefore, installations should comply with all local codes. This appliance, when installed, must be electrically grounded in accordance with local codes, or in the absence of local codes, with the National Electrical Code, ANSI/NFPA 70 or the Canadian Electrical Code, CSA C22.2, as applicable.
Step 1: Unpacking
IMMEDIATELY INSPECT FOR SHIPPING DAMAGE
All containers should be examined for damage before and during unloading. The freight carrier has assumed responsibility for its safe transit and delivery. If damaged equipment is received, either apparent or concealed, a claim must be made with the delivering carrier.
Apparent damage or loss must be noted on the freight bill at the time of delivery. The freight bill must then be signed by the carrier representative (Driver). If the bill is not signed, the carrier may refuse the claim. The carrier can supply the necessary forms.
A request for inspection must be made to the carrier within 15 days if there is concealed damage or loss that is not apparent until after the equipment is uncrated. The carrier should arrange an inspection. Be certain to hold all contents plus all packing material.
- Cut banding straps and remove packing material.
- Cut banding strap holding oven to wooden skid.
- If you are installing 4” legs on a single-deck oven, go to Step 2a on this page.
If you are installing 26” legs on a single-deck oven, go to Step 2b on the next page.
If you are installing a double-deck oven, go to Step 2c on page 10
Step 2a: Installation of 4” Legs on Single-Deck Ovens
- Raise oven sufficiently to allow clearance for the legs to be attached. Use of a lift truck or other mechanical lifting means is recommended. For safety, “shore up” and support the oven with an adequate blocking arrangement strong enough to support the load. (If it is absolutely necessary to rest the oven on its side, rest it on its left side or back side. Take care to protect the finish on the left side, and to prevent the weight from resting on the motor on the back.)
- Attach each leg to a bottom corner of the oven by screwing it into the appropriate threaded hole.
- Lower the oven gently onto a level surface. Never drop or allow the oven to fall.
- Use a level to make sure that the oven is level. Each leg can be screwed in or out to lower or raise each corner of the oven.
Step 2b: Installation of 26” Legs on Single-Deck Models
- Raise oven sufficiently to allow clearance for the legs to be attached. Use of a lift truck or other mechanical lifting means is recommended. For safety, “shore up” and support the oven with an adequate blocking arrangement strong enough to support the load. (If it is absolutely necessary to rest the oven on its side, rest it on its left side or back side.
Take care to protect the finish on the left side, and to prevent the weight from resting on the motor on the back.) - Attach the legs to the bottom corners of the oven using the provided machine screws, flat washers, and lock washers.
Each leg is secured by four screws. The mounting holes are pre-drilled and threaded. - Screw into the bottom of each leg either an adjustable foot or a caster (depending on which option was ordered). If attaching casters, the two casters with brakes should be attached to the front legs.
- Lower the oven gently onto a level surface. Never drop or allow the oven to fall.
- Use a level to make sure that the oven is level. The adjustable feet can be screwed in or out to lower or raise each corner of the oven.

Step 2c: Installation of Legs or Casters on Double-Deck Models
Double-deck oven can be shipped either already bolted together, or as two separate ovens to be bolted together after delivery. In either case, the oven that is (or will be) the lower oven will have leg pads already bolted to the bottom corners of the oven. Do the following:
- Raise oven sufficiently to allow clearance for the legs to be attached. Use of a lift truck or other mechanical lifting means is recommended. For safety, “shore up” and support the oven with an adequate blocking arrangement strong enough to support the load. (If it is absolutely necessary to rest the oven on its side, rest it on its left side or back side. Take care to protect the finish on the left side, and to prevent the weight from resting on the motor on the back.)
- Screw into the center of each leg pad either an adjustable leg or a caster (depending on which option was ordered). If attaching casters, the two casters with brakes should be attached to the front leg pads.
- Lower the oven gently onto a level surface. Never drop or allow the oven to fall.
- Use a level to make sure that the oven is level. The adjustable legs can be screwed in or out to lower or raise each corner of the oven.

Step 3: Stack Double-Deck Oven (if necessary)
Double-deck ovens can be shipped already assembled, but can instead be shipped as two single-deck ovens to be stacked in the field. Also, ovens that were originally ordered as single ovens can be stacked in the field (additional parts are required). This installation step describes the procedure for stacking two single-deck ovens to form a double-deck oven.
- Uncrate the two ovens. Identify the oven that will be the lower oven (it will be the oven with leg pads attached to the bottom corners). Attach the legs (or casters) to the lower oven as described in Step 2b on page 9.
- If the oven that will be the top oven was NOT ordered as part of a double-deck oven, remove the four leg pads from the bottom of the top oven.
- Locate and remove the four screws that secure the lower front panel (items “A” in the drawing below). Lift up the panel and pull it forward to remove it, then set it aside.
- Locate and remove the now-accessible screw that secures the lower front corner of the side panel.
- Locate and remove the five screws that secure the right side panel to the oven (items “B” in the drawing below).
Remove the right side panel and insulation and set them aside.
- Lift the top oven and position it on top of the lower oven, as shown in the drawing below.

- Move to the rear of the ovens and remove the six screws shown as items “A” in the left-hand drawing below. Position the tie bracket (item “B”) as shown in the right-hand drawing below. Re-insert the screws that you just removed through the holes in the tie bracket, but do not tighten them yet.

- Insert two bolts (items “A” in the following diagram) up through the top of the lower oven and screw them into the threaded holes in the bottom of the top oven. Tighten these bolts and the screws that you did not tightened in the previous step.

- Replace the right side insulation, exterior panel, and lower front panel that you removed in steps 3, 4, and 5 of this procedure.
Step 4: Installation of Optional Open Storage
The following describes how to assemble the optional open storage. All holes are pre-drilled for the provided screws.
- Attach the legs to the oven as described in installation Step 2b on page 9.
- Attach the two rack guides to the bottom of the oven using two clips and four screws for each rack (see figure “A” below).
- Position the shelf below the rack guides and lift it so that the bottom ends of the rack guides pass through the holes in the shelf (see figure “B” below)
- Secure the shelf to the rack guides with four clips, each secured by two screws that thread into the threaded holes on the shelf (see figure “C” below).
- Attach the rack-stop using two screws. Attach the top of the rack stop to the bottom of the oven, and the bottom of the rack stop to the shelf (see figure “D” below).

Step 5: Connect Electricity Supply
WARNING
ELECTRICAL GROUNDING INSTRUCTIONS
This appliance, when installed, must be electrically grounded in accordance with local codes, or in the absence of local codes, with the National Electrical Code, ANSI/NFPA 70 or the Canadian Electrical Code, CSA C22.2, as applicable.
Ovens are shipped wired for either single-phase or three-phase power according to the original factory order. Wiring diagrams are located on the side of the control panel assembly, as well as in this manual (beginning on page 45). Be sure that the input voltage and phase match the requirements shown on the serial plate, which is located inside the lower front panel.
Conversion between single-phase and three-phase power can be performed in the field (see page 42).
The oven must be adequately grounded.
Use 167 °F (75 °C) wire for all supply lines.
The following drawing shows the locations of items referred to in the following procedure.

- CHECK THAT THE POWER SUPPLY CIRCUIT BREAKER IS OPEN.
- Locate and remove the four screws that secure the lower front panel (items “A” in the drawing above). Lift up the panel and pull it forward to remove it, then set it aside.
- Locate and remove the now-accessible screw that secures the lower front corner of the side panel.
- Locate and remove the five screws that secure the back edge of the side panel to the oven (items “B” in the drawing above). Remove the side panel and insulation and set them aside.
- Route the supply wires and the grounding wire through the hole on the back of the oven. Use a strain-relief fitting.
- Attach each supply wire to the appropriate terminal of the contactor (according to the wiring diagram).
- Insert the ground wire into the grounding lug and tighten the screw.
- Check that all connections match the wiring diagram and are tight.
- Reattach the right-side panel and insulation; and the lower-front panel.
Step 6: Check the Installation
- Check that all screws and bolts are tightened.
- Move the oven into the position at which it will be operated.
- Check that the oven is level. If not, adjust the legs.
- Check that the appropriate clearances are satisfied (see page 7).
- Turn-on supply power and check oven for proper operation.
Operation
Operating the Controls
A convection oven is a different type of oven that offers many features and advantages to the food service operation. The additional capabilities and features of the oven require some learning. However, the operation of the oven is not difficult to understand or control once you have some practice.
Each oven will have one of the three types of control panels:
- Models with Standard Controls are the most similar to a standard (non-convection) oven. Instructions for operating this type of oven begin on page 18.
- Models with Cycle/Cook and Hold Controls enable you to have the oven automatically enter a “hold mode” after a timed cooking period. Instructions for operating this type of oven begin on page 20.
- Models with Touch Control are the most versatile option allowing for manual cooking with cok and hold, as well as programming recipes and cooking groups. Instructions for operating this type of oven begin on page 23.
Moisture Vent
Each oven has a moisture vent that is opened and closed using the small knob located near the top left corner of the front panel of the oven (see illustration below). Usually the vent is kept open to allow moisture to escape. Close the vent (turn the knob clockwise) when doing fine baking.

Control Panel of STANDARD Models

Operation of STANDARD Models
Models with Standard Controls operate much like a standard oven: you turn the oven ON and select a cooking temperature. Two additional controls are used to control the fan (as described below).
The timer is a reminder to you of when to remove food from the oven. The timer does NOT control the temperature of the oven.
To cook, do the following:
- Turn the oven ON using the Power Switch at the top of the control panel.
- Select the desired fan speed using the Fan Speed switch. The appropriate fan speed (HI or LOW) depends on the type of food being cooked.
- Switch the Fan Mode switch to COOK. The fan will run continuously when the oven doors are closed (the fan does not cycle on and off with the burners). (If this switch is set to COOL the only difference is that the fan will continue to run when the oven doors are open.)
- Set the cooking temperature by turning the Cook Temperature Control until the indicator mark on the knob is pointed to the desired cooking temperature. The Heat On indicator will light when the burners are on, and will remain on while the oven preheats.
- Wait until the Heat On indicator has come on and gone out three times. At that time the oven will have reached the set cooking temperature.
- Open the oven doors, load the product into the oven, and close the doors.
- You can use the Cook Timer as a reminder of when the remove the load from the oven. If so desired, turn the Cook Timer knob until the indicator mark points to the desired cooking time (up to 55 minutes). The timer knob will rotate counterclockwise as the timer runs down, indicating how much time remains. You can turn the knob while cooking to increase or decrease the remaining time. When the timer runs out, a buzzer will sound for a short time, then turn itself off. (To immediately silence the buzzer, turn the Cook Timer knob to the OFF position.) The timer is a reminder to you; the timer does not control the oven.
If you open the oven doors, the burners and fan will shut off until the doors are closed. However, the timer will continue running even if the doors are open.
For ovens that are equipped with an oven interior light, to turn on the light press and hold the switch located at the bottom of the control panel. - When the load has finished cooking, you can rapidly cool the load by opening the oven doors (which will shut off the burners) and switching the Fan Mode to COOL (which will cause the fan to run even though the doors are open). For the most rapid cooling, also switch the Fan Speed switch to HI.
- When you are done cooking, turn the Cook Temperature control to the lowest setting (fully counterclockwise) and switch the Power Switch to OFF.
Control Panel of CYCLE/COOK and HOLD Models

Operation of CYCLE/COOK and HOLD Models
CYCLE/COOK and HOLD models have electronic controls that enable the oven to cook food at a specified cook temperature for a specified time period, then enter an optional Hold Mode during which the oven maintains a specified hold-temperature for an indefinite period of time.
Whenever the power switch is on, the oven will be in one of two modes. In Cook Mode, the oven maintains the specified cook temperature and the fan runs continuously, unless the Cycle option is enabled, in which case the fan cycles (on for 30 seconds, then off for 30 seconds). In Hold Mode, the oven maintains the specified hold temperature and the fan runs only when the burners are on.
(However, whenever the Fan Mode switch is in the COOL position, the fan will run continuously.)
To cook, do the following:
- Turn the oven ON using the Power Switch at the top of the control panel. The oven will be in Cook Mode, and will begin to heat to the temperature displayed in the temperature display window.
- Set the desired cook-temperature (from 150°F to 500°F) by pressing the up-arrow and/or down-arrow buttons to the right of the temperature display window. The temperature display will flash while the oven preheats. The Heat On indicator will light when the burners are on. To view the actual oven temperature at any time, press the up-arrow and down-arrow buttons simultaneously.
- Switch the Fan Mode switch to the COOK position (if it is not already in that position). The fan will run when the oven doors are closed (the fan does not cycle on and off with the burners). (If this switch is set to COOL the only difference is that the fan will continue to run when the oven doors are open.)
- Select whether you want the fan to cycle during cooking by pressing the Cycle button. If the Cycle indicator light is on continuously, the fan will run continuously. If instead the Cycle indicator light is flashing, the fan will cycle on for 30 seconds and then off for 30 seconds while cooking. Fan cycling is used for delicate products such as meringues and muffins which need to set, and is usually combined with the LOW fan speed (selected in the next step).
- Select the desired fan speed by pressing the Fan Speed switch. The appropriate fan speed (HI or LOW) depends on the type of food being cooked.
- Select the desired cooking time by pressing the up-arrow and/or down-arrow buttons to the right of the time display window. Holding down a button will speed-up the rate at which the displayed value changes. Lights under the displayed time indicate if the displayed time is in minutes-and-seconds or in hours-and-minutes. The time setting will not start counting down until you tell the oven to start cooking (in Step 9).
- If you want the oven to enter a lower-temperature Hold Mode after a timed cook period, press and hold down the Hold button. The temperature display will now show the oven temperature (140°F to 200°F) desired during the hold mode. You can change the desired holding temperature using the up-arrow and down-arrow buttons to the right of the temperature display window (while holding down the Hold button). If you want the oven to enter Hold Mode after the cook time, be sure that the Hold Mode Indicator is lit (if it is not, press and release the Hold button so that it becomes lit).
Note that when Hold Mode starts the actual oven temperature will not immediately drop to the holding temperature since it takes time for the oven interior and the load itself to cool.
CAUTION
Care should be exercised in holding products over extended periods of time or at very low holding temperatures, due to possible bacteria growth. A competent authority on food bacteria growth should be consulted if there is doubt regarding safe holding times and temperatures. - Wait until the oven has reached cooking temperature (when it does, the temperature display will stop flashing and the oven will “beep” once).
- Open the oven doors and insert a load into the oven. Close the doors and press the Start/Stop button. The oven will enter Cook Mode and the time display will start to count down the remaining cook time.
If you open the oven doors, the fan and burners will temporarily shut off, and the time display will pause until the oven doors are closed again.
For ovens that are equipped with an oven interior light, to turn on the light press and hold the switch located at the bottom of the control panel.
During the cook time you can start or stop having the fan cycle on-and-off by pressing the Cycle button.
If necessary, you can adjust the remaining cooking time and/or oven temperature using the corresponding up-arrow and down-arrow buttons. You can also disable or enable Hold Mode.
To cancel a timed-cook, press the Start/Stop button. - What happens when the cook time runs out depends on whether Hold Mode is enabled.
• If Hold Mode IS NOT enabled, the oven will start “beeping” and the time display will flash “:00”. Press the Start/ Stop button to silence the alarm and the oven will return to Cook Mode. Promptly remove the load from the oven OR open and leave open the oven doors. If the oven doors are shut, the oven will maintain the set cook
temperature even though the timer has run out. To rapidly cool down the load, open the doors, switch the Fan Mode switch to COOL, and switch the Fan Speed switch to HI.
• If Hold Mode IS enabled, the oven will beep 3 times to alert you that the cook time has completed. The time display will start counting up to indicate how long the load has been in Hold Mode (up to 99 hours). The temperature display will change to show the holding temperature (set in Step 7) and the burners will remain off while the oven gradually cools to the holding temperature. With the doors closed, the oven will maintain the set holding temperature until you press the Start/Stop button (usually after removing the load). Pressing the Start/ Stop button returns the oven to Cook Mode, and the oven will then heat up to the specified cook temperature in
anticipation of the next load to be cooked. - When you are done cooking, switch the Power Switch to OFF.
Control Panel of STANDARD TOUCHSCREEN Models

Control Panel of TOUCHSCREEN Models with NRG Mode

Operation for Touchscreen Models Only
Main Screen
- Turn Power Switch ON.
NOTICE
All button pushes will cause the buzzer to make a chirp (see Settings in Configuration section to adjust volume). - Power Button – Located in the center of the screen below the Southbend logo, pressing this button leads to the Cooking Mode Page.
- Lights – Turns oven light ON/OFF. Button will illuminate and bulb will glow yellow when ON and can be turned OFF on any other page.
NOTICE
Not all units have lights installed. Button will still be present.
Turning light ON with one page will continue to keep light on through the different pages.

- Clean Screen – Press and hold until countdown wheel appears with countdown timer in center of screen. Screen will be locked for cleaning for 20 seconds. After blue wheel has completed circuit and countdown has reached 0, the screen will be accessible again.
- Information – Firmware information displays App version with build date and Boot version with build date.
- Settings – Opens Settings Page (see Settings in Configuration section).
Cooking Mode
Disclaimer: All recipes provided in this manual are for reference only and do not reflect real cook times and temperatures.
For suggested times and temperatures for recipes, see Cooking Hints section.
- Power Button – Sends user back to Main Screen. Resets all cooking modes by ending current cooking options and terminates blower and heat source.
NOTICE
Once a cooking mode/selection has been previewed, the blower will turn on automatically and the Cooking ribbon will relay its status. With the door closed, the heat source will remain on indefinitely while internal temperature is below cook temperature until the oven preheats or the Power Button is pressed. - Manual – Operate cooking controls manually.
- Recipe – User created recipes, either manually entered or imported by service USB, to cook with the press of a button.
- Rack – Recipe groupings cooking together based on number of configured racks, cook time, and cook temperature.
- Clean Panel – See Main Screen.
- Cool Down – Turns on Fast blower speed, pauses heat sources, and returns to Main Screen. Cool Down mode terminates when internal temperature falls below 130 °F/55 °C, the Power Button on Cooking Mode page is selected, or when a cooking mode is activated.
- Information – See Main Screen.
- Settings – See Settings in Configuration section.
NOTICE
At the end of a cooking cycle the buzzer will chime on and off until the mode is canceled or reset.
Bottom Ribbon (seen at the bottom of each cooking mode page, but not on the cooking mode selection page)
- Internal Temperature
- Lights – See Main Screen.
- Door Indicator – Closed
Open 
NOTICE
Door must be closed to run fans, and subsequently heat source. Blower will still run with door open only in Cool Down mode. Any cook timer that is active when door opens will pause and resume when door is closed.
MANUAL COOKING
Manual Cooking Setup
NOTICE
All selections are remembered after a cooking cycle has begun and will be recalled upon return to the page until power is cycled. If selections were made but Cook was not pressed or the power was cycled, the selections will return to previous default settings.
- Set cooking temperature (140 °F – 550 °F/60 °C – 288 °C) either by using the add/subtract buttons or by selecting the temperature itself. Using the add/subtract buttons steps the temperature by ±10 °F/5 °C. Selecting the temperature will lead to a number pad (see Number Pad in Configuration section for how to use). Temperatures keyed above or below the range will not be accepted and will output the closest min or max.
NOTICE
If internal temperature is below the set temperature minus Ready Offset Temperature, top ribbon will appear with Preheating message and Cook will not be accessible. When the cook temperature is achieved, the ribbon will read Ready and cooking may begin. If the temperature of the oven starts above the cook temperature the ribbon will read Too Hot until it cools to the desired temperature. The top ribbon will read Cooling when Cool Down is active (see Cooking Mode). - Set Time either by using the add/subtract buttons or by selecting the time itself. Using the add/subtract buttons steps the time by ±10 seconds. Upon reaching an hour the format will change from MM:SS to HH:MM. Selecting the time will lead to a number pad. MM:SS or HH:MM can be selected before keying in time. Keying in a time above 59:59 in MM:SS will change the format to HH:MM. Max time is 24 hours.
- Press the Blower Speed button (Blower Logo) to toggle blower speed between Fast and Slow.
- A delay time can be set to temporarily shut off blower and heat source before cook starts. Delay time is included in total cook time. Max delay time is one hour.
- Pulse ON/OFF is used to cycle blower. Maximum set time is 1 hour for each, and the minimum set time is 10 seconds. If Pulse ON is set to 0 seconds and Pulse OFF has a value, the time for both will be set to 0 seconds when cook cycle begins.
- Enable Cook & Hold to keep the cabinet warm once cook time is finished. Enabling this mode will require a hold temperature within cook temperature limits (generally low to hold food before serving without overcooking). A timer shows how long Cook & Hold has been active. Hold temperature is not immediately reached and should be factored. During Cook & Hold, temperature, blower speed, delay, and pulse times can all be changed.

Manual Cooking Cycle
NOTICE
All cooking parameters can be altered during cycle by pressing the desired value or icon. Pressing and holding on the screen will highlight the parameter logo in yellow that will be selected after release. Each parameter, besides Blower Speed, will open associated number pad to make numerical changes. Any changes made on Cycle page will not be saved upon return to Setup page.
Operation
- Cook Time – Displays cook time in either MM:SS or HH:MM with a circular bar that grows as time progresses. Time can be altered at any point by either using the add/subtract 1m buttons to add or subtract 1 minute from the time, or else clicking on the time itself. The red X will cancel the cooking operation and send the user back to the Manual Cooking Setup page. At the end of the timer an alarm will sound.
- Cook Temperature (°F/°C setup in configuration)
- Blower Speed (Fast/Slow)
- Delay time before cook
- Blower Pulse (intermittent fan and heat source ON/OFF)

Recipe Cooking
Recipes can be imported ahead of time using the service USB input (see Recipes in Configuration section) or can be manually created by pressing the New button. Recipes allow users to perform complex cooking operations with up to 5 different stages of cooking temperatures, blower speeds, delays, and/or pulses. This section will cover how to create a new recipe from the page and how to operate the recipe.
NOTICE
If editing has been locked, recipe creation and recipe manipulation is not possible from this screen. Manual Cooking is not affected by editing lockout.
New Recipe Setup
NOTICE
While in Setup the unit blower and heat source will turn off.

- Click on New icon to create new recipe. If New icon is not present, select next page until it appears.
- Click on the picture icon in top left and choose from the list of icons to represent the new recipe item. Click the back button and write the name of the recipe in Name. Hit enter when done.
- Choose the parameters for Stage 1 just as in Manual Cooking Setup.
- Press Test to run the recipe to ensure the recipe is accurate if necessary.
- If finished, press the Save button. Otherwise, press the Stage drop-down menu to add more stages. If Save button is not pressed a prompt will pop up asking to save changes when exiting setup page.
- Press Add Stage to add another stage for setup.
- Repeat steps 2-5 for up to 5 stages. A cook and hold can be added at the end of the recipe without it counting as one of the stages.
NOTICE
After recipe has been created, returning to the recipe from the selection menu allows the user to edit the recipe unless this option has been locked. Clicking on the Stage drop-down menu while editing will reveal the Delete Recipe button.
Recipe Run
- Select Recipe from Cooking Mode page.
- Select the desired recipe from the list in selection menu.
- All stages will be previewed showing the time of each stage, temperature, blower speed, any delays, any pulse times, and the total cook time.
- If the temperature is too low the top ribbon will read Preheating and Cook button will not be available until reaching the cook temperature. If the temperature is too hot the top ribbon will read Too Hot and Cook button will not be available until the internal temperature cools to cook temperature.
- After pressing Cook, the run page appears like Manual Cooking Cycle and can be altered in the same way unless locked. The cook time will show total time while the stage number and time remaining for that stage will appear below.

Rack Cooking
Rack Cooking is used to cook recipes of similar cooking temperature and fan speed (Rack Group) simultaneously. Recipes need to be created ahead of time to make Rack Groups. Similar recipe cooking temperature is defined within the limits of the Group Temp Allowance temperature added to the cook temperature of the first item in the group (see example). Recipes that have multiple stages cannot be included in Rack Groups. See Settings in Configuration to change the Group Temp Allowance.
Example: With a Group Temp Allowance of 10 °F, a recipe that cooks at 350 °F can be grouped with a recipe that cooks at 340 °F and/or a recipe that cooks at 360 °F. If the first recipe chosen though is 340 °F cook temperature, then the 360 °F recipe will not appear during group creation.
Rack Setup
- Choose the edit button in the top right corner.
- A New square will appear on the screen in the next available space on the final Group Selection page. Once identified press the square.
- Enter desired group name and press the blue arrow button to accept.
- Selecting a recipe from the next page will show the cook temperature and fan speed as well as all other recipes that are similar (Figure A). Pressing each different recipe will highlight them with a green box. If only one recipe is selected, pressing the highlighted box will return all available recipes. If two items are selected, deselecting the first recipe chosen will change the group parameters to the new “first” selection and may reveal more similar recipes (see written example above and Figure B). When more than two selections are made, deselecting the first recipe selection does not change the group similarity parameters (Figure C).


- Once all desired recipes are chosen, press the save button.
- The rack can be deleted at any time during creation or editing.
- The group image will show the first three recipe icons with the total number of group recipes available numerically represented in the last space.
Rack Run
- Select Rack from Cooking Mode page.
- Select the recipe group from Group Selection page.
- If internal temperature is lower than the group temperature the top ribbon will read Preheating and if above, it will read Too Hot.
- After reaching the correct internal temperature, the blower speed will be adjusted to the group speed.
- The group will show Not Assigned spaces initially. To add recipes, choose the top right 9 square button. This will show all available recipes for this group as defined during creation in the selection menu or imported prior.
- Choose a recipe and it will return to the previous page.
- By pressing on a rack space, the icon will be attached to that space and show a timer, additional time button, and start button. Empty racks will remain empty until a recipe is placed in that space.


- Choosing the start button will start the recipe and time can be added in one-minute increments. A progress bar depicts the time left. The bar starts as an amber indicator and changes to green at 20 seconds.
- When finished, the progress bar will blink alternatively a lighter and darker green and say DONE. Press the green check mark to stop and reset recipe. Pressing the check mark will also allow access to exit Rack Group which is not accessible with running and/or completed recipes.
- Pressing the red X during the run will also stop the recipe and reset the time back to the programmed cook time.
- Repeat steps 5-7 to fill racks with different recipes. The recipe icon in the top right shows which recipe is in the queue to add to racks. Pressing it allows selection of the other recipes. Recipes are overwritten when the rack is chosen with a different recipe. Racks that are currently cooking or completed cannot be overwritten until reset.
- Returning to the Rack Group Selection page will clear all racks.
CONFIGURATION
Service Only USB Access
The access to the USB port to import/export recipes, update software versions, and add Icons is located on the back of the control panel. Remove the two screws securing the control panel and pull out. Underneath the digital display you will find the USB port. If importing files, make sure that the unit is off before inserting USB drive and then turn on. There will be a slight delay compared to normal operation and the file(s) will automatically load. Created Icons must be bitmap file type. Recipes will need to be created on the touchscreen prior to export.
Settings
- Back Button – Returns to previous screen.
- Setup – Passcode protected parameter configurator. Manager passcode allows owners to change limited unit variables.
- Service – Passcode protected unit health and I/O test panel with current input readings.
NOTICE
As in normal operation, blower speed must be activated prior to turning on heat. The door may be open or closed to function.

Number Pad
- Entering a new value will start from the right and move left.
- Continuing to enter new numbers will shift the furthest left characters out.
- Press the bottom right arrow button to enter value
- Clear all values back to 0000 with bottom left clear button

Setup
Enter manager provided code to enter Setup Parameters page.

- Units – Toggles between °F and °C
- Time & Date – Used to record faults
- Buzzer Volume – Toggle between High, Medium, and Low
- Allow Editing – Toggle between Yes, Passcode, and No. This setting is in reference to editing recipes and groups.
Selecting Passcode will require manager code to edit while selecting No will remove edit button from pages. - Cook Modes – Chooses which cooking modes will be active on Cooking Mode page.
- Ready Offset – The oven will allow cook start operations if cavity temperature is within the offset value from cook setpoint.
- Group Temp Allowance – Recipes can be grouped if their setpoints differ by allowance value or less.

- Replace All Existing Icons? – Deletes current icons for recipes and uploads new ones if USB is inserted into USB slot.
- Fault Log – Displays all faults that have occurred along with date and time they occurred until cleared. When a temperature warning is active the only options are to Turn Off the unit or go into Cool Down mode. The warning is only available if blower or heat source is already on, otherwise a ribbon with Cavity/Controls Too Hot is visible and does not allow activation of any cooking modes. The message will go away when the Temperature falls below 630°F. Probe warnings activate related message ribbon and do not allow cooking modes until the problem is fixed.
NOTICE
If Turn Off option from pop up is selected but the main power switch is still engaged the unit will simply reset and return to main screen.
MessaGe Description Open Probe Averaged ADC readings indicate that the RTD is open Shorted Probe Averaged ADC readings indicate that the RTD is shorted Cavity Too Hot Averaged cavity temperature reading is 650 °F or higher. Temperature must fall below 630 °F to clear the fault. Controls Too Hot Averaged control cavity temperature reading is 176 °F or higher. Temperature must fall below 166 °F to clear the fault. This measurement is measured internally on the microcontroller. - Recipes – Allows Import and Export from USB to keep and manage recipes. Another option is to delete all recipes from unit. Deleting all recipes will also delete them from Rack Groups.
Service
Service Screen supplies current input values and allows service agents to test outputs.
- Temperature – RTD measured cavity temperature
- Probe Amp – Used to determine open or shorted temperature probes
- Probe No Amp – Used to determine open or shorted temperature probes
- CPU Temp – Temperature of the display circuit board
- Door – Open or closed
- Heat source, blower and lights can all be toggled (fan must be on for heat to be active).
- 0-10V Output – Not in use.
Cooking Hints
In a standard (non-convection) oven, the air is relatively still and an insulating layer of moisture surrounds the cooking food product. In a convection oven, the fan-blown circulating air strips away this insulating layer allowing the heat to penetrate faster for quicker baking and roasting. Hence, in a convection oven cooking procedures and techniques may require some modification for successful results. As a general rule, the cooking time will be shorter and the cooking temperature will be 25 °F to 75 °F lower than those called for in recipes for a standard oven.
Time & Temperature
Time and temperature are important. The “Guide to Times and Temperatures” later in this section is a starting point. The actual best cooking time and temperature will depend on such factors as size of load and mixture of recipe (particularly moisture). Once an appropriate time and temperature has been established for a particular product and load, you will find the result of succeeding loads to be similar.
Overloading
Do NOT overload the oven. The size of the load that can be cooked satisfactorily depends largely on the particular product. As a rule, five racks can be successfully used for shallow cakes, cookies, pies, etc. For deeper cakes (such as angel food), use only three racks because of the size of the pan and the space required for rising. For hamburger patties, fish sticks, cheese sandwiches, etc., a full complement of racks and pans is usually satisfactory.
Helpful Suggestions
Here are some suggestions that will assist in getting the best possible performance from a convection oven:
- Pre-heat the oven thoroughly before use.
- When re-thermalizing frozen products, pre-heat the oven to 50 °F higher than the planned cooking temperature. After loading, reduce the temperature setting to the appropriate cooking temperature.
- Space the racks and pans as evenly as possible to allow air circulation.
- Center the load on the racks to allow for proper air circulation around the sides. Do not cover the racks completely with pans.
- Do not use a deep pan for shallow cakes or cookies, etc. Air circulation across the surface of the product is essential.
WARNING
THE USE OF ALUMINUM FOIL CAN CAUSE HEAT DISTRIBUTION PROBLEMS IN OVENS. EXTREME CARE MUST BE USED WHEN PLACING ALUMINUM FOIL IN THE OVEN TO ENSURE THAT IT DOES NOT BLOCK OR CHANGE THE AIR FLOW. THE USE OF ALUMINUM FOIL MAY VOID THE PRODUCT WARRANTY IF ITS USE IS ASCERTAINED TO BE A PROBLEM.
Holding Food Before Serving
Any food item prepared in steam table pans can be held until being served by setting the Hold thermostat to 160 °F.
Examples include stuffed pork chops, oysters Rockefeller, and any vegetable entree.
Cooking Problems and Solutions
| If… | then… |
| Cakes are dark on the sides and not done in the center… | lower oven temperature. |
| Cake edges are too brown… | reduce number of pans or lower oven temperature. |
| Cakes have a light outer color… | raise temperature. |
| Cakes settle slightly in the center… | bake longer or raise oven temperature slightly. Do not open doors except to load or unload product. |
| Cakes ripple… | do not overload pans or use batter that is too thin. |
| Cakes are too coarse… | lower oven temperature. |
| Pies have uneven color… | reduce number of pies per rack or eliminate use of bake pans. |
| Brown sugar topping or meringue blows off… | after oven is preheated, turn off oven and put product in oven until topping sets, then turn oven back on. |
| Rolls have uneven color… | reduce number or size of pans. |
| Meats are browned and not done in center… | lower oven temperature and roast longer. |
| Meats are well done and not browned… | raise temperature. Limit amount of moisture. |
| Meats develop hard crust… | reduce temperature or place pan of water in oven. |
| Excessive meat shrinkage occurs… | lower oven temperature. |
Guide to Times and Temperatures
As a guide, set oven temperatures 25 °F to 75 °F lower than called for in recipes for non-convection ovens, (i.e., range or deck ovens).
Time and temperature will vary depending upon load, mix, size, portion, initial temperature of food, and other factors.
Use the following chart as a starting point to develop your own cooking techniques. Rack loading and position may affect results. Experimentation may be necessary to suit individual requirements.
| Product CookinG Time Temperature Number of Racks | |||
| Meat and Fish | |||
| Top Round, 18-20 lbs. (medium) | 5 hours | 225 °F | 1 |
| Prime Ribs (rare) | 4 hours | 225 °F | 1 |
| Burger Patties, 4 oz. | 5 min. | 350 °F | 5 |
| Fish Cakes | 10-12 min. | 350 °F | 5 |
| Turkey, 10-12 lbs. | 3 hours | 225 °F | 1 |
| Product CookinG Time Temperature Number of Racks | |||
| Baked Goods | |||
| Bread, 2 lb. loaf | 35 min. | 375 °F | 3 |
| Biscuits | 5-10 min. | 350 °F | 5 |
| Cornbread | 18 min. | 400 °F | 5 |
| French Bread | 8 min. | 375 °F | 5 |
| Sheet Cake | 15-18 min. | 300 °F | 5 |
| Cream Puffs | 20 min. | 325 °F | 5 |
| Brown & Serve Rolls | 5 min. | 400 °F | 5 |
| Ginger Bread | 18 min. | 300°F | 5 |
| Yeast Rolls, sheet pan | 14-16 min. | 325 °F | 5 |
| Pineapple Upside Down Cake | 25-30 min. | 300 °F | 5 |
| Apple Turnovers | 15-18 min. | 325 °F | 5 |
| Fruit Cobbler | 20-23 min. | 350 °F | 5 |
| Brownies | 15 min. | 350 °F | 5 |
| Danish Pastry | 12 min. | 325 °F | 5 |
| Pie Shells | 12 min. | 350 °F | 5 |
| Fresh Fruit Pies | 25-30 min. | 350 °F | 5 |
| Pumpkin Pies | 25-30 min. | 275 °F | 5 |
| Fresh Apple Pies | 35 min. | 375 °F | 5 |
| Frozen Berry Pies | 40 min. | 375 °F | 5 |
| Frozen Fruit Pies | 45 min. | 375 °F | 5 |
| Potatoes | |||
| Baked Potatoes, 10 oz. | 40-45 min. | 450 °F | 5 |
| Baked Potatoes, 6-8 oz. | 30-35 min. | 450 °F | 5 |
| Scalloped Potatoes | 28 min. | 325 °F | 5 |
| Miscellaneous | |||
| Macaroni and Cheese | 25 min. | 350 °F | 5 |
| Stuffed Peppers | 18 min. | 350 °F | 5 |
| Toasted Cheese Sandwiches | 8 min. | 375 °F | 5 |
Cleaning
Southbend equipment is sturdily constructed of the best materials and is designed to provide durable service when treated with ordinary care. To expect the best performance, your equipment must be maintained in good condition and cleaned daily. Naturally, the periods for this care and cleaning depend on the amount and degree of usage.
Following daily and periodic maintenance procedures will enhance long life for your equipment. Climatic conditions (such as salt air) may require more thorough and frequent cleaning or the life of the equipment could be adversely affected. The oven interior is finished with a porcelain enamel coating. “Spillovers” should be cleaned from the interior bottom surface as soon as possible to prevent carbonizing and a burnt-on condition. Grease or any residue should be cleaned from interior surfaces as soon as it accumulates.
WARNING
FOR YOUR SAFETY, DISCONNECT THE POWER SUPPLY TO THE APPLIANCE BEFORE CLEANING.
WHEN CLEANING THE BLOWER WHEEL, BE SURE TO HAVE THE POWER SWITCH IN THE “OFF” POSITION.
Daily Cleaning
- Turn the power switch to OFF and allow the oven to cool.
- Remove the oven-interior racks and rack slide frames. (The rack slide frames are readily removable by merely raising to disengage them from their sockets.) Wash the racks and rack slides in a sink with mild detergent and warm water.
Dry them thoroughly with a clean cloth. - Look to see if any foreign matter has accumulated on the blades of the blower wheel (which will reduce air circulation).
If necessary, remove the right-side lining of the oven, which is secured by thumbscrews near each corner. Use a stiff brush to remove accumulations from the blower blades, then wash with soap and water. - Wash the interior surfaces with mild detergent and warm water. Rinse with clean water, and dry thoroughly with a clean cloth. For stubborn accumulations, a commercial oven cleaner may be used.
- Clean the control panel with warm water and mild soap. Never use cleaning solvents with a hydrocarbon base.
- Wipe the other exterior surfaces with a clean damp cloth. If the exterior surfaces require more thorough cleaning, see “Cleaning Stainless Steel Surfaces” on the next page.
- Return the rack slides and racks to their appropriate locations inside the oven.
- LEAVE THE DOOR OPEN AT NIGHT AFTER CLEANING. This allows the oven to dry thoroughly after cleaning and also prolongs the life of the door gasket.
Monthly Cleaning
Clean around the louvered panels on the front of the oven and the air holes on the rear of the oven where grease or lint may have accumulated.
Semiannual Cleaning
At least twice a year have your Southbend Authorized Service Agency or another qualified service technician clean and adjust the unit for maximum performance.
At least twice a year the oven’s venting system should be examined and cleaned.
Cleaning Stainless Steel Surfaces
To remove normal dirt, grease and product residue from stainless steel that operates at LOW temperature, use ordinary soap and water (with or without detergent) applied with a sponge or cloth. Dry thoroughly with a clean cloth.
To remove grease and food splatter, or condensed vapors, that have BAKED on the equipment, apply cleanser to a damp cloth or sponge and rub cleanser on the metal in the direction of the polishing lines on the metal. Rubbing cleanser, as gently as possible, in the direction of the polished lines will not mar the finish of the stainless steel. NEVER RUB WITH A CIRCULAR MOTION. Soil and burnt deposits which do not respond to the above procedure can usually be removed by rubbing the surface with SCOTCH-BRITE scouring pads or STAINLESS scouring pads. DO NOT USE ORDINARY STEEL WOOL, as any particles left on the surface will rust and further spoil the appearance of the finish. NEVER USE A WIRE BRUSH, STEEL SCOURING PADS (EXCEPT STAINLESS), SCRAPER, FILE OR OTHER STEEL TOOLS. Surfaces which are marred collect dirt more rapidly and become more difficult to clean. Marring also increases the possibility of corrosive attack. Refinishing may then be required.
To remove heat tint – Darkened areas sometimes appear on stainless steel surfaces where the area has been subjected to excessive heat. These darkened areas are caused by thickening of the protective surface of the stainless steel and are not harmful. Heat tint can normally be removed by the foregoing, but tint which does not respond to this procedure calls for a vigorous scouring in the direction of the polish lines, using SCOTCH-BRITE scouring pads or a STAINLESS scouring pad in combination with a powered cleanser. Heat tint action may be lessened by not applying, or by reducing heat to equipment during slack periods.
Adjustments
WARNING
ADJUSTMENTS AND SERVICE WORK MAY BE PERFORMED ONLY BY A QUALIFIED TECHNICIAN WHO IS EXPERIENCED IN, AND KNOWLEDGEABLE WITH, THE OPERATION OF COMMERCIAL COOKING EQUIPMENT. HOWEVER, TO ASSURE YOUR CONFIDENCE, CONTACT YOUR AUTHORIZED SERVICE AGENCY FOR RELIABLE SERVICE, DEPENDABLE ADVICE OR OTHER ASSISTANCE, AND FOR GENUINE FACTORY PARTS.
NOTICE
Warranty will be void and the manufacturer is relieved of all liability if service work is performed by other than a qualified technician, or if other than genuine Southbend replacement parts are installed.
Lubrication
The door chains and sprockets have been lubricated at the factory with high temperature “Never Seeze” lubricant. After each six months of usage, lubricate the door chains and sprockets with the same type of lubricant. Motor lubrication information can be found on permanent label located on motor. Casters are provided with a Zerk fitting for proper lubrication when required.
TEMPERATURE CONTROLLER (Standard-Control Models Only)
The calibration of the temperature controller should not be changed until sufficient experience with cooking results has definitely proved that the temperature controller is not maintaining proper oven temperatures. Before any recalibration is attempted, the oven temperature should be checked by the following procedure:
- Remove all trays and pans from the oven.
- Place a thermocouple or a reliable mercury oven-type thermometer at the center of the middle rack.
- Turn the oven ON and set the temperature control knob to 400°F.
- The amber “heat on” light will go out when the oven temperature is reached.
- Allow three cycles for the temperature to stabilize.
- Read the thermocouple or thermometer immediately after the light goes out for the third time, and again immediately after it comes on the next time.
- If the average of these readings varies by more than 10°F from the dial setting, recalibrate by the following procedure.
Recalibration should be attempted only by a competent service technician.
Use the following procedure to recalibrate the oven:
- Loosen the two set screws that secure the temperature-control knob to the temperature-control shaft.
- Remove the knob from the shaft, being careful not to rotate the knob or shaft.
- Replace the knob on the shaft so that the indicator mark on the knob points directly at the temperature that was measured at the center of the oven.
- Re-check the oven calibration.
Selecting Fahrenheit or Celsius Display (Cycle/Cook & Hold Models Only)
Ovens with Cycle/Cook & Hold controls can be configured to display temperatures using the Fahrenheit or the Celsius scales. To change the choice, change the position of the blue jumper “J3” on the rear of the control panel circuit board.
Conversion from Single-Phase to Three-Phase Power (or Vice Versa)
Ovens are shipped wired for either single-phase or three-phase power according to the original factory order. If the oven installation requires changing the type of power used by the oven, follow the procedure below. The following drawing shows the locations of items referred to in the procedure.

- If the oven is connected to a power supply, DISCONNECT OVEN FROM POWER SUPPLY.
- Remove the element-cover box from the back of the oven. (An oven built for three-phase power will have a small jumper wire attached with the element box cover to the back of the oven. Keep this wire.)
- Locate and remove the four screws that secure the lower front panel (items “A” in the drawing above). Lift up the panel and pull it forward to remove it, then set it aside.
- Locate and remove the now-accessible screw that secures the lower front corner of the side panel.
- Locate and remove the five screws that secure the back edge of the side panel to the oven (items “B” in the drawing above). Remove the side panel and insulation and set them aside.
- Locate the wires running from the supply-power terminal block to the contactor. If converting from three-phase to single-phase power, remove the wire T2 (as shown in the following drawing) and go on to the next step. If converting from single-phase to three-phase power, locate the wires running from the contactor to the elements.
Attached to those wires (with a wire tie) will be two wires that are not being used. Use the shorter of the two extra wires to make the additional connection (T2) shown in the following drawing. Keep the longer wire to use in the next step. (Note: If you are changing the phase-wiring of a 415V oven, refer to the corresponding wiring diagram for conversion.)
- Locate the wires running from the contactor to the elements. If converting from three-phase to single-phase power, remove the wire L2 (as shown in the above drawing) and go on to the next step. If converting from single-phase to three-phase power, use the longer of the two extra wires found in the previous step to make the additional
connection (L2) shown in the above drawing. (Again, if you are changing the phase-wiring of a 415V oven, refer to the corresponding wiring diagram for conversion. See page 45.) - Rewire the connections to the elements (located on the back of the oven) according to the diagram at the top of this page. If converting from three-phase to single-phase, use the wire that you saved in Step 2 to make one of the connections. (Once more, if you are changing the phase-wiring of a 415V oven, refer to the corresponding wiring diagram for conversion. See page 45.)
- Carefully compare the new wiring connections at the elements, contactor, and supply-power terminal block to the wiring diagram for the oven. (See page 44 for the location of the wiring diagram on the oven, or page 45 for wiring diagrams printed in this manual). Verify that all connections are tight.
- Reattach the element-cover box, right-side panel, and lower-front panel.
- Connect the oven to the power supply according to the procedure on page 15. Note: the supply-power connections depend on whether the supply power is three-phase or single phase, and so will be different than they were prior to the conversion.
Troubleshooting
WARNING
ADJUSTMENTS AND SERVICE WORK MAY BE PERFORMED ONLY BY A QUALIFIED TECHNICIAN WHO IS EXPERIENCED IN, AND KNOWLEDGEABLE WITH, THE OPERATION OF COMMERCIAL COOKING EQUIPMENT. HOWEVER, TO ASSURE YOUR CONFIDENCE, CONTACT YOUR AUTHORIZED SERVICE AGENCY FOR RELIABLE SERVICE, DEPENDABLE ADVICE OR OTHER ASSISTANCE, AND FOR GENUINE FACTORY PARTS.
NOTICE
Warranty will be void and the manufacturer is relieved of all liability if service work is performed by other than a qualified technician, or if other than genuine Southbend replacement parts are installed.
When any difficulty arises it is always a good idea to check that the oven has been connected to the type of voltage for which it was manufactured. The serial plate is located on the inside of the lower front panel. It will list the type of voltage for which the unit was manufactured. In addition, a wiring diagram is attached to the side of the fold down control panel, as well as reproduced in this manual (see page 45).
Performance Standard
The typical time for the oven to heat from 75 °F to 350 °F is 7 to 8 minutes. The heating elements should come on when the actual oven temperature drops to 10 °F below the temperature setting.
Troubleshooting Guide
The left column of the following table lists symptoms that indicate a problem, while the center and right columns list the possible causes and appropriate corrective action. Note that the recommendations of this table assume that the wiring connections are good. When checking a component, always check the wiring attached to the component as well.
| Symptom | Possible Cause | Check or Replace |
| Oven will not hold correct temperature. | Temperature probe not working. | Resistance across temperature probe leads at room temperature (70 °F) should be approximately 1096 ohms. |
| Temperature control not calling for heat. | When heat is required, there should be continuity between terminals 6 and 7 on temperature control. | |
| Inadequate or improper ventilation. | Check ventilation hood. Verify draw and make up air adjustment. | |
| Out of calibration. | Calibrate according to procedure described on page 40. | |
| Blower motor will not come on. | No incoming electric power. | Check incoming power. |
| Loose wire connections. | Check wire connections. | |
| Bad contactor. | Contactor pull in and supply power to motor. Verify contactor pulling in. | |
| Motor bad. | If power is being supplied but motor will not turn, replace motor. | |
| Shut down switch. | All power except for motor supply come through shut down switch. Check for continuity. |
Control Panel Access and Shut-Off Switch
To access the control panel components, remove the screw at the top of the control panel and pull the top of the control panel out and down (see drawing below). A wiring diagram for the oven is located on the side of the control panel assembly. When the control panel is folded down, all power to the control panel is cut off by a shut down switch that is located directly behind and below the control panel. To re-energize the controls for troubleshooting, pull the white plunger on the shut down switch up.

Blower Wheel Replacement
To replace the blower wheel, do the following:
- Remove racks and rack guides.
- Remove rear air baffle in front of blower wheel.
- Loosen the two square heads on blower wheel hub.
- Pull blower wheel from motor shaft. If blower wheel is difficult to pull off, use puller disk (available from Southbend as part number 1179100).
Wiring Diagrams
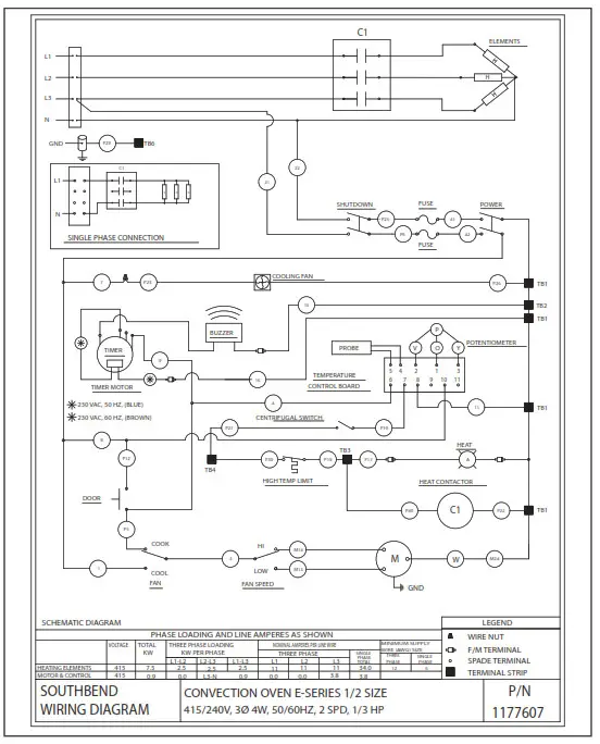
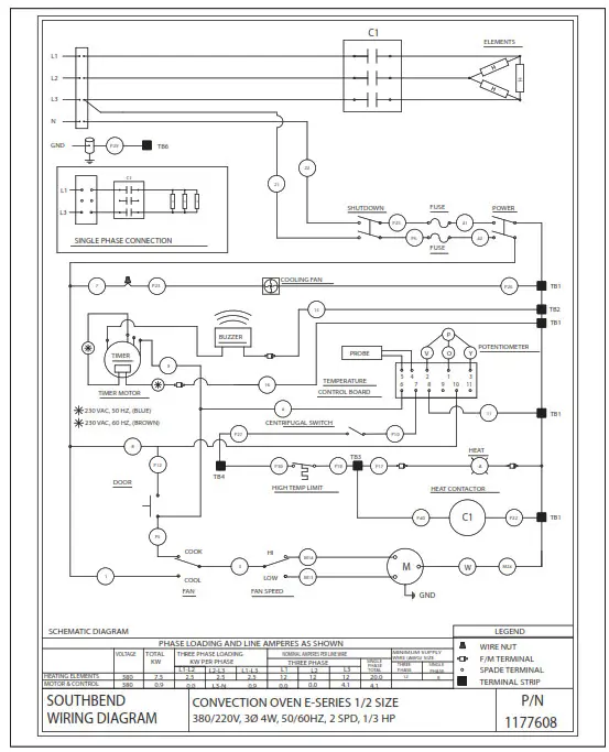
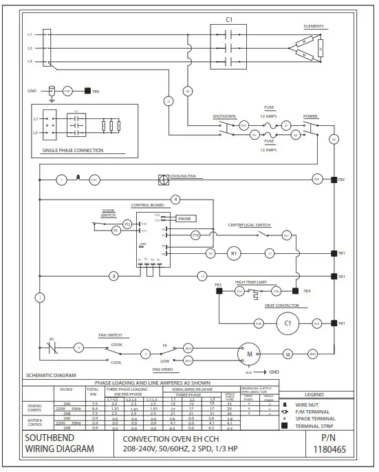
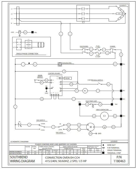
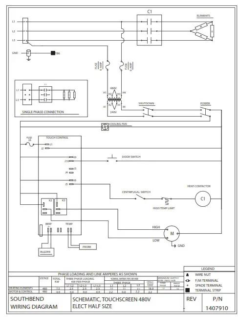
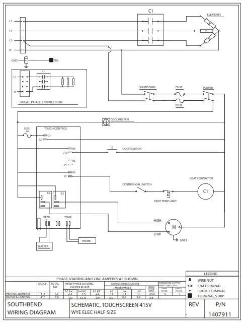
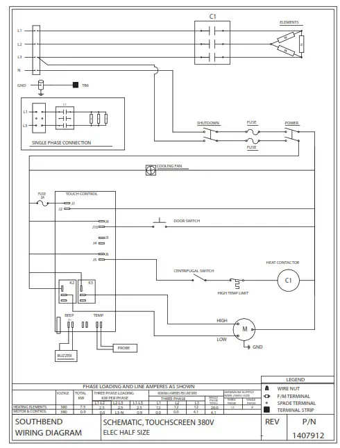
A wiring diagram is located on the side of the control panel assembly (as shown on above). Wiring diagrams also appear on the following pages of this manual. Which wiring diagram is appropriate depends on the voltage and type of controls.
| Index of WirinG DiaGrams | |
| PaGe Number | VoltaGe and Type of Controls |
| 46 | 208-240 Volt Models with Standard Controls |
| 47 | 480 Volt Models with Standard Controls |
| 48 | 415/240 Volt Models with Standard Controls |
| 49 | 380/220 Volt Models with Standard Controls |
| 50 | 208-240 Volt Models with Cycle/Cook & Hold Controls |
| 51 | 480 Volt Models with Cycle/Cook & Hold Controls |
| 52 | 415/240 Volt Models with Cycle/Cook & Hold Controls |
| 53 | 380/220 Volt Models with Cycle/Cook & Hold Controls |
| 54 | 208/240 Volt Electric Touchscreen Models |
| 55 | 480 Volt Electric Touchscreen Models |
| 56 | 415 Volt WYE Electric Touchscreen Models |
| 57 | 380 Volt Electric Touchscreen Models |
Wiring Diagram for 208/240 Volt Models with Standard Controls

Wiring Diagram for 480 Volt Models with Standard Controls

Wiring Diagram for 415/240 Volt Models with Standard Controls

Wiring Diagram for 380/220 Volt Models with Standard Controls

Wiring Diagram for 208-240 Volt Models with Cycle/Cook & Hold Controls

Wiring Diagram for 480 Volt Models with Cycle/Cook & Hold Controls

Wiring Diagram for 415/240 Volt Models with Cycle/Cook & Hold Controls

Wiring Diagram for 380/220 Volt Models with Cycle/Cook & Hold Controls

Wiring Diagram for 208/240 Volt Electric Half Size Touchscreen Models

Wiring Diagram for 480 Volt Electric Half Size Touchscreen Models

Wiring Diagram for 415 Volt WYE Electric Half Size Touchscreen Models

Wiring Diagram for 380 Volt Electric Half Size Touchscreen Models

Parts
NOTICE
INSTALLATION OF OTHER THAN GENUINE SOUTHBEND PARTS WILL VOID THE WARRANTY ON THIS EQUIPMENT.
The serial plate with voltage, model, and serial information is located inside the lower front panel of the oven.
Replacement parts may be ordered either through a Southbend Authorized Parts Distributor or a Southbend Authorized Service Agency.
When ordering parts, please supply the Model Number, Serial Number, Part Number, Description, Finish, and Electrical Characteristics as applicable.
For parts not listed, consult a Southbend Authorized Parts Distributor or Southbend Authorized Service Agency. Consult the Southbend Authorized Parts/Service Distributor list for the Authorized Parts supplier in your area.
| Index of Parts DiaGrams | |
| PaGe Number | Description |
| 59 | Vent Knob, Door Gaskets, and Front Louver Panel Parts |
| 60 | Door, Door Latch, and Shutdown Switch Parts |
| 62 | Control Panel Parts for Models with Standard Controls (SC Models) |
| 64 | Control Panel Parts for Cycle/Cook and Hold Models (CCH Models) |
| 66 | Control Panel Parts for 208/380/415 Volt Models with Touchscreen |
| 68 | Control Panel Parts for 480 Volt Models with Touchscreen |
| 70 | Oven Interior and Side-Compartment Parts |
| 72 | Leg Parts for Single-Deck Models |
| 73 | Storage Rack Parts |
| 74 | Double-Deck Oven Stacking Parts |
| 75 | Leg Parts for Double-Deck Ovens |
Vent Knob, Door Gaskets, and Front Louver Panel Parts

| Key | Part Number | Qty | Description |
| 1 | 1175401 | 1 | Knob, black 1/40 w/set screw |
| 2 | 1177481 | 1 | Seal, top door |
| 3 | 1177480 | 2 | Seal, left & right door |
| 4 | 1177496 | 1 | Seal, bottom door |
| 5 | 1181330 | 1 | Panel, louver front |
| 6 | 1172716 | 1 | Nameplate, Southbend |
| Door, Door Latch, and Shutdown Switch Parts | |||
| See drawing on following page. | |||
| Key | Part Number | Qty | Description |
| 1 | 1164527 | 1 | Bushing-upper, bronze (Oilite) |
| 2 | 1092000 | 4 | Bearing-upper, thrust (Oilite) |
| 3 | 1177550 | 1 | Pin-upper, door |
| 4 | 1177549 | 1 | Pin-lower, door |
| 5 | 1164547 | 1 | Bearing-lower, thrust (Oilite) |
| 6 | 1164527 | 1 | Bushing-lower, bronze (Oilite) |
| 7 | 1179899 | 1 | Actuator, door switch |
| 8 | 1180938 | 1 | Latch & striker, door |
| 9 | 1177567 | 1 | Switch, door |
| 10 | 1179900 | 1 | Bracket, door switch |
| 11 | 1177566 | 1 | Switch, shutdown |
| 12 | 1177495 | 1 | Bracket, shutdown switch |
Door, Door Latch, and Shutdown Switch Parts
See parts list on previous page.

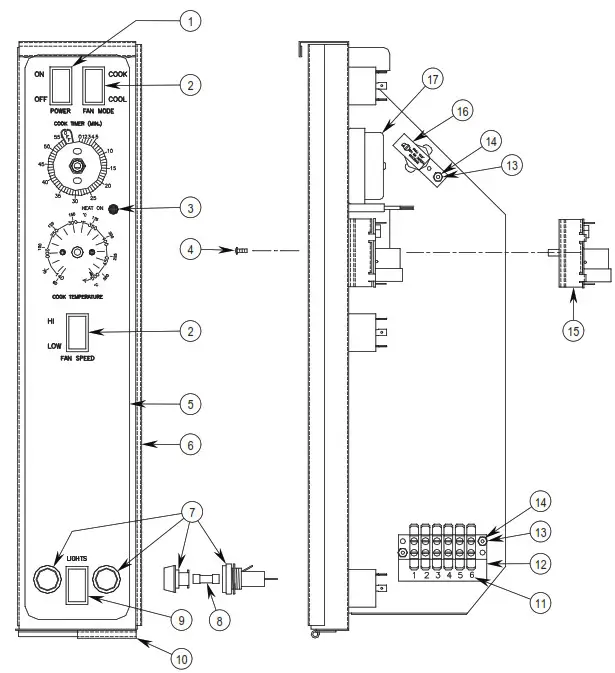
| Control Panel Parts for Models with Standard Controls (SC Models) | |||
| See drawing on following page. | |||
| Key | Part Number | Qty | Description |
| 1-17 | 1179707 | 1 | Control panel s/a, SC, 60Hz, M-Gold, 208/380/415V (assembled, w/o wiring harness) |
| 1179656 | 1 | Control panel s/a, SC, 60Hz, M-Gold, 480V (assembled, w/o wiring harness) | |
| * | 1179593 | 1 | Wiring harness, SC |
| 1 | 1177541 | 1 | Rocker switch-DPST- (on-off) |
| 2 | 1177540 | 2 | Rocker switch-SPDT (on-on) |
| 3 | 1170350 | 1 | Light, amber, 240V, signal |
| 4 | 6600334 | 2 | Screw, 6-32, 3/8 |
| 5 | 1177785 | 1 | Polypanel, M-Gold |
| 6 | 1177556 | 1 | Front control panel |
| 7 | 1170424 | 2 | Fuse holder |
| 8 | 1170425 | 2 | Fuse, 12 amp #LP-CC-12 low peak |
| 9 | 1177642 | 1 | Plug, square |
| 10 | 1175046 | 1 | Left control panel hinge |
| 11 | 1170336 | 1 | Marker strip |
| 12 | 1170335 | 1 | Terminal block |
| 13 | 6600430 | 3 | Locknut, 8-32 |
| 14 | 1146397 | 3 | Screw 8-32 x 5/8 s/steel pan head |
| 15 | 1181998 | 1 | Cntl board/analog potentiometer |
| 16 | 1175708 | 1 | Buzzer, adjustable, 240VAC |
| 17 | 1176416 | 1 | Timer, motorized, 240V, 60Hz |
| 1176436 | 1 | Timer, motorized, 240V, 50Hz | |
| * | 1172753 | 1 | Thermostat probe (for units built before October 1, 2000) |
| 1181996 | 1 | Thermostat probe (for units built on or after October 1, 2000) | |
| * | 1170337 | 2 | Control knob |
| * | 1166609 | 10 | Ties, cable, ty-rap, 4″ |
| * not shown on drawing. | |||
Control Panel Parts for Models with Standard Controls (SC Models)
See parts list on previous page.

| Control Panel Parts for Cycle/Cook and Hold Models (CCH Models) | |||
| See drawing on following page. | |||
| Key | Part Number | Qty | Description |
| 1-16 | 1180487 | 1 | Control panel s/a, CCH, 60Hz, M-Gold, 220/380/415V (assembled, w/o wiring harness) |
| 1180489 | 1 | Control panel s/a, CCH, 60Hz, M-Gold, 480V (assembled, w/o wiring harness) | |
| * | 1180484 | 1 | Wiring harness, CCH |
| 1 | 1177541 | 1 | Rocker switch-DPST- (on-off) |
| 2 | 1177540 | 2 | Rocker switch-SPDT (on-on) |
| 3 | 1180350 | 1 | Polypanel, CCH, M-Gold |
| 4 | 1180479 | 1 | Front control panel s/a, CCH |
| 5 | 1170424 | 2 | Fuse holder |
| 6 | 1170425 | 2 | Fuse, 12 amp #LP-CC-12 low peak |
| 7 | 1177642 | 1 | Plug, square |
| 8 | 1175046 | 1 | Left control panel hinge |
| 9 | 1170336 | 1 | Marker strip |
| 10 | 1170335 | 1 | Terminal block |
| 11 | 6600430 | 4 | Locknut, 8-32 |
| 12 | 1146397 | 4 | Screw 8-32 x 5/8 s/steel pan head |
| 13 | 1180404 | 4 | Spacer, control |
| 14 | 1180407 | 1 | Control, CCH |
| 15 | 1146400 | 4 | Nut, #6-32 hex |
| 16 | 1180499 | 1 | Relay, 208/240V |
| * | 1172753 | 1 | Thermostat probe (for units built before October 1, 2000) |
| 1181996 | 1 | Thermostat probe (for units built on or after October 1, 2000) | |
| * | 1166609 | 10 | Ties, cable, ty-rap, 4″ |
| * not shown on drawing. | |||
Control Panel Parts for Cycle/Cook and Hold Models (CCH Models)
See parts list on previous page.

| Control Panel Parts for 208/380/415 Volt Models with Touchscreen | |||
| See drawing on following page. | |||
| Key | Part Number | Qty | Description |
| 1 | 1408029 | 1 | FRONT, CONTROL PANEL ASSEMBLY, TC, HALF |
| 2 | 1407381 | 1 | CONTROL, TOUCHSCREEN, C/O |
| 3 | 1407994 | 1 | POLYPNL, TOUCHSCREEN, HALF |
| 4 | 1177541 | 1 | SWITCH, BLACK SMOOTHED (POWER) |
| 5 | 1408027 | 1 | BUZZER ASSEMBLY, C/O |
| 6 | 1408028 | 1 | FUSE, LP-CC-2 AMP |
| 7 | 1170424 | 3 | FUSEHOLDER |
| 8 | 1170425 | 2 | FUSE, LP-CC-12 AMP |
| 9 | 1146400 | 6 | NUT, 6-32, HEX, ZINC |
| 10 | 1146319 | 2 | SCREW, 6-32X1/2 ROUND HD |
| 11 | 1408067 | 1 | WIRING HARNESS, TC, ELECTRIC, HALF |
Control Panel Parts for 208/380/415 Volt Models with Touchscreen
See parts list on previous page.

| Control Panel Parts for 480 Volt Models with Touchscreen | |||
| See drawing on following page. | |||
| Key | Part Number | Qty | Description |
| 1 | 1408029 | 1 | FRONT, CONTROL PANEL ASSEMBLY, TC, HALF |
| 2 | 1407381 | 1 | CONTROL, TOUCHSCREEN, C/O |
| 3 | 1407994 | 1 | POLYPNL, TOUCHSCREEN, HALF |
| 4 | 1177541 | 1 | SWITCH, BLACK SMOOTHED (POWER) |
| 5 | 1408027 | 1 | BUZZER ASSEMBLY, C/O |
| 6 | 1408028 | 1 | FUSE, LP-CC-2 AMP |
| 7 | 1170424 | 3 | FUSEHOLDER |
| 8 | 1170425 | 2 | FUSE, LP-CC-12 AMP |
| 9 | 1146400 | 6 | NUT, 6-32, HEX, ZINC |
| 10 | 1146319 | 2 | SCREW, 6-32X1/2 ROUND HD |
| 11 | 1408067 | 1 | WIRING HARNESS, TC, ELECTRIC, HALF |
Control Panel Parts for 480 Volt Models with Touchscreen
See parts list on previous page.

| Oven Interior and Side-Compartment Parts | |||
| See drawing on following page. | |||
| Key | Part Number | Qty | Description |
| 1 | 1177472 | 2 | Rack, guide 11 position |
| 2 | 1177469 | 2 | Rack, oven |
| 3 | 6660 | 8 | Clip, side rack support |
|
4-7 | 1178092 | 1 | Complete element assembly, 208V |
| 1178093 | 1 | Complete element assembly, 240V | |
| 1178094 | 1 | Complete element assembly, 380V | |
| 1178095 | 1 | Complete element assembly, 480V | |
|
4 | 1178088 | 3 | Element, heating, 208V |
| 1178089 | 3 | Element, heating, 240V | |
| 1178090 | 3 | Element, heating, 380V | |
| 1178091 | 3 | Element, heating, 480V | |
| 5 | 1178079 | 2 | Clamp, heating element |
| 6 | 1178078 | 2 | Bracket, heating element |
| 7 | 1078077 | 1 | Plate, element mounting, EH |
| 8 | 1177498 | 2 | Support assembly, top baffle |
| 9 | 1177511 | 1 | Baffle, air enamel |
| 10 | 1177494 | 2 | Support assembly, bottom baffle |
| 11 | 1175734 | 1 | Plate, contactor mounting |
| 12 | 1179680 | 1 | Contactor, element |
| 13 | 1177523 | 1 | Bracket, rear gas pipe |
| 14 | 1179794 | 1 | Fan, cooling 230V |
| 15 | 1179710 | 4 | Spacer, blower motor |
| 16 | 1146264 | 4 | Screw, motor mounting 1/4″ x 2.00 lg. |
| 17 | 1179689 | 1 | Motor assembly, 208/230V, 50/60Hz, GH & EH |
| 18 | 1177518 | 1 | Blower pocket assembly |
| 19 | 1177581 | 1 | Blower wheel assembly, EH |
| * | 1179100 | ** | Puller disk |
| 20 | 1179839 | 1 | Cover, electric element |
| 21 | 1177577 | 1 | Cover assembly, rear exhaust |
| * not shown on drawing. ** not part of oven; may be needed to remove blower wheel. | |||
Oven Interior and Side-Compartment Parts
See parts list on previous page.

Leg Parts for Single-Deck Models

| KEY | PART NUMBER | QTY | DESCRIPTION |
| 1 | 1172857 | 1 | 4″ legs (set of 4) |
| 2 | 1175090 | 4 | Single deck leg, M-Gold (for legs with feet) |
| 3 | 1175089 | 4 | Single deck leg, M-Gold (for legs with casters) |
| 4 | 1174266 | 4 | Adjustable foot for leg |
| * | 1173584 | 4 | Flanged foot (optional replacement for adjustable foot 1174266) |
| 5 | 1174264 | 2 | Caster with brake |
| 6 | 1174263 | 2 | Caster without brake |
| * | 1174265 | 1 | Set of four casters (two with brake, two without brake) |
| * | 1146213 | 16 | 3/8 x 16 x 1 hex head bolt |
| * | 1146513 | 16 | 3/8 lock washer |
| * | 1146522 | 16 | 3/8 flat washer |
| * not shown on drawing. | |||
Storage Rack Parts

| KEY | PART NUMBER | QTY | DESCRIPTION |
| 1-4 | 0-75-0539 | 1 | Cooling rack kit |
| 1 | 1177472 | 2 | Rack guide, 11 pos. |
| 2 | 1181982 | 1 | Stop channel |
| 3 | 1181981 | 1 | Shelf, open rack |
| 4 | 6660 | 8 | Clip, side rack support |
| * | 1146304 | 18 | 10 x 1/2 Phillips screw |
| * not shown on drawing. | |||
Double-Deck Oven Stacking Parts

| Key | Part Number | Qty | Description |
| 1 | 1146213 | 2 | Bolts |
| 2 | 1175085 | 1 | Tie bracket |
Leg Parts for Double-Deck Ovens

| KEY | PART NUMBER | QTY | DESCRIPTION |
| 1 | 1172788 | 4 | Leg pad |
| 2 | 1174259 | 4 | SS leg, 314″ stud |
| 1174260 | 1 | Leg package (set of four legs only) | |
| 3 | 1174264 | 2 | Caster with brake |
| 4 | 1174263 | 2 | Caster without brake |
| * | 1174265 | 1 | Set of four casters (two with brake, two without brake) |
| * | 1146213 | 16 | 3/8 x 16 x 1 hex head bolt |
| * | 1146513 | 16 | 3/8 lock washer |
| * | 1146522 | 16 | 3/8 flat washer |
| * not shown on drawing. | |||
EH-10CCH, EH-10SC, EH-10TC
EH-20CCH, EH-20SC & EH-20TC
Marathoner Gold Half-Size
Electric Convection Ovens
![]()
SOUTHBEND
A Middleby Company
1100 Old Honeycutt Road Fuquay-Varina, North Carolina 27526 USA
www.southbendnc.com![]()
INSTALLATION & OPERATION MANUAL 1184093 REV 4 (01/23)






NOTICE






Cooking Hints


















