metos CHEF 240 Convection Oven

General
Carefully read the instructions in this manual as they contain important information regarding proper, ef-ficient and safe installation, use and maintenance of the appliance.
Keep this manual in a safe place for eventual use by other operators of the appliance. The installation of this appliance must be carried out in accordance with the manufacturer’s instructions and following local regulations. The connection of the appliance to the electric and water supply must be carried out by qualified persons only. Persons using this appliance should be specifically trained in its operation. Switch off the appliance in case of failure or malfunction. Have the appliance serviced by a technically qualified person authorized by the manufacturer and using original spare parts. Not complying with the above may put the safety of the appliance in danger.
Symbols used in the manual
- This symbol informs about a situation where a safety risk might be at hand. Given instructions are manda-tory in order to prevent injury.
- This symbol informs about the right way to perform in order to prevent bad results, appliance damage or hazardous situations.
- This symbol informs about recommendations and hints that help to get the best performance out of the appliance.
Symbols used on the appliance
- This symbol on a part informs about electrical terminals behind the part. The removal of the part must be carried out by qualified persons only.
Checking the relationship of the appliance and the manual
The rating plate of the appliance indicates the serial number of the appliance. If the manuals are missing, it is possible to order new ones from the manufacturer or the local representative. When ordering new manuals it is essential to quote the serial number shown on the rating plate.
Safety
Safe use of the appliance
- An oven is a warming device which heats up when used. For this reason, please observe the following instructions to avoid the risk of burns.
- The edges of the door become hot when the oven is used for longer periods.
- Use the oven gloves when handling hot ovenware and baking plates.
- Beware of hot steam escaping from inside the oven when opening the oven door.
- Containers filled with liquid or substances that become liquid during cooking should be placed at such a height that the user can look into the container in the oven (DIN: IEC 60335-2-42).
- Do not leave the oven on completely unattended for long periods.
- The air distribution plate in front of the fan inside the oven must be kept in the proper position when the oven is in use.
Disposal of the appliance
Once the appliance has reached the end of its useful life, it must be disposed of in compliance with lo-cal rules and regulations. The appliance may contain substances/materials which potentially have an adverse impact on the environment as well as recyclable materials. The best way of dealing with such substances is to dispose of them through a proper waste company.
Functional description
Intended use of the appliance
The Metos Chef 240 -convection oven is intended for cooking and browning food, baking and for heating convenience meals and keeping food warm.
Use for other purposes
- Use of the appliance for any other purposes than that mentioned above is prohibited.
- The manufacturer shall not be held liable for any situations which may arise from failure to comply with the warnings and instructions given in this manual.
Construction
In addition to a single oven, two or three ovens can be stacked on top of another on a stand forming a roasting and baking station. One or two convection ovens can also be replaced by a Chef 220 roasting-baking oven or a Chef 200 proving cabinet. This manual covers the Chef 240 convection ovens, while Chef 220 and Chef 200 have their own manu-als.
Operating principle
In convection ovens, cooking takes place by hot air circulating around the food. Rapidly circulating air is fanned around the food from all sides to cook effectively and evenly. Moisture can be used to further boost cooking of certain products. This also affects food quality and reduces weight loss. The oven is also fitted with a steam outlet valve for removing superfluous steam from the oven chamber.
Control panel switches

Control panel switches Chef 240
- Steam exhaust valve. The steam exhaust valve can be used to remove excess steam and moisture from inside the oven.
- Thermostat lamp. The orange lamp is on when the heating elements are on.
- Thermostat switch. To set the temperature between +50ºC and +300ºC.
- Oven-on lamp. The green lamp is lights up when the oven is switched on.
- Timer. Stepless control 0-120 minutes or continuous use (position I). The timer has a sound feature which rings when the timer is in position 0.
- Moistening device. Moisture is added when the switch is turned clockwise and the pilot light is on.
Operation instructions
Before using the appliance
- Using the appliance for the first time or when heating elements or cooking plates have been changed, turn on plates and ovens at MINIMUM temperature for SEVERAL hours or until the insulation resistance is OK. This allows remaining humidity in the heating elements and cooking plates to dry up. In fact, on first connection, the earth insulation can be relatively inadequate, but after the above-mentioned ini-tialization run the insulation level will normally be re-established according to CEI 18-6 part 307 regulations.
- Setting the power or temperature to maximum right away at first run may damage the heating elements or the cooking plates.
- In unclear cases contact our technical support: technical.[email protected]
- There is a slight smell of metal and thermal insulation when the oven is heated for the first time. This is completely normal and disappears by heating the oven. Before using the oven for the first time, heat it to a temperature of +250ºC until the smell disappears.
Choice of the ovenware
Choose the ovenware according to the type of food to be cooked:
- Casseroles: GN1/1-65 mm (RST 18/8). Avoid 100 mm deep containers as these may give an uneven result.
- Oven pancakes: GN1/1-40 mm, aluminium.
- Pasties, buns, rolls: GN2/1 baking plate, aluminium.
- Convenience meals: GN2/1 grid, RST 18/8.
How to fill the oven
Correct filling of the oven and the right choice of ovenware ensure the best possible cooking result. Fill the guide rails leaving a sufficient gap between the ovenware, so the products will cook evenly. If you use grids or baking plates, leave a generous space between the products you are cooking. These two points are essential to achieve a good cooking result.
Operation procedures
Before cooking,
The oven must be preheated to cooking temperature before actual cooking begins. This is to heat the whole oven to the correct temperature so as to ensure the best possible cooking results.
- Choose the right guide rails: 2 pairs of rails for baking, roasting and browning, 3 pairs of rails for baking small and light products.
- Set the timer (see Figure “Control panel switches”) at 20 minutes. When setting the time, first turn the timer past the desired setting value and then back to the desired value.
- Set the temperature at 250ºC, if the oven is loaded to max. capacity with cold products. (After load-ing the oven, required roasting temperature is set.) If smaller amounts of products are roasted, the preheating can be done with the roasting temperature.
- The oven is ready for use when the timer signals to tell you that time is up.
- When the door is closed, the oven will remain hot for a long time, even though it is not switched on.
How to select cooking temperature,
Because a convection oven is so effective, cooking temperatures should be around 20ºC lower than they would in a conventional oven.
Cooking time depends on food quality, weight and thickness. The shallower the food to be cooked is, the shorter the cooking time. See “Cooking tips” later in this chapter.
Using the oven
- If the oven is used on board a ship, the oven guide rails must be positioned inside the oven so that the clip which prevents the ovenware from sliding out of the guide is on the door side. Should the clip be against the rear wall inside the oven, remove the rails and swap them around.
- There may be a main supply disconnection switch fitted near the oven (usually on the wall) when the oven was installed. Ensure that this switch is in the ON position.
- Oven functions are operated from the control panel (see Figure “Control panel switches” in Chapter “Functional description/Operating principle”).
Cooking
- Carefully preheat the oven as instructed in “Before cooking”.
- Turn the handle clockwise (or counter clockwise) to open the oven door. To close the door, push the handle until you hear a distinct click.
- Put the food in the oven.
- Set the timer (see Figure “Control panel switches”) at the required cooking time and the thermostat switch at the required cooking temperature.
- When the set cooking time is over, the heating and the fan will switch off automatically and a signal will tell you that you can take the food out of the oven.
- Switch the power off at the thermostat, whereupon the buzzer also stops sounding.
- Open the door. Beware of escaping steam.
In the event of uneven cooking check that
- the oven has been installed horizontally
- the oven has been preheated as instructed
- the cooking temperature is correct
- the cooking pan is correct
- the oven has been correctly filled.
In the event of interruptions in the electricity supply when the proving cabinet is in use, turn all switches to the 0 position to prevent the proving cabinet from coming on unexpectedly when the power cut has ended.
Moistening function
In the moistening function, water passes through the nozzle to the hot air of the fan where it vaporises and is distributed evenly inside the oven by currents of air.
Moisturing varies a little depending on network pressure. The effect of pressure on the amount of moistur-ing water is given in the table below.
| Moistening / pressure | Chef 240 | |
| Adjustment range | Factory setting | |
| <_3bar | 10-220 ml/min | 45 ml/min |
| 2 bar | 8-180 ml/min | 35 ml/min |
| 1 bar | 5-80 ml/min | 20 ml/min |
It is not allowed to use the moistening function at temperatures below 150°C, because part of the water does not then vaporize. Non-vaporized water will splash in droplets onto the surfaces of the oven chamber, keeping them moist and finally gathering into pools on the chamber bottom. If water is very calcareous (hard), calcareous deposits will form onto the oven surfaces. As to corrosion, the most harmful substances present in the water are chloride ions. When non-vaporized water gradually vaporises, the chloride content of water will increase, intensifying the corrosive effect. Corrosion caused by chlorides is a chemical process, which only occurs in humid conditions. The longer the surfaces remain moist, the greater is the corrosive effect. To avoid corrosion, do not use the moistening function at low temperatures (below 150°C) and make sure that the moistening water vaporises immediately so that the oven’s interior surfaces remain as dry as possible.
Use of the moistening function
- Switch the moistening function on by turning the switch in a clockwise direction (see Figure “Control panel switches”).
- If needed, the factory setting of the moistening device can be adjusted by authorised service personnel.
- If water gathers on the oven bottom during moistening, it is advisable to reduce the factory setting so that all the water vaporises immediately.
- Use of the moistening function reduces weight loss and drying out and heats the food faster.
- We recommend using the moistening function as follows:
- When heating food throughout the heating process. Remove lids from individually packed foods such as meatballs. Heating times will be reduced by 1/3-1/2 of those given.
- To cook joints and meat loaf, but not browning.
- To cook casseroles (steam panel closed).
- When baking, because moisture promotes rising. Use in the early stage of baking.
Open the oven door cautiously, because hot steam can easily cause scalding.
Steam removal
- The steam exhaust valve (see Figure “Control panel switches”) is normally closed to prevent moisture from being lost from inside the oven.
- If there is too much steam inside the oven (water droplets on the bottom of cake tins), open the steam exhaust valve to remove the moisture.
- The steam exhaust valve should be fully open when roasting and cooking gratin dishes.
After use
Cleaning
Use of a hose or pressure washer to clean the appliance is forbidden. Before cleaning the oven, please remember that it remains hot for a long time after use.Ovens are electrical appliances, which means that there are restrictions regarding cleaning them with wa-ter. Use of water is permitted when cleaning the oven inside. Clean the outside of the oven with a damp cloth only to avoid water getting into the air inlets. Depending on how dirty the oven is, use an alkaline substance which can be diluted in a spray bottle to loosen grease.It is of utmost importance to keep the interior surfaces of an oven clean. A thin passive layer will form on stainless steel surfaces, giving a protective layer to the steel. A dirty oven and chlorides crystallized on the surface, combined with a humid and warm environment, break the protective passive layer, not al-lowing it to regenerate and thus exposing the interior surfaces to corrosion. Regular cleaning decreases the collection of chloride ions on the oven’s interior surfaces. The more you use the moistening function in food preparation, the more important it is to clean the oven daily and regularly to prevent corrosion.
Daily cleaning
Spray diluted detergent solution into the inside of the cold (below +50ºC) oven, and on e inside surface of the door. Heat the oven to about +50ºC (not essential), switch off at the mains and let the detergent work for about 15 minutes. Use a brush or lint-free cloth to scrub the burned places. Avoid the use of steel wool and abrasive pads and use chemical cleaners instead of mechanical ones. Once a surface is scratched, dirt sticks to it much more easily. Wipe the loosened dirt and detergent carefully with a damp cloth. After washing, dry the oven by heating. After cleaning the inside of the oven, wipe the outside surfaces, knobs and handrail.
Cleaning the guide rails and the suction plate
When cleaning the oven thoroughly, loosen, soak and wash the guide rails and the suction plate. The guide rails and the suction plate can be easily removed and conveniently washed in a dishwasher.
To remove the guide rails:
- Lift the guide rails upwards.
- Pull the guide rails towards the centre of the oven chamber.
- Pull the guide rails out of the oven chamber.
To remove the suction plate:
- With your fingers unscrew the two screws fixing the suction plate to the bottom of the oven chamber.
- With your fingers unscrew the two screws fixing the suction plate to the ceiling of the oven chamber.
- Pull the suction plate out of the oven chamber.
After cleaning, replace the suction plate and the guide rails in the opposite order
Cleaning of external surfaces of the door

The external glass of the door can be opened for cleaning. Unscrew the two screws shown in the picture and turn the external glass carefully downward until it stays fully open. Spray diluted detergent solution onto the door’s metal surfaces between the glasses and onto the glass surfaces. Let the detergent work for about 15 minutes. Wipe the loosened dirt and detergent carefully with a damp cloth. After cleaning, return the external glass to its former position. Fit the screws in place and tighten carefully.
How to change the oven bulb
To change the burnt lamp, do the following:
- Let the oven cool so that you can put your bare hand inside the oven without burning it.
- Ensure that the oven is switched off. All controls should be in the 0 position.
- Unscrew the lens of the oven lamp using your fingers.
- Pull the lamp out of the socket.
- Put a new lamp into the socket. Lamp type: OSRAM Halogen lamp 300°C G9 230V 25W.
- Fit the lens in place and tighten slightly.
- Use of the appliance is strictly prohibited if the lens of the oven lamp is broken or not properly in place.
- Do not overtighten the lens after replacement of the lamp.
Other service measures
- This appliance does not contain parts which can be serviced by the user. Maintenance must be carried out by an authorised agent.
- In the event of fault or malfunction, switch the appliance off at the mains. Use an agent authorised by the manufacturer and original spare parts.
Installation
General
Please read these instructions carefully as they contain important information regarding installation. The installation of this appliance must be carried out in accordance with the manufacturer’s instructions and in compliance with local rules and regulations. These instructions must be used together with the installation drawings.
- This appliance may be connected to the mains electricity and to the water supply by qualified persons only.
Transporting and unpacking the appliance
The appliance is best transported in its own package, which protects it from outside damage. Should it be necessary to remove the appliance from its package, the appliance, which is on a support base, must be moved by lifting by the intermediate bearers of the base. To prevent damage, the top of the appliance must not be used as a worktop during installation.
Fastening the appliance to the stand
Standard ovens/proving cabinets delivered separately are fastened to the stand with the help of the in-stallation kit supplied with the appliance. Prior to fastening the stand, remove the adjustable feet (4 pcs.) located on the appliance bottom. The feets come loose by turning by hand. Fasten the stand as shown in the illustration below, using the com-ponents 1, 4 and 5.
- Nut, 4 pcs
- Chef oven/proving cabinet
- Stand
- Washer, 4 pcs
- Hexagon screw, 4 pcs
- Adjustable foot in the bottom of the device, 4 pcs
- The stand’s adjustable foot, 4 pcs
Installation of a Chef oven group
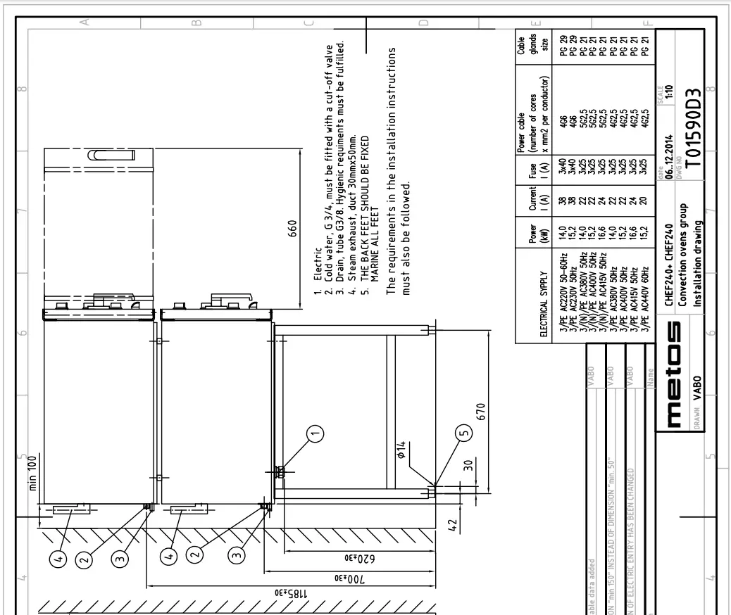
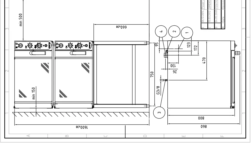
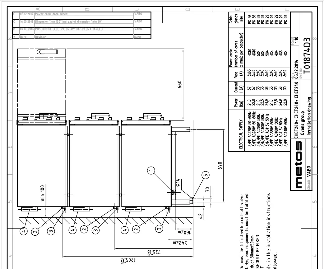
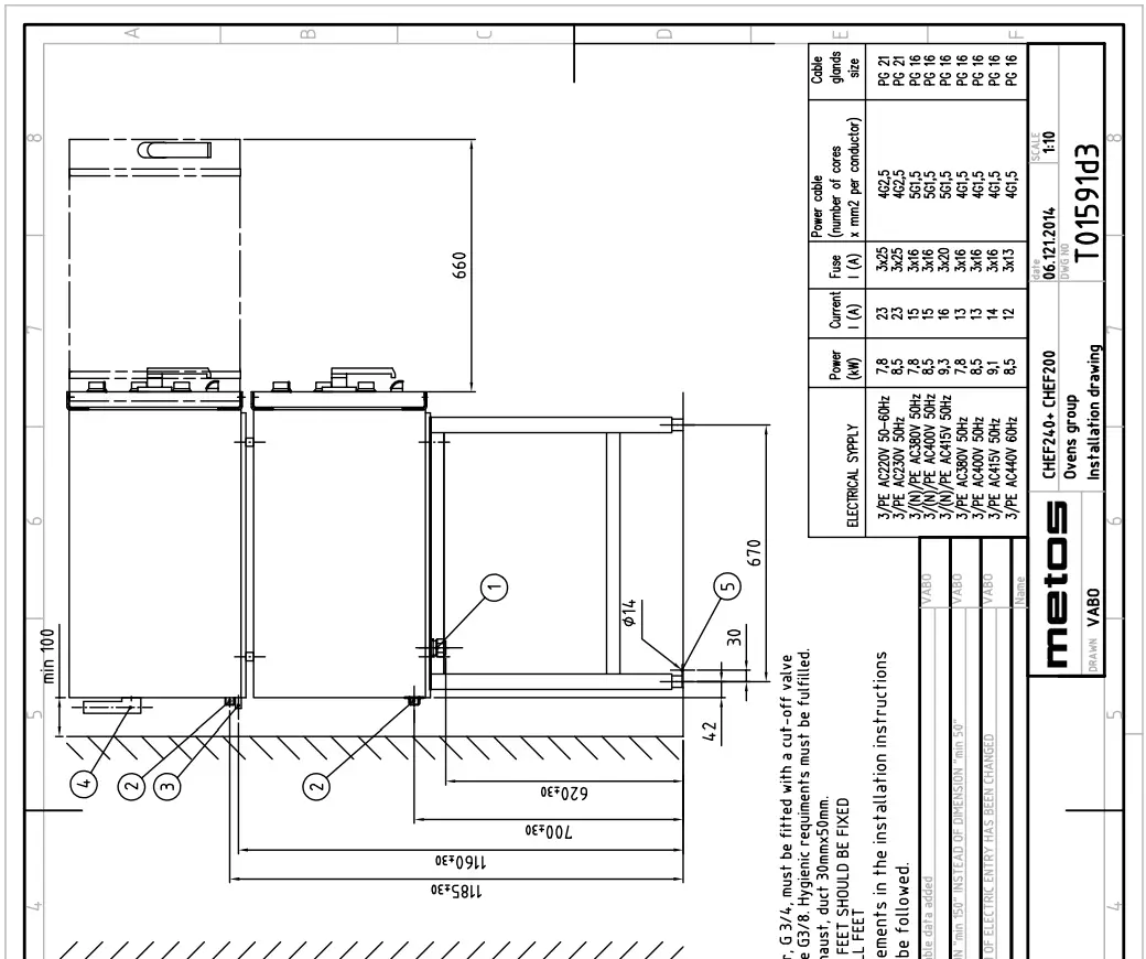
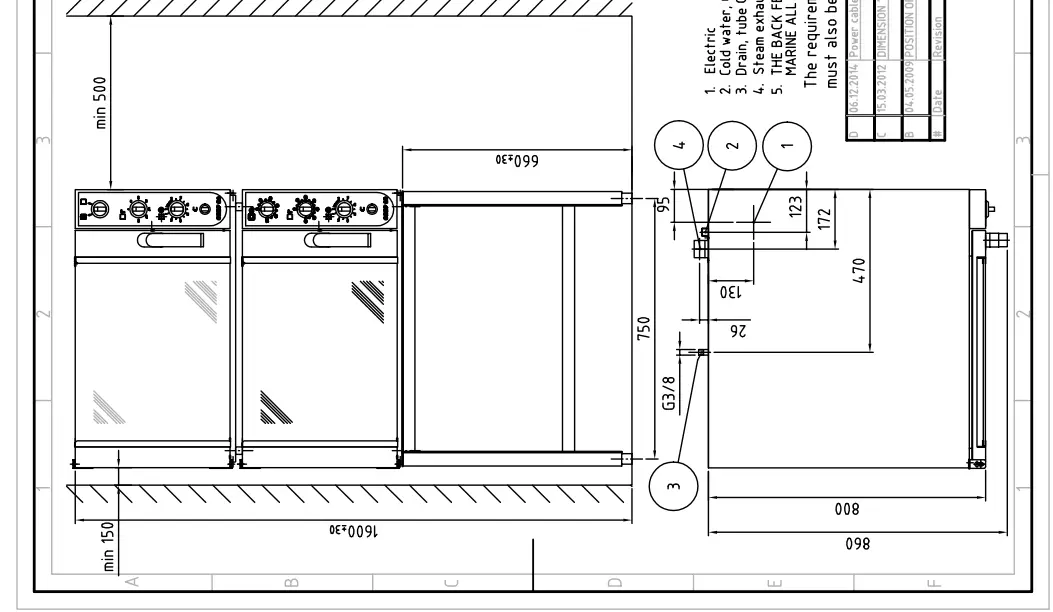
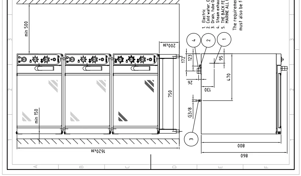
The appliances can be assembled to form combinations of two or three units by stacking them on top of each other. The stand height for two units is 660 mm and for three units 200 mm. For assembly of the oven group a special spare parts kit is necessary. The kit can be ordered separately. Code for the spare parts kit is 3752352. Refer to your local supplier for details. Assembly of the oven group can be carried out by an agent authorized by the manufacturer.
Positioning the appliance
- When installing the appliance, care should be given to ensure that there is a free passage of cooling air around the appliance and that there are no other sources of heat near the cooling vents.
- Because of the heat and steam arising during cooking, it is recommended to place the oven under an exhaust hood.
- It is important to install the appliance in a level, horizontal position. Tilting and unevenness, however slight, may have an adverse effect on the cooking result.
- The appliance must be placed on a flat surface and levelled into a horizontal position by using the adjust-ment screws on the legs. For the best result, check horizontality by the guide rails inside the proving cabinet.
- To achieve a horizontal position, adjust the adjustable feet of the stand.
- When the device is in the right place and in a horizontal position, it must be fixed to the floor, land models on the flanges of the rear legs and models intended for marine use on the flanges of each leg.
Electrical connections
- Should maintenance require the appliance to be tested before all the protective coverings are in place, please be particularly careful of the moving parts inside the casing as well as of live parts.
- To facilitate future maintenance and to increase safety, install a separate disconnection switch for the oven in the immediate vicinity of the appliance. The switch should disconnect the appliance completely from the mains supply.
- The supply cable inlet is in the back right-hand corner of the oven and the connection point inside the oven. The side casing needs to be open to connect the oven to the mains.
- All information needed to connect the appliance is to be found on the name plate, the connection diagram and the installation drawing.
Water connections
Connection to the cold water supply must be made by a 12 mm thick pressure resistant hose fitted with an R3/4” female connector. The water connection must be fitted with a shut-off valve and a non-return valve. Rinse the water hose before making the water connection.
Requirements for water quality
A general assumption is that the appliance material is defective when hard-to-clean deposits or corro-sion appear on the surface. Usually this is, however, due to the aggressive nature of water and harmful components it contains as well as to negligence of cleaning the appliance. Quality criteria, both national and based on EU directives, exist for tap water. E.g. calcium and magne-sium that cause water hardness are useful substances for health, but in appliances they cause harmful scale. Chlorides, on the other hand, provide a favourable soil for corrosion even in small contents when combined with a humid and warm environment. The smaller chloride content, the better is the situation. In order to guarantee a long service life for an appliance we recommend the following limit values for water quality.
- Chloride content (Cl¯ ) < 25 mg/l
- Conductibility < 40mS/m
- pH 7-8,8
- Hardness 2-5°dH = 0,4 – 0,7 – 0,9 mmol/l
Various kinds of filters and water softeners can be used if water quality deviates from normal.
Draining
The water is drained off by gravity through a drain hose connected to the oven drain tube by means of an R3/8 thread connector.
- The drain line must be outside the perimeter of the oven.
- It is prohibited to fit the drain hose directly with the drain line. The air clearance of at least 25 mm between the hose end and the drain line (drain cup) must be ensured.
Installation completion
When the installation is complete, check that all connections have been correctly made.
Test-run
Please read the safety and operation instructions as well as the functional description before testing the oven. As for other appliances possibly included in the baking station, see separate manuals. Test the oven once it has been connected to the mains electricity.
Check that
- the green oven-on lamp lights up when the oven is switched on
- the orange thermostat lamp lights up when the thermostat is turned in a clockwise direction
- the orange thermostat lamp goes out once the oven has heated up and reached the temperature set
- the green moistening lamp lights up when the switch is turned in a clockwise direction and moisture enters the inside of the oven (200°C). In case the water does not vaporise completely and splashes in droplets onto the chamber walls collecting water on the oven bottom, the moistening device needs to be adjusted.
- the fan wheel is rotating and changes the rotation direction with approx. one minute intervals
- the door switch deactivates the fan and heating when the door is opened
- the guide rails and the air suction plate are properly in place
- the drip tray is properly in place under the oven door.
Attach the side panel.
Troubleshooting
If the appliance fails to work, check to ensure that
- make sure the plug is connected to the outlet
- it has been used according to instructions
- all removable parts are in place
- the disconnection switch (usually on a wall or in the immediate vicinity of the oven) is in the ON position
- the fuses have not blown in the fuse box. Ask a qualified person to check the fuses.
Should the oven still not work, contact an authorised agent. Before phoning, make sure you have at hand the appliance type and serial number to be found on the name plate on the right front corner of the appliance.
This appliance does not contain parts which can be serviced by the user. Maintenance must be carried out by an authorised agent.
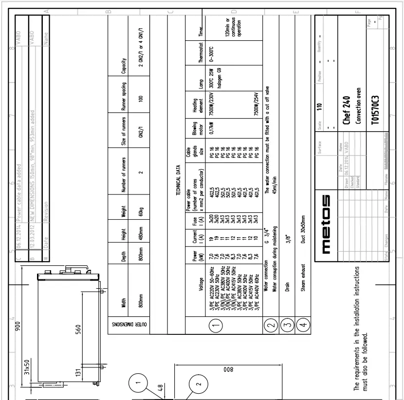
Technical specifications
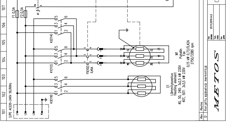
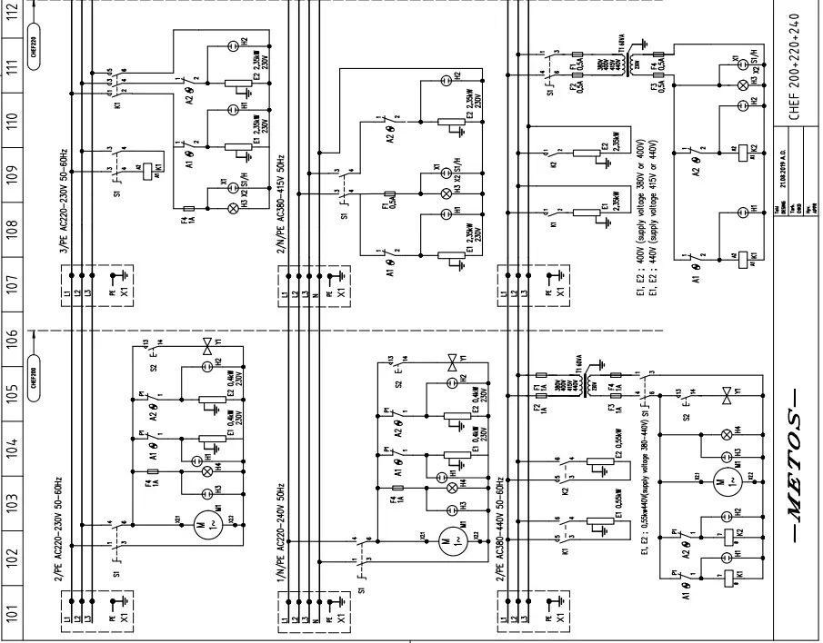
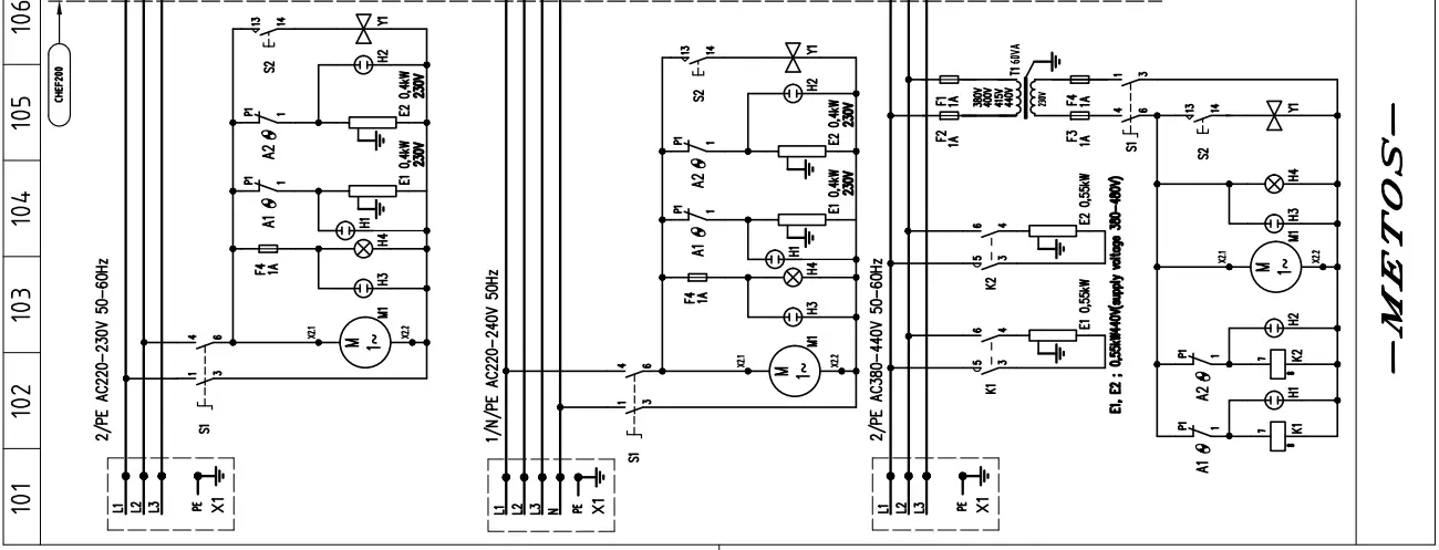
- Main and control circuit T04571D1
- Main and control circuit T04571D2
- Main and control circuit T04572B
- Main and control circuit T04573D
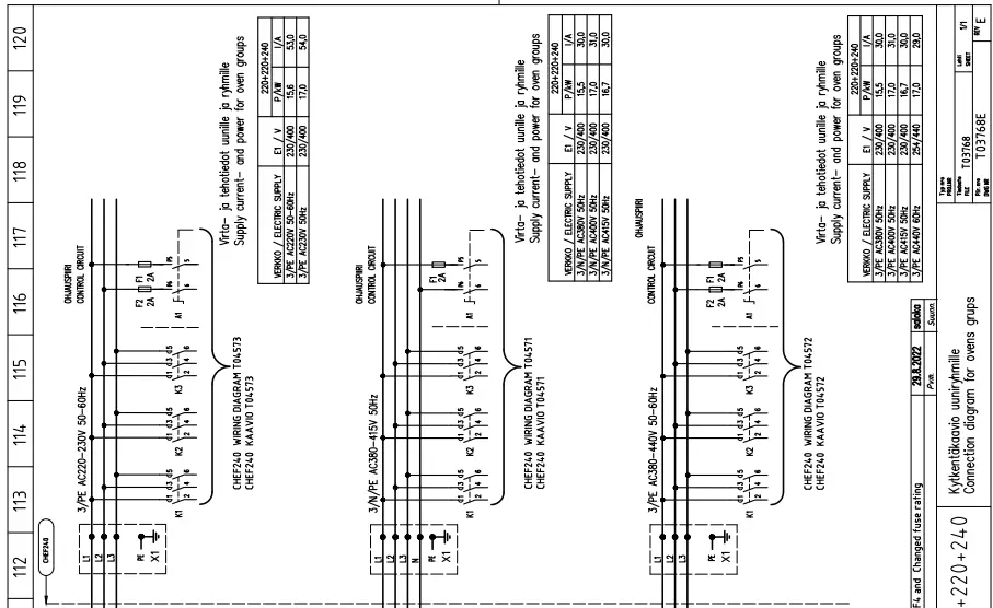
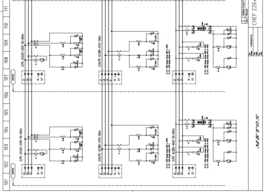
- Connection diagram T01702B
- Connection diagram T01916F
- Connection diagram T03768E
- Connection diagram T01703D
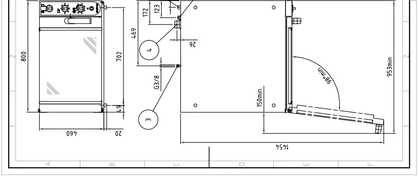
- Installation drawing T01570C3
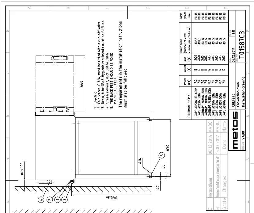
- Installation drawing T01587C3
- Installation drawing T01590D3
- Installation drawing T01874D3
- Installation drawing T01591D3
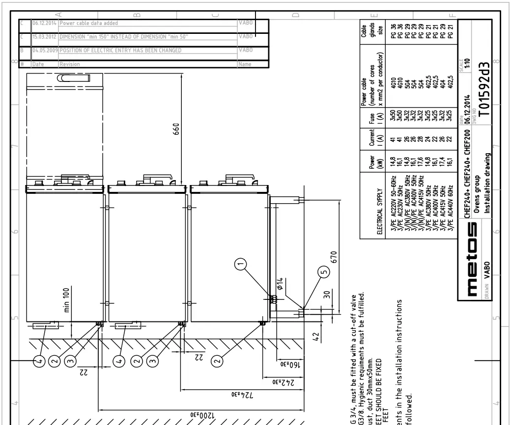
- Installation drawing T01592D3
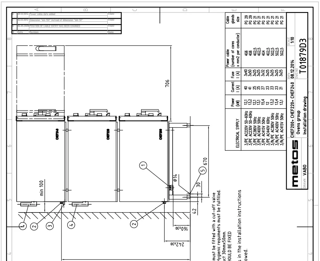
- Installation drawing T01879D3
































| Määre | Malli | Arvo |
| Overall dimensions WxDxH, table model oven | 240 | 800x900x460(+20) mm |
| Overall dimensions WxDxH, oven with stand | 240 | 800x900x1360 mm |
| Overall dimensions WxDxH, two ovens with stand | 240 | 800x900x1600 mm |
| Overall dimensions WxDxH, three ovens with stand | 240 | 800x900x1630 mm |
| Internal dimensions of oven WxDxH | 240 | 636x686x380 mm |
| Capacity, 2 guide rails | 240 | Containers: 2 pcs. GN2/1 h= 20,40,65. 4 pcs. GN1/1 h=20,40,65 Baking sheets: 2 pcs. GN2/1 short side folded |
| Thermostat control range | 240 | +50°C…+300°C |
| Main material | 240 | Stainless steel oven interior, door and ex- ternal casing. Door with double glass |
| Timer | 240 | 0…120 min or continuous |
| Preheating time (200°C) | 240 | 20 min |
| Moistening device | 240 | Factory settings: 45 ml/min (if needed, the settings can be adjusted by authorized service personnel |
| Weight of oven | 240 | n. 60kg |
| Weight of oven with stand | 240 | n. 74 kg |
| Weight of two ovens with stand | 240 | n. 127 kg |
| Weight of three ovens with stand | 240 | n. 185 kg |
| Weight of the oven, including packing | 240 | n. 77kg |
| Weight, including packing, oven with stand | 240 | n. 96kg |
| Weight, including packing, two ovens with stand | 240 | n. 157kg |
| Weight, including packing, three ovens with stand | 240 | n. 214kg |
| Package dimensions of two ovens with stand WxDxH | 240 | 883x976x1767 mm |
| Package dimensions of three ovens with stand WxDxH | 240 | 883x976x1787 mm |
| Electricity connection | 240 | See installation drawing |
| Water connections | 240 | See installation drawing |
| Conditions of use | 240 | Normal kitchen conditions, above 0°C |
The crossed-out wheeled bin means that within the European Union the product must be taken to separate collection at the product end-of life. This applies to your device but also to any enhancements marked with this sym-bol. Do not dispose of these products as unsorted municipal waste.
METOS OY AB UK DECLARATION OF CONFORMITY
- Manufacturer’s name METOS OY AB
- Address 04220 KERAVA FINLAND
Declare that the following product
- Name, type or mode
- Range series METOS Chef
Models: 200, 220, 240
is in conformity with the essential requirements and other relevant requirements of the UK legislation. The products are in conformity with the relevant UK legislation
Electrical Equipment (Safety) Regulations 2016, Electromagnetic Compatibility (EMC) Regulations 2016, Machinery (Safety) Regulations 2008: Great Britain, The Restriction of the Use of Certain Hazardous Substances in Electrical and Electronic Equipment Regulations 2012, Regulations: Waste Electrical and Electronic Equipment (WEEE) furthermore declares that the following harmonized standards (or parts/clauses) have been used BS EN ISO 12100:2010, BS EN ISO 13857:2008, BS EN IEC 61000-6-1:2019, BS EN IEC 61000-6- 3:2007, BS EN 60204-1:2018 and furthermore we declare that the following other standards (or parts/clauses) have been used BS EN 60335-1:2012+A15:2021, BS EN 60335-2-42, BS EN 60335-2-36 The person mentioned below is authorized to compile the technical file Otto Miettinen Metos Oy Ab, Ahjonkaarre, 04220 Kerava, Finland This declaration of conformity is issued under the sole responsibility of the manufacturer. The object of the declaration described above is in conformity with the relevant UK legislation The person mentioned below is authorized to compile the technical file Otto Miettinen Metos Oy Ab, Ahjonkaarre, 04220 Kerava, Finland This declaration of conformity is issued under the sole responsibility of the manufacturer. The object of the declaration described above is in conformity with the relevant UK legislation Place and date of issue KERAVA Name and title of declaring person 31.12.2022 Hannu Ahola – Director of Business Unit Risto Koskelainen-R&D Manager
Metos Oy Ab Ahjonkaarre Fl-04220 Kerava, Finland tel. +358 204 3913


















