SMC SFDA203 Series Bacteria Removal Filter
Bacteria Removal Filter – Product Information and Usage Instructions
Product Information
Product Name: Bacteria Removal Filter
Model/Series/Product Number: SFDA203-
Contents:
- Safety Instructions
- Specifications
- How to Order
- Component Name and Spare Parts List
- Replacement of the Element
- Dimensions
Product Usage Instructions
Safety Instructions
The following safety instructions must be followed in addition to International Standards (ISO/IEC) and other safety regulations:
- Warning: Only personnel with appropriate training should operate machinery and equipment. The assembly,operation, and maintenance of machines or equipment including our products must be performed by an operator who is appropriately trained and experienced.
- Caution: The product is provided for use in manufacturing industries. If considering using the product in other industries, consult SMC beforehand and exchange specifications or a contract if necessary. If anything is unclear, contact your nearest sales branch.
Limited Warranty and Disclaimer/Compliance Requirements
The product used is subject to the following Limited warranty and Disclaimer and Compliance Requirements. Read and accept them before using the product.
- The warranty period of the product is 1 year in service or 1.5 years after the product is delivered, whichever is first. The product may have specified durability, running distance, or replacement parts. Please consult your nearest sales branch.
- For any failure or damage reported within the warranty period which is clearly our responsibility, a replacement product or necessary parts will be provided. This limited warranty applies only to our product independently and not to any other damage incurred due to the failure of the product.
- Prior to using SMC products, please read and understand the warranty terms and disclaimers noted in the specified catalog for the particular products. Vacuum pads are excluded from this 1-year warranty. A vacuum pad is a consumable part, so it is warranted for a year after it is delivered. Also, even within the warranty period, the wear of a product due to the use of the vacuum pad or failure due to the deterioration of rubber material are not covered by the limited warranty.
Replacement of the Element
To replace the element of the Bacteria Removal Filter, follow these steps:
- Turn off the air supply and release the pressure inside the filter.
- Remove the element by turning it counterclockwise.
- Insert a new element and turn it clockwise until it stops.
- Turn on the air supply and check for leaks.
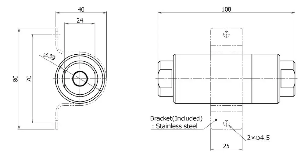
Dimensions
The dimensions of the Bacteria Removal Filter are provided in the user manual.
Bacteria Removal Filter Safety Instructions
These safety instructions are intended to prevent hazardous situations and/or equipment damage.
These instructions indicate the level of potential hazard with the labels of “Caution,” “Warning” or“Danger.”
They are all important notes for safety and must be followed in addition to International Standards
(ISO/IEC)*1) , and other safety regulations.
*1) ISO 4414: Pneumatic fluid power — General rules relating to systems.
ISO 4413: Hydraulic fluid power — General rules relating to systems.
IEC 60204-1: Safety of machinery — Electrical equipment of machines .(Part 1: General requirements)
ISO 10218: Manipulating industrial robots -Safety.
etc.
Caution indicates a hazard with a low level of risk which, if not avoided, could result in minor or moderate injury.
Warning indicates a hazard with a medium level of risk which, if not avoided, could result in death or serious injury.
Danger indicates a hazard with a high level of risk which, if not avoided, will result in death or serious injury.
Warning
- The compatibility of the product is the responsibility of the person who designs the equipment or decides its specifications.
Since the product specified here is used under various operating conditions, its compatibility with specific equipment must be decided by the person who designs the equipment or decides its specifications based on necessary analysis and test results.
The expected performance and safety assurance of the equipment will be the responsibility of the person who has determined its compatibility with the product.
This person should also continuously review all specifications of the product referring to its latest catalog information, with a view to giving due consideration to any possibility of equipment failure when configuring the equipment. - Only personnel with appropriate training should operate machinery and equipment.
The product specified here may become unsafe if handled incorrectly.
The assembly, operation and maintenance of machines or equipment including our products must be performed by an operator who is appropriately trained and experienced. - Do not service or attempt to remove product and machinery/equipment until safety is confirmed.
- The inspection and maintenance of machinery/equipment should only be performed after measures to prevent falling or runaway of the driven objects have been confirmed.
- When the product is to be removed, confirm that the safety measures as mentioned above are implemented and the power from any appropriate source is cut, and read and understand the specific product precautions of all relevant products carefully.
- Before machinery/equipment is restarted, take measures to prevent unexpected operation and malfunction.
- Contact SMC beforehand and take special consideration of safety measures if the product is to be used in any of the following conditions.
- Conditions and environments outside of the given specifications, or use outdoors or in a place exposed to direct sunlight.
- Installation on equipment in conjunction with atomic energy, railways, air navigation, space, shipping, vehicles, military, medical treatment, combustion and recreation, or equipment in contact with food and beverages, emergency stop circuits, clutch and brake circuits in press applications, safety equipment or other applications unsuitable for the standard specifications described in the product catalog.
- An application which could have negative effects on people, property, or animals requiring special safety analysis.
- Use in an interlock circuit, which requires the provision of double interlock for possible failure by using a mechanical protective function, and periodical checks to confirm proper operation.
Caution
- The product is provided for use in manufacturing industries.
The product herein described is basically provided for peaceful use in manufacturing industries.
If considering using the product in other industries, consult SMC beforehand and exchange specifications or a contract if necessary.
If anything is unclear, contact your nearest sales branch.
Limited warranty and Disclaimer/Compliance Requirements
The product used is subject to the following “Limited warranty and Disclaimer” and “Compliance Requirements”.
Read and accept them before using the product.
Limited warranty and Disclaimer
- The warranty period of the product is 1 year in service or 1.5 years after the product is delivered,whichever is first.∗2)
Also, the product may have specified durability, running distance or replacement parts. Please consult your nearest sales branch. - For any failure or damage reported within the warranty period which is clearly our responsibility,
a replacement product or necessary parts will be provided.
This limited warranty applies only to our product independently, and not to any other damage incurred due to the failure of the product. - Prior to using SMC products, please read and understand the warranty terms and disclaimers noted in the specified catalog for the particular products.
∗2) Vacuum pads are excluded from this 1 year warranty.
A vacuum pad is a consumable part, so it is warranted for a year after it is delivered. Also, even within the warranty period, the wear of a product due to the use of the vacuum pad or failure due to the deterioration of rubber material are not covered by the limited warranty.
Compliance Requirements
- The use of SMC products with production equipment for the manufacture of weapons of mass destruction(WMD) or any other weapon is strictly prohibited.
- The exports of SMC products or technology from one country to another are governed by the relevant security laws and regulation of the countries involved in the transaction. Prior to the shipment of a SMC product to another country, assure that all local rules governing that export are known and followed.
Caution
SMC products are not intended for use as instruments for legal metrology.
Measurement instruments that SMC manufactures or sells have not been qualified by type approval tests relevant to the metrology (measurement) laws of each country.
Therefore, SMC products cannot be used for business or certification ordained by the metrology (measurement) laws of each country.
Operation Precautions
Selection/Caution on Design
Do not select a model exceeding specification ranges and carefully consider the purpose of use, required specifications, and operating conditions, such as fluid,pressure, flow rate, nominal filtration rating, and environment. Incorrect handling can result in unexpected accidents.
Refer to “Air Preparation Equipment/Precautions” which can be found under “Handling Precautions for SMC Products” in the catalog or on SMC website.
http://www.smcworld.com
- The product is not certified under the High Pressure Gas Safety law, so for nitrogen and Carbon dioxide gas(gas), its maximum operating pressure will be 0.99 MPa (gauge pressure).
- The product is provided for use in manufacturing industries. Contact us beforehand if the product will be used in an application such as a caisson shield, breathing, food (other than air-blowing), and/or medical treatment that affects the human body directly or indirectly.
- The product removes and reduces bacteria contained in the compressed air. Bacterial removal refers to the effect of reducing bacteria. It does not mean that all bacteria are eliminated. Not for eliminating the virus.
LRV (Log Reduction Value) is a mathematical representation that was obtained from the test (evaluation based on JIS K 3835) using test bacteria (Brevundimonas diminuta). - The product is assembled and packaged in a clean room environment but does not adhere to the sanitation control procedures for the use in food and medical industries.
- If the compressed air includes ozone, do not use it since it may damage the product or cause malfunction.
Caution on Installation
Warning
- Initial pressure drop
Set the air flow capacity with an initial pressure drop of 0.03 MPa or less. If the initial pressure drop is set to be high, its life will be shortened due to clogging. - Pressure fluctuation of the circuit
Do not install the product in a place where it can be affected by a pulsation (including surge pressure) of over 0.1 MPa. - Generally, the following pollutant particles are contained in compressed air.
[Example: Pollutant particle substances contained in the compressed air]- Moisture (drainage)
- Dusts and particles which are in the surrounding air
- Deteriorated oil which is discharged from the compressor
- Solid foreign matter such as rust and/or oil in the piping
- The SFDA series is not compatible with compressed air which contains fluids such as water and/or oil.
- Install a dryer, line filter, mist separator, micro mist separator, super mist separator, or odorremoval filter, etc., for the source of the air for the SFDA series.
- Use a grade that meets ISO8573-1: 2010 [1: 4: 1] for the compressed air purity classes on the inlet side of the SFDA series.
Operating Environment
Warning
- Do not operate under the conditions listed below due to a risk of malfunction.
- In locations containing corrosive gases, organic solvents, and chemical solutions, or in locations in which these elements are likely to adhere to the equipment
- In locations in which sea water, water, or water steam could come in contact with the equipment
- In locations that are exposed to direct sunlight (Shield the equipment from sunlight to prevent its resin material from ultraviolet ray degradation or overheating.)
- In locations that have a heat source and poor ventilation (Shield the equipment from heat sources to protect it from softening degradation due to radiated heat.)
- In locations that are exposed to shocks and vibrations
- n locations with high humidity or large amounts of dust
- When the product is used for blowing, use caution to prevent the work from being damaged by entrained air from the surrounding area.
If compressed air is used for air blow, compressed air blowing out from the blow nozzle may entrain foreign matter (solid particles and liquid particles) floating in the ambient air, blowing it against the workpieces and causing adhesion. Therefore, sufficient precautions must be taken about the ambient environment.
Mounting
Warning
- Flushing
- Flush and clean the piping before installing the product. Dust and foreign matter left in the piping can cause operating failure and malfunction.
- When connecting pipework, flush before initial use and element replacement to reduce particle generation. After that, start main operation.
- Unpacking the sealed package
Since the filter is sealed in an antistatic double bag, the inner package should be unpacked in a clean atmosphere (such as a clean room). - Piping ports
- When connecting pipework, apply a wrench across the flats of the IN or OUT side to prevent the main body from rotating.
- Connect the piping in accordance with the flow direction marked on the case.
If connected in reverse, the element could break.
- Installation
Secure the product with the brackets included in the packaging.
Warning
Perform maintenance and inspection according to the procedures indicated in the operation manual. If handled improperly, malfunction or damage of machinery and equipment may occur.
- When removing the product, exhaust the air and ensure the air is released to atmosphere before removing it.
- When the element comes to the end of its life, immediately replace it with a new filter or replacement element.
- Life of element –
The life of the element ends when either of the following two conditions occurs. - After 1 year of usage has elapsed.
- When the pressure drop reaches 0.1 MPa even though the operating period has been less than 1 year
- Life of element –
Specifications
| Port size | Rc1/4, NPT1/4, G1/4, Rc3/8, NPT3/8, G3/8 | |
| Fluid | Air, Nitrogen, Carbon dioxide gas(gas) | |
| Rated flow | 500L/min (ANR)*1 | |
| Nominal filtration rating*2 | 0.01μm (99.99%)*5 | |
| Operating pressure range*3 | -100kPa to 1.0MPa (For nitrogen, Carbon dioxide gas: 0.99MPa) | |
| Operating temperature | 5 to 45oC | |
| Initial pressure drop | 0.03MPa(Inlet pressure 0.7MPa, at max. flow rate) | |
| Element proof differential pressure*4 | 0.5MPa | |
| Proof pressure | 1.5MPa | |
| Element life | 1 year, or when the pressure drop reaches 0.1 MPa | |
| Materials of parts in contact with fluid | Metal parts | Stainless steel |
| Resin/Rubber parts | Materials compliant with FDA/Food Sanitation Law | |
| Weight | Port size 1/4 | 450g |
| Port size 3/8 | 430g | |
- Maximum flow rate at inlet pressure 0.7 MPa and pressure drop 0.03 MPa.
- Measured under SMC’s specified conditions.
- The maximum operating pressure varies depending on temperature.
- This means that the element does not break at 0.5 MPa.
- The bacteria removal filter is intended to filter solid particles. It is not suitable for the separation
Bacteria removal performance (bacteria capture performance of filter element) LRV ≥ 9LRV (Log Reduction Value) indicates the bacteria capture performance.

- A: Total number of test bacteria applied upstream of the filter
- B: Total number of test bacteria after passing through the filter (downstream)
[Demonstrated by a third-party research institution (Test reference report No.: 2019D-BT-548)] * This does not guarantee that all bacteria will be removed. Not for eliminating the virus. This is the data evaluated based on JIS K 3835.
How to Order

Component name and spare parts list

Replacement Parts
| Description | Part no. | Note |
| Element set | SFDA-EL200 | With 3 O-rings |
| Bracket | SFD-BR200 |
Replacement of the element
- Stop
Stop operation and reduce the filter’s internal pressure to atmosphere. - Removal of the cover
Hold the flats of the cover and case with a wrench and unscrew.
It is possible that the element comes out together with the cover. In this case, step 5-3 is not necessary.
Removal of the element
Remove the element from the case.

Mount the element
Mount the new element to the cover and insert into the case.
Make sure that the direction of the arrow on the element and the laser printed arrow on the case are the same
Product Dimensions

Revision history
Rev. A : September, 2021
Add Carbon dioxide gas(gas)
Delete Lubrication oil
Rev. B : October, 2022
Caution on Installation Clerical error correction
Sotokanda, Chiyoda-ku, Tokyo 101-0021 JAPAN
Tel: + 81 3 5207 8249 Fax: +81 3 5298 5362
URL http://www.smcworld.com
Note: Specifications
are subject to change without prior notice and any obligation on the part of the manufacturer.
© 2022 SMC Corporation All Rights Reserved



















