
OWNER’S MANUAL
IMPORTANT SAFETY INSTRUCTIONS
This lightning flash with an arrowhead symbol, within an equilateral triangle, is intended to alert the user to the presence of uninsulated “dangerous voltage” within the product’s enclosure that may be of sufficient magnitude to constitute a risk of electric shock to persons.
The DO NOT STACK symbol is intended to alert the user that the product shall not be vertically stacked because of the nature of the product.
| CAUTION |
|
|
|
The exclamation point within an equilateral triangle is intended to alert the user to the presence of important operating and maintenance (servicing) instructions in the literature accompanying the appliance.
FOLLOW ALL INSTRUCTIONS
Instructions pertaining to a risk of fire, electric shock, or injury to a person
CAUTION: TO REDUCE THE RISK OF ELECTRIC SHOCK, DO NOT REMOVE COVER (OR BACK).
NO USER-SERVICEABLE PARTS INSIDE. REFER SERVICING TO QUALIFIED SERVICE PERSONNEL. THIS DEVICE IS FOR INDOOR USE ONLY!
INSTALLED BATTERY PACKS SHALL NOT BE EXPOSED TO EXCESSIVE HEAT SUCH AS SUNSHINE, FIRE, OR THE LIKE.
Read Instructions: The Owner’s Manual should be read and understood before the operation of your unit. Please, save these instructions for future reference and heed all warnings.
Clean only with a dry cloth.
Packaging: Keep the box and packaging materials, in case the unit needs to be returned for service.
Warning: To reduce the risk of fire or electric shock, do not expose this apparatus to rain or moisture. Do not use this apparatus near water!
Warning: When using electric products, basic precautions should always be followed, including the following:
Power Sources
Your unit should be connected to a power source only of the voltage specified in the owner’s manual or as marked on the unit. This unit has a polarized plug. Do not use with an extension cord or receptacle unless the plug can be fully inserted. Precautions should be taken so that the grounding scheme on the unit is not defeated. An apparatus with CLASS I construction shall be connected to a Mains socket outlet with a protective earthing connection. Where the MAINS plug or an appliance coupler is used as the disconnect device, the disconnect device shall remain readily operable.
Hazards
Do not place this product on an unstable cart, stand, tripod, bracket, or table. The product may fall, causing serious personal injury and serious damage to the product. Use only with cart, stand, tripod, bracket, or table recommended by the manufacturer or sold with the product. Follow the manufacturer’s instructions when installing the product and use mounting accessories recommended by the manufacturer. Only use attachments/accessories specified by the manufacturer Note: Prolonged use of headphones at a high volume may cause health damage to your ears.
The apparatus should not be exposed to dripping or splashing water; no objects filled with liquids should be placed on the apparatus.
Terminals marked with the “lightning bolt” are hazardous live; the external wiring connected to these terminals requires installation by an instructed person or the use of ready-made leads or cords.
Ensure that proper ventilation is provided around the appliance. Do not install near any heat sources such as radiators, heat registers, stoves, or other apparatus (including amplifiers) that produce heat.
No naked flame sources, such as lighted candles, should be placed on the apparatus.
Power Cord
Do not defeat the safety purpose of the polarized or grounding-type plug. A polarized plug has two blades with one wider than the other. A grounding-type plug has two blades and a third grounding prong. The wide blade or the third prong are provided for your safety. If the provided plug does not fit into your outlet, consult an electrician for replacement of the obsolete outlet. The AC supply cord should be routed so that it is unlikely that it will be damaged. Protect the power cord from being walked onor pinched particularly at plugs. If the AC supply cord is damaged DO NOT OPERAT E THE UNIT. To completely disconnect this apparatus from the AC Mains, disconnect the power supply cord plug from the AC receptacle. The main plug of the power supply cord shall remain readily operable.
Unplug this apparatus during lightning storms or when unused for long periods of time.
Service
The unit should be serviced only by qualified service personnel. Servicing is required when the apparatus has been damaged in any way, such as power-supply cord or plug is damaged, liquid has been spilled or objects have fallen into the apparatus, the apparatus has been exposed to rain or moisture, does not operate normally, or has been dropped. Disconnect power before servicing!
The Lightning Flash with arrowhead symbol within an equilateral triangle is intended to alert the user to the presence of uninsulated “dangerous voltage” within the product enclosure that may be of sufficient magnitude to constitute a risk of shock to persons
The exclamation point within an equilateral triangle is intended to alert the user to the presence of important operating and maintenance (servicing) instructions in the literature accompanying the product
- Read these instructions.
- Keep these instructions.
- Heed all warnings.
- Follow all instructions.
- Do not use this apparatus near water.
- Clean only with a dry cloth.
- Do not block any ventilation openings. Install in accordance with the manufacturer’s instructions.
- Do not install near any heat sources such as radiators, heat registers, stoves, or other apparatus (including amplifiers) that produce heat.
- Do not defeat the safety purpose of the polarized or grounding-type plug. A polarized plug has two blades with one wider than the other. A grounding-type plug has two blades and a third grounding prong. The wide blade or the third prongs are provided for your safety. If the provided plug does not fit into your outlet, consult an electrician for the replacement of the obsolete outlet.
- Protect the power cord from being walked on or pinched particularly at plugs, convenience receptacles, and the point where they exit from the apparatus.
- Only use attachments/accessories specified by the manufacturer.
- Use only with the cart, stand, tripod, bracket, or table specified by the manufacturer, or sold with the apparatus. When a cart is used, use caution when moving the cart/apparatus combination to avoid injury from tip-over.
- Unplug this apparatus during lightning storms or when unused for long periods of time.
- Refer all servicing to qualified service personnel. Servicing is required when the apparatus has been damaged in any way, such as power-supply cord or plug is damaged, liquid has been spilled or objects have fallen into the apparatus, the apparatus has been exposed to rain or moisture, does not operate normally, or has been dropped.
WARNING:
- To reduce the risk of fire or electric shock, do not expose this apparatus to rain or moisture and objects filled with liquids, such as vases, should not be placed on this apparatus.
- To completely disconnect this apparatus from the ac mains, disconnect the power supply cord plug from the ac receptacle.
- The main plug of the power supply cord or an appliance coupler shall remain readily accessible.
CAUTION ![]()
TO PREVENT ELECTRIC SHOCK HAZARDS, DO NOT CONNECT TO THE MAINS POWER SUPPLY WHILE THE GRILLE IS REMOVED.
Synergy SA221S Powered Speaker
Thank you for choosing Yorkville’s Synergy SA221S subwoofer, the companion subwoofer to the SA153. The SA series excels in sound reinforcement applications where a line array is desired but cannot be easily accommodated.
Cabinet Features
The SA221S is constructed of high-strength multiply birch plywood for ultimate durability. There are 2 woofers, each 21-inch-long-throw.
Electronic Features
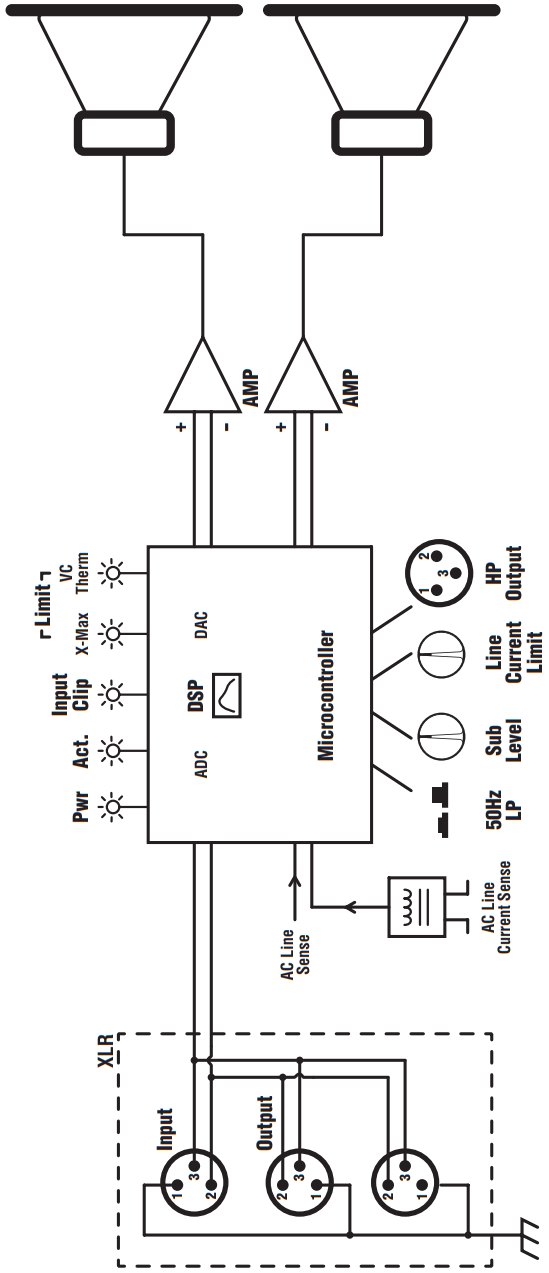
A Yorkville proprietary DSP platform provides processing to prevent over-excursion (X-Max), voice coil overheating (VC thermal), and clipping. The DSP uses IIR filters for crossover and equalization and there is a small delay added to time align with the SA153 top box. The X-Max limiter and the VC thermal limiter are both frequencies sensitive and calibrated to match the characteristics of the driver and cabinet system. The VC-thermal limiter can be advanced to limit the power draw in cases where there is less than ample power available. The X-Max limiter is faster, pretty much instantaneous. The VC-thermal limiter is slower reacting, typically operating near the end of a bass beat at 120 bpm.
The amplifier is a high headroom Class-D design. There is a large capacitor bank so that bass transients are less dependent on the quality of the power line.
The limiter indicators indicate when the X-max or VC thermal limiters are active. Typically, the X-max limiter is more active but this is content-dependent. The effect of the line power advance can be observed by carefully watching these limit lights as the control is changed while operating in the limit. The VC-therm indicator will come on sooner as the Average Power limiter is advanced. With many types of music, the effect of the VC-therm limiter will be minimal.
- Power Switch and Indicator
The green power LED illuminates when the power switch is turned to the On position and AC voltage is supplied. When the power is removed or the power switch is moved to the off position the green power indicator will blink while the power supply is discharging. The processing circuitry will not reboot unless the power supply is fully discharged before being turned back on. It is not necessary to reboot, however. Turning the power back on before the power supply is discharged will simply resume normal operation. - PowerCON TRUE AC Loop Thru
As a standard, the AC inlet on the SA221S accepts locking PowerCON TRUE power cords. There is also an AC outlet that can be used to loop power through to other cabinets in your array using a male to female PowerCON TRUE looping power cord. Check with your local Yorkville dealer for the availability of these accessory cords. IMPORTANT: DO NOT EXCEED THE CURRENT RATING OF THE POWER and ACCESSORY CORDS. PLEASE READ THE SECTION OF THIS MANUAL CALLED CASCADE INSTALLATION - Input Jack
This female-XLR accepts line-level XLR microphone cables. For best noise reduction use balanced sources. - Dual Link Outputs
These XLR male connectors can be used with a standard XLR cable to daisy-chain up to 20 SA221S or SA315 cabinets without signal degradation. Simply loop from one cabinet’s Link jack to the next cabinet’s Input jack. In many cases, this limit of 20 cabinets can be exceeded, consult Yorkville Sound for more details. - SA221S Level Control
This control adjusts the volume level of the SA221S relative to the input signal level. Mixers and other audio sources connected to the SA221S tend to have different output voltages, which means the level control on the SA221S is used to fine tune the cabinet’s volume relative to the mixer settings. It is perfectly acceptable to set the SA221S Level above or below the center 0 dB setting. - Clip, X-Max, VC-Therm, Activity Indicators
The Clip and Limit LED indicators to illuminate to guide the user to proper operating levels.
Illumination of either of the yellow Limit LEDs indicates that a level has been reached where the SA221S limiters are reducing the signal internally to prevent damage or distortion. It also indicates that further increases in input level or increasing the SA221S Level control position will not appreciably increase acoustic output.
The red Clip LED indicates that the input level is excessive and further increases in level will cause severe distortion. The input signal should be reduced at the source until Clip activity ceases. The clip indicator comes on at 12 Vrms, a 16 volts peak. The input clips at 17 Vrms, 24 volts peak.
The activity Indicator comes on at 5 mVrms or -45 dBV. - Line Current Limit Control
The SA221S can operate on 15 amp 120VAC power sources or 20 amp 120 VAC power sources. Safety regulations limit the power draw on these circuits to 80% of 15 or 20 amps. The SA221 operates within these limitations. The stock product limits the current to 12 amps and when modified by a qualified technician using the SA221KIT will increase the limit current to 16 amps. The operation, when set to 16 amps, requires the appropriate power cord and 20 amp power source.
The average power limit control allows the power to be reduced to allow operation on limited power availability. Full power transients will be allowed through but if the average power is excessive then the power will be limited. This control works by advancing the limiter that limits the voice coil temperature and by monitoring the current draw. In the 16 amp position, the average power is limited only by the voice coil temperature. In the 12 amp position with most music, the limiter will be only active occasionally depending on the music content. In the 8 amp position, certain types of music will not be limited, primarily music without deep bass or where the bass is unprocessed. The 6 amp position will significantly reduce the output when the music content has continuous bass content below 45 Hz. The green power-on indicator will dim to indicate when the line current limiter is active. A small amount of dimming indicates that the advanced thermal limiter is active while significant dimming indicates that the line current monitoring system has detected excessive line current. Low line voltage typically due to long power supply cables may cause excessive line current, the line current monitoring system will prevent this from tripping the power source circuit breakers. - 50 Hz High-Pass Output
The SA221S provides a line-level 50 Hz high-pass XLR output intended to provide the correct equalization, crossover, and time alignment to use SA315S subwoofers along with SA221S subwoofers. This output is not suitable for any other usage. This output should not be routed to the full-range cabinets. Normally this would be used with the 50 Hz lowpass switch depressed. - 100 Hz / 50 Hz Lowpass Switch
This switch allows the SA221S subwoofers to be used with SA315S subwoofers. Combined with the 50 Hz Highpass output this will ensure correct crossover and time alignment.

Specifications
| Active or Passive | Active |
| Program Power (watts) | 6000 watts program 17000 watts peak |
| Measured Max SPL (C-Weighted, Max Hold) | 130.6 dB Cont., 142.6 dB Peak |
| Frequency Response (Hz +/- 3dB) | 28Hz-100Hz |
| Crossover Frequency (Hz) | 50 or 100 Hz lowpass |
| Cabinet Configuration | Bass Reflex |
| Driver Configuration | 2×21-inch LF woofer |
| LF Driver(s) | 21-inch Neo with 4.5-inch Tetra Coil |
| LF Program Power (watts) | 6000 watts Program, 17000 watts Peak |
| LF Impedance (ohms) | LF impedance 2 amplifiers, 4 ohms per amplifier |
| LF Protection | Excursion, Voice Coil Thermal (RMS) |
| LF Power Amplifier (Watts) | 6000 watts program (17000 watts peak) |
| LF Amplifier Type | Class D |
| Cooling Scheme | Convection |
| Power Cable | Removable Locking Powercon True Input and Loop Thru |
| Power Switch | Yes |
| Power Consumption (Typ/max) | 1440 VA / 1920 VA |
| Inputs | 1 XLR with 2x XLR Parallel out, Impedance 35k ohms |
| Input Sensitivity (Vrms Sine) | Line in 1.4 at the center, 0.56 at max |
| Level Controls | Volume, -∞,0dB,8dB (Min, Top, Max) |
| EQ Controls | Thermal Limiter Advance for power consumption management |
| Limiter | Excursion, Thermal (RMS), Clipping |
| LED Indicators | Power, Excursion Limit, Thermal (RMS) Limit, Input Clip, |
| Enclosure Materials | Multiply 15mm Birch Plywood |
| Casters | 4 x Locking Swivel Casters On Rear Of Cabinet |
| Stand Adapter | 2 (1 Top, 1 Side) |
| UHMW Skid Glides | 2 Rear |
| Stacking Feature | Rubber Feet and Cups (Side and Bottom) |
| Covering / Finish | Paint |
| Dimensions (DWH inches) | 32.750 (37.750 including casters) x 29.750 x 47.5 |
| Dimensions (DWH cm) | 83.2 (95.8 including casters) x 75.5 x 120.6 |
| Weight (lbs/kg) | 370/168 |
This equipment has been tested and found to comply with the limits for a Class A digital device, pursuant to part 15 of the FCC Rules. These limits are designed to provide reasonable protection against harmful interference when the equipment is operated in a commercial environment. This equipment generates, uses, and can radiate radio frequency energy and, if not installed and used in accordance with the instruction manual, may cause harmful interference to radio communications. Operation of this equipment in a residential area is likely to cause harmful interference in which case the user will be required to correct the interference at his own expense.
Block Diagram SA221S
DESIGNED & MANUFACTURED BY YORKVILLE SOUND

Cascade Installation
The SYNERGY product line provides ac power convenience outlets that minimize wiring and improve overall safety when used properly. Carefully read all of the important safety tips shown below for the long and safe use of your equipment.
- Always connect the equipment to a circuit with a suitable electrical ground.
- Do not overload the power cords and convenience outlets.
Yorkville provides heavy-gauge certified power cords which safely deliver up to 12A to interconnected equipment. It is important to know what the total current requirements are for all of the equipment you want to connect together in a chain.
All of our SYNERGY products have their current rating marked at the rear of the enclosure. This number represents the typical current drawn at moderate power levels. If the total rated current is below 12A the system will operate safely even when the amplifiers are operating at higher power levels.
Here is an example of using the rated current to ensure you’re not overloading the power cords.
The SA102 is rated 1.0A at 120V therefore Two SA102 will consume 2.0A
The SA115S is rated 3.0A at 120V therefore Two SA1115S will consume 6.0A
The total rated current of the four pieces of equipment is 8.0A
This is less than the 12A limit and this system will operate safely.
NOTE: The SA221SKIT is a 16A option that exists for the SA221S subwoofer and this line cord can safely deliver up to 16A. - Always inspect the cords and plugs before use. Do not use outlets or cords that have exposed wiring, are worn or damaged. Replace electrical cords that have worn or damaged insulation and remember to pull the plug, not the cord to extend the life of the cord itself. Please replace with the equivalent heavy-duty cord supplied by the manufacturer.
- The AC supply cord should be routed so that it is unlikely that it will be damaged. Protect the power cord from being walked on or pinched. If the AC supply cord is damaged DO NOT OPERATE THE UNIT. To completely disconnect this apparatus from the AC Mains, disconnect the power supply cord plug from the AC receptacle. The main plug of the power supply cord shall remain readily operable. Unplug this apparatus during lightning storms or when unused for long periods of time. Route cords away from traffic to avoid tripping hazards and unnecessary wear on the power cord.
- Never Break Off the Third Prong on a Plug. Replace broken 3-prong plugs and make sure the third prong is properly grounded.
- Keep line cords away from heat, water, and oil. They can damage the insulation and create a shock hazard.
- Do not tie cords in tight knots. Knots can cause short circuits and shocks. Loop the cords or use a twist lock plug.
Two & Ten Year Warranty
Unlimited Warranty
Yorkville’s two and ten-year unlimited warranty on this product is transferable and does not require registration with Yorkville Sound or your dealer. If this product should fail for any reason within two years of the original purchase date (ten years for the wooden enclosure), simply return it to your Yorkville dealer with original proof of purchase and it will be repaired free of charge. This includes all Yorkville products, except for the YSM Series studio monitors, Coliseum Mini-Series, and TX Series Loudspeakers.
Freight charges, consequential damages, weather damage, damage as a result of improper installation, damages due to exposure to extreme humidity, accident, or natural disaster are excluded under the terms of this warranty. Warranty does not cover consumables such as vacuum tubes or par bulbs. See your Yorkville dealer for more details. Warranty valid only in Canada and the United States.

REAL Gear.
REAL People.
| Canada Voice: (905) 837-8481 Fax: (905) 837-8746 | U.S.A. Voice: (716) 297-2920 Fax: (716) 297-3689 |
| Yorkville Sound 550 Granite Court Pickering, Ontario L1W-3Y8 CANADA | Yorkville Sound Inc. 4625 Witmer Industrial Estate Niagara Falls, New York 14305 USA |
Printed in Canada


WEB: www.yorkville.com
WORLD HEADQUARTERS
| CANADA | U.S.A. |
| Yorkville Sound Limited 550 Granite Court Pickering, Ontario L1W 3Y8 CANADAVoice: 905-837-8481 Fax: 905-837-8746 | Yorkville Sound Inc. 4625 Witmer Industrial Estate Niagara Falls, New York 14305, USAVoice: 716-297-2920 Fax: 716-297-3689 |
Quality and Innovation Since 1963
Printed in Canada
Manual-Owners-SYNERGY-SA221S-00-1v1 • June 24, 2021
SEPARATE COLLECTION WEEE
DO NOT PUSH OR PULL
NOT TO BE SERVICED BY USERS
NOTE: The SA221SKIT is a 16A option that exists for the SA221S subwoofer and this line cord can safely deliver up to 16A.
Two & Ten Year Warranty
















